【導讀】隨著世界變得越來越自動化,使用常規立式吸塵器清潔房屋感覺苦不堪言。自2002年首臺真空機器人上市以來,清潔機器人的功能和可用選項大幅增加。事實上,許多優質機器人真空吸塵器目前已進入第六代。
推動這一變化的因素- 無論是比喻含義還是字面含義 - 是使您的現代真空機器人流暢運行的一個器件 - 電機驅動。如同今天的家用機器人助手一樣,電驅動的尺寸持續縮小,同時性能也在提高。
在本文中,我將回顧真空機器人的主要特點和當前趨勢,以及電機驅動如何幫助滿足這些要求。
展望未來,預計真空機器人將變得不那么笨拙(換言之,不那么容易迷失方向)且運行更快。設計尺寸也將繼續縮小,使他們能夠清潔諸如廚柜或低間隙家具之類的狹窄部位。
真空機器人設計挑戰
電池壽命和可靠性是真空機器人面臨的兩大設計挑戰。大多數真空機器人都是電池供電的,并從電源座充電。真空機器人的典型框圖如圖1所示。

圖1:真空機器人的部分
電機是真空機器人的重要組成部分。如何驅動電機以及使用何種電機驅動決定電池壽命和可靠性。
讓我們回顧一下控制真空機器人消耗的大部分功率的主要系統模塊、所涉及的主電機,以及確定哪種電機驅動將控制并降低功耗的系統要求:
● 真空機器人的主吸力是通過一個運行在3到4A的電機來完成的,通常具有高達8A的峰值電流。效率和全面保護是關鍵要求。該電機通常由無刷電機驅動進行驅動,以降低噪音并提高效率。
● 兩個雙向輪使用有刷電機驅動。早期型號只能向一個方向移動,但雙向輪在解鎖機器人或使其從困難的位置改變方向時非常有用。這些是低速電機,帶典<1A的典型均方根(RMS)額定電流。與光滑的瓷磚或硬木地板相比,需要更好的扭矩在諸如地毯等更粗糙的地板類型移動。另一個關鍵要求是監控輸出電流,且如果電流持續較長時間,則向微控制器(MCU)發送反饋,這可能表明真空機器人卡住了。
● 主刷使用位于真空機器人中心的有刷電機,用于攪動和拉動地板上的污垢。這是一款中速電機,額定RMS電流約為3A。
● 取決于真空機器人和品牌的類型,可能有一個或兩個單向側刷以中速運行。這些側刷通過向內朝向機器人的中心旋轉而將污垢驅動到主刷上。RMS電流額定值<1A。
我提及的大多數電機都是有刷電機,RMS電流額定值從1A到3A不等,
在前幾代真空機器人中,跨分流電阻的外部電流感應處理輸出電流的監測和感應。這些分流電阻器體積大,價格昂貴,占用了電路板上的大量空間。使用外接笨重的高值分流電阻也會增加功耗,從而減少機器人的電池使用時間。
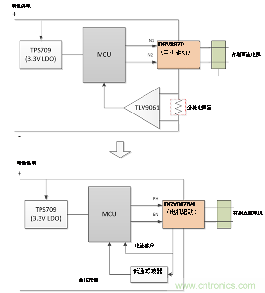
圖3所示為早期一代真空機器人的框圖,其中DRV8870需要外部分流電阻來感應電流,而外部放大器則需要向MCU發送反饋。這需要額外的電路板空間,增加成本,并增加了布線復雜性和維護。
將DRV8870替換為DRV8874或DRV8876無需感應電阻和放大器,因為電流感應反饋在內部發生,如圖2所示。

圖2:驅動雙向電機,將DRV8870替換為DRV8874或DRV8876的示例
圖3所示為DRV8870和DRV8876之間分流電阻尺寸的減小。

圖3:DRV8870和DRV8876的外部分流電阻尺寸
如果電機需要為雙向型(如在車輪或主刷電機中),則驅動需要兩個輸入(N1和N2),以使用兩個MCU管腳驅動電機。
真空機器人還具有單向側刷。使用單向驅動時,DRV8874或DRV8876只需要一個輸入管腳(EN管腳),從而減少MCU引腳,如圖4所示。

圖4:使用DRV8874或DRV8876驅動單向電機
DRV8874和DRV8876具有多種優勢,可延長電池壽命和可靠性。集成電流感應無需外接分流電阻器,節省了材料成本和空間,同時顯著減少了設計工作量。
電流感應的增加也無需用于反饋的外接增益放大器。這些器件的低睡眠電流和無龐大的分流電阻有助于降低功耗并延長真空機器人的電池壽命,而內部電流感應可實現主動失速監控,以確定電機是否卡在某個位置,或者是否有車輪老化或磨損。要了解有關內部電流感應和IPROPI的更多信息,請參閱技術文檔[1]。
DRV887x系列有刷電機采用Pin-2管腳RDS(on)可擴展型,可覆蓋高達10A的寬范圍峰值電流。DRV8876采用3mm×3 mm四方扁平無管腳封裝。
隨著真空機器人的實用性增加,它們的功耗和再充電所需的時間也增加。通過添加集成功能,DRV8876和DRV8874可在節省空間和成本的同時降低總體功耗,從而有助于解決公用事業面臨的挑戰。
其它資源
1.閱讀技術說明:“集成電流感應的優點。”
2.下載這些應用報告:
3.計算電機驅動功耗。
PowerPAD™熱增強型封裝。
請參閱DRV8876數據表。
推薦閱讀:




