【導讀】設想一下,某個設備可以在您的家中提供高品質的手機接聽,允許您和您的家人無限制地使用語音和數據通信,而且每月的費用很低。Femto 基站就是這樣的設備,甚至還能提供更多的功能,它通常還被稱為“家庭基站”。當把這種小型無線設備放置在家里或辦公室內時,它可以改善本地無線覆蓋,并將極大地改變無線基礎設施的面貌。
圖 1 顯示了家庭基站概念。傳統基站用于提供廣域覆蓋,而家庭基站用于在住宅等小型區域中提供無線覆蓋。家庭基站通過用戶的互聯網寬帶連接將移動手機的通信流量路由至網絡,因此減輕了無線電通信網絡的通信流量。家庭基站不僅可以提高網絡容量,同時還減少了信號的回程路徑、降低了功耗以及運營商的維護成本。此外,它還使運營商能夠參與競爭,從而為信號覆蓋不佳的家庭提供通信服務。運營商可以通過增加用戶的手機月費來補貼家庭基站的投入成本。當處于家庭基站的覆蓋區域內時,所有的手機費用都包括在家庭開銷預算內,允許無限制地使用語音和數據,而不會產生很高的月度費用。由于距離家庭基站很近,因此不僅可以達到很高的連接質量,而且還可以降低手機的電池耗電量。家庭基站克服了來自基站的 3G 信號穿透墻壁的局限性,允許高速訪問移動數據服務,例如瀏覽互聯網、下載音樂和在手機上觀看視頻。

圖 1. Femto 基站與宏基站對比。
與 Wi-Fi 路由器類似,家庭基站也基于久經考驗的無線基礎設施標準(UMTS、CDMA)。它與許多新興的標準兼容,能夠利用運營商擁有的頻段提供高效、強大的無線連接。由于它兼容現有的手機,這種連接對于用戶來說是透明的。與將數十或數百個基站聚集到核心網絡的宏蜂窩網絡不同,家庭基站網關必須管理數千甚至數百萬個家庭基站節點。
由于必須提供與無線電通信基站相當的服務質量 (QoS),并且成本必須與手機類似,家庭基站給無線電設計師帶來了獨特的挑戰。家庭基站必須提供高質量的語音服務和高速移動數據服務(EVDO 和 HSPA),而且使用成本必須僅相當于宏節點的一小部分。為了應對這些挑戰,家庭基站的設計必須利用低成本的制造技術以及高度集成的電路來縮短校準和測試時間。由于家庭基站應用于家庭,所以它們必須小巧、成本低且可由用戶自行安裝。雖然家庭基站的發射功率較低 —大約為 100 mW—,但必須注意無線環境問題,以減輕干擾,滿足監管要求。3G 家庭基站必須監測 UMTS 信道以檢測附近的基站,并且還應監測 GSM 信道,以便當用戶離開家庭基站區域時,可以進行恰當的網絡切換。
家庭基站可被視為兩種截然不同的功能:模擬前端和基帶處理器。作為本文討論的主題,前端用于將數字數據流轉換成發射電路中的 RF 信號,并在接收鏈中將 RF 信號轉換回數字數據流。在設計前端時,需要在集成度和性能之間進行取舍。雖然離散型解決方案可以定制以提供最佳的性能,但是其成本對于家庭基站來說是不可接受的。相反,完全集成型解決方案可以提供最低的成本,但性能可能稍嫌不足。

圖 2. 基于 ADI 芯片組實現的家庭基站模擬前端。
圖 2 顯示了一個在 UMTS 頻段 1 中支持本地基站工作并在 850 MHz、900 MHz、1800 MHz、1900 MHz 和 2100 MHz 頻段中監測信號的家庭基站的高級框圖。AD98631 混合信號前端 (MxFE®) 基帶收發器、ADF46022 集成無線電收發器、ADL55423 和 ADL53204 線性放大器、開關、濾波器以及其他相關支持電路共同構成了一個緊湊、高性能的家庭基站前端。下面詳細說明了框圖中突出顯示的模塊。
在發射端,數字基帶將 12 位并行數據流饋入 AD9863,在此,數據流被轉換成模擬 I/Q 基帶信號?;鶐盘栍?ADF4602 轉換成 RF 信號,然后經 ADL5542 和 ADL5320 增益級放大后發送到雙工器。功率檢測器用于監測 RF 輸出。單極六投 (SP6T) 開關用于選擇哪個發射或接收監測鏈連接到單個天線。該信號鏈在 RF 輸出連接器處提供 13 dBm 的輸出功率,滿足了 3GPP 標準 TS25.104 標準中定義的發射 ACLR 規格。
接收鏈包括用于監測主路徑的表面聲波 (SAW) 濾波器和 SPDT 開關。匹配模塊由適用于每個接收端口的簡單串聯/并聯電抗器組成。ADF4602 具有三個接收器輸入引腳:一個用于頻段 1,另外兩個分別用于高頻段監測功能和低頻段監測功能。頻段 1 接收功能可在 1960 MHz(用于接收上行信號)和 2140 MHz(用于監測下行頻率)之間切換。ADF4602 降頻并過濾所選的 RF 信號以獲得基帶 I/Q 信號。基帶信號由 AD9863 中的雙 ADC 進行采樣,并轉換成適用于數字基帶的雙 12 位并行比特流。
這種功能分區為設計師提供了靈活性,從而確保信號鏈高性能運行,并允許選擇轉換器的速度和分辨率以滿足應用場合的要求。ADI 解決方案使設計師可以將模擬前端與市售的基帶功能結合起來,從而加快家庭基站設計的上市速度,同時隨著家庭基站市場的成熟,還具有能在未來整合 ADI 技術的好處。
ADF4602 集成無線電收發器
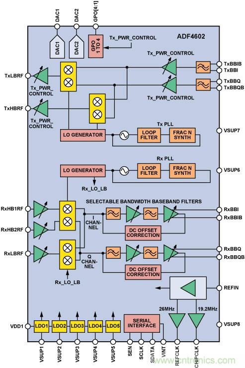
ADF4602(如圖 3 所示)不僅是一個提供無與倫比的集成能力的 3G 收發器,同時還是一個非常適合高性能 3G 家庭基站的功能組。接收器基于直接轉換架構,是高度集成的寬帶 CDMA (W-CDMA) 接收器的理想選擇,同時它還安全集成了所有級間濾波器,因此縮減了物料清單 (BOM)。接收基帶濾波器提供可選擇的帶寬,因此既允許接收 W-CDMA 無線電信號,也允許接收 GSM-EDGE 無線電信號??蛇x擇的帶寬與多頻段 LNA 輸入結構相結合,使得 GSM/EDGE 信號可作為 UMTS 家庭基站的一部分進行監測。
ADF4602 包含兩個完全集成的可編程頻率合成器,用于產生發射和接收本機振蕩器 (LO) 信號。該設計采用小數 N 分頻架構來實現低噪聲和快速的鎖定時間。已為發射和接收合成器完全集成了所有必要的元件,包括環路濾波器、VCO 和諧振元件。VCO 以高頻段頻率的兩倍和低頻段頻率的四倍運行,最大限度地降低了 VCO 在所需頻率下的泄漏功率以及 VCO 的調諧范圍要求。VCO 采用多頻段結構以覆蓋寬泛的工作頻率范圍。設計結合了頻率校準和幅度校準功能,以確保振蕩器始終發揮最佳的性能。完全獨立的校準可在 200 µs 的 PLL 鎖定時間內完成,無需用戶輸入。片內 VCO 輸出被饋送到調諧緩沖器級,然后饋送到正交信號發生電路中。調諧緩沖器可以確保在 VCO 傳輸過程中產生最小的電流和最少的與 LO 相關的噪聲。正交信號發生器能夠產生高精度的、用于驅動調制器和解調器的相位信號。此外,還采取了特別的預防措施,以在發射和接收鏈之間提供頻分雙工 (FDD) 系統所要求的隔離。

圖 3. ADF4602 結構框圖。
接收器前端包括三個高性能單端低噪聲放大器 (LNA),從而使器件支持三頻段應用場合。兩個放大器適合在從 1800 MHz 到 2170 MHz 的高頻段工作,另一個放大器適合在從 824 MHz 到 960 MHz 的頻段范圍內工作。此外,還完全集成了級間 RF 濾波功能,以確保外部帶外阻斷器在混頻級之前恰當地進行信號衰減。單端 50 ? 輸入結構簡化了連接,并減少了小尺寸單端雙工器所需的匹配元件數量。卓越的器件線性度允許在使用各種 SAW 和陶瓷濾波雙工器時獲得出色的性能。
高線性度解調器電路用于將 RF 信號轉換成基帶同相和正交分量。包括兩個解調器部分:一個優化用于高頻段 LNA 輸出,另一個優化用于低頻段輸出。高頻段和低頻段輸出結合在一起,直接傳輸到基帶低通濾波器的第一級,這可以在基帶放大之前減少最大的阻斷信號。接收器合成器部分通過 VCO 分配系統為混頻器正交 LO 驅動??删幊痰姆诸l器允許對高頻段和低頻段使用相同的 VCO。解調器和 VCO 分配電路經過精心設計和布局,可以實現優異的 90° 正交相位和幅度匹配。
基帶部分包含分布式增益和濾波功能,能夠提供最大為 54 dB 的增益和 60 dB 的增益控制范圍。通過精心設計,可以將通帶紋波、群延時、信號損耗和功耗保持在最低水平。濾波器在在制造過程中進行了校準,可以提供高水平的精度且易于使用。提供兩種可選擇的七 階基帶濾波器:一種用于 W-CDMA,具有 1.92 MHz 的截止頻率;另一種適用于 GSM,具有 100 kHz 的截止頻率。
在 W-CDMA 模式下,ADF4602 可以在整個接收信號鏈中提供 102 dB 的增益和 90 dB 的增益控制范圍。RF 前端包含 30 dB 的控制范圍:LNA 中為 18 dB,混頻器跨導級中為 12 dB。兩個基帶有源濾波器級各自提供 18 dB 的增益控制范圍,調節步進為 6 dB。這可以在三個 12 dB 的步進中實現 36 dB 的總增益控制范圍。可變增益放大器 (VGA) 可以實現 24 dB 的增益控制范圍,調節步進為 1 dB。為了簡化編程并確保最佳的接收器性能和動態范圍,只需對所需的總接收增益進行編程即可;ADF4602 可以解碼增益設置并在不同模塊之間自動分配增益。
發射器采用一種創新的直接變頻調制器,不僅可以實現高線性度和低噪聲,同時還消除了安裝外部發射 SAW 濾波器的必要性。用于 I 和 Q 信道的直流耦合差分基帶接口支持從 1.05 V 至 1.4 V 的寬范圍輸入共模電壓 (VCM)。允許的最大信號擺幅峰值為 550 mV,這與 I 和 Q 信道的 1.1 V p-p 差分范圍相對應。在正交調制器之前,基帶輸入信號通過截止頻率為 4 MHz 的二階 Butterworth 濾波器,從而濾除帶外雜散信號。校準技術可在整個頻率范圍和環境條件下保持準確的 I/Q 平衡和相位,確保滿足 3GPP 載波泄漏、EVM 和 ACLR 要求,并在所有條件下都具有良好的裕量。ADF4602 可在 190 MHz 頻率偏置下提供 –163 dBm/Hz 的寬帶本底噪聲以及 –8 dBm 的輸出功率,同時還滿足有關 EVM 和 ACLR 的 TS25.104 要求。輸出與 50 ? 相匹配,以便輕松連接到功率放大器。
AD9863 混合信號前端基帶收發器
AD9863 是用于通信市場的 MxFE 系列集成轉換器的一員,非常適合低成本、高性能的家庭基站應用領域。它集成了雙 12 位模數轉換器和雙 12 位 TxDAC® 數模轉換器。ADC 經過專門優化,能以 50 MSPS 或更低的速率進行采樣。DAC 的工作速度高達 200 MHz,包括一個可旁路的 2× 或 4× 內插濾波器。AD9863 采用具有 64 個引腳的 LFCSP 封裝,尺寸僅為 9 mm × 9 mm × 0.9 mm。此處重點介紹 AD9863,但 MxFE 系列的其他成員(AD9860、AD9861 和 AD9862)允許設計師靈活地為控制電路選擇高性能和輔助轉換器。

圖 4. AD9863 MxFE 結構框圖。
柔性雙向 24 位 I/O 總線可適用于眾多市售的基帶 ASIC 或 DSP。在半雙工系統中,接口支持 24 位并行傳輸或 12 位交錯傳輸。在全雙工系統中,接口支持一根 12 位交錯 ADC 總線和一根 12 位交錯 DAC 總線。柔性 I/O 總線減少了引腳數量和封裝尺寸。對于頻分雙工 (FDD) W-CDMA,AD9863 可以同時運行發射和接收信道。這需要使用全雙工模式 — 一根 12 位交錯接收數據總線和一根 12 位交錯發射數據總線。
DAC 內核將 12 位數據轉換成兩個互補的差動電流輸出,并使用圖 5 中所示的電阻網絡將它們提供給 ADF4602。RDC 設置為 120 ?,適用于 1.2 V 共模電壓;RL 設置為 63 ?,適用于 1 V p-p 差分輸入擺幅。

圖 5. AD9863 和 ADF4602 之間的簡單接口。
DAC 包含可編程的精細增益和直流偏置控制,可用于補償 I 和 Q 通道之間的失配,從而抑制 LO 饋通和提高 EVM 性能。10 位直流偏置控制可用于獨立為任一差分引腳提供多達 ±12% 的偏置,因此允許校準任何系統偏置。
ADC 輸入由一個 2 k? 的差分輸入電阻和一個開關電容電路組成。該輸入可以自行偏置至中位電源,或者對它進行編程以接受外部直流偏置。因此,建議將 ADF4602 接收基帶輸出直接連接到 AD9863 ADC 輸入。ADC 輸入滿度電平為 2 V p-p 差分。
家庭基站的時鐘解決方案
為了滿足 3GPP 規格要求,家庭基站需要非常精確的基準時鐘—±0.1 ppm—。有關實現這種非常精準時鐘控制的方法超出了本文的范圍—但存在多種機會來實現此目的,包括通過監測接收器進行的 GSM 宏基站同步、GPS 同步和 IEEE 1588 精密時序協議。在某些情況下,家庭基站供應商可能會組合采用上述方法來實現精確的控制。最終,基準時間控制電路將調整基準頻率源。在 ADI 評估板上,此 26 MHz VCTCXO 用作 ADF4602 的基準時鐘。延遲鎖相環 (DLL) 可以生成 19.2 MHz 的時鐘(它是 3.84 MHz W-CDMA 芯片時鐘的數倍)。此 19.2 MHz 時鐘用作 AD9863 的時鐘輸入。
AD9863 提供一種具有許多變量的通用時鐘配置。ADC 時鐘速度、DAC 時鐘速度、PLL 以及內插器設置可由軟件控制,允許對性能和功率進行優化以滿足要求。在推薦的配置中,PLL 乘法器被設置為 2×,使得 PLL 的輸出頻率為 38.4MHz。ADC 的時鐘設置為該頻率的一半。在發射側,38.4 MHz PLL 的輸出用作 DAC 的時鐘。發射插值設置為 2× 以抑制 DAC 鏡像。此外,還可能有其它的時鐘頻率組合。AD9863 數據手冊詳細介紹了各種工作模式。通過使用上述時鐘方案,家庭基站不需要宏基站中常見的任何離散頻率轉換 PLL。家庭基站集成了所有頻率轉換功能,可幫助其滿足市場要求的價格水平。
RF 放大器
選擇用于 RF 功率級的放大器為低成本的高性能寬帶線性放大器,采用 InGaP 工藝制造而成。這些放大器對 ADF4602 的輸出進行線性放大,并補償 RF 雙工器和開關網絡中的損耗。ADL5542 包含內部偏置和匹配功能;ADL5320 需要外部匹配,并且采用行業標準的塑料 SOT-23 封裝。兩種放大器都直接工作在 5V 供電軌上,因此不需要外部偏置電路。表 1 列出了放大器的關鍵參數。ADI RF 放大器的設計采用了專有技術,可以提供卓越的線性度(相對于電源電流)。
表 1. ADF5542 和 ADL5320 在 2 GHz 時的關鍵規格

發射輸出功率與降低干擾
為了降低干擾,家庭基站必須靈活智能地設置其輸出功率,以解決多個相互鄰近、工作在相同頻率下的家庭基站的部署問題(例如在公寓內)。在這種情況下,每個家庭基站都需要以較低的輸出功率發射,以避免相同頻率的干擾。此外,家庭基站也不能干擾部署在周邊且使用鄰近信道的宏蜂窩基站,因為這會給附近連接到該宏蜂窩網絡的手機帶造成盲點,使其無法正常接收信號。因此要求家庭基站具有鄰近信道保護功能,迫使它測試鄰近下行信道的功率并根據預定義的公式來設置自身的功率,以便不會妨礙宏蜂窩基站的信號。i
為使家庭基站滿足要求的價格水平,并便于客戶安裝,這些降低干擾的技術必須是自動運行的,而不需要經過培訓的現場技術人員或家庭用戶進行干預。當家庭基站第一次被用戶打開后,這個過程應該是自動啟動的,并且之后會定期更新。此外,ADI 設計中的頻段 1 監測接收器和 ADF4602 寬泛的動態發射范圍,允許家庭基站供應商自動實施這些降低干擾的技術,而不需要外部干預。監測接收器允許對鄰信道的功率進行準確測量,并相應地調整輸出功率。這將大約需要 30 dB 的總發射功率動態范圍。
無線電性能測量
為了根據 TS25.104 無線系統規格來評估收發器芯片組,已將上面介紹的收發器系列納入評估板設計中。圖 6 所示的評估平臺可以對發射和接收鏈執行獨立的測試,并且允許執行單獨的元件測試。此評估板包含圖 1 所示框圖的功能以及功率調節。無線電部分,包括 ADF4602、AD9863、ADL5542、ADL5320、VCTCXO 以及所有相關的前端開關和濾波器,在電路板上占用 1" × 2" 的空間。值得注意的是,此電路板并沒有為了節省空間尺寸而進行優化,因為它僅僅是為了測試而提供的,用于實際生產的設計可以采用更緊湊的設計。下面包括了某些基于 TS25.104 規格的關鍵測試結果,以展示 ADI 芯片組在測試板上的性能。

圖 6. ADF4602/AD9863 評估板。
圖 7 顯示了頻段 1 接收器靈敏度測量結果。接收器靈敏度用于評估接收器檢測到低電平信號的能力,并且表征了指示接收器的噪聲指數。在本次測量中,采用了 12.2 KHz 的基準信號。ADF4602-1 的增益設置為 80 dB。在整個頻段上,接收器靈敏度超過 TS25.104 規格達 6 dB 以上。

圖 7. 頻段 1 接收器靈敏度。
接收器的另外一個關鍵規格是在阻斷條件下的性能。阻斷測試模擬了接收器在鄰近信道出現大量干擾信號的條件下接收到目標信號的能力。UL 12.2 kHz 基準信號設置為 –101 dBm,然后加入阻斷信號,直到 BER 的測量值為 10–3。如表 2 中所示,在所有三種情況下,ADF4602 都以一定裕量超過了 TS25.104 規格。
表 2. 接收器阻斷測試摘要與 TS25.104 規格

發射信號鏈路質量的關鍵指標為鄰近信道泄漏比 (ACLR) 以及誤差向量幅度 (EVM)。在這兩種情況下,這些測試是組合發射鏈線性度的關鍵指標。表 3 收集了在 ADI 評估板上取得的測量結果并與 TS25.104 規格進行比較。它還包括了峰值碼域誤差,這一 EVM 測量結果用于確保誤差在碼域內均衡分布。ii 在所有情況下,ADF4602 評估板都以一定的裕量超過了 TS25.104 規格。圖 8 顯示了 ACLR 測量中使用的輸出頻譜圖。
表 3. 發射器測試摘要與 TS25.104 規格


圖 8. 在 13 dBm 輸出功率下 W-CDMA 頻段 1 信號的 ACLR 測量結果。
圖 9 顯示了涉及兩個 HSDPA 信道以及許多語音/數據信道的典型家庭基站配置的發射 EVM 圖。復合 EVM 低于 4%。電路評估結果表明,EVM 主要是因為調制器輸入處的 I/Q 偏置電壓引起 LO 泄漏而產生 — 這是直接轉換發射器的一個特點。如前面所述,這些偏置可以采用 AD9863 直流偏置控制進行校正。

圖 9. 典型家庭基站配置的 EVM 測量結果。
結論
由于必須在保持基站性能的同時將成本降至最低,方興未艾的家庭基站應用為無線電設計師帶來了特有的挑戰。ADI 3G 家庭基站芯片組由 ADF4602 集成無線電收發器、AD9863 MxFE 基帶收發器以及 ADL5542 和 ADL5320 RF 放大器組成,可使家庭基站設計師能以緊湊的外形尺寸滿足 TS25.104 規格要求。




