【導讀】電力電子飛速發展,產品研發對供電交流電源更高要求,即具備高精度、可編程、寬范圍等優勢的可編程交流電源。本篇簡要介紹PWR系列高性能可編程交流電源的波形編輯功能和典型應用。
波形編輯功能
可編程電源最大特點是具備波形編輯功能,可通過上位機或機身操作面板進行編輯設定自定義輸出波形,比如設置實現輸出1s的220V正弦波,而后再輸出1s的110V方波。PWR系列高性能可編程交流電源的波形編輯功能非常強大與豐富,主要有波形庫調用、線路仿真、步階功能(Step),序列功能(List)、符合IEC標準的電壓輸出、波形導入還原輸出等。同時標配上位機軟件PWR-Controller,便于通過上位機編輯波形、操作控制可編程交流電源。

圖1 高性能可編程交流電源輸出波形圖
波形庫調用
首先常用功能是波形庫調用,波形庫最大可存儲30組波形,每個波形分配一個ID便于識別波形,其中1-10波形是系統預設波形,支持直接調用編輯輸出;11-30用于存儲自定義波形,存儲完成后支持直接調用與輸出。

圖2 波形函數庫
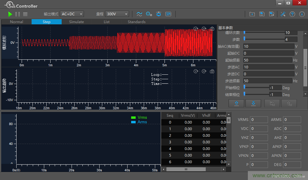
步階功能(Step)
步階功能(Step)可模擬電網停電、電壓下降(dip)、電壓上升(pop)等。步階功能(Step)輸出主要特點是設定簡單,輸出電壓、頻率規律變化的波形。實際使用時僅設置初始電壓與頻率、步進電壓幅值、步進頻率等即可實現目標波形輸出,如下圖,初始10VAC/50Hz,步進10VAC/50Hz的輸出波形。步階功能(Step)典型應用是測試電子產品的工作電壓和頻率范圍。

圖3 步階功能(Step)上位機軟件界面
線路仿真功能
線路仿真功能可模擬電壓突變(如跌落/突升等),其特點是輸出波形只有一部分突變。線性仿真功能的典型應用測試驗證電子產品對供電電網突變的抗擾能力。

圖4 線路仿真輸出示意圖
序列功能(List)
序列功能(List)非常強大,可輕松模擬許多復雜的輸出波形,對輸出電壓、頻率、時間等設定組合,按順序調用實現,就像堆俄羅斯方塊一樣,可讓多種類型的波形按照預先設置的序列輸出。PWR-Controller軟件支持excel表格編輯以及導入導出。序列功能(List)典型應用模擬特定輸出波形驗證電子產品性能和功能。

圖5 波形文件excel編輯功能
符合IEC標準的電壓輸出
在實際的供電環境中,由于電網、電力設施的故障或負荷突然出現較大變化會導致供電電壓出現暫降甚至短時中斷,這些因素都會對采用交流供電的設備工作產生影響。這就要求交流電源能按照IEC61000-4 中的相關標準對設備進行測試,以保證設備在供電異常情況下 還能正常運行或者恢復。

圖6 IEC標準模擬輸出
本文轉載ZLG自致遠電子。
推薦閱讀:





