【導讀】在電子設備產品設計時,電源產品的質量優劣將直接影響其技術性能以及工作安全性和可靠性。當電源出現問題時就會導致整個產品的癱瘓,電源產品的全方位測試則顯得尤為重要。
我們以電動摩托車充電器為例,充電器作為電動摩托車四大件(控制器、充電器、電池、電機)之一,是電動摩托車重要的組成部分,也直接影響著電動摩托車安全。劣質充電器可能引起觸電、起火甚至是爆炸的嚴重后果。因此充電器在研發、生產、認證等階段都會進行嚴苛的測試認證,圖1為致遠電子為其提供的整套測試方案。

圖1 測試方案圖
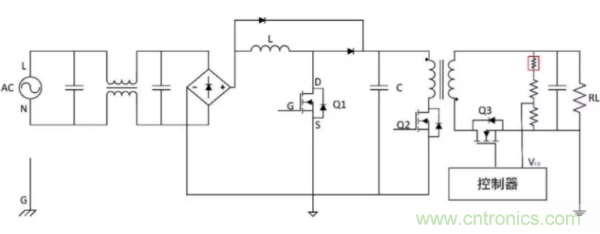
充電器的重要電路組成部分就是開關電源,如圖2所示。當電源長時間運行時,會發生電壓電流不穩定的問題,甚至出現過壓、欠壓、過載、過熱等有可能導致設備損壞的情況。所以需要嚴格地對電源進行輸入、輸出、異常工況、開關器件等進行全方位測試,以及為了驗證產品穩定性對其進行耐久測試。今天重點介紹兩款測試利器給大家——PA功率分析儀與ZDL示波記錄儀。

圖2 開關電源電路拓撲圖
測試設備—PA功率分析儀
PA功率分析儀可對電源的輸出電壓、電流、功率、諧波及轉換效率等參數進行準確測量,致遠的PA5000H功率分析儀擁有0.05%功率測量精度,5MHz帶寬以及豐富的諧波測量功能廣泛適用于電源產品的研發與測試。
1、功率分析儀—電參數測試
功率分析儀關注穩態測試,功率分析儀的可同時測試交流輸入,直流輸出,對整體能效和電參數進行同步分析,測試輸入和輸出的電壓、電流、測試電壓、電流有效值、功率因數、效率、諧波等,如圖3所示。

圖3 電參數測試
2、功率分析儀—效率與功率因數測試
功率分析儀測試交流輸入功率和直流輸出功率,設置電子負載從空載到滿載,使用功率分析儀的X-Y的顯示模式,可以直接測試到效率和功率因數從空載到滿載的曲線圖。

圖4 效率曲線圖

圖5 功率因數曲線圖
3、功率分析儀—IEC諧波測試
用電產品會根據IEC61000-3-2和IEC61000-3-11標準進行諧波測試,驗證其是否滿足標準要求,PA功率分析儀可以測量高達500次諧波,并有多種組合顯示方式能同時顯示各次諧波含量。

圖6 IEC諧波測試
4、PA功率分析儀—沖擊電流測試
通常在給負載通電的一瞬間會產生大電流,電流過大會對設備的正常工作造成影響。利用PSA可編程交流電源可模擬輸出啟動相位在0°、90°和270°時的電壓情況,用PA功率分析儀對電子產品的開機沖擊電流進行測試。

圖7 沖擊電流測試
測試設備—ZDL示波記錄儀
ZDL6000示波記錄儀標配8個板卡卡槽,各輸入通道之間相互絕緣隔離,為電源用戶可省下大量高壓差分探頭,可以提供電壓、電流、溫度…等多種輸入板卡,通道最多可達128CH,為客戶觀測波形時序,查找異常信號提供最佳解決方案。
1、示波記錄儀—驅動時序測試
一般測試驅動時序的方法是用示波器加差分探頭,測試MOS的Vgs和Vds,使用電流探頭測試電感電流,可觀察到對應的驅動信號質量和電感電流工作模式,若是用示波記錄儀進行測試,則不需要差分探頭,測試更加準確,并且更加方便,如圖8所示。

圖8 驅動時序測試
2、示波記錄儀—異常捕獲與耐久測試
異常捕獲:電源產品在長時間運行時,不知道會出現什么問題,示波器無法設置觸發條件,不容易捕捉到異常,而使用示波記錄儀記錄波形后可進行回看,有效捕獲異常波形;
耐久測試:電源產品需要頻繁on/off實驗,幾千次可能只有一次故障,所以需求記錄儀長時間記錄下來分析產品的穩定能。

圖9 多路同步耐久測試
3、元件溫升測試
設備中關鍵部位的溫度異常會導致設備性能下降甚至損壞。因此溫升測試是產品研發過程中必不可少的一項。使用ZDL6000可以靈活組合電壓采集卡、16通道卡、溫度采集卡等多種板卡同步測量。例如在溫升測試中就可以裝配100M卡與溫度卡,同步測試器件工作電壓、電流以及關鍵部位的溫升情況。

圖10 元件溫升測試
總結
為了保證電源長時間運行的穩定性,要對電源進行全面測試分析,測試項目將多達幾十項,一定要根據測試項目,選擇做合適的測試儀器,發揮儀器的最大性能,在電參數、能效、諧波測試方面用功率分析儀,在隔離測試、多通道同步分析、耐久測試、異常捕獲方面用示波記錄儀。
推薦閱讀:


