【導讀】鋰電池保護板是對串聯鋰電池組的充放電保護;在充滿電時能保證各單體電池之間的電壓差異小于設定值(一般±20mV),實現電池組各單體電池的均充,有效地改善了串聯充電方式下的充電效果;同時檢測電池組中各個單體電池的過壓、欠壓、過流、短路、過溫狀態,保護并延長電池使用壽命;欠壓保護使每一單節電池在放電使用時避免電池因過放電而損壞。
前言
有人將電池的充放電就像孩子喝母乳一樣,十分形象:
1,如果一直讓孩子喝,家長不加以控制,那么這個奶可能會被喝光,類似電池過放;
2,如果家長一直不給孩子喝奶,這個奶就會積攢越來越多,類似電池過充;
3,如果孩子喝奶喝的急,容易嗆奶,類似電池的過電流保護;
對于鋰電池,如果不能夠科學喂奶、喝奶,除了可能降低電池使用壽命,有時可能會造成電池爆燃、爆炸等危險場景。那么如何控制這種情況發生呢?
通常情況下,在鋰電池內部都會有一個專用的保護PCB板,與電池單元封裝在一起。在它的保護下,可以控制鋰電池的輸出電壓在一個安全電壓區間,即電池的充放電終止電壓和截止電壓。
如果電池的工作電壓超出安全范圍,就有可能在電池內部發生不可逆轉的傷害,導致電池衰減,體現在電池的內阻增加,容量下降。

帶有電池保護板的鋰電池
鋰電池保護板
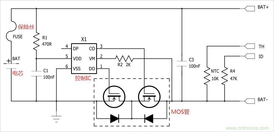
在鋰電池保護板上通常集成有控制IC、MOS管、電阻電容、保險絲FUSE等組成,如下圖所示。

常見到的鋰電池保護板電路圖
圖中的兩個N溝道MOS管分別控制充電和放電的通斷。并聯的二極管是MOS管的寄生二極管。
在對外界口中,TH為溫度檢測,內部是一個10K NTC接到電池負極;ID是電池在位檢測,一般是47K/10K電阻接到電阻負極,有的是0R電阻;TH和ID均是選配,并不是所有鋰電池都有的。
過充保護
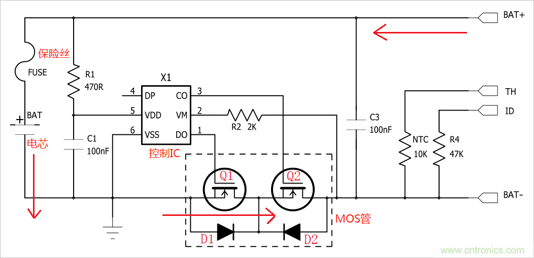
當電池充電時,電流從電池包的正極流入,經過FUSE后從負極流出,最下方的兩個MOS管均是導通狀態。如下圖紅色箭頭所示方向:

電池充電時電流方向如箭頭所示
充電時,控制IC X1會時刻監測第5腳VDD和第6腳VSS之間的電壓,當這個電壓大于等于過充截止電壓且滿足過充電壓的延時時間時,X1會通過控制第3腳來關閉MOS管Q2,Q2被關閉之后,充電回路被切斷(Q2的體二極管D2也是反向截止的),這個時候,電池只能放電。
當下面兩個條件滿足其一時,便可以解除充電保護::1,電芯兩端的電壓下降到保護IC的過充恢復電壓。2,在電池包得輸出端加負載放電,放電到電壓小于過充保護電壓。
過放保護
電池兩端向負載輸出電流時,電流按照下圖的紅色箭頭流動。

電池放電時電流方向如箭頭所示
放電池,控制芯片IC X1將會通過第5管腳檢測C1上的電壓。當這個電壓小于放電截止電壓后并持續一段時間,控制IC將會通過DO管腳控制Q1截止,此時放電回路被切斷。
當下面條件滿足時,IC X1接觸過放保護:拿掉負載,給電池包充電,當VM-VDD之間的電壓達到過放恢復電壓值時,控制IC X1會重新打開MOS管Q1。
過流/短路保護
過流保護則是通過IC X1第2管腳(VM)檢測流經控制MOS管電壓。如果該電壓過大并持續一定時間,控制IC將會關閉Q1,斷開放電回路。將輸出端負載拿掉,控制IC會自動將Q1重新打開。

保護電流為21A鋰電池保護板
過流保護電壓VM常常在0.1 ~ 0.2V,這個數值與IC的型號有關。
過流保護數值除了與VM有關之外,也和Q1,Q2兩個MOS管的導通電阻有關系。如果MOS管的導通內阻越大,保護電流值就越小。
如:內阻為20mΩ的MOS管,選用的過電流值為0.15V的控制IC,那過流保護的電流應為:0.15V/(0.02*2)=3.75A。
控制IC失效時FUSE保護
有的保護板里面會加上保險絲,在控制IC失效之后,起到一個二級保護作用,避免更壞的結果,當然也會增加成本。

保護電流為100A鋰電池保護板
免責聲明:本文為轉載文章,轉載此文目的在于傳遞更多信息,版權歸原作者所有。本文所用視頻、圖片、文字如涉及作品版權問題,請聯系小編進行處理。
推薦閱讀:




