【導讀】貴州電網有限責任公司都勻供電局的研究人員柏文健、岑榮佳,在2019年第1期《電氣技術》雜志上撰文,提出一種新型三相不一致保護控制回路,該保護控制回路增加了繼電器和觸點的數目并改變了原有的拓撲結構。
對比傳統三相不一致控制回路中存在的器件易老化、時間繼電器可靠性差等不足,本回路具有對器件依賴性低,防老化性能更好、可靠性更高的特點。同時針對電網故障排查中遇到的時間繼電器校準存在的步驟復雜、需要斷電等問題進行了簡單的探討和分析。
三相不一致運行是指電力系統中某一支路上三相中的單相或者兩相斷開運行的情況。對于部分高壓和所有超高壓、特高壓的電壓等級的電網,出于對高壓絕緣、系統穩定性和系統繼電保護配置的考慮,系統大范圍的采用分相斷路器,并配置有單相重合閘保護且采用后加速保護。
同時由于裝置和人工操作等因素,系統在正常工作過程中會不可避免的處于三相斷路器分相狀態不一致的異常運行狀態,應配置可以反映斷路器非全相運行狀態的非全相保護,作用于跳開已處于不正常狀態的斷路器。根據GB/T 14285—2006《繼電保護和安全自動裝置技術規程》,220~500kV斷路器三相不一致,應盡量采用斷路器的本體三相不一致保護,而不再另外設置同類保護。
但是,在實際的工況運行下,斷路器控制回路的可靠性相對較低,主要原因是二次回路中采用的接觸器、繼電器等關鍵元件運行工況較差,斷路器的三相不一致保護控制回路中的時間繼電器需要定時的校檢,從而才能保證供電的可靠性。
關于三相不一致回路改進的研究有很多,各有側重,文獻[7]提出的控制回路降低了對于器件的依賴性,提高了保護的可靠性,但是一定程度上增加了檢修的負擔。文獻[8-9]則提出改變回路拓撲結構以及增加繼電器數量實現防誤動的功能,卻沒有考慮器件的運行工況對可靠性的影響。文獻[10]則通過增加觸點降低對運行工況的要求。
隨著技術水平的進步和對供電可靠要求的不斷提高,新的問題在實際運行中不斷的被發現,綜合考慮并改進保護原有存在的不足是很有必要的。
本文先介紹了傳統的經典三相不一致保護控制回路,分析其中存在的問題。針對這些接觸器、繼電器存在的隱患,提出了一種新型的三相不一致保護控制回路。通過對比發現,新型控制回路可以有效地解決回路的自保持問題,實現防跳,并有效地降低了觸點損壞老化對保護回路的影響。
同時對于工程校檢時間繼電器存在的步驟復雜、安全風險高等問題,提出了一種新型的實時監測校檢裝置的設想,不僅可以減少工作人員的工作量,還能夠提供記錄歷史數據功能。
1 典型斷路器三相不一致保護
1.1 典型保護控制回路
目前電力系統三相不一致保護的跳閘回路如圖1所示。典型回路中的核心元件是時間繼電器TS和跳閘輔助繼電器K61。

圖1典型斷路器本體三相不一致保護回路
保護控制回路由斷路器的一組三相常開觸點和一組三相常閉觸點串并聯組成。
當出現三相不一致運行的情況時,以上常開和常閉觸點各自至少有一相處于閉合狀態,于是形成了通路,使時間繼電器TS和跳閘繼電器K61處于通電狀態,跳開故障的斷路器,以保證系統的安全運行。
1.2 典型三相不一致保護的缺陷
典型的三相不一致保護在實際使用中存在著諸多的缺陷,其中最主要的問題在于核心時間繼電器元件的可靠性問題。如起動回路中只使用了一個時間繼電器,可靠性較低,時間繼電器的整定時間需要滿足系統穩定性與繼電保護速動性的要求,同時需要與單相重合閘的整定時間相配合,若時間繼電器的發生動作時間偏移,則三相不一致保護可能會引起誤動作。
三相不一致保護的整定時間也應與零序和負序保護的整定時間相配合。據統計,由于時間繼電器的故障導致的誤動作占三相不一致保護誤動作的70%。而三相不一致保護的誤動作會對電網、發電機、變壓器等重要電力設備產生諸多危害,嚴重危害電力系統的安全穩定運行。
另外,目前斷路器三相不一致保護的繼電器工作環境惡劣,特別是由于其長期在戶外運行,內部精密器件易受影響。同時繼電器和觸點的設計與選型標準尚不完整,復雜的工作環境可能導致其常開觸點老化或者氧化造成保護拒動,或者由于受潮和絕緣降低存在著誤動的風險。即使是ABB、OMRON的部分器件也存在此問題。
綜上所述,目前典型的保護控制回路的優點在于結構簡單,使用元件較少。從保護原理角度,回路采用更簡單的結構提高了保護的可靠性。然而,典型控制回路對于時間繼電器的依賴較高,不能很好解決繼電器的老化、氧化等問題。
2 新型斷路器三相不一致保護
2.1 新型保護控制回路
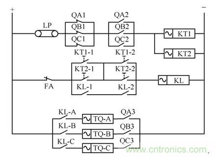
為了保證系統的安全穩定運行,并且克服經典回路存在的不足,本文提出了一種新型的保護控制回路,如圖2所示。

圖2新型斷路器本體三相不一致保護回路
新的控制回路包括改進后的起動回路、跳閘回路、自保持回路、防跳回路。起動回路:由KT1和KT2時間繼電器相并聯,KT1-1、KT2-1、KT1-2、KT2-2分別是其對應的常開觸點。只需要有一組時間繼電器動作就能保證跳閘回路通電。避免了一個時間繼電器故障時的拒動風險,也很大程度上降低了由于某一個或者兩個時間繼電器觸點因工況不良造成的拒動情況,提高了保護的可靠性,避免了采用單一觸點由于絕緣降低、受潮、臟污引起的保護誤動。
自保持回路:在跳閘繼電器通電后,對應的常開觸點KL-1,KL-2變為閉合狀態,跳閘回路持續通電,形成自保持。補充了在目前現場應用中有部分國內廠家斷路器缺乏該的回路,同時也避免了采用單一觸點的缺點。
防跳回路:防跳回路的邏輯如圖3所示。

圖3防跳回路示意圖
在斷路器三相合閘回路前段和后段串聯三相不一致的跳閘繼電器KL所對應的觸點KL-3和KL-4。繼電器KL斷電后常閉觸點跳開,令合閘回路斷電實現防跳功能。在現場應用的斷路器中50%不具備防跳功能,在具備防跳功能的斷路器中在負電側采用了單一觸點,圖3新型控制回路避免了直流接地造成的防跳失效的問題。
除了原理上的分析,對于三相不一致保護繼電器的選型,還應關注其耐壓水平、電容元件、密封性等諸多方面,需要根據實際工況選擇合適型號的繼電器[15]。
2.2 新型保護控制回路的測試與分析
在某220kV變電站220kV備用線路間隔測試了新型保護回路與傳統控制回路,其結果見表1。

表1傳統控制回路與新型控制回路測試結果
該間隔斷路器為國內某廠家2004年生產。使用原控制回路測試了50次后更改為新型控制回路,又測試了50次。各項功能測試中模擬了絕緣降低、受潮、臟污、接點粘死、元件故障等缺陷。該間隔斷路器本體三相不一致保護未設計防跳功能,在斷路器本體三相不一致保護動作后斷路器任能合閘,故合格率為0。將時間繼電器動作時間整定為2s,計算標準差以衡量時間繼電器的時間離散程度。
通過測試,表明新型保護控制回路的主要優點有:
1)時間繼電器離散程度低可靠性高,并且降低了由于工況惡劣導致繼電器觸點誤動拒動造成危害的幾率。
2)自保持回路的可靠跳閘,避免了采用一副觸點時由于受潮和絕緣降低,造成繼電器KL誤動的風險。
3)防跳回路避免了斷路器跳閘后再次合閘給電網帶來的二次傷害,避免跳閘回路的觸點粘死或直接接地導致的防跳回路失效。
綜上所述,斷路器三相不一致保護的新型控制回路,通過對起動回路和跳閘回路的改進,改變設備的拓撲結構以及增減繼電器與觸點的數量,減少了設備之間的相互影響,很大程度上降低了設備工況問題對電網的危害,間接提高了保護的可靠性,并且仍能保證良好的經濟效益。
3 對新型三相不一致保護的展望
斷路器三相不一致保護新型控制回路從原理上克服了傳統典型的三相不一致保護控制回路存在的不足與弊端。通過增加了元件數目提高了保護控制回路的可靠性,但與此同時也不可避免地增加了保護裝置校檢的步驟,其中,校檢觸點的老化與氧化工作相對簡單,更為復雜和重要的是對于時間繼電器的校檢工作。
根據研究表明,時間繼電器的故障主要源于老化后設備的硬件故障和計時偏移的缺陷。同時,目前繼電保護工作人員在對時間繼電器的整定值進行校檢時仍有不少的麻煩。
目前,可將主流的校檢的方式分為以下兩類。
第一類:斷電以后將三相不一致電路拆下用專業儀器進行校檢。此方法在測量全過程中需要在保證斷電,同時拆除以及安裝接線可能造成接線的錯誤。該過程需要花費大量的時間與人力。
第二類:將實驗臺搬至斷路器機構箱處進行校檢。此方法同樣需要斷電進行,可以直接利用實驗儀測試線對時間繼電器加動作電壓進行測量。該方法較第一類方法的優點在于避免了拆線安裝的繁瑣與接線錯誤的風險,很好減輕了人工的負擔。但是由于需要外加電壓,所以可能存在設備損壞的風險。
目前斷路器三相不一致保護監測存在的主要矛盾是校檢的步驟過于復雜或者校檢的附加儀器過于繁多,并且許多新型保護方案增加了需校驗的儀器和校驗的步驟。一種能夠在保護通電狀態下實時監測校檢的配套系統或者裝置成為了探索的方向。這種裝置既可以避免拆線接線的復雜步驟,又可以有效避免接線發生錯誤對電網安全穩定運行的危害。同時這套附加設備必須是精簡且成本不高的。
為解決以上問題,本文提出了一種新型實時監測校檢裝置的工作原理圖,如圖4所示。實時采集并記錄斷路器三相不一致時間繼電器起動信號以及跳閘輔助繼電器動作信號,通過對于時間繼電器的實時監測,極大減小了保護校檢的工作,令更復雜可靠的新型控制回路的使用成為了可能。

圖4實時監測校檢裝置的工作原理圖
新型的斷路器三相不一致回路可以與其配套的實時監測校檢系統相互搭配使用。既能從原理上克服原有傳統典型控制回路存在的缺陷,又可以在運行維護的過程中降低人力成本,提高時間繼電器的可靠性,滿足電網創新發展的需求。
結論
針對斷路器三相不一致保護控制回路,本文在分析了傳統二次回路的缺陷之后,提出了新的三相不一致控制回路。新的回路較之原來改進了控制回路拓撲結構,改進了自保持和防跳的功能,以保證保護可以有效地跳開并切除故障,使系統恢復到三相對稱運行狀態。并在設計時考慮了硬件工作工況的問題,從邏輯上降低了硬件故障的危害。
文章來源: 柏文健、岑榮佳 電氣技術
免責聲明:本文為轉載文章,轉載此文目的在于傳遞更多信息,版權歸原作者所有。本文所用視頻、圖片、文字如涉及作品版權問題,請聯系小編進行處理。
推薦閱讀:



