【導讀】想到通訊電路,自然會想到RS485、RS422等通訊模式和電路形式。作為硬件維修者更關注后者。而一些設備如變頻器或伺服器等,用于旋轉變壓器或編碼器的信號傳輸,即PG卡板或編碼器接口電路也用到類似器件,那么該類器件到底是何東東?如果脫離了上位機或脫離了編碼器等信號源,還能檢測其好壞嗎?
想到通訊電路,自然會想到RS485、RS422等通訊模式和電路形式。作為硬件維修者更關注后者。而一些設備如變頻器或伺服器等,用于旋轉變壓器或編碼器的信號傳輸,即PG卡板或編碼器接口電路也用到類似器件,那么該類器件到底是何東東?如果脫離了上位機或脫離了編碼器等信號源,還能檢測其好壞嗎?
一、器件功能
先讓具體的芯片電路說話。見圖1~圖3電路。

圖1 RS485、RS422收發器芯片

圖2 AM26LV32C芯片引腳及內部原理框圖

圖3 AM26LS31C芯片引腳及內部原理框圖
圖1為半雙工/RS485、全雙工/RS422通訊電路,均內含接收器(或稱驅動器)和接收器兩組電路,不同者,是MAX485的兩組電路為適應半雙工要求,帶使能控制端。
圖2、圖3為經常配對出現的,一為四差動線路驅動器,一為四差動線路接收器,其實仍然是RS485器件的拆分和擴充,單看其中一組電路,并無差異。
二、器件定義
驅動器,把一路串行脈沖變為兩路差分信號;接收器,將兩路差分信號變為一路串行脈沖。因而該類器件的作用,用一句話來概括:即串行脈沖和差分信號的雙向轉換器。
此為何也?這是基于差分信號的傳輸模式對共模干擾的巨大威力而考量的,一而二二而一的費盡周折的轉換,不外乎是為了提高傳輸信號(線路)的抗干擾能力,否則一對一直接傳輸也就完了。
1、驅動器
我們暫且可將“使能”控制忽略掉,驅動器可簡化為圖4電路。

圖4 驅動器原理簡化和檢修等效電路
1)輸入、輸出信號的關系見圖4的a電路,為一進二出模式。
2)電路傳輸的是數字信號,即0和1,若為+5V供電,電路的靜態或即時電平,非5V即0V。而兩個輸出端,必然呈現反相的關系。
到了b等效電路這一步,對電路的檢測和好壞判斷,幾乎不用我再說了。
2、接收器
仍然可將“使能”控制忽略掉,接收器可簡化為圖5電路。

圖5 接收器原理簡化和檢修等效電路
1)輸入、輸出信號的關系見圖5的a電路,為二進一出模式。
2)電路傳輸的是數字信號,即0和1,若為+5V供電,電路的靜態或即時電平,非5V即0V。
雖然為差分模式,但不宜用模擬電路的差分放大器來等效了——因為傳輸的仍為數字電平信號。這里我只能用異或門電路來勉為等效了——其棄同認異的風格,恰恰也符合了電路信號處理的規則。
當然,找到了等效電路,如何檢測,也不用廢話了。
三、檢修實例

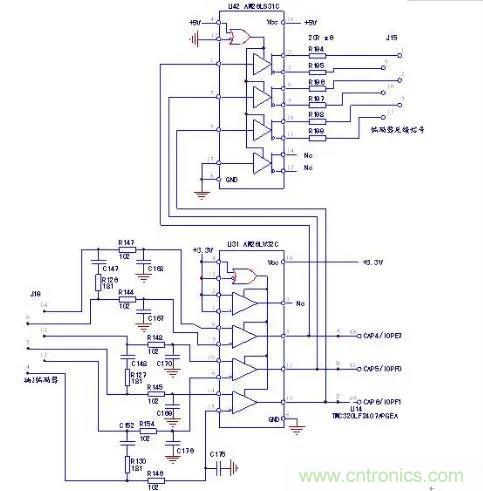
圖6 編碼器信號傳輸電路
上圖為交流伺服驅動器的一個電路實例,發生相關編碼器信號不良的故障時,勢必要對該電路進行檢測與判斷。常規檢修方法是須在接入電機與編碼器的閉環模式下進行檢查,通常還要用代換法先掉排除掉編碼器本身的故障原因。
而獨立檢修該電路,一無須閉環(接入編碼器和電機)控制,二無須脈沖發生器給出脈沖信號,手頭只需備一臺直流可調穩壓電源,已經是萬能信號發生器了(任何信號傳輸電路,均可以給出直流電壓信號進行檢修,此為后話)。
檢修步驟:
1、靜態判斷
測U31的5、11、13腳輸出端,均為3.3V,測U42的2、3腳等輸出端,符合2(1)3(0)的電平狀態,可判斷電路靜態正常;
2、動態測量
1)將J19端子的4、5、6短接為線A;將12、13、14短接為線B。調整穩壓電壓輸出為5V(可限流10mA)。
2)線A接信號5V正端,線B接信號5V負端,此時測U31的5、11、13腳輸出端,俱為低電平(約0.5V),判斷U31工作正常;測測U42的2、3腳等輸出端,變為2(0)3(1)的電平狀態,可判斷U42正常。
轉換線A、線B的信號極性,電路維持靜態值不變。
至此,對圖6編碼器信號傳輸電路的檢修,已告結束。
真的就是這么簡單,也許事情本來應該就這么簡單。往往是人們把它想復雜了搞得復雜了。只想把電路原本該有的簡單與確定的檢修模式找出來,以簡易的方法完成準確的判斷。
如果電路的使能端在禁止狀態,我們則可以將其暫時“強制為工作態”進行檢修。
免責聲明:本文為轉載文章,轉載此文目的在于傳遞更多信息,版權歸原作者所有。本文所用視頻、圖片、文字如涉及作品版權問題,請電話或者郵箱聯系小編進行侵刪。





