【導讀】設計這個150kHz選頻放大電路是為了將在 第十六屆全國大學智能汽車競賽[1] 中的節能信標組中,用于電磁導航對于 無線充電信號[2] 進行放大。
01 選頻放大電路
1.電路設計目標
設計這個150kHz選頻放大電路是為了將在 第十六屆全國大學智能汽車競賽[1] 中的節能信標組中,用于電磁導航對于 無線充電信號[2] 進行放大。
在 節能信標無線感應定位測試:200kHz[3] 中,在距離無線信標1米左右的距離內,對于幾種不同的電感接收無線信號進行了初步測試,可以看到不同的電感接收方案所獲得的交流信號的幅值在幾十毫伏左右。那么如果距離遠(比如在5米左右)這個電壓信號可能就會降低到幾百個微伏。因此需要對接收到的信號進行有效的放大。
◎ 設計選頻放大器指標:
中心頻率:150kHz
選頻帶寬:2kHz,對應的選頻回路的Q值為75。
信號增益:40dB以上,也就是能夠將在5米距離處的感應信號放大到幾百mV。
2.放大框架
雖然100kHz信號不算很高,借助于DSP器件可以完成軟件選頻信號處理。但是考慮到第16屆智能車競賽中用于節能信標組的控制器是來自于Infineon公司的MCU,它對應的ADC主頻采集以及處理能力與DSP還是有一定的差距,所以下面選擇使用全模擬電路實現選頻放大電路的設計。
為了簡單起見,測試基于高頻NPN晶體管 9018的小型號高頻放大電路。選頻回路采用 超聲波測距升壓可調中周[4] 加諧振電容的方式完成選頻放大。
由于電路的頻率較低,所以放大電路在 面包板上進行測試[5] ,雖然 為什么面包板不能夠做射頻電路實驗[6] ,但對于150kHz的放大器進行測試還是可以的。
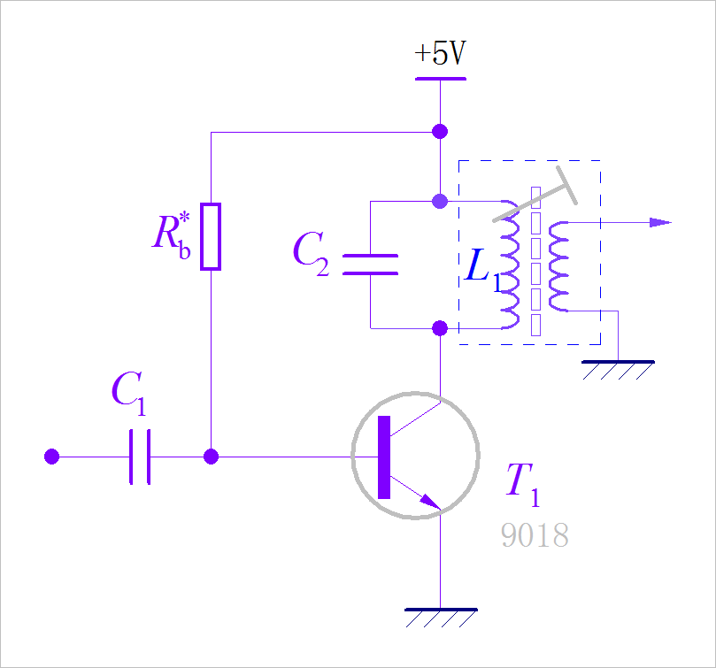
3.基本放大電路
利用NPN高頻小功率放大晶體管9018組成選頻放大電路。
(1)設置工作點Rb
調整Rb使得T1的工作電流在10mA左右。

▲ 基本放大電路
下圖是使用 測試電阻電容 二三極管的好幫手 晶體管測試顯示模塊[7] 測量實驗中9018的基本參數。

▲ 9018測量基本參數
根據測量9018三極管的
的參數,可以大體計算在
時,對應的工作電阻
的大小:

在實際電路中,選擇
。
(2)諧振電容C2
調節中周,根據 超聲波測距測速升壓可調中周倒車雷達變頻器傳感器1:10[3] ,可以知道中周的電感L1的調整范圍大約為 5mH~10mH 。所以選擇
。根據
,選擇100pf,51pf兩個電容并聯,形成C2。使用SmartTweezer實測并聯電容為154.4pF。失配的部分,通過調整中周來達到150kHz的諧振。
下圖是用于調整中周磁帽使得諧振發生在150kHz。

▲ 調整諧振的電路
使用 數字變成信號源DG1062[8] 輸出 145kHz~155kHz 正弦波掃描諧振回路。調整中周磁帽,使得輸出電壓達到最高。
調整完之后,通過掃描頻率測量諧振頻率曲線如下圖所示:

▲ 對于測試諧振回路掃頻結果
02 放大電路測試
1.搭建實驗電路
在面包板上搭建了測試電路。電路中的晶體管為9018, 基級電阻為51kΩ。

▲ 面包板上搭建的測試電路
(1)確定工作點
施加+5V的工作電流,可以測量到工作電流:8.4mA。
◎ 電路的工作點:
Vbe : 0.760V
Vce: 4.86V
Ic:8.4mA
下圖給出了實際測量到的工作電壓VCC,與Ic之間的關系:

▲ 不同的VCC與Ic之間的關系
使用線性擬合上面測量數據曲線:

2.測量輸入、輸出阻抗
(1)測量輸入阻抗
使用 DG8SAQ矢量網絡分析[9] 儀測試放大電路輸入阻抗。使用1uF電容連接矢量網絡分析端口與9018的輸入。
在150kHz下,對應的阻抗為:
◎ 150kHz輸入阻抗:


▲ 輸入阻抗測試
(2)測量輸出阻抗
將330歐姆通過1uF連接到地,對輸入端口進行阻抗匹配。使用 DG8SAQ 矢量網絡分析[8] 測量中周副線圈的阻抗。
◎ 150kHz阻抗:


▲ 輸出阻抗曲線(140 ~ 160kHz)
3.測量放大增益
(1)無輸入輸出匹配
直接將DG1062產生的150kHz正弦信號,通過1uF施加在9018基極。在中周輸出直接施加1.2k歐姆負載,測量輸出交流電壓。
● 設置工作電壓:+12V;
● 輸出負載:1.2k

▲ 輸入電壓與輸出電壓

▲ 輸入信號與增益
(2)倍壓檢波
在副邊使用倍壓整流將接收到的信號轉換成直流信號,施加負載電阻為10kΩ。

▲ 進行倍壓整流

▲ 輸入電壓與倍壓整流輸出電壓
4.測量幅頻特性

▲ 不同頻率下輸出電壓
參考資料
[1]第十六屆全國大學智能汽車競賽: https://zhuoqing.blog.csdn.net/article/details/110253008
[2]無線充電信號: https://zhuoqing.blog.csdn.net/article/details/115040882
[3]節能信標無線感應定位測試:200kHz: https://zhuoqing.blog.csdn.net/article/details/113869198
[4]超聲波測距升壓可調中周: https://zhuoqing.blog.csdn.net/article/details/116144062
[5]面包板上進行測試: https://zhuoqing.blog.csdn.net/article/details/106161919
[6]為什么面包板不能夠做射頻電路實驗: https://zhuoqing.blog.csdn.net/article/details/106103762
[7]測試電阻電容 二三極管的好幫手 晶體管測試顯示模塊: https://zhuoqing.blog.csdn.net/article/details/109223139
[8]DG1062: https://zhuoqing.blog.csdn.net/article/details/110824422
[9]DG8SAQ矢量網絡分析: https://zhuoqing.blog.csdn.net/article/details/116189783
推薦閱讀:



