中心論題:
- 光電耦合器非線性的克服
- 提高光電耦合器的傳輸速度
- 光耦的功率接口設計
解決方案:
- 利用2個具有相同非線性傳輸特性的光電耦合器以及2個射極跟隨器
- 采用VFC(電壓頻率轉換)方式或選擇線性光耦進行設計
- 用2只光電耦合器接成互補推挽式電路
- 在光敏三極管的光敏基極上增加正反饋電路
- 光電可控硅驅動器進行隔離驅動設計
- 采用光電雙向可控硅驅動器
光電耦合器(簡稱光耦),是一種把發光元件和光敏元件封裝在同一殼體內,中間通過電→光→電的轉換來傳輸電信號的半導體光電子器件。光電耦合器可根據不同要求,由不同種類的發光元件和光敏元件組合成許多系列的光電耦合器。目前應用最廣的是發光二極管和光敏三極管組合成的光電耦合器,其內部結構如圖1a所示。
光耦以光信號為媒介來實現電信號的耦合與傳遞,輸入與輸出在電氣上完全隔離,具有抗干擾性能強的特點。對于既包括弱電控制部分,又包括強電控制部分的工業應用測控系統,采用光耦隔離可以很好地實現弱電和強電的隔離,達到抗干擾目的。但是,使用光耦隔離需要考慮以下幾個問題:光耦直接用于隔離傳輸模擬量時,要考慮光耦的非線性問題;光耦隔離傳輸數字量時,要考慮光耦的響應速度問題;如果輸出有功率要求的話,還得考慮光耦的功率接口設計問題。
光電耦合器非線性的克服
光電耦合器的輸入端是發光二極管,因此,它的輸入特性可用發光二極管的伏安特性來表示,如圖1b所示;輸出端是光敏三極管,因此光敏三極管的伏安特性就是它的輸出特性,如圖1c所示。由圖可見,光電耦合器存在著非線性工作區域,直接用來傳輸模擬量時精度較差。

圖1 光電耦合器結構及輸入、輸出特性
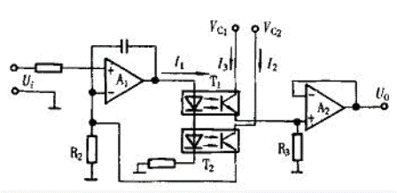
解決方法之一,利用2個具有相同非線性傳輸特性的光電耦合器,T1和T2,以及2個射極跟隨器A1和A2組成,如圖2所示。如果T1和T2是同型號同批次的光電耦合器,可以認為他們的非線性傳輸特性是完全一致的,即K1(I1)=K2(I1),則放大器的電壓增益G=Uo/U1=I3R3/I2R2=(R3/R2)[K1(I1)/K2(I1)]=R3/R2。由此可見,利用T1和T2電流傳輸特性的對稱性,利用反饋原理,可以很好的補償他們原來的非線性。

圖2 光電耦合線性電路
另一種模擬量傳輸的解決方法,就是采用VFC(電壓頻率轉換)方式,如圖3所示。現場變送器輸出模擬量信號(假設電壓信號),電壓頻率轉換器將變送器送來的電壓信號轉換成脈沖序列,通過光耦隔離后送出。在主機側,通過一個頻率電壓轉換電路將脈沖序列還原成模擬信號。此時,相當于光耦隔離的是數字量,可以消除光耦非線性的影響。這是一種有效、簡單易行的模擬量傳輸方式。

圖3 VFC方式傳送信號
當然,也可以選擇線性光耦進行設計,如精密線性光耦TIL300,高速線性光耦6N135/6N136。線性光耦一般價格比普通光耦高,但是使用方便,設計簡單;隨著器件價格的下降,使用線性光耦將是趨勢。
提高光電耦合器的傳輸速度
當采用光耦隔離數字信號進行控制系統設計時,光電耦合器的傳輸特性,即傳輸速度,往往成為系統最大數據傳輸速率的決定因素。在許多總線式結構的工業測控系統中,為了防止各模塊之間的相互干擾,同時不降低通訊波特率,我們不得不采用高速光耦來實現模塊之間的相互隔離。常用的高速光耦有6N135/6N136,6N137/6N138。但是,高速光耦價格比較高,導致設計成本提高。這里介紹兩種方法來提高普通光耦的開關速度。
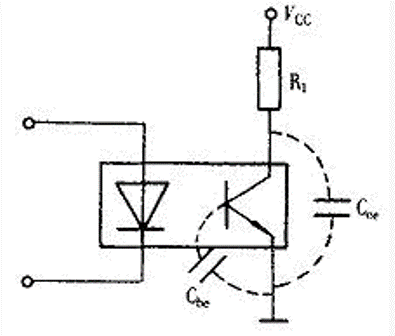
由于光耦自身存在的分布電容,對傳輸速度造成影響,光敏三極管內部存在著分布電容Cbe和Cce,如圖4所示。由于光耦的電流傳輸比較低,其集電極負載電阻不能太小,否則輸出電壓的擺幅就受到了限制。但是,負載電阻又不宜過大,負載電阻RL越大,由于分布電容的存在,光電耦合器的頻率特性就越差,傳輸延時也越長。

圖4 光敏三極管內部分布電容
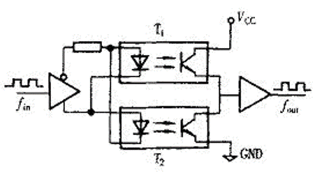
用2只光電耦合器T1,T2接成互補推挽式電路,可以提高光耦的開關速度,如圖5所示。當脈沖上升為“1”電平時,T1截止,T2導通。相反,當脈沖為“0”電平時,T1導通,T2截止。這種互補推挽式電路的頻率特性大大優于單個光電耦合器的頻率特性。

圖5 2只光電耦合器構成的推挽式電路
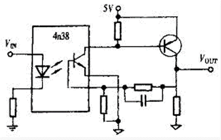
此外,在光敏三極管的光敏基極上增加正反饋電路,這樣可以大大提高光電耦合器的開關速度。如圖6所示電路,通過增加一個晶體管,四個電阻和一個電容,實驗證明,這個電路可以將光耦的最大數據傳輸速率提高10倍左右。

圖6 通過增加光敏基極正反饋來提高光耦的開關速度
光耦的功率接口設計
微機測控系統中,經常要用到功率接口電路,以便于驅動各種類型的負載,如直流伺服電機、步進電機、各種電磁閥等。這種接口電路一般具有帶負載能力強、輸出電流大、工作電壓高的特點。工程實踐表明,提高功率接口的抗干擾能力,是保證工業自動化裝置正常運行的關鍵。
就抗干擾設計而言,很多場合下,我們既能采用光電耦合器隔離驅動,也能采用繼電器隔離驅動。一般情況下,對于那些響應速度要求不很高的啟停操作,我們采用繼電器隔離來設計功率接口;對于響應時間要求很快的控制系統,我們采用光電耦合器進行功率接口電路設計。這是因為繼電器的響應延遲時間需幾十ms,而光電耦合器的延遲時間通常都在10us之內,同時采用新型、集成度高、使用方便的光電耦合器進行功率驅動接口電路設計,可以達到簡化電路設計,降低散熱的目的。
圖7是采用光電耦合器隔離驅動直流負載的典型電路。因為普通光電耦合器的電流傳輸比CRT非常小,所以一般要用三極管對輸出電流進行放大,也可以直接采用達林頓型光電耦合器(見圖8)來代替普通光耦T1。例如東芝公司的4N30。對于輸出功率要求更高的場合,可以選用達林頓晶體管來替代普通三極管,例如ULN2800高壓大電流達林頓晶體管陣列系列產品,它的輸出電流和輸出電壓分別達到500mA和50V。

圖7 光電隔離,加三極管放大驅動

圖8 達林頓型光電耦合器
對于交流負載,可以采用光電可控硅驅動器進行隔離驅動設計,例如TLP541G,4N39。光電可控硅驅動器,特點是耐壓高,驅動電流不大,當交流負載電流較小時,可以直接用它來驅動,如圖9所示。當負載電流較大時,可以外接功率雙向可控硅,如圖10所示。其中,R1為限流電阻,用于限制光電可控硅的電流;R2為耦合電阻,其上的分壓用于觸發功率雙向可控硅。

圖9 小功率交流負載

圖10 大功率交流負載
當需要對輸出功率進行控制時,可以采用光電雙向可控硅驅動器,例如MOC3010。圖11為交流可控驅動電路,來自微機的控制信號 經過光電雙向可控硅驅動器T1隔離,控制雙向可控硅T2的導通,實現交流負載的功率控制。

圖11 交流可控電路
圖12為交流電源輸出直流可控電路。來自微機的控制信號 經過光電雙向可控硅驅動器隔離,控制可控硅橋式整流電路導通,實現交流一直流的功率控制。此電路已經應用在我們實驗室研制的新型電機控制設備中,效果良好。

圖12 交-直流可控




