中心議題:
- USB開關電路的整體設計思路
- 保護USB的電源開關設計方案
解決方案:
- 電荷泵設計
- 過流保護電路設計
1 引言
通用串行總線(UniversalSerialBus)使PC機與外部設備的連接變得簡單而迅速,隨著計算機以及與USB相關便攜式設備的發展,USB必將獲得更廣泛的應用。由于USB具有即插即用的特點,在負載出現異常的瞬間,電源開關會流過數安培的電流,從而對電路造成損壞。
本文設計的USB電源開關采用自舉電荷泵,為N型功率管提供2倍于電源的柵驅動電壓。在負載出現異常時,過流保護電路能迅速限制功率管電流,以避免熱插拔對電路造成損壞。
2 USB開關電路的整體設計思路
圖1為USB電源開關的整體設計。其中,VIN為電源輸入,VOUT為USB的輸出。在負載正常的情況下,由電荷泵產生足夠高的柵驅動電壓,使NHV1工作在深線性區,以降低從輸入電源(VIN)到負載電壓(VOUT)的導通損耗。當功率管電流高于1A時,Currentsense輸出高電平給過流保護電路(Currentlimit);過流保護電路通過反饋負載電壓給電荷泵,調節電荷泵輸出(VPUMP),從而使功率管的工作狀態由線性區變為飽和區,限制功率管電流,達到保護功率管的目的。當負載恢復正常后,Currentsense輸出低電平,電荷泵正常工作。

圖1 USB電源開關原理圖[page]
3 電荷泵設計
圖2為一種自舉型(SelfBoost)電荷泵的電路原理圖。圖中,為時鐘信號,控制電荷泵工作。初始階段電容,C1和功率管柵電容CGATE上的電荷均為零。當為低電平時,MP1導通,為C1充電,V1電位升至電源電位,V2電位增加,MP2管導通。假設柵電容遠大于電容C1,V2上的電荷全部轉移到柵電容CGATE上。當為高電平時,MN1導通,為C1左極板放電,V1電位下降至地電位,V2電位下降,MP2管截止,MN2管導通,給電容C1右極板充電至VIN。在的下個低電平時,V1電位升至電源電位,V2電位增加至2VIN,MP2管導通,VPUMP電位升至2VIN-VT。

圖2 自舉電荷泵原理圖
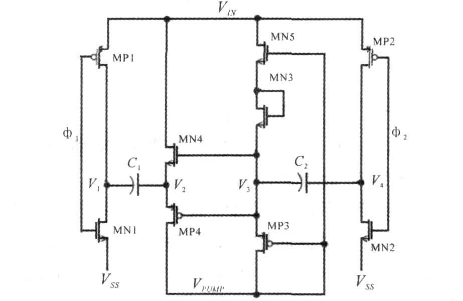
自舉電荷泵不需要為MN2和MP2提供柵驅動電壓,控制簡單,但輸出電壓會有一個閾值損失。圖3是改進后的電荷泵電路圖,1和2為互補無交疊時鐘。由MN2、MN5、MP3、MP2和電容C2組成的次電荷泵為MN4、MP4提供柵壓,以保證其完全關斷和開啟。當1為低電平時,MP1導通,電位增加,此時,V3電位為零,MP4導通,V2上的電荷轉移到柵電容CGATE上,VPUMP電位升高。當1為高電平時,MP2導通,為C2充電,V4電位上升至電源電位,V3電位隨之上升,MP3導通,VPUMP電位繼續升高。MN3相當于二極管,起單向導電的作用。
在VPUMP電壓升高到VIN+VT以后,MN3隔離V3到電源的通路,保證V3的電荷由MP3全部充入柵電容。這樣,C1和C2相互給柵電容充電,若干個時鐘周期后,電荷泵輸出電壓接近兩倍電源電壓。
在電荷泵輸出電壓升高的過程中,功率管提供的負載電流逐漸上升,避免在容性負載上引起浪涌電流。

圖3 改進后的電荷泵[page]
4 過流保護電路設計
當出現過載和短路故障時,負載電流達到數安培,需要精確的限流電路為功率管和輸入電源提供保護。對于MOS器件,只有工作在飽和區時的電流容易控制。限流就是通過反饋負載電壓,調節電荷泵輸出電壓來實現的。圖4是限流電路的原理圖。

圖4 限流電路原理圖
N型功率管NHV的源與P型限流管MP6的柵相接,N型功率管NHV的柵與P型限流管MP6的源相接。從而達到控制功率管柵源壓降的目的。
當負載電流超過1A時,電流限信號(VLIMIT)為高電平,MN7導通,柵電荷經MP6流向地,柵電壓減小,功率管工作在飽和區。C1、C2為電荷泵電容值,在一個時鐘周期T內,由電荷泵充入的柵電荷為:
![]()
當功率管柵壓穩定時,電荷泵充入的柵電荷等于限流管放掉的柵電荷。限流管泄放電流為:

得功率管和限流管的電流關系:

式中,VTP和VTN分別是P型管和N型管閾值電壓,M為N型功率管的并聯數。
通過設置NHV和MP6寬長比、功率管的并聯個數、電荷泵的時鐘周期以及電荷泵的電容值,就可以確定功率管的電流。當負載恢復正常后,電流限信號(VLIMIT)為低電平,MN7截止,電荷泵正常工作,為功率管提供2倍于電源的柵驅動電壓。這種過流保護電路通過MP6泄放功率管的柵電荷,易實現限流功能,適用于N型功率管的電源開關。
[page]
5 仿真結果與討論
圖5為負載正常情況下負載輸出電壓和功率管電流的仿真波形。電源電壓為5V,C1、C2電容值為1pF,時鐘周期為40s,NHV和MP6寬長比的比值為300,功率管的并聯個數為1103。采用0.6m30VBCD工藝,在典型條件下,用HSPICE對整體電路仿真。由波形可以看出,在1ms內,負載輸出電壓逐漸上升,功率管電流沒有過沖,啟動時間為1.7ms。3ms后,功率管完全開啟,為負載提供電源。

圖5 啟動時功率管電流和負載輸出電壓
表1為限流電路工作時功率管的平均柵電壓和平均電流。圖6為USB開關啟動8ms后負載短路到恢復正常的仿真結果。USB開關在負載正常情況下啟動,8ms后負載短路,負載電流過沖到3.1A。當過流保護電路工作后,過流保護電路將電流限制在0.3A,保護了USB端口。16ms后,負載恢復正常,電源開關重新啟動。

表1 限流時功率管平均柵電壓和平均電流

圖6 USB開關在啟動、限流和恢復正常過程中,電荷泵輸出電壓、負載輸出電壓和功率管電流的仿真波形
6 結論
本文設計了一種滿足USB規范的電源開關。一種結構簡單的自舉電荷泵為N型功率管提供柵驅動電壓,以降低開關的導通損耗。精確的限流電路針對過載和短路故障,對輸入電源提供保護。仿真結果表明,在負載短路瞬間,限流電路能夠有效地減小過沖電流,并能把電流限制在0.3A,達到保護USB端口的目的。




