【導讀】功率因數校正 (PFC) 是客戶在選擇電源時尋求的功能之一,因為它對設備的整體效率起著巨大的作用。本文檔介紹了功率因數校正 (PFC) 的基本事實和原理以及管理該功能的法規。它還討論了常見的原因以及為了獲得 PFC 應避免的事情。
簡介
功率因數校正 (PFC) 是客戶在選擇電源時尋求的功能之一,因為它對設備的整體效率起著巨大的作用。本文檔介紹了功率因數校正 (PFC) 的基本事實和原理以及管理該功能的法規。它還討論了常見的原因以及為了獲得 PFC 應避免的事情。
什么是功率因數
功率因數 (pf) 定義為有功功率 (P) 與視在功率 (S) 之比,或表示電流和電壓之間的相位角的余弦(對于電流和電壓的純正弦波)和電壓波形(見圖1)。功率因數可以在 0 到 1 之間變化,并且可以是感性的(滯后,指向上)或容性的(超前,指向下)。為了減少感應滯后,添加電容器直至 pf 等于 1。當電流和電壓波形同相時,功率因數為 1 (cos (0°) = 1)。使功率因數等于 1 的全部目的是使電路看起來純電阻(視在功率等于有功功率)。

有功功率(瓦)產生實際功;這是能量傳輸部分(例如電到電機的轉速)。無功功率是產生磁場(損耗功率)以完成實際工作所需的功率,其中視在功率被視為電力公司提供的總功率,如圖 1 所示。該總功率為通過主電源提供的電力,以產生所需的有功功率。
效率低下的原因
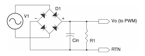
開關模式電源 (SMPS) 的一個問題是它們不使用任何形式的功率因數校正,并且輸入電容器 CIN(如圖 4 所示)僅在 VIN 接近 VPEAK 或 VIN 為大于電容器電壓VCIN。如果 CIN 是使用輸入電壓頻率設計的,則電流看起來會更接近輸入波形(取決于負載);然而,主線上的任何微小中斷都會導致整個系統產生負面反應。也就是說,在設計SMPS時,CIN的保持時間設計得大于VIN的頻率,這樣,如果VIN出現毛刺,錯過幾個周期,CIN將有足夠的能量存儲以繼續為其負載供電。

圖 3 表示 VCIN(t)(如圖 4 中的電路所示)的理論結果,負載非常輕,因此 CIN 放電非常少。隨著負載阻抗的增加,后續峰值之間的 VCIN(t) 將會有更多的壓降,但相對于總 VIN 只占很小的百分比(例如,輸入為 120V,可能會出現 3-5 伏的壓降。如前所述,只有當 VIN 大于其存儲電壓時,CIN 才會充電,這意味著非 PFC 電路只會在整個周期時間內為 CIN 充電一小部分。

90 度后(圖 4),電橋的半周期降至電容器電壓 (CIN) 以下;它對電橋進行反向偏置,抑制電流流入電容器(通過 VIN)。注意電感的輸入電流尖峰有多大。供應鏈中的所有電路(墻壁布線、電橋中的二極管、斷路器等)必須能夠承載如此巨大的峰值電流。在這些短時間內,CIN 必須充滿電,因此會從 VIN 中汲取短時間內的大電流脈沖。有一種方法可以平均這個尖峰,這樣它就可以使用周期的剩余時間來積累能量,本質上是通過使用功率因數校正來平滑巨大的峰值電流。

為了更緊密地跟隨 VIN 并且不產生這些高幅度電流脈沖,CIN 必須在整個周期內充電,而不僅僅是其中的一小部分。當今的非線性負載使得我們不可能知道何時需要大的浪涌電流,因此在整個周期內保持電容器的浪涌恒定是有益的,并且允許使用更小的CIN。這種方法稱為功率因數校正。
免責聲明:本文為轉載文章,轉載此文目的在于傳遞更多信息,版權歸原作者所有。本文所用視頻、圖片、文字如涉及作品版權問題,請聯系小編進行處理。
推薦閱讀:




