中心議題:
- 實例講解便攜設備高保真度一體化ESD/EMI保護
便攜式和無線設備日趨復雜,越來越容易受到靜電放電(ESD)和電磁干擾(EMI)的影響。本文給出在立體聲耳機、手機、便攜式多媒體播放器、PDA或筆記本電腦中,有效降低電磁干擾和提高音頻質量的一體化ESD/EMI保護方案。
隨著便攜式和無線設備的日趨復雜化,此類設備越來越容易受到靜電放電(ESD)和電磁干擾(EMI)的影響。尤其在立體聲耳機、移動電話、便攜式多媒體播放器、PDA或筆記本電腦等電子設備中,需要降低電磁干擾,以確保電子設備的高音頻質量。
產品資料: 雙重音頻濾波器

CA04F2FT5AUD010G ESD/EMI音頻濾波器組合,占用面積為1.37 x 1.0 mm².
主要數據
- 最大直流工作電壓 5.5 V
- 接觸放電ESD能力 8 kV
- 典型插入損耗 -20~-60 dB
- 最大鉗位電壓(1 A, 8/20 µs) 30 V
電磁干擾(EMI)由無線射頻產生,對音頻線路造成影響。同時,音頻輸入和輸出又會使射頻線產生失真。愛普科斯研制出一款新型組合式雙重ESD/EMI音頻濾波器(CA04F2FT5AUD010G),可有效降低寄生噪聲,提高音頻質量。該濾波器被置于0405雙通道封裝內,其特點是串聯電阻低,并集EMI濾波和ESD保護于一體。

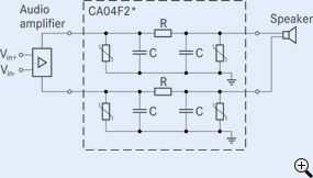
圖1: 音頻應用保護:音頻線路一體化ESD/EMI保護的應用舉例.
設計此款新型ESD/EMI音頻濾波器需要將十個分立元件的功能集于同一塊芯片上(圖1)。由于此濾波器具有20 MHz的截止頻率和0.2 ?的低串聯電阻,它在要求低通帶衰減的應用中提供了良好的解決方案。對于所有四波段GSM頻率制式(850/900/1800/1900 MHz)、UMTS制式(2.1 GHz)、GPRS/WLAN和藍牙頻率(2.4 GHz),當頻率范圍為200 MHz 至 4 GHz時,其衰減高于-20 dB。在頻率為900 MHz時,它的衰減值非常高,超過-60 dB (圖2)。

圖2: 插入損耗
下頁內容:超電壓的雙重保護
[page]
CA04F2FT5AUD010G ESD/EMI音頻濾波器提供在廣泛頻率范圍內的高衰減。
使用TVS和齊納二極管的濾波器在音頻信號路徑上具有非常明顯的非線性特征。因此,它們會大幅度增加總諧波失真度(THD)。相比較而言,愛普科斯生產的雙重ESD/EMI音頻濾波器具有低THD的特點,在1 kHz時噪聲值低于-100 dB,因而,它處理超清晰的聲音的能力極佳。

圖3: 超電壓的雙重保護
雙鉗位結構提高ESD脈沖保護能力。第一個壓敏電阻將ESD信號從8KV降至200V(紅色),第二個壓敏電阻將其進一步減少至70V(藍色)。
ESD/EMI音頻濾波器的設計還能對敏感的IC提供極好的ESD保護(IEC61000-4-2, 4 級標準)。其內部采用雙鉗位結構,可將ESD脈沖從8 kV降至 70 V(圖3)。此外,ESD/EMI音頻濾波器還具有非常穩定的陶瓷結構。即便經過?1000 ESD脈沖,雙重式ESD/EMI音頻濾波器仍能保持原有的高濾波性能。



