【導讀】工業環境中的測量器件往往需要進行隔離以確保安全。利用數字隔離器,可以優化隔離系統設計、降低功耗、保證系統性能,同時無需借助額外的設計裕量來補償缺失或不完整的器件規格。本文將介紹使用數字隔離器進行隔離測量儀器的設計。
隔離系統設計簡介
設計隔離測量儀器頗具挑戰性,有時甚至會令人沮喪不已。隔離前端可以保護用戶免受測量系統中可能存在的致命電壓的傷害,同時允許工程師在高共模電壓下進行精確的測量。圖1所示為此類測量的一個典型示例。在高壓燃料電池或電池組中,了解單個電池的電壓有助于確保系統的安全運行,同時可以最大限度地延長電池壽命。在確定單個電池的電壓時,我們必須在高達數百伏特的共模電壓下進行測量。在用熱電偶測量載流導體的溫度時,會出現類似的情況。在本例中,系統必須具備測量毫伏級信號分辨率的能力,同時抑制高電平的60 Hz共模噪聲,并保護操作員不受任何危險電壓的傷害。
最初人們用隔離放大器來解決這個問題,但隨著測量帶寬和分辨率的增長,這種解決方案已經過時。現在,執行此類測量的最精確、最經濟、最高效技術是隔離整個測量前端(包括模數轉換器(ADC)),并對系統其余部分實施隔離串行鏈路,如圖1所示。該鏈路可以是一個局部總線(如SPI),也可以是工業協議(如RS-485),用以將測量數據長距離傳輸至控制器單元。

圖1:用隔離前端測量高壓電池組中單個電池的電壓
數字隔離器可靠性設計
直到大約10年前,光耦合器仍然是隔離數字信號的少數可行解決方案之一。然而,如果問一問不得不用光耦合器進行設計的工程師,您就會了解到,用光耦合器開發高效、可靠的系統是多么的困難,尤其是需要將成本降至最低時。光耦合器使用LED來產生跨越隔離柵的光,以接通和關閉光電晶體管。在用光耦合器進行設計時,必須保證LED能產生足夠的光來接通接收光電晶體管,同時,輸出上升和下降時間也要足夠快,以支持目標頻率下的操作。光耦合器最重要的一個規格是電流傳輸比(CTR)。CTR是光電晶體管上出現的集電極電流與通過LED的電流的比值。
光耦合器CTR不但擁有極寬的容差,而且性能會隨著時間和溫度而下降。為了確保光耦合器能在高溫下使用數年之后繼續工作,工程師必須假設最差情況下的CTR,這本身就極具挑戰性,因為光耦合器數據手冊只列出了室溫下的CTR規格。例如,典型光耦合器的規格表列出了25°C下50%–600%的保證CTR。另外,大多數數據手冊都包含典型圖表,顯示80°C時的CTR僅為20°C時的CTR的大約50%。事實上,沒有數據手冊會列出85°C時的最小CRT,因此,您必須對該值做出假設。另外,有些研究對CTR隨時間發生的下降進行了模擬,但該規格同樣未列于數據手冊中,因此,您必須決定增加多少額外的設計裕量,以保證最終產品能在預期壽命范圍內可靠地運行。設計一個魯棒的隔離器電路意味著,您必須做出許多工程設計假設,需要在增加的功耗和降低的工作速度之間取舍,留出足夠的裕量以便產品在整個壽命期間可靠運行。
數字隔離器使用非光學方式來橫跨隔離柵發送數據。例如,ADI公司的隔離器采用微變壓器技術來橫跨隔離柵發送脈沖,不存在與光耦合器相關聯的時間和溫度下降效應。這樣,可以針對器件的整個工作溫度范圍發布保證最低和最大功耗、傳播延遲和脈沖失真規格。有了完整的規格,就不需要在您的工作條件下對光耦合器進行廣泛的特性測試,可以直接使用數據手冊中的數據來計算最差情況下的系統性能。您只用看看數字隔離器的保證傳播延遲、偏斜和功耗,即可利用這些數據來計算頂層系統時序規格,就像任何標準數字集成電路一樣。也可使用其他非光學技術,例如容性、射頻(RF)和巨磁阻(GMR)耦合。

表1:ADI公司ADuM140x系列數字隔離器的監管機構認證
由于磁性數字隔離器大部分功率消耗于從一個狀態切換至另一狀態時,故功耗與工作頻率呈比例關系。因此,處于空閑狀態或者開關速度極低的通道功耗非常小。一旦已確定應用的最大串行時鐘速率,即可設計電源來提供支持該速率的充足電流。在利用光耦合器進行設計時,必須確保LED處于關閉狀態時電路始終處于空閑狀態,以將功耗降至最低。
光耦合器技術進入市場已超過30年;一些工程師對轉向新的隔離器技術保持謹慎。大多數制造商都要將產品提交監管機構批準,并清楚展示其隔離器通過了哪些標準。諸如ADI公司數字隔離器的器件均以聚酰亞胺為絕緣體,這種材料也用于許多光耦合器之中。在某些情況下,它們是按照與光耦合器相同的安全標準進行測試,而在其他情況下(如VDE V 0884-10),則專門針對數字隔離器制定了具體標準。例如,表1展示了ADuM140x系列隔離器的機構認證。
其他問題涉及數字隔離器承受過壓浪涌的能力,以及它們對共模電壓和磁場干擾形式的瞬變的抗干擾能力。幸運的是,借助聚酰亞胺絕緣材料,ADI公司的數字隔離器可以承受最高6 kV的浪涌達10秒。由于隔離柵上只有極低的寄生電容,因此,磁性隔離器相對于其他技術還具有極佳的共模瞬變抗擾度(CMTI)。例如,典型高速光耦合器的CMTI規格為1至10 kV/_s,而磁性數字隔離器可抑制35 kV/_s以上的共模瞬變。
[page]
乍一看,對磁場干擾的擔心似乎非常合理,因為采用微變壓器的隔離器利用磁場來橫跨隔離柵發射脈沖。有人可能認為,足夠強的磁場可能會干擾脈沖,從而導致輸出錯誤。然而,由于變壓器及其空芯的半徑非常小,因此只有非常大的磁場或極高的頻率才能產生故障。圖2所示的最大容許電流和頻率仍可以保證AD344x隔離器的輸出無故障。例如,只有超過500 A(1 MHz,距離器件5 mm)的電流才可能觸發故障輸出。理論上,產生錯誤輸出所需要的幅度和頻率組合遠遠超過了絕大多數應用的范圍。

圖2:ADuM344x可保證無錯運行的最大容許電流和頻率
數字隔離器的高速運行
當隔離測量系統使用高采樣速率時,用光耦合器隔離串行總線可能是比較困難的任務。接收器光電二極管的寄生電容限制了光耦合器傳輸數字信號的速度。您可以通過增加來自LED的光量來提高該寄生電容的充電速度,但這樣做會增加功耗。另外,很少有光耦合器在每個封裝內只沿同一方向提供兩個以上的通道,而且通常不包括與通道間匹配相關的時序規格。雖然假定同一封裝中的光耦合器之間具有良好匹配合乎邏輯,但缺少印制的規格意味著您必須做出工程設計假設。與依賴非印制規格的情況相同,大多數謹慎的工程師會選擇留出充足的設計裕量,工作性能遠遠低于采用單個光耦合器時數據手冊指示的性能。
使用數字隔離器的另一優勢是,產品可采用4通道器件形式,保證速度最高可達150 Mbps。另外,所有數字隔離器制造商都在數據手冊的時序部分提供了保證通道間匹配規格。例如,ADI公司的ADuM344x隔離器在整個工作溫度范圍內的保證通道間傳播延遲失配小于2 ns。實際使用中,這意味著可以在數據手冊列出的速度下使用數字隔離器,而無需針對較大或未知的器件間或通道間偏斜來下調系統性能。
數字隔離器的集成
由于數字隔離器技術兼容標準CMOS工藝,因此,集成額外的功能以簡化系統設計相對較容易。例如,傳統的熱電偶測量器件可能用多個光耦合器來實現低速SPI接口,并用具有驅動器和調節器的隔離變壓器來為隔離前端供電。利用集成隔離電源的數字隔離器( 如ADuM5401),整個隔離系統成為帶四個數據通道和隔離電源的單個集成電路。與使用分立隔離器和隔離電源相比,這種方式提高了可靠性,節省了大量電路板空間,降低了成本。

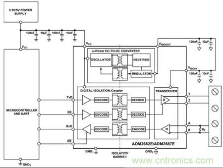
圖3:可以用單個ADM2682E實現全雙工、隔離式RS-485接口
許多儀器內置隔離式RS-485端口,用于遠程監控或控制。幾年前,實現這樣的隔離端口不但需要為數據線路配置隔離器,而且需要兼容RS-485差分信號和電源的收發器。圖3顯示了像ADM2682E這樣的單個IC如何將所有功能集成到單個封裝之中。
總結
過去,設計隔離式測量設備是一種昂貴、困難、有時甚至令人沮喪的任務,因為光耦合器存在諸多的技術問題。在過去幾年中,數字隔離技術的進步大大簡化了這一任務。數字隔離技術具有成本低、性能高、易用、集成度高的特點,有助于工程師按時完成開發進度。另外,監管機構認證以及承受高干擾水平的能力使其非常適合工業測量系統中常見的長壽命產品。
相關閱讀:
Linear專家講解:基于LT8300的隔離型反激式轉換器設計
http://aolaiaolisita.com/power-art/80020871
基于AD7280A完全隔離式鋰電池監控系統設計
http://aolaiaolisita.com/power-art/80021001
第四講:隔離式LED驅動電源方案的新探索
http://aolaiaolisita.com/couple-art/80016429



