【導讀】本文為大家介紹的是一款具有電壓指示功能的蓄電池保護電路,當蓄電池電壓處于正常范圍的電壓值時電路正常供電,一旦其電壓低于某一電壓值即停止對外放電,同時伴有指示燈閃爍顯示。
這是一款具有電壓指示功能的蓄電池保護電路,當蓄電池電壓處于正常范圍的電壓值時電路正常供電,一旦其電壓低于某一電壓值即停止對外放電,同時伴有指示燈閃爍顯示。路如圖所示。

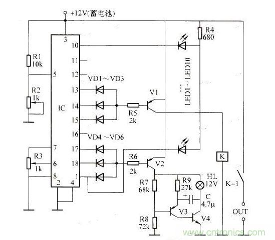
具有電壓指示的蓄點知保護電路
電電路工作原理:由圖可知,IC及外圍元件組成蓄電池電壓檢測電路,IC為10點LED電平指示集成電路,當IC指示輸出電壓時其對應的某個輸出端為低電平,并使對應的一只LED點亮,以指示此時蓄電池的電壓大小。R1、R2組成分壓器,從R2兩端取出檢測電壓送至IC的輸入端(第5腳)。當蓄電池電壓處于正常電壓范圍時,則IC第13~15腳中的某腳為低電平,因此V1導通使繼電器吸合,其動合觸點K-1接通,電路“OUT”端輸出電壓。由于該電路中IC的工作方式設置為點狀方式,當電池電壓變化時其對應的指示輸出端被選通,且與之相對應的LED管被點亮,并根據電池電壓的正常與否,將繼電器觸點K1斷開或接通。
該電路中,當蓄電池電壓低于其放電電壓的最低值時,將使IC第17、18、1腳中的某腳選通,由晶體管V3、V4構成的簡易振蕩電路獲得工作電壓而起振,使閃爍指示燈HL不斷閃爍,以提醒人們此時需要對蓄電池進行充電。該指示燈HL的閃爍頻率可由電阻R8、電容C來確定,電子愛好者可自行選擇。當V2導通時,V1處于截止狀態,在指示燈HL閃爍顯示時電器觸點K-1斷開,使蓄電池停止向負載電路供電,從而保護了蓄電池。用來顯示蓄電池電壓大小的顯示裝置由LED1~LED10組成,在每只LED下方應標出與蓄電池相對應的電壓大小。當某只LED點亮時便可直觀地了解到此時電池電壓的變化情況。
元器件選擇:IC為10點LED電平指示驅動集成電路LM3914,LED1~LED10選用2×5mm綠色發光二極管,組成顯示陣列。二極管VD1~VD6選用lN4148,晶體管V1~V3選用C9O12,V4選用D882*率管。HL為12V燈泡外加紅色罩。繼電器K可根據需要選用合適的12V直流繼電器,電阻均為具有1/8W功率的碳膜電阻,R2為可調電阻。





