【導讀】在用電設備使用中,會加入相應的保護電路,以保證用電設備在正常的供電狀態下使用。當供電線路出現過壓、欠壓時,保護電路會進行有效的保護,從而確保用電設備能夠安全正常運行。
引言
在工業控制中,用電設備通常工作至三相電源中,而很多用電設備在使用中對相應提供的工作電源有著較高的要求。但通常電網產生的電壓偏高(是指給定的瞬間設備端電壓U與設備額定電壓Un之差),以及大功率電動機的起動,電焊機的工作,特別是大型電弧爐和大型軋鋼機沖擊性負荷的工作,均會引起負荷的急劇變動,使電網電壓損耗隨之產生相應變動,從而使用戶公共供電點的電壓出現波動現象。
上述情況所造成的電壓波動,又會給用電設備造成不應有的過壓、欠壓現象。如長時間供給用電設備,則會極大的損壞用電設備。所以在用電設備使用中,會加入相應的保護電路,以保證用電設備在正常的供電狀態下使用。當供電線路出現過、欠壓時,保護電路進行有效保護,從而確保用電設備安全正常運行。
設計思路
該保護電路通過對所供電設備電壓進行取樣檢測,如電壓出現過壓、欠壓現象時(過壓、欠壓值可根據所需設定),保護電路內部執行繼電器延時,釋放(保護電路在正常工作時無過壓、欠壓情況下內部執行繼電器呈吸合狀態)。從而達到對用電設備的保護。
該保護電路的工作狀態圖如圖1所示。

圖1:工作狀態圖
過壓狀態
當加入工作電壓大于欠壓狀態最高值,小于過壓狀態最小值時,保護電路內部執行繼電器呈吸合工作狀態。當電網電壓超出過壓設定值時,此時保護器進入延時保護工作狀態,延時T(時間)到達后,內部執行繼電器由吸合狀態轉為釋放。
欠壓狀態
當加入工作電壓小于過壓狀態最小值,大于欠壓狀態最高值時,保護電路內部執行繼電器呈吸合工作狀態。當電網電壓低于欠壓設定值時,此時保護電路進入延時保護工作狀態,延時T(時間)到達后,內部執行繼電器由吸合狀態轉為釋放。
[page]
延時工作
保護電路根據過壓、欠壓設定值,對延時保護加入時間可調功能,以滿足不同的過壓、欠壓保護。具體可采用摩托羅拉公司的MC4541可編程定時集成電路來完成設定延時功能。通過它的1~3引腳為時鐘振蕩器外接電阻(1引腳RTC為定時電阻可調),電容(2引腳CTC定時電容)來實現延時。
具體延時時間T=1.2×2nRRTC×CCTC,由于定時集成電路12、13引腳為A、B(定時常數編程選擇端可外接電平高低進行編程)A=0、B=0,2n=8192 T="1".2×8192×1×106×3.3×10-9=32(s),相應設定時間由RRTC來調整。
外圍6引腳MR為手動復位控制端,低電平“0” 時,計時器工作延時,高電平“1”時,計時器自動復位導通。9引腳輸出高或低電平選擇端,10引腳MODE單定時或循環定時選擇端分別選擇“1”和“0” 時,則8引腳Q輸出端工作狀態為通電吸合(輸出高電平),當6引腳MR為低電平“0”時,計時器工作延時待延時結束后,8引腳由高電平跳變為低電平(外控繼電器由吸合變為釋放)。
保護電路技術參數
保護電路過壓參數設置為:412V、424V、436V、448V、460V、472V。可根據需求進行過壓值設定;
保護電路欠壓參數設置為:376V、364V、352V、340V、328V。可根據需求進行欠壓值設定;
保護電路延時時間30s可調。可根據過、欠壓值來設定相應時間。
保護電路
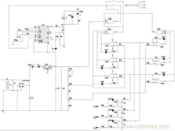
保護電路示于圖2

圖2:保護電路
在正常工作情況下,被檢測的相電壓L1、L2、L3分別經三組電壓檢測電路(三組相同),將檢測的電壓信號取出與之設定的欠壓、過壓值進行比較。如相電壓L1經R22、R23電阻分壓,在R23電阻上取出經分壓后的交流電壓信號,再經VD12、C6整流濾波后,由R21分別加入IC5A的反相輸入端和IC5B的同相輸入端。并通過IC5A的同相輸入端3(過壓設定值)與IC5B的反相輸入端6(欠壓設定值)進行過壓與欠壓比較判定。
[page]
如屬正常工作狀態時,則IC5A輸出端1與IC5B輸出端7均為高電平“1”,分別加入與門IC2A與IC2C的輸入端1和11。其余兩相電壓L2、L3工作狀態都與之相同。
當L1、L2、L3相電壓都屬正常工作電壓下工作,則與門IC2C的輸出端9、10均為高電平,經功能轉換開關K與IC2B與門處理后,高電平加入IC16端(MR自動復位端)使之呈自動復位導通狀態,保護線路中KA1吸合,保護觸點呈閉合狀態,用該閉合觸點來控制加入(串接)用電設備接觸器的線圈回路中,從而達到設備的正常供電。
如在檢測比較回路中出現過壓或欠壓時,則IC5A與IC5B的輸出端1和7會出現低電平“0”,分別會使與門 IC2A與IC2C輸出9和10呈低電平狀態,使保護線路進入保護工作。在電路中加入IC2B與門保證其無論是出現過壓、欠壓狀態下,輸出端6為低電平,經功能轉換開關K加入到IC16引腳的MR手動復位控制端,使其延時,待延時結束,IC1輸出端8引腳輸出低電平,保護電路中KA1線圈失電,保護觸點斷開,此時用于加入用電設備接觸器線圈釋放,外接電源斷開,從而保護其用電設備。
在欠壓(RP3調整),過壓(RP2調整)基準調節時,應結合RP1進行相應調節。通常在欠壓調整時,三相線電壓調至350±10V(此時相應的相電壓低于AC220V,從L1、L2、L3取樣的相電壓處于欠壓狀態),將RP3調至中間位置,然后再微動調整RP1,此時內部繼電器處于臨界工作狀態,功能開關應位于過壓狀態下。
在欠壓處理上,IC5B(其IC4B、IC3B都相同)同相輸入端加入電壓并聯正反饋(由R19、VD11),使其在欠壓檢測時,如工作正常因正反饋使5端電位升高,保證其工作狀態穩定;同樣在過壓處理上,IC5A(其IC4A、IC3A都相同)也在同相輸入端3加入電壓并聯正反饋(由R13、 VD8),使其在過壓檢測時,如檢測的過壓值低于其設定值時,保證其工作狀態的穩定。
在保護電路電源部分,因供電電源由相電壓AC220V經變壓器T1次級提供工作電壓。電源處理時,在加入IC6三端穩壓的輸入端串接反向穩壓管 V1,并在驅動V3前端串接反向穩壓管V2,可充分保證該相電壓如處于欠壓時,工作電源無法使其電路正常工作,從而保證KA1不能正常吸合,使保護電路處于欠壓保護狀態。
結語
該保護電路屬電壓取樣檢測型保護電路,因不受被保護電器及設備功率大小限制得到廣泛應用。在過壓、欠壓保護設定較方便,且保護時間準確可調。可根據用電設備的電網質量情況進行有效保護,確保用電設備以及電器產品不因電源質量不良而造成損壞。
相關閱讀:
移動電源電路保護的重要性
分析LED電路保護的最佳方案
電路保護:直流開關電源保護方案




