【導讀】在設計開關電源電路時出于電路保護的目的我們一般會在柵極與源極之間加一個電阻,這是因為它首先為場效應管提供偏置電壓,其次是起到瀉放電阻的作用來達到保護柵極G-源極S的目的。本文中我們著重解釋和分析第二個作用。
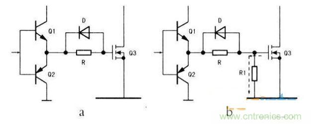
在這里我們列舉一個實際案例,根據下圖我們來進行詳細說明:MOS管在開關狀態工作時,Q1、Q2是輪流導通,MOS管柵極在反復充、放電狀態,如果在此時關閉電源,MOS管的柵極就有兩種狀態:一種是放電狀態,柵極等效電容沒有電荷存儲;另一個是充電狀態,柵極等效電容正好處于電荷充滿狀態,如下圖a所示。雖然電源切斷,此時Q1、Q2也都處于斷開狀態,電荷沒有釋放的回路,但MOS管柵極的電場仍然存在(能保持很長時間),建立導電溝道的條件并沒有消失。這樣在再次開機瞬間,由于激勵信號還沒有建立,而開機瞬間MOS管的漏極電源(V1)隨機提供,在導電溝道的作用下,MOS管立刻產生不受控的巨大漏極電流Id,引起MOS管燒壞。為了避免此現象產生,在MOS管的柵極對源極并接一只泄放電阻R1,如下圖b所示,關機后柵極存儲的電荷通過R1迅速釋放,此電阻的阻值不可太大,以保證電荷的迅速釋放,一般在五千歐至數十千歐左右。

電路分析示意圖
通過以上的實例分析我們可以了解到,場效應管的G-S極間的電阻值是很大的,這樣只要有少量的靜電就能使他的G-S極間的等效電容兩端產生很高的電壓,如果不及時把這些少量的靜電瀉放掉,他兩端的高壓就有可能使場效應管產生誤動作,甚至有可能擊穿其G-S極;這時柵極與源極之間加的電阻就能把上述的靜電瀉放掉,從而起到了保護場效應管的作用。灌流電路主要是針對MOS管在作為開關營運用時其容性的輸入特性,引起“開”、“關”動作滯后而設置的電路,當MOS管作為其他用途,例如線性放大等應用時,就沒有必要設置灌流電路。




