【導讀】隨著CAN總線在電動汽車、充電樁、電力電子、軌道交通等電磁環境比較惡劣的場合應用越來越多,信號干擾的問題已經嚴重影響到使用者對CAN總線的信任。究竟如何才能抗干擾?
在汽油車時代,CAN總線遇到的干擾少之又少,即使有一些繼電器和電磁閥的脈沖, 也不會有很大影響,稍微進行雙絞處理,完全可以實現零錯誤幀。
可是到了電動汽車年代,逆變器、電動機、充電機等大功率設備對CAN的影響足以中斷通訊,或者損壞CAN節點,如圖1圖2所示,就是被逆變器干擾的CAN波形。
面對干擾,各個汽車廠、零部件廠,測試診斷設備的廠商都紛紛研究抗干擾之“妙方”,以保證CAN穩定運行。本文就以廣州致遠電子有限公司15年的CAN現場故障排查經驗,介紹抗干擾6條“軍規”。
1.CAN接口增加隔離與保護
干擾不但影響信號,更嚴重的會導致板子死機或者燒毀,所以接口和電源的隔離是抗干擾的第一條“軍規”.隔離的主要目的是:避免地回流燒毀電路板和限制干擾的幅度,保護控制器不死機。如圖3所示,為未隔離時,兩個節點的地電位不一致,導致有回流電流,產生共模信號,CAN的抗共模干擾能力是-12~7V,超過這個差值則出現錯誤,如果共模差超過±36V,燒毀收發器或者電路板。

圖3.未隔離時的地回流
而增加CTM1051KAT隔離模塊后,如圖4和圖5所示。隔絕了地回流,限制了干擾幅度。

圖4.CTM1051KAT隔離模塊

圖5.隔離地回流
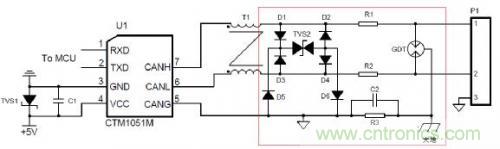
增加隔離后,是否萬事大吉了?肯定不是,隔離只是阻擋,如果干擾強度很高,比如達到2KV浪涌,隔離也會被破壞。所以要想達到更高的防護等級,必須增加防浪涌電路。如圖6所示,為致遠電子高速總線標準防浪涌保護電路。

圖6.信號保護電路
此保護電路可達4KV浪涌而不損壞,不過注意如果要通過2500VDC耐壓測試時,需要將GDT和R3拆除,防止高壓擊穿導致測試不通過。
2. CAN線提高雙絞程度
CAN總線為了提高抗干擾能力,采用CANH和CANL差分傳輸,達到效果就是遇到干擾后,可以“同上同下”,最后CANH-CANL的差分值保持不變。如圖7所示。

圖7.差分抗干擾示意圖
可是,這種抗干擾能力,必須的條件是,CANH和CANL要很緊密地靠在一起,否則受到的干擾強度就不一樣,就會導致差分信號受到干擾。所以CANH和CANL要緊密地絞在一起,通常雙絞線只有33絞/米,而在強干擾場合,雙絞程度要超過55絞/米才能達到較好的抗干擾效果。另外線纜的芯截面積要大于0.35~0.5 mm2 ,CAN_H對CAN_L的線間電容小于75 pF/m,如果采用屏蔽雙絞線,CAN_H (或CAN_L) 對屏蔽層的電容小于110 pF/m。可以更好地降低線纜阻抗,從而降低干擾時抖動電壓的幅度。

圖8.雙絞線
3. CAN線保證屏蔽效果與正確接地
帶屏蔽層的CAN線,可以良好地抵御電場的干擾,等于整個屏蔽層是一個等勢體,避免CAN導線受到干擾。如圖9所示,為一個標準的屏蔽雙絞線,CANH和CANL通過鋁箔和無氧銅絲屏蔽網包裹,如圖9所示。需要注意的是和與接插件的連接,在連接部分允許有短于25 mm 的電纜不用雙絞。

圖9.屏蔽雙絞線
較好的CAN屏蔽線帶有2層屏蔽層,稱為雙層屏蔽線,其中內層的CAN_GND是與CAN收發器的地連接,外層的Shield是與外殼大地相連。內層可以平衡信號的地電位,抑制共模干擾,減少錯誤幀,但強干擾時收發器損壞率會提高;外層可以泄放電荷到大地,如圖10所示。

圖10.雙層屏蔽線
使用屏蔽線后,在屏蔽層沒有良好接大地前,屏蔽線是不起作用的。所以我們要選擇一種接地方式。通常來說,屏蔽層單點接地可以避免地回流(不同位置的地電位不同而導致的產生電流)、多點接地可以加快高頻干擾信號的泄放。所以要根據實際情況選擇合適的接地方式。如圖11所示。

圖11.屏蔽層接地方法
在CAN的應用場合,由于距離一般都較遠,所以大部分采用屏蔽層單點接地的原則,在干線上找一點將屏蔽層用導線直接接地,該點應是所受干擾最小的點,同時該點位于網絡中心附近。
4. CAN線遠離干擾源
遠離干擾源是最簡單的抗干擾方法,如果CAN線與強電干擾源遠離0.5米,干擾就基本影響不到了。可是在實際布線中,經常遇到空間太小而不得不和強電混在一起,如圖12所示,為某新能源汽車的驅動系統,CAN線與驅動線混在一起,結果導致干擾很大。只要與CAN并行的驅動線,具備2A/秒的電流變化,就會耦合出強磁場而導致CAN線上出現干擾脈沖。所以CAN線必須要和電流會劇烈變化的線纜遠離。比如繼電器、電磁閥、逆變器、電機驅動線等。

圖12.布線亂問題
而解決這個問題,只能盡量保證強電與弱電分開捆扎,距離上盡量遠離。實在避不開,也要垂直交叉,也不能平行布線。
5. 增加磁環或者共模電感
使用抗干擾的磁環,目的就是削弱特定頻率的干擾的影響。如圖13所示,為增加磁環的效果。CAN差分線纜可以兩線一起加,或者單端單獨加。

圖13.增加磁環
磁環的效果可以大大削減特定頻率的干擾強度,在增加磁環前,需要用CANScope或者示波器FFT快速傅里葉變化功能,測試出最高干擾的頻率,然后向磁環廠家定制對應頻率的磁環。如圖14所示。為增加磁環前和增加磁環后的FFT的結果。可以看出干擾強度明顯減小。

圖14.增加磁環后的效果
需要注意的是增加磁環或者共模電感時,不可隨意添加,如果適應頻率不對,則會影響正常信號通訊。
6. CAN轉為光纖傳輸
抗干擾的終極手段就是把CAN轉化為光纖傳輸,光纖是一種無法被電磁干擾的傳輸介質。如果前5種抗干擾手段均無法解決干擾問題,可以把CAN轉化為光纖,實現“無懈可擊”。如圖15所示。為使用致遠電子的CANHub-AF1S1和CANHub-AF2S2組合的光纖主干網絡。

圖15.使用光纖轉換器實現光纖主干傳輸

