【導讀】CAN-bus起源于汽車總線,目前被廣泛應用于環境復雜的工業現場,因此必要的總線防護是主板及設備安全的重要保障。今天這里跟說一說CAN總線防雷防護設計。
從廣義上講防雷包含兩個概念,一是防雷擊二是防浪涌。雷擊是雷雨云中電荷瞬間釋放的現象,它能在周圍引起高能、瞬變的電場及磁場。浪涌包括浪涌電流、浪涌電壓,它是指電路中瞬間出現超過正常工作電壓、電流的現象,如圖1,雷擊又可分為直擊雷、非直擊雷,直擊雷是雷電直接作用到物體上,非直擊雷則是通過電磁場感生出電動勢、電流作用到物體上 ,兩者都能產生浪涌電壓、浪涌電流。

圖1.電壓浪涌
CAN總線物理層傳輸介質一般為銅制雙絞線,容易受到電磁場的干擾。CAN收發器屬于弱電元器件,對電壓電流的沖擊毫無抵抗力,因此復雜工業現場CAN總線的防雷設計十分必要。CAN總線防雷要從兩方面入手,一是CAN收發器處,即接口防護。二是物理介質處,即傳導防護。防護的思路主要是屏蔽干擾、提供泄放通道、隔離保護。
一、接口防護
CAN的接口防護一般是在收發器外加隔離保護器件,如光耦、磁耦等。為接口設計方便,我們可以使用一體化的收發器模塊。相比于單個的收發器芯片,模塊化的產品環境適應性更強。圖2是超小體積、隔離型CAN收發模塊,這種模塊可以掛載到CAN總線上,擁有高達2500VDC隔離耐壓值。

圖2.隔離型CAN收發模塊及應用電路
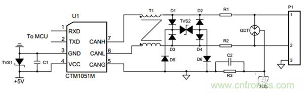
根據經驗,隔離型模塊在容易遭受大能量雷擊的場合工作時,仍需要加更高等級的防護電路,保護模塊不被損壞以及總線的可靠通信。常用的器件有GDT、TVS以及共模電感。如圖3所示,GDT被放置于接口最前端,提供第一級的雷擊浪涌防護。當雷擊、浪涌產生時,GDT瞬間達到低阻狀態,為瞬時大電流提供泄放通道,將CAN_H、CAN_L間電壓鉗制在二十幾伏范圍內。后端的TVS提供第二級浪涌防護,具體規格可根據需求選擇。

圖3.高防護CAN接口電路
上述推薦的接口電路雖然能夠提供有效的防護,但是需要引入較多的電子器件,這也就意味著接口電路將占用更多的PCB空間,若器件參數選擇不合適易造成EMC問題。有沒有更簡潔的防護設計呢?可選擇引入專業的浪涌抑制器,這種小體積模塊采用灌封材料,具備高防護等級要求。
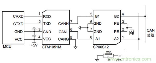
以SP00S12模塊為例,它可以滿足 IEC/EN61000-4-5 ±4KV 浪涌等級要求,可用于各種信號傳輸系統,抑制雷擊、浪涌、過壓等有害信號,對設備信號端口進行保護,非常適合于CAN、 RS-485 等通信領域的浪涌防護。以共模浪涌測試為例,在SP00S12輸入端加載4KV、 1.2/50μs 浪涌電壓(圖4),在輸出端測試壓降已被降低至17.1V(圖5)。

圖4.輸入端電壓波形4KV

圖5.輸出端波形電壓17.1V
圖6是一個 CAN節點電路設計,在收發器與CAN總線間添加 SP00S12,可使 CAN 信號端口輕松滿足 IEC61000-4-5 ±4KV 的浪涌等級要求。

圖6.浪涌抑制器的應用
除此之外,我們還有更好的選擇,如圖7采用一體化的高浪涌防護隔離 CAN 收發器可以完全代替隔離CAN收發器與浪涌抑制器的組合。此方案將最大限度簡化電路設計、節省PCB空間、降低產品成本。它能夠防護4KV浪涌、15KV靜電的同時還具備極佳的EMC特性。

圖7.極簡隔離方案
傳導防護
傳導防護主要是在傳輸線上進行的。CAN總線的數據傳輸介質一般為雙絞線,它主要的作用是抗低共模干擾,但是在面對浪涌、雷擊等情況時不僅沒有防護作用,反而易造成節點設備的損壞。因此,具備室外環境、長傳輸距離、多節點設備特點的總線一般都要加隔離防護功能的網橋、中繼器,如圖8。當用戶的CAN總線受到強干擾導致死機或者損壞,接上該系列產品后,可以隔離干擾保護設備正常運行。優秀的網橋及中繼器具有2500VDC、±8KV靜電等級的防護能力。

圖8.網橋防護方案
有沒有方法能徹底解決雷擊造成的隱患呢?答案是肯定的,只要數據的傳輸不依賴電信號就能完全隔離掉雷擊的危害。我們可以把CAN總線室外的部分或者說容易受到干擾的部分使用光信號傳輸,這種方法目前已經廣泛應用于高速鐵路、地鐵、煤礦、醫療、航空航天、樓宇安防、電梯控制等場合。

圖9.CAN轉光纖防護方案



