【導讀】人體由于自身的動作以及與其它物體的接觸、分離。摩擦或感應等因素,可以帶上幾千伏甚至上萬伏的靜電。在干燥的季節,人們在黑暗中托化纖衣服時,常常會聽到“啪啪”的聲音,同時還會看到火花,這就是人體的靜電放電現象。在工業生產中,人是主要的靜電干擾源之一。
1.1靜電和靜電放電
靜電式物體表面的靜止電荷。物體在接觸、摩擦、分離、感應、電解等過程中,發生電子或離子的轉移,整電荷和負電荷在局部范圍內失去平衡,就形成了靜電。帶有 靜電的物體稱為帶電體。當帶電體表面附近的靜電場梯度大到一定的程度,超過周圍介質的絕緣擊穿場強時,介質將會發生電離,從而導致帶電體的點和部分的電荷 部分或全部中和。這種現象我們稱之為靜電放電(ESD)。靜電放電可以出現在兩個物體之間,也可由物體表面靜電荷直接向空氣放電。
人體由于自身的動作以及與其它物體的接觸、分離。摩擦或感應等因素,可以帶上幾千伏甚至上萬伏的靜電。在干燥的季節,人們在黑暗中托化纖衣服時,常常會聽到“啪啪”的聲音,同時還會看到火花,這就是人體的靜電放電現象。在工業生產中,人是主要的靜電干擾源之一。
1.2 靜電放電的特點
1、靜電放電時高電位,強電場,瞬時大電流的過程
大多數情況下靜電放電過程往往會產生瞬時脈沖大電流,尤其是帶電導體或手持小金屬物體的帶電人體對接地體產生火花放電時,產生的瞬時電流的強度可達到幾十安培甚至上百安培。
2、靜電放電會產生強烈的電磁輻射形成電磁脈沖
在靜電放電過程中,會產生上升時間極快、持續時間極短的初始大電流脈沖,并產生強烈的電磁輻射,形成靜電放電電磁脈沖,它的電磁能量往往會引發起電子系統中敏感部件的損壞、翻轉,使某些裝置中的電火工品誤爆,造成事故。
1.3靜電放電的類型
靜電放電類型主要有下面三種:
1、電暈放電
電暈放電是在不均勻電場中以布局擊穿形式表現出來的一種氣體放電,其特點是放電能量較低,在尖端電極上呈現微弱的發光現象,并隨著極間電壓的升高,發光區域不斷增大,在電壓足夠高時,呈現連續的拂塵狀光體。
2、刷形放電
刷形放電是發生于導體和絕緣體之間的一種放電形式。其放電通道的一端具有放電集中點,另一端呈分枝狀散開,并伴有放電聲光。刷形放電的能量較大,聲、光比一般電暈放電顯著。
3、火花放電
火花放電是當兩個電極間的電壓足夠高,致使氣體全路徑被擊穿的一種放電形式。火花放電時,放電通道成為導電性的,電極上積蓄的電荷瞬時被中和,放電火花隨之消失。火花放電產生的放電電流及電磁脈沖具有較大的破壞力,它可對一些敏感的電子器件和設備造成危害。
靜電放電模型
靜 電放電時一個復雜多變的過程。靜電放電有許多不同的形式,能產生靜電放電的靜電源多種多樣。針對靜電放電的這種復雜性,為了有效地對靜電放電的危害及其效 應進行正確的評估,人們對實際中各種可能產生危害的靜電源進行了研究,根據各自的特點建立了相應的ESD模型。下面是幾種常見的模型。
2.1人體帶電模型
人 體是產生靜電危害的最主要的靜電源之一。人體帶電模型是為了模擬帶點人體與物體接觸時的靜電放電效應而建立的。人體帶電模型的電路網絡是一個電容和一個電 阻的串聯結構,稱為單RC電氣結構。其中,電容C和電阻R的取值對不同的行業有所不同。在電子器件的靜電敏感度測試中,美軍標MIL-STD-1686A 規定的參數值是:電容100pF,電阻1.5kΩ。對電火工品的靜電敏感度測試,美軍標MIL-STD-1512采用的參數值是:電容500pF,電阻 5kΩ。在汽車制造業中,人體模型通常采用的參數是電容330pF,電阻2kΩ.。
2.2 場增強模型(人體-金屬模型)
場增強 模型是用來模擬帶電人體通過手持的小金屬物件,如螺絲刀,鑰匙等,對其它物體產生放電時的情形,因此這一模型又被稱為人體-金屬模型。當帶電人體手持小金 屬物件時,由于金屬物件的尖端效應,使得其周圍的場強大大增強,再加上金屬物件的點擊效應,導致放電時等效電阻大大減小。因此在同等條件下,它產生的放電 電流峰值比單獨人體放電的要大,放電持續時間短。
場增強模型的電路結構為雙RLC電氣結構,其基本原理如下:

圖2-1雙RLC人體靜電放電模型
圖 中CB、RB、LB分別為人體電容、電阻及電感。CH、RH、LH分別為手、前臂及手持的小金屬物件的電容、等效電阻及電感。IEC801-2及 IEC61000-4-2標準在模擬人體靜電放電時采用了上述雙RLC電氣模型,其規定的模型參數為:CB=150pF ±10%,RB=330Ω±10%,LB=0.04~0.2µH,CH=3~10pF,RH=20~200Ω,LH=0.05~0.2µH。
2.3 帶電器件模型
電子器件本身在加工,處理、運輸等過程中可能因與工作面及包裝材料等接觸、摩擦而帶電。當帶電的電子器件接近或接觸導體或人體時,便會產生靜電放電。由于這一放電過程是器件本身帶電而引起的,因此在建立這種放電模型時,把它稱為帶電器件模型。
帶電器件模型的電路網絡是一個電容、一個電阻和一個電感的串聯結構,稱為單RLC電氣結構。其模型參數的取值要根據器件的具體情況來確定。
靜電放電的危害
3.1 ESD造成元器件失效
當帶電物體通過器件形成一個放電通路時或帶電器件本身有一個放電通路時,就會產生ESD而造成器件的失效,失效模式有突發性完全失效和潛在性緩慢失效。
(1)突發性完全失效:器件的芯片介質擊穿或燒毀、一個或多個電參數突然劣化,完全失去規定功能的失效。通常表現為開路、短路、以及電參數嚴重漂移。概率約10%
(2)潛在性緩慢失效:器件受到ESD造成輕微損傷,器件的性能劣化或參數指標下降而成為隱患,使該電路在以后的工作中,參數劣化逐漸加重,最終失效。概率約90%
3.2 ESD引起信息出錯,導致設備故障
ESD會在設備各處產生一個幅值為幾十伏的干擾脈沖,引起信息出錯,導致設備的故障:ESD也可產生頻帶幾百千赫~幾十兆赫、電平高達幾十毫伏的電磁脈沖干擾。當脈沖干擾耦合到敏感電路時,也會引起信息出錯,導致設備的故障。
3.3 高壓靜電吸附塵埃微粒
靜電電荷易吸附塵埃微粒,污染PCB板和半導體芯片,使其絕緣電阻下降,影響器件工作。嚴重時會引起器件故障(例如:CMOS電路發生閂鎖)。
ESD防護設計指南
ESD耦合到電子通訊設備有三種方式
直接傳導
電容耦合(電場耦合)
電感耦合(磁場耦合)
所以,電子通訊設備的ESD防護主要應針對這兒種耦合方式采取措施,可總結為下列24字方針::
靜電屏蔽,濾波去耦,絕緣隔離,接地泄放,良好搭接,瞬態抑制
4.1 設備的ESD防護設計要求
對于設備級的ESD防護設計,其重點應放在為靜電放電設置一條通暢的泄放通道。主要應做好以下幾點:
1、機箱金屬之間要實現良好搭接。搭接處要采用面接觸,避免點接觸,搭接的直流電阻不大于2.5mΩ,整體搭接結構中任意兩導電點間的直流電阻不大于25mΩ。相互搭接的金屬之間電化學位差不大于0.6V。
2、人員接觸的鍵盤,控制面板,手動控制器,鑰匙鎖等金屬部件,應直接通過機架接地。如果不能接地,則其與電路走線和工作地的絕緣距離至少應滿足以下要求:空氣間隙5mm,爬電距離6mm。
3、機架式設備一般采用復合式接地,工作地、電源地、保護地與機架在內部要良好隔離,在機架接地螺栓處匯接或在外部接地匯集線上匯接,形成良好的靜電泄放通路。
4、小型低速(頻率小于10MHz)設備可以采用工作地浮地(或工作地單點接金屬外殼),金屬外殼單點接大地,使靜電通過機殼泄放到地面而對內部電路無影響。
5、小型高速(頻率大于10MHz)設備的工作地應與金屬機殼實現多點接地,且金屬外殼單點接大地。
6、機架設備的接地點與外部接地樁之間要保證可靠的電氣連接。接地線材料應采用多股銅錢,對于安裝在移動通信基站的設備,接地線截面積≥35mm²,其他設備,接地線截面積≥16mm²。接地線兩端應接銅鼻子。
4.2 PCB的ESD防護設計要求
在ESD放電區域會產生較強的突變電磁場。強的瞬變電磁場一方面可能使器件立即失效,或者造成潛在性損傷使器件性能逐漸降級:另一方面可能對電路產生干擾使電路不能正常工作。因此在關鍵電路中一般應采用ESD保護電路,如利用TVS器件、濾波器等。
PCB的ESD防護設計主要應做好以下措施:
1、接口電路應盡量采用ESD敏感度為3級(靜電損傷閾值大于4000V)或不敏感的元器件:否則在輸入輸出接口電路上應采取保護措施。單板的保護電路應緊靠相應的連接器放置。
圖 4-1 單板的保護電路緊靠連接器放置
2、芯片的保護電路應緊靠相應的芯片放置,并低阻抗接地。見圖4-2。

圖 4-2 芯片的保護電路緊靠芯片放置
3、易受ESD干擾器件,如NMOS、CMOS器件等,應該盡量遠離易受ESD干擾的區域。
4、在PCB上設置靜電防護與屏蔽地
以 U6單板為例,在PCB的板邊設置圖4-3所示的靜電防護與屏蔽地,該地環的寬度的5毫米,在外層的銅皮上噴錫(不要蓋綠油),用過孔將各層的防護地環連 接,過孔與過孔之間的間距控制在約10—13mm(400—500mil)。單板與背板的防護地通過連接器材相連。靜電防護與屏蔽地與工作地之間,應盡量 保證間距大于3mm。
靜電防護與屏蔽地環可以只在PCB板的二個表面上鋪設,內層上不設置防護地環。

圖 4-3 PCB上設置靜電防護與屏蔽地
5、在滿足功能要求前提下,優先選用抗靜電能力強(即損傷閾值高)的元器件。
6、相互之間具有很多互聯線的元器件應盡可能彼此靠近。例如I/Q器件與I/Q連接器應盡量接近。
7、信號線應該與其回流地線緊挨一起,盡量在每根信號線的旁邊安排一條地線。盡量采用地平面或地線網絡,而不采用單根地線。對于多層板。信號線應該盡量靠近地平面走線。
8、易受靜電干擾的信號線如時鐘線、復位線等應盡可能短而寬:多層板中的時鐘線、復位線應在兩地平面之間走線。
9、對于多層板,應保證地平面的完整性,地平面內不應有大的開口。
10、后背板上的布線區(包括信號層、地層及電源層)與固定后背板的金屬螺釘邊緣的距離至少5mm以上。
11、印制板地層通過接插件到后背板時,最好至少有一排接地插針,保證靜電泄放地回路的通暢。
12、在印制板的電源輸入端應進行濾波,并用瞬態過電壓仰制器件(TVS)仰制瞬態過電壓。
13、對于雙面板,如果印制板上的電源線引線很長,則每隔8cm應在電源與地之間接入一個0.1uF的陶瓷電容器。
14、 所有高速邏輯器件要求安裝去耦電容。集成電路的電源與地之間應加0.01uF~0.1uF的陶瓷電容器進行去耦。去耦電容應并接在同一芯片的電源端與地之 間且要緊靠被保護的芯片。對于電源和地有多個引腳的大規模集成電路,應安裝多個去耦電容。對于動態RAM器件,去耦電容的容量取0.1UF為宜。
15、 對于大規模集體電路,尤其是EEPROM、FLASH MEMORY、EPLD、FPGA等類型的芯片,每個去耦電容(0.01uF~~0.1uF)旁應并接一個10uF的充放電鉭電容或陶瓷電容。對于小規模 集成電路,每10片去耦電容(0.01uF~0.1uF)旁也要加接一個10uF的充放電鉭電容或陶瓷電容。
16、CMOS器件所有不用的輸入端引線不允許懸空,應視不同電路接到地、電源(源極) Vss或電源(漏極)VDD上。CMOS器件的輸入端如果接的是高阻源,則應設計上拉或下拉電阻。
17、印刷板上的靜電敏感器件,必須通過保護電路(設置串聯電阻、分流器、箝位器件等保護裝置)才能與電連接器的端子相連。
18、安裝在印制板上具有金屬外殼的元器件(如復位按鈕、撥碼開關、晶振等),其金屬外殼必須可靠接地,優先接靜電保護地環,如單板沒有設置靜電保護地環,則接工作地。
19、對于輸入輸出接口處信號插針與金屬外殼的隔離距離達不到5mm的接插件,其金屬外殼附近應盡可能敷設大面積覆銅地線。接插件金屬部分應與機殼用最短的接地線相連。
20、在復位信號線靠近復位按鈕的輸入端與地之間,以及靠近復位芯片的輸入端與地之間分別并接0.1uF的陶瓷電容;復位線應盡可能短(小于3cm為宜)而寬(大于1mm為宜)。
21、操作面板上容易被人體接觸的部件,如小面板、按鈕、鍵盤、旋鈕等應采用絕緣物,也可以采用帶塑料薄膜的金屬開關面板。
22、對于與內部電路無聯系的金屬部件,如固定印刷板的金屬鎖簧和起拔拉手,外表涂覆絕緣層,增加其絕緣強度,并與印制板內部電路(包括信號和地線層)隔離至少5mm以上。
23、金屬機殼以及與印制板相連的金屬前面板應與印制板內部電路(包括信號和地線層)隔離至少5mm以上。
24、印制板靜電電流泄放通路的地應優先選擇機殼地,板上的金屬部件和金屬接插件能就近接機殼的應就近接機殼,無法就近接機殼的接靜電保護地環或工作地,工作地應是大面積的地層。
4.3 通訊端口的ESD防護設計要求
對通訊端口的ESD防護,一般采用TVS(瞬態電壓仰制器)保護器件。
1、TVS的主要參數及選取原則
選取TVS器件時,主要考慮以下三個參數:截止電壓VRM,峰值脈沖電流IPP和輸入電容C(又稱結電容)。
對于VRM,如果電路正常工作時的峰值電壓為V工作,則VRM可取值:VRM=(1.1~1.2)V工作,VRM最大不要超過工作電壓的1.4倍。
對于Ipp,應選擇該值大于電路中預期出現的電流值。
對于輸入電容C的選取,應保證不對電路的正常工作造成影響,不對傳送的波形產生畸變。如果TVS用于高速電路的ESD防護,其輸入電容C以不大于15pF為宜。
2、E1和Ethernet口的ESD防護器件推薦
下面的器件是專門用于ESD防護的器件,其內部帶有濾波電路,能夠防ESD接觸放電8kV,空氣放電15kV。該器件可以對E1和Ethernet口進行保護。
型號:STF701,SEMTECH公司。VRM=5V,輸入電容C=65pF。

如圖 4-4 STF701 內部電路及結構圖
3、串口的ESD防護器件推薦
如果串口芯片用MAX3342,則有四路收發,八根線,可采用PROTEK公司的SM16LC15C器件對串口進行保護。
以下圖示器件為高速雙向TVS陣列,8個信道,可以保護4個串口,防靜電大于40kV。
其參數為VRM=15V,C=15pF。
公司代碼為:12600040。

圖 4-5 SM16LC15C內部電路及結構圖
如果串口芯片用MAX3223,則有兩路收發,四根線,可采用PROTEK公司的SMDA15LCC器件對串口進行保護。
其參數為VRM=15v,C=15pF。
該器件公司目前沒有代碼(只有SMDA05LCC,代碼12600066)。
如果串口芯片用MAX3221,則為單路收發,兩根線,可采用PROTEK公司的SM8LC12器件對串口進行保護。
其參數為VRM=12V,C=25pF
公司代碼為:12600043。

圖 4-6 SM8LC12 內部電路及封裝圖
不過,對上述串口芯片MAX3223和MAX3221,它們都有對應的內部自帶ESD保護(15KV)的型號,分別為MAX3223E和MAX3221E,可以直接選用,當選用MAX3223E和MAX3221E時,不需要再加ESD保護器件。
4、10/100m以太網口的ESD防護器件推薦
以太網接口可以采用以下的ESD、浪涌保護電路:

圖 4-7 以太網接口ESD、浪涌保護電路
保護器件SLVU2.8-4由SEMTECH公司供應,其參數為VRM=2.8V,C=5pF.公司代碼為:12600063。
保護器件SMDA05LCC由PROTEK 公司供應,其參數為VRM=5V,C=15pF.公司代碼為:12600066。
典型案例
5.1 某寬帶園區接入產品防靜電設計
該產品的防靜電設計方案可以歸納如下:
(1)接地系統分工作地、-48V電源地、保護地和機殼地。
(2)機箱外殼采用整體折彎工藝,使插箱外形一次成型,采用整體框架式結構,機箱上下導軌采用整體金屬式導軌板,并在框架主題上設置有機殼接地螺釘,保證系統整體搭接良好。
(3)單板通過上下兩邊的鍍錫層在導軌槽中滑動,為保證導軌槽與單板鍍錫層良好接觸,在導軌槽兩邊加裝導軌簧片;為了保證前面板之間良好搭接,面板與面板之間通過連接彈性指簧來消除間隙。
(4) 系統外界端口包括有百兆以太網電接口(RJ45插座)、百兆以太網光接口、千兆以太網光接口、232串口(采用RJ45插座)和VDSL線路用戶端口。以 上端口采用VDSL線路用戶端口從背板出線,其余非用戶端口都從前端出線。為了更好地泄放靜電電流,系統采用如下方式的接地方式:
a、在個單板(背板除外)前端安裝各接口插座區域表層全部敷設機殼地,機殼地敷設寬度大于接口插座加上靜電保護器件的覆蓋寬度,講這些端口靜電保護器件的接地端與此機殼地相連。
b、工作地層前端向內縮,從距離機殼地至少5mm處向后方敷設(該系統單板工作地之間間隔8mm),端口隔離變壓器跨接在機殼地與工作地之間,接口信號線走在制板內層,通過隔離變壓器將在機殼地和工作地區域的信號連接起來。
c、為了使前端接口感應的靜電電流以最短路徑泄放,前端機殼地與單板上下兩邊的鍍錫層相連,即機殼地就近于機殼相連,上下鍍錫層與內部信號和工作地距離間隔至少5mm(該系統間隔為8mm)。
d、從后背板出線的VDSL用戶線端口保護地則是通過后背板插針單獨接到大地上。
這種接地方式可以歸納為:前端的機殼地應就近接機殼,且應避開內部電路,這樣可以提高整個系統的靜電抗擾性:后端保護地通過后背板插針引出,單獨接到大地上,系統最后 引向大地的地線為工作地、保護地和機殼地(由機殼接地螺釘引出)。
該產品通過采用以上措施,順利通過了接觸6KV和空氣8KV靜電放電抗擾性試驗。
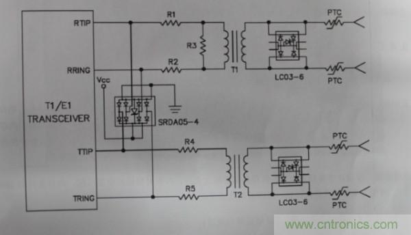
5.2 某小容量帶寬接入產品的防靜電設計
某小容量寬帶接入產品的E1接口的防靜電器件選用的是 SEMTECH公司的LC03-6(VRM=6V ,Ipp=50A,C=8pF,SO8封裝,代碼為12600032),試驗時可防6KV接觸靜電(靜電槍直接對E1接口的同軸外殼進行接觸放電,E1接 收和發送的同軸外殼都懸浮不接地)。
廠家推薦的器件接法如圖5-1所示。

圖 5-1 E1接口防靜電電路圖
試 驗發現,按照上圖的器件連接方法進行6KV接觸靜電放電時,隔離變壓器線路側引腳會放電打火,經分析發現這種接法只仰制了差模干擾,對共模干擾信號沒有泄 放通路,共模干擾信號的能力聚集在隔離變壓器的線路引腳處,累計到一定的程度擊穿引腳之間的空氣產生放電打火現象,后將LC03-6的中間懸空管腳接保護 地,為共模干擾提供了泄放通路,放電打火現象消失,線路正常工作;另外,此器件的輸入電容為線-線間12pF,線-地間25pF,對E1信號并無影響,實 際試驗時也是如此。
5.3 某產品與結構工藝有關的防靜電案例
某產品機箱規格為寬19英寸,高12U,前面板有10/100M以 太網電接口、E1接口、232串口等,結構設計時充分考慮到了機箱各個面和支架之間的良好搭接,前面板相互之間也是通過彈性指簧進行良好搭接的。但在對 10/100M以太網RJ45金屬電接口進行6KV靜電放電時,系統重新啟動。對系統接地進行了檢查,發現接地方式也正確,再進一步詳細檢查發現,安裝 RJ45金屬網口的方形開口四周噴上了厚厚的一層漆,使RJ45金屬網口與前面板搭接不好,導致靜電試驗通不過,將漆層去掉后,系統順利通過了接觸放電 6KV靜電試驗。
5.4 ESD試驗使某單板程序“跑飛”
問題描述:某單板在進行ESD試驗時,單板上的程序“跑飛”。
原 因簡析:圖5-2 為該板的TOP層絲印和走線圖,不難看出,內存條距離需施以6千伏靜電的鋁合金面板很近,不到30毫米,插入內存條時,采用高速CMOS工藝的SDRAM 芯片面向面板。內存條的數據或地址總線上出現干擾,不能排除以下兩個原因:一是SDRAM芯片在電磁脈沖的作用下出現錯誤的狀態變換,二是內存條上的印制 線在瞬變場中產生了干擾脈沖。
改進措施:原設計中布局不合理,內存條離面板邊太近。改板時將板的中部壓縮,內存條轉向180度使SDRAM芯片背向面板。更改后的效果見圖5-3。
試驗效果:故障不再出現,ESD試驗順利通過。

圖 5-2 原設計圖

圖 5-3 改進后的設計圖
5.5 試驗使單板復位
問題描述:某單板在進行ESD試驗時,單板上有時(概率若20%)出現復位現象。
原因簡析:圖5-4為該板的TOP層絲印和走線圖,原設計中的復位信號線(沿紅線箭頭處)長距離地走在表面,線寬8mil,而且離面板邊較近。進行ESD試驗時,收到快速瞬變場的影響,復位信號線產生了干擾脈沖。
改進措施:只將復位芯片下移,復位信號線用20㏕的線走內層。
試驗效果:故障不再出現,ESD試驗順利通過。

圖 5-4 復位線設計圖
推薦閱讀:




