【導讀】對電路進行分析的方法很多,如疊加定理、支路分析法、網孔分析法、結點分析法、戴維南和諾頓定理等。根據具體電路及相關條件靈活運用這些方法,對基本電路的分析有重要的意義。現就具體電路采用不同方法進行如下比較。
01支路電流法
支路電流法是以支路電流為待求量,利用基爾霍夫兩定律列出電路的方程式,從而解出支路電流的一種方法。
一支路電流分析步驟
1) 假定各支路電流的參考方向,對選定的回路標出回路繞行方向。若有n個節點,根據基爾霍夫電流定律列(n一1)個獨立的節點電流方程。
2) 若有m條支路,根據基爾霍夫電壓定律列(m-n+1)個的獨立回路電壓方程。為了計算方便,通常選網孔作為回路(網孔就是平面電路內不再存在其他支路的回路)。對于平面電路,獨立的基爾霍夫電壓方程數等于網孔數。
3) 解方程組,求出支路電流。

【例1】如上圖所示電路是汽車上的發電機(US1)、蓄電池(US2)和負載(R3)并聯的原理圖。已知US1=12V,US2=6V,R1=R2=1Ω,R3=5Ω,求各支路電流。
分析:支路數m=3;節點數n=2;網孔數=2。各支路電流的參考方向如圖,回路繞行方向順時針。電路三條支路,需要求解三個電流未知數,因此需要三個方程式。
解:根據KCL,列節點電流方程(列(n-1)個獨立方程):
a節點:I1+I2=I3
根據KVL,列回路電壓方程:
網孔1:I1R1-I2R2=Us1- Us2
網孔2:I2R2+I3R3=Us2
解得:I1=3.8A I2=-2.2A I3=1.6A
02疊加定理
在線性電路中,所有獨立電源共同作用產生的響應(電壓或電流),等于各個電源單獨作用所產生的響應的疊加。
在應用疊加定理時,應注意以下幾點:
1) 在考慮某一電源單獨作用時,要假設其它獨立電源為零值。電壓源用短路替代,電動勢為零;電流源開路,電流為零。但是電源有內阻的則都應保留在原處。其它元件的聯結方式不變。
2) 在考慮某一電源單獨作用時,其參考方向應選擇與原電路中對應響應的參考方向相同,在疊加時用響應的代數值代入。或以原電路中電壓和電流的參考方向為準,分電壓和分電流的參考方向與其一致時取正號,不一致時取負號。
3) 疊加定理只能用于計算線性電路的電壓和電流,而不能計算功率等與電壓或電流之間不是線性關系的參數。
4) 受控源不屬于獨立電源,必須全部保留在各自的支路中。
【例2】在如下電路中,用疊加定理求電路中的電流I3。
解:根據疊加定理可把圖a中的電路圖看成圖b和圖c中電路的疊加

(1)us1單獨作用

(2)us2單獨作用

(3)有疊加定理可得

03網孔分析法
網孔電流為待求變量,按KVL建立方程求解電路的方法稱為網孔分析法。其網孔電流方程也稱為網孔方程。
在應用網孔分析法應注意以下幾點:
1) 根據網孔自電阻、互電阻、等效電壓源的含義和計算方法,可以直接列寫網孔分析方程的最終形式,稱為視察法。
2) 對含受控電壓源的電路,先將受控源視為獨立電源,依照視察法的規律列寫網孔方程,然后將受控源的控制量用網孔電流表示出來。
【例3】如圖所示電路列寫網孔方程。

解:假定網孔電流分別在網孔1、2、3中流動,網孔電流的參考方向如圖所示。
解:以支路電流為變量,列寫各網孔的KVL方程為

為得到以網孔電流為未知變量的電路方程,用網孔電流表示各支路電流,即有:

將上述各式代入KVL方程,可得網孔電流方程

即為該電路的網孔方程,顯然,由此三個方程,可求解網孔電流。
04結點分析法
在有n個結點的電路中,任選一個結點為參考結點,其余各結點至參考結點的電壓稱為該結點的結點電位。以結點電位為待求變量,將各支路電流用結點電位表示,列寫除了參考結點以外其他所有結點的KCL方程,求得結點電位后再確定其他變量的電路分析方法,稱為結點分析法。
結點分析方程的列寫步驟:
1) 選取參考結點,假定其余n-1個獨立結點的結點電位;
2) 列寫n-1個獨立結點的KCL方程,方程中的各支路電流用結點電位表示;
3) 求解方程,得到結點電位;
4) 通過結點電位確定其他變量。
【例4】對如圖所示電路列寫結點方程。

解:設結點④為參考結點,并令獨立結點①、②、③電壓分別設為。分別列寫結點①、②、③的KCL方程如下。

為得到以結點電位為未知變量的電路方程,用結點電位表示各支路電流,即有:

將上述各式代入KCL方程,得到結點方程整理整理得:

05戴維寧定理與諾頓定理
戴維寧定理與諾頓定理常用來獲得一個復雜網絡的最簡單等效電路,特別適用于計算某一條支路的電壓或電流,或者分析某一個元件參數變動對該元件所在支路的電壓或電流的影響等情況。
應用的一般步驟:
1) 把代求支路以外的電路作為有源一端口網絡;
2) 考慮戴維寧等效電路時,計算該有源一端口網絡的開路電壓
3) 考慮諾頓等效電路時,計算該有源一端口網絡的短路電流isc;
4) 計算有源一端口網絡的入端電阻 Req;
5) 將戴維寧或諾頓等效電路代替原有源一端口網絡,然后求解電路。
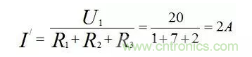
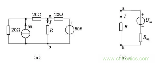
【例5】如圖所示電路的電流I=2A,試確定電阻R的值。

解:先確定電阻R以外電路的戴維寧等效電路,如圖(b)所示,再由電流I=2A確定阻2R。
選擇直接計算圖a的和。根據疊加定理,R斷開時

(電流源單獨作用U''ab+U''''ab電壓源單獨用)將獨立電源置零,不難得到等效電阻。

由圖(b)得

因此:

各種方法比較:
以上通過幾個例子說明了電路分析方法的合理選擇。有些問題,需要幾種方法綜合應用,這里不再舉例。總之,解題方法選擇得當,可以使解題過程簡捷,提高解題效率。每種電路的分析方法,一般都有其適用范圍。應用霍夫定律求解適用于求多支路的電流,但電路不能太復雜;電源法等效變換法適用于電源較多的電路;節點電位法適用于支路多、節點少的電路;網孔分析法使適用于支路多、節點多、但網孔少的電路;戴維南定理和迭加定理適用于求某一支路的電流或某段電路兩端電壓。上面例題的電路比較簡單,可選擇任意一種方法求解,對于一些比較復雜但有一定特點的電路,必須選擇合適的方法,才能使解題過程簡單,容易正確求解。
1) 疊加定理僅適用于線性電路,應用疊加定理分析含受控源電路時,通常不把受控源單獨作用于電路,而把受控源作為電阻元件一樣對待。當某一獨立電源單獨作用于電路時,受控源保留在電路中。疊加時應注意各響應分量的參考方向與原來的響應變量方向是否一致,方向一致則響應分量前應取“+”號,不一致則響應分量前應取“-”號。疊加定理不可濫用,通常用于電源單獨作用時電路容易求解的情況,也常用于電路結構或者參數不詳的情況。
2) 對于支路電流法,方程數等于支路數,利用計算機易于求解,但如果未知量較少,如三個時,無論代入消元法或行列式法,計算量都太大。如果減少未知量,則方程數減少。包括網孔電流法、回路電流法、節點電壓法多事減少未知量,減少方程而提出的。
3) 結點分析法的實質結點分析法的實質是以結點電位為待求變量,列寫n-1個獨立的KCL方程,對結點數少的電路尤為適用。一旦選定了參考結點,則其余結點相對于參考結點的電壓即為結點電位,未知量非常容易確認,因此在電路計算機輔助分析中多采用結點分析法。
4) 戴維寧與諾頓定理常用以簡化一個復雜網絡,特別適用于計算某一條支路的電壓或電流,或者分析某一個元件參數變動對所在支路的影響等情況。應用步驟:把待求支路以外的電路作為有源一端口網絡,計算該網絡的開路電壓、短路電流、輸入端電阻3個參數中的任意兩個。
5) 在線性電路中,所有獨立電源共同作用產生的響應(電壓或電流),等于各個電源單獨作用所產生的響應的疊加。



