【導讀】PLC只是一個微型控制器,從這個角度來看,它側重點在于處理簡單的數據和判斷狀態,而電動機故障難點在于測量,因為需要不同的傳感器才可以判斷一個電機是否相對合理,但是電機空間又非常小,并不適合安裝非常多的傳感器,所以通過PLC判斷電動機是否有問題,往往都是一些簡單類型的。
PLC只是一個微型控制器,從這個角度來看,它側重點在于處理簡單的數據和判斷狀態,而電動機故障難點在于測量,因為需要不同的傳感器才可以判斷一個電機是否相對合理,但是電機空間又非常小,并不適合安裝非常多的傳感器,所以通過PLC判斷電動機是否有問題,往往都是一些簡單類型的。比如過熱和過流,但是電機是否正常是需要有很多維度變量來描述的,比如下邊這張圖,想全部監控這些數據是異常困難的。

單純的工頻供電控制的電機,比如沒有按照調速系統的三相異步電機,在工作時候,一般只會在主回路里邊按裝了過熱保護裝置,實現所謂的過載保護。本質也就是利用一些雙金屬片之類的東西,串聯到電機工作主回路,當電機電流突然變大了,比如超過額定電流多少秒,雙金屬片會因為大電流發熱而變形,推動撥桿之類的裝置讓觸點狀態發生變化,這個觸點可以用來給繼電器或者PLC來切斷主回路,從而保護了電機長期過載狀態,避免燒掉電機。

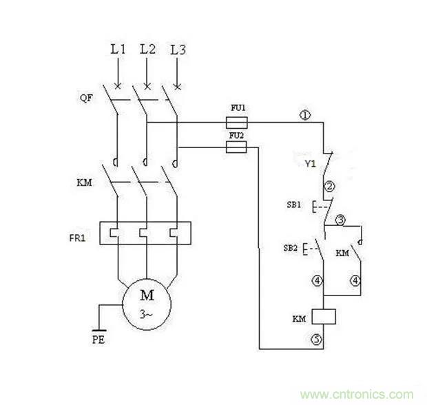
上邊的觸頭,可以是常開,也可以是常閉的,一般用FR表示,如果有多組這樣的電機,同時按照了過熱保護,分別會輸出FR1,FR2,FR3......這樣的觸點信號,可以直接接入PLC的輸入端子,也可以通過中間繼電器隔離后再輸入,比如下圖這樣。

和主回路聯鎖起來,是這樣一張圖,只畫了FR1這個回路,其他的完全一樣,可以參考。

實際上這個過程,只起到一個隔離和數據采集類似的作用,完全可以通過傳統的繼電器來完成的。當然,市場上還有所謂的電機綜合保護器,結構上和過熱保護是比較相似,但是添加了很多功能,比如可以實現過流過載,堵轉,過壓,欠壓,漏電,三相不平衡,缺相,甚至軸承磨損,定子出現偏心等類型故障檢測,把它的觸點信號類似接入到PLC里邊,就可以實現PLC對故障的控制和管理了。

電機保護器的作用是給電機全面的保護,在電機出現過載、過流、缺相、堵轉、短路、過壓、欠壓、漏電、三相不平衡、過熱、軸承磨損、定轉子偏心時,予以報警或保護的裝置。實際上,現在的電機很多都帶有驅動裝置了,比如變頻器廣泛應用于異步三相電機的調速里邊,而這些驅動器本身已經帶了各種電機狀態的檢測功能,能及時判斷和處理故障,PLC只需要讀取變頻器的故障情況,就可以間接控制電機的故障了。

因為PLC有掃描周期,使用PLC來檢測和控制電機故障時候,需要注意到這個滯后問題,特別是過載之類的報警,往往需要在短時間內做出反應,及時切斷電源的,如果因為掃描周期耽擱了,就會發生電機被燒掉的問危險,有些甚至可能會危及設備和人身,所以使用PLC來控制檢測電機狀態是可以的,應該作為一種二次性質的監控處理,并不能用來做實時故障控制。
免責聲明:本文為轉載文章,轉載此文目的在于傳遞更多信息,版權歸原作者所有。本文所用視頻、圖片、文字如涉及作品版權問題,請聯系小編進行處理。





