【導讀】首先查看電源IC手冊,了解最大峰值驅動電流,因為不同的IC芯片具有不同的驅動能力。其次,檢查MOSFET的寄生電容,如圖中的C1、C2和C3,如果容值較大,導通MOS管所需的能量也比較大。如果電源IC沒有足夠的峰值驅動電流,晶體管將以較慢的速度開啟。
今天分享四種常見的MOS管柵極驅動電路,都用過嗎?
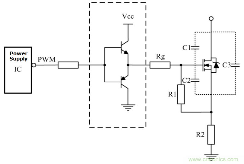
1、IC直接驅動型
這種電源IC的直接驅動是最常見、最簡單的驅動方式。

圖1 IC直接驅動MOS柵極使用這種方法,我們應該注意幾個參數及其影響。首先查看電源IC手冊,了解最大峰值驅動電流,因為不同的IC芯片具有不同的驅動能力。其次,檢查MOSFET的寄生電容,如圖中的C1、C2和C3,如果容值較大,導通MOS管所需的能量也比較大。如果電源IC沒有足夠的峰值驅動電流,晶體管將以較慢的速度開啟。如果驅動能力不足,上升沿可能會出現高頻振蕩,即使減小圖1中的Rg也無法解決問題!而IC驅動能力、MOSFET寄生電容、MOSFET開關速度等因素,也會影響驅動電阻的選擇,所以Rg不能無限減小。
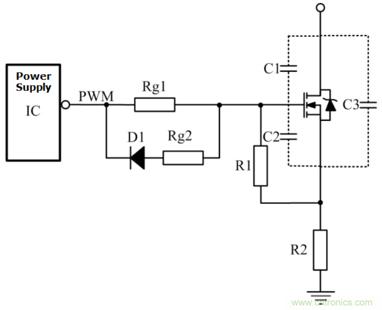
2、圖騰柱電路增強驅動
該驅動電路的作用是增加電流供應能力,快速完成柵極電容輸入的充電過程。這種拓撲增加了開通所需的時間,但減少了關斷時間,開關管能夠快速開通,避免上升沿的高頻振蕩。

圖2 圖騰柱電路增強驅動
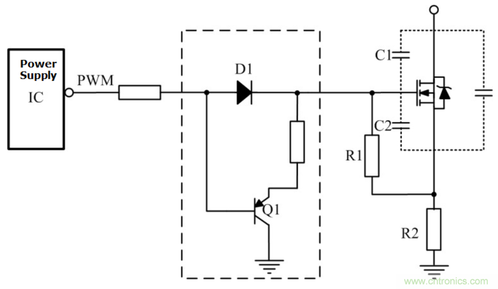
3、驅動電路加速MOS管的關斷
在關斷的瞬間,驅動電路可以提供盡可能低阻抗的通路,使MOSFET的柵極和源極之間的電容快速放電,保證開關管可以快速關斷。為了保證柵源極間電容C2的快速放電,在Rg1上并聯了一個Rg2和一個二極管D1。其中D1通常采用快恢復二極管,縮短了關斷時間并降低了關斷損耗;Rg2的作用是防止電源IC在關斷時因電流過大而燒壞。

圖3 加速MOS管關斷電路圖騰柱電路也可以加速關斷,當電源IC的驅動能力足夠時,圖2中的電路可以改進為下圖這種形式。

圖4 改善型加速MOS管關斷電路用三極管釋放GS電容的電是很常見的,如果Q1的發射極沒有電阻,PNP晶體管導通時柵極與源極之間的電容會短路,可以在最短的時間內實現放電,最大限度地減小關斷時的交叉損耗。圖4,因為三極管的存在,柵極和源極之間電容電流不會直接通過電源IC放電,提高了電路可靠性。
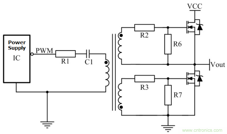
4、變壓器驅動電路加速MOS管的關斷
為了滿足驅動高邊MOS管的要求,如圖5所示,通常使用變壓器驅動器,有時也用于安全隔離。使用R1的目的是抑制PCB板上的寄生電感與C1形成LC振蕩,其設計目的是隔離直流,通過交流,同時防止磁芯飽和。

圖5 高邊MOSFET驅動電路
(來源:星球號,作者:liuxiaofei126 )
免責聲明:本文為轉載文章,轉載此文目的在于傳遞更多信息,版權歸原作者所有。本文所用視頻、圖片、文字如涉及作品版權問題,請電話或者郵箱聯系小編進行侵刪。






