【導讀】目前市面上很多PC電源所用低成本拓撲----雙管正激用的比較多,還有移相全橋、雙管反激等半橋或者是不對稱半橋拓撲,那么對于這種拓撲我們所用的驅動就會涉及到隔離驅動器,涉及到隔離驅動我們就不得不去關注隔離驅動變壓器如何去設計,驅動能力的大小取決于變壓器設計的是否合理,那么這篇文章就會舉例說明隔離驅動變壓器的設計方法。
目前市面上很多PC電源所用低成本拓撲----雙管正激用的比較多,還有移相全橋、雙管反激等半橋或者是不對稱半橋拓撲,那么對于這種拓撲我們所用的驅動就會涉及到隔離驅動器,涉及到隔離驅動我們就不得不去關注隔離驅動變壓器如何去設計,驅動能力的大小取決于變壓器設計的是否合理,那么這篇文章就會舉例說明隔離驅動變壓器的設計方法。
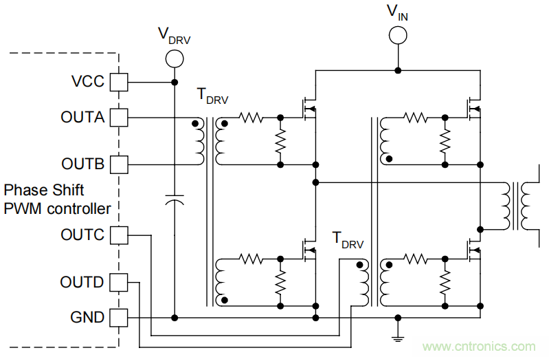
移相全橋變換器的柵極驅動變壓器將根據以下示意圖進行設計:

在此示例中,板上PWM 控制器具有四個大電流輸出驅動器。柵極驅動變壓器設計基于以下信息:
fCLOCK=400kHz 時鐘頻率
fDRV=200kHz 驅動變壓器工作頻率
DMAX=0.5 驅動變壓器最大占空比
VDRV=15V 驅動電壓
第一個任務是選擇磁芯尺寸。經驗豐富的設計師可以根據以前的經驗為首次嘗試選擇合適的磁芯。但即便如此,就像解決所有磁性問題一樣,柵極驅動變壓器設計可能需要幾次迭代。對于此應用,選擇了無氣隙的 Ferroxcube RM5/I 磁芯。材料的首選選擇是 3C94,因為它在可用選擇中具有最高的磁導率和在 200kHz處具有最低損耗。
Ae=24.8mm2,磁芯有效截面積
Ve=574mm3,磁芯體積
BSAT=0.35T,磁芯材質磁飽和密度@100℃
AL=2µH/turns2,等效電感
BPEAK=0.1T,穩態運行時的峰值磁通密度。請記住,在瞬態操作期間,由于占空比不均勻,變壓器的磁通可能會移動。 通常,3:1 的余量是可取的。
?B=0.2T,穩態運行中的峰峰值磁通密度
在這些情況下,從數據表中查找鐵芯損耗。
PV=200kW/m3,3C94 磁芯在BPEAK=0.1T 和 200kHz 的有效體積功耗。(為了清除計算可將單位轉換至 0.2mW/mm3 )
PCORE = PV ⋅Ve
那么我們可以計算出磁芯損耗為:

RM5/I 內核的功耗為 115mW,這是可以接受的。接下來,根據以下公式計算初級匝數:

接下來,選擇更高的整圈,NP=8 。由于該柵極驅動變壓器不需要電壓調節,因此兩個次級繞組也有 8 匝。為了最小化漏感和交流繞組電阻,每個繞組應僅占據單層。執行繞組設計需要以下數據:
Ww=4.7mm 線圈架數據表中的繞組寬度。
MLT=24.9mm 平均匝長也來自線圈架數據表。
考慮到終端N+1根線并排,對應的線徑為:

根據美國線規表,最接近的較小直徑線徑是#25,其特征數據為:
dW=0.0199mils,重型(雙重隔離)公稱直徑。(0.0199mils=0.506mm)
ρW=32.37?/1000ft.,歸一化導線電阻。(32.37?/1000ft =0.1062m?/mm)
直流繞線電阻:
Rw,dc= NP ⋅MLT⋅ Ww
接下來,按照以下步驟根據 Dowell 曲線檢查交流電阻:

查找 Q=2.5 的 Dowell 曲線圖,單層曲線給出 RAC/RDC=3 的比值,因此繞組的交流電阻為 RAC=3⋅21.2mΩ=63.6mΩ,這是可以接受的。
最后一步是計算磁化電感和電流值:

基于磁通電流的有效值可以得到線損:

該結果表明繞組損耗在柵極驅動變壓器中占比很小,幾乎可以忽略。高磁化電感和低繞組電阻是實現柵極驅動波形低壓降的最關鍵設計參數。另請注意,銅損完全基于交流電阻,因為在理想的穩態運行中,繞組中沒有直流電流。
最后,變壓器的繞組排列如下所示。初級靠近中心柱,然后是低側和高側繞組。所有繞組都在單層中。低側繞組用作天然屏蔽,防止信號接地和浮動電路之間的寄生電容電流。

后續文章,我會根據前面所討論的一系列驅動設計問題,放在一個具有參考地和浮動地的有源鉗位電路中逐步設計驅動電路例子,更好的展示驅動電路設計的過程和合理性。
(來源:星球號,作者:electronicLee)
免責聲明:本文為轉載文章,轉載此文目的在于傳遞更多信息,版權歸原作者所有。本文所用視頻、圖片、文字如涉及作品版權問題,請電話或者郵箱聯系小編進行侵刪。




