【導讀】隨著無線電力傳輸技術在消費類電子產品中的日益普及,工業和醫療行業也把關注焦點轉移至這項技術及其固有優勢。在如 WLAN 和藍牙(Bluetooth)等各項無線技術的推動下,通信接口日益向無線化發展,無線電力傳輸技術也成為一種相應的選擇。
1.簡介
隨著無線電力傳輸技術在消費類電子產品中的日益普及,工業和醫療行業也把關注焦點轉移至這項技術及其固有優勢。在如 WLAN 和藍牙(Bluetooth)等各項無線技術的推動下,通信接口日益向無線化發展,無線電力傳輸技術也成為一種相應的選擇。采用一些全新的方案,不僅能帶來明顯的技術優勢,還能為新的工業設計開辟更多可能性。這項技術提供了許多新的概念,特別是在需要對抗腐蝕性清潔劑、嚴重污染和高機械應力等惡劣環境的工業領域,例如 ATEX、醫藥、建筑機械等。比如,它可以替代昂貴且易損的集電環或觸點。另一個應用領域是必須滿足增強或雙重絕緣等特殊要求的變壓器。
本應用說明旨在闡述使用電路技術可以輕松實現數百瓦甚至更高規格的無線電力傳輸解決方案,同時無需使用軟件或控制器。

圖 1:Würth Elektronik 無線充電線圈。
2.ZVS 振蕩器(差模諧振轉換器)
本應用說明中使用經典的諧振轉換器作為時鐘電路。
該振蕩器提供諸多優勢:
●獨立振蕩,只需一個直流電源
●電流和電壓曲線非常接近正弦曲線
●無需有源器件和軟件
●可在 1 W - 200 W 范圍內靈活擴展
●MOSFET 開關接近過零點
●可擴展,以適配多種不同的電壓/電流
2.1.基本電路/原理圖:

圖 2:基本諧振轉換器電路。
圖2所示的基本電路為發送側,包括發送線圈 LP。接收側可以采用相同的基本電路(見第3.1章)。
2.2.功能
諧振轉換器通常以恒定的工作頻率工作,該工作頻率由 LC 并聯諧振電路的諧振頻率確定。一旦向電路施加直流電壓,它就會基于 MOSFET 器件容差開始振蕩。較短時間內,兩個 MOSFET 中的一個的導電性會略微超過另一個。兩個 MOSFET 柵極的正反饋和導電性較差的 MOSFET 的相反漏極會產生 180° 相移。因此,這兩個 MOSFET 總是異相驅動,永遠不能同時導通。兩個 MOSFET 交替將兩個并聯諧振電路兩端交替接地,使諧振電路周期性充電。

該電路拓撲結構的另一個特點是電壓始終接近過零點,這意味著 MOSFET 的開關損耗極低。該開關拓撲結構的缺點則在于,諧振電路中流通的無功電流會導致空閑狀態下的功耗相對較高。因此,理想情況下,諧振轉換器應該只在加負載下運行。同時應考慮諧振電路的頻率會隨接收側的耦合系數而變化。這是由于接收側的反射阻抗影響發射側的磁化電感而導致,因為兩側為并聯。隨著發送側磁化電感的下降,耦合系數降低,導致頻率上升。
圖 1 中的基本電路可以在 3.3 V 至 230 V 以上的電壓下運行,具體取決于所用器件。當輸入電壓高于 20 V 時,必須注意接觸保護,因為諧振電路中的電壓已經高于 SELV(額定安全低電壓)閾值 50 VAC/120 VDC π 倍或以上。

圖 3:發射線圈的電壓用藍色和紅色顯示。柵極電壓用黃色和綠色顯示。
(這些電壓曲線測量以電路接地端 GND 為參考;Vin = 20 V;Pout = 100 W;優化的柵極驅動,參見應用示例)
實際上,整個無線電力傳輸電路的效率可能超過 90%。這很難得,因為通過氣隙產生的耦合損耗已計入,并且輸入端可獲得穩定的直流電壓。氣隙在 4-10 mm 范圍內時,效率均可保持穩定。磁場中很大一部分未耦合至接收側的能量會返回“諧振槽路”。根據具體應用,最大距離可達18 mm,但耦合系數和 EMC 方面會有所犧牲。
發射側的電路同樣可用于接收側,而諧振轉換器用作同步整流器。此處需要考慮,接收側的諧振頻率應與發射側的諧振頻率非常接近。這樣還可以產生最大的“吸收電路效應”。C 和 L 并聯連接意味著次級側作為類似于負載的恒定電流源,這可以顯著提高電路的整體效率。此外,電容器還可補償無線電源線圈的雜散電感。如果電路構建得當(即......),則接收器可以將能量反饋給發射器(即負載處采用 Linear Technology 的“理想”二極管)。

圖 4:發射線圈電壓(不以電路 GND 為參考;Vin = 20 V/Pout = 100 W)。

圖 5:發送側輸入供電的反射紋波和噪聲 (Vin = 20 V/Pout = 100 W)?可使用低 ESR 聚合物和陶瓷電容器降低電壓紋波。
使用更小的 MOSFET 代替肖特基二極管驅動柵極,或使用雙極推挽電路(參見應用示例),可以提高效率。
對于超過 20 V 的電源電壓,可以使用電容分壓器來驅動 MOSFET 柵極或DC/DC轉換器(如高效緊湊的Würth Elektronik MagI³C 電源模塊)作為輔助電壓源(參見第 3 節中的應用示例)。
同樣,在接收側,也可以用經典的橋式整流器代替諧振轉換器。其優點包括更高的輸出電壓、更低的成本、更小的空間,但二極管損耗會導致效率降低。
負載頻率一般不應超過 150 kHz,否則并聯電容器、發射和接收線圈的損耗會過高。此外,150 kHz 以下的 EMC 限值也更高(例如 CISPR15 EN55015 9 kHz - 30 MHz)。105-140 kHz 是迄今為止進行的所有試驗權衡之下得到的最佳頻率范圍。根據目前已獲批準的感應電力傳輸頻帶(100-205 kHz),此頻率范圍可以確保您處于一個安全的頻率范圍之內。
如果最終產品將在多個國家/地區上市,則應事先確定各個國家/地區的法規以及允許的頻段,以縮短開發階段的時間。

圖 6:6.5 mm 氣隙測量電路 (Vin = 20 VDC;Pout = 100 W)。

圖 7:6.5 mm 氣隙測量電路 (Vin = 20 VDC;Pout = 100 W)。

圖 8:Pout = 100 W(Vin = 20 V) 的電路/線圈的溫升(上側 = 濾波器 + 電容器)。

圖 9:Pout = 100 W (Vin = 20 V) 的電路/線圈的溫升(下側 = MOSFET + 柵極驅動)。
2.2.1無線電力變壓器的 EMC 特性
通過各種無線電力應用傳輸電力時,遵守 EMC 限值要求并非易事。挑戰在于,發射和接收線圈就像一個耦合系數不佳且氣隙極大的變壓器,這會導致線圈附近產生很高的雜散電磁場。EMC 測量表明,從基波頻譜到 80 MHz 的頻率范圍內都可能發生寬頻干擾。如果將測量的干擾水平保持在限值以下(并留有一定的余量),則可認為干擾場強度也能保持在限值以下。總體而言,EN55022 B 類等限值可能成為開發中不容低估的挑戰。

圖 10:干擾電壓測量中的頻譜示例(9 kHz - 30 MHz/B 類限值)。


圖 11:針對共模和差模干擾源的抑制措施。
由于 E 場(雜散場)是導致 WPT 應用中 EMC 問題的主要原因,因此必須采取適當的措施:
A.為減少渦流,應在 WPT 線圈(特別是發射線圈)下設置朝向電路的帶槽金屬平面(例如覆銅 PCB)。該電路必須通過一個電容(例如1-100 nF/2000 V WE-CSMH)接地或連接至電路外殼。這樣可以將大部分 E 場短路到電源,不再通過地面傳播。
B.使用足夠的金屬屏蔽和/或吸收材料 (WE-FAS/WE-FSFS) 屏蔽發射和接收線圈及其驅動。
C.如果漏電流允許,可使用 Y 電容(最大 2x4.7 nF)降低寬頻干擾電平 (WE-CSSA)。
D.為濾除低頻范圍 (50 kHz – 5 MHz) 內的共模干擾源,根據具體工作電壓和電流,可使用以下電流補償(共模)扼流圈系列:WE-CMB/WE-CMBNC/WE-UCF/WE-SL/WE-FC
E.為濾除高頻范圍 (5 MHz – 100 MHz) 內的共模干擾源,根據具體工作電壓和電流,可使用以下電流補償扼流圈系列:WE-CMB NiZn/WE-CMBNC/WE-SL5HC/WE-SCC
F.根據具體工作電壓,以下可抑制差模干擾的電容器系列可連接在 +/- L/N 之間:WE-FTXX/WE-CSGP
G.由于整個電路中的交流電流非常高,根據具體應用,緊湊的低電感 PCB 布局對于成功克服 EMC 問題至關重要。功率級器件和諧振電路應緊鄰布置,并使用大片覆銅區域(多邊形)與低電感連接。

圖 12:由于最大可允許漏電流的限制而無法使用 Y 電容接地的設置示例(例如醫療設備、手持設備、ATEX)。
在開發期間,通常建議與有資質的 EMC 實驗室展開合作,以便測量整個設計過程中的性能。在大規模投產后進行更改常常會產生更高的費用和額外的工作量(電磁場強度限值)。
2.2.2 發射和接收線圈
為了找到合適的無線電力傳輸線圈,首先應考慮以下幾個方面:
§線圈中的預期最大電流(無功額定電流)是多少?
§最大可允許的封裝尺寸(長/寬/高)是多少?
為避免線圈出現不必要的飽和或過熱,應始終預留 30% 的安全緩沖。如果可以裝入多個線圈,應使用電感最高的線圈,這樣諧振電路的電容器就可以更小。此外,這一措施還可以降低諧振電路中產生的無功電流。降低諧振電路中的電流可以減少自熱,改善 EMC 特性。

發射和接收線圈的封裝尺寸相同時可實現最佳耦合,因此建議尺寸比為 1:1。WE-WPCC 系列器件(例如760 308 102 142(53 mm x 53 mm)、760 308 100 143(ø 50 mm)、760 308 100 110(ø 50 mm))專為高功率應用開發,可用作發射和接收線圈。它們的特點是Rdc值非常低,Q 值非常高,同時飽和電流 IR非常高。
2.2.3.并聯電容器
由于并聯諧振電路中流通的電流較高,因此并非所有電容器技術都適合此項目。根據具體應用,只有三種不同的類型可供選擇:MKP(例如WE-FTXX)(WE-FTBP)、NP0 (例如WE-CSGP)或 FKP。這些電容器類型的損耗系數較低,因此能夠維持高交流電流而不會過熱。然而,根據諧振轉換器的具體功率,通過并聯多個電容器來分散電流和自熱也非常普遍。應當注意避免讓任何一個電容器的溫度超過 85°C。由于X7R、X5R、MKS 等電容器的損耗系數較高(尤其是介電損耗),因此他們不適合用于諧振轉換器。考慮到封裝尺寸、成本和需最大限度降低諧振電路中的無功電流,應選擇盡可能低的電容。此處的限制因素是轉換器的最大工作頻率以及發射和接收線圈的電感水平。電壓穩定性應至少為 π Vin,此外再預留20% 的安全儲備。還必須考慮到,頻率低于 5 kHz 時,MKP 電容器的最大允許VACrms電壓會顯著下降。
電容器損耗系數 (%):DF = 2•π•f•ESRcap•C•100
2.2.4.濾波電感器
兩個濾波電感器將“AC”諧振電路與電源適度分離。同時,它們還可用作恒定電流源和濾波元件。容許的負載電流必須適應電路的最大額定電流。務必使用帶有氣隙和高品質因子的經典功率電感器(例如WE-HCI;WE-PD;WE-LHMI)。其額定電感至少應比 WPT 線圈的電感高 5 倍,以便將足夠的能量重新加載到諧振電路中。如果輸入/輸出紋波仍然太高,可以增加濾波電感器或電容器的值。也可以減小濾波器器件的 ESR,同樣可減小紋波。扁平線功率電感器 (WE-HCF/WE-HCI) 有利于在高電流下保持盡可能低的交流和直流損耗。由于這些電感器必須不斷將高交流電流重新加載到諧振電路,因此磁芯材料的磁滯和渦流損耗會產生相當高的自熱。所需的電感水平與濾波電容器的電容直接相關。更多信息請參見第2.2.7節。

2.2.5MOSFET
選擇合適的 N-MOSFET 主要取決于電源電壓的大小。例如,如果只有 5 V,則必須使用邏輯電平類型,以便可靠地驅動柵極。由于大多數功率 MOSFET 的最大柵極電壓為 +/- 20 V,因此在電源電壓高于 20 VDC時,必須采取相應措施對柵極加以保護。可以使用接地的穩壓二極管或電容分壓器,將柵極電壓保持在最佳范圍內。此外還必須注意,柵極電壓不能太低,否則諧振轉換器中的 MOSFET 會滯留在線性放大器工作模式,導致電路進入閂鎖狀態。這通常會導致兩個 MOSFET 中的一個過熱。此外,必須注意防止高于電源電壓 π 倍的電壓過沖。例如,在 20 Vcc下,MOSFET 必須承受至少 63 V 的漏源電壓,此時應使用 100 V_DS 類型。電路的效率在很大程度上取決于 MOSFET 的“導通”電阻 (Rdson) 和柵極電荷(總柵極電荷)的大小。此處必須做出權衡,因為 MOSFET 的Rdson較低時,總柵極電荷通常較高。

2.2.6.二極管和上拉電阻器
由于必須相對快速地為 MOSFET 充電,因此柵極的充放電會快速產生較大電流。這些充電/放電電流必須通過上拉電阻和二極管,由此產生的損耗不可小視。因此,必須適當選擇這些器件的最大允許功率損耗 (Pv) 和載流能力。同樣,二極管必須具有與 MOSFET 相同的電壓穩定性。此外,也可以使用 MOSFET 的體二極管替代經典二極管或肖特基。根據具體型號,它們可在高溫下表現出優勢特性,這些特性通常會在數據表中注明。反向恢復損耗也不應被低估,必須加以考慮。
上拉電阻器/二極管功率損耗:Pv = (U diode•I) + (I2•R pull-up)
2.2.7輸入和輸出電容器
這些電容器與功率電感器結合使用,主要是作為濾波器。當諧振頻率低于 200 kHz 時,電容必須相應地增加。試驗表明,根據具體應用和使用的功率電感器,電容數值預計在 10 到 1000 μF之間。LC 濾波器產生的 -6 dB 切斷頻率應為諧振電路頻率的大約 1/10。理論上,衰減預計為 40 dB/dec。考慮到寄生元件效應,實際的衰減值應為 30 dB/dec。根據具體使用的濾波器線圈,可以在直流電流上疊加一個較高的交流電流分量。如果電流過高,可使用鋁聚合物電容器代替鋁電解電容器以承受大交流電流。低 ESR 的聚合物和陶瓷電容器還可提供顯著減小反射電壓紋波振幅的可能性。更小的電壓紋波意味著 EMC 干擾測量中的干擾電平也更低。使用鋁電解質電容器和聚合物或陶瓷電容器(例如WCAP-PTHR/WCAP-PSLC)并聯可以達到最佳效果。

2.3.諧振轉換器的缺點
在實踐中,此電路拓撲結構必須考慮兩個因素,以防止 MOSFET 出現閂鎖情況。
1.切換時發射器的供電
如果在電路的瞬態振蕩期間,電源不能提供足夠的電流,兩個 MOSFET 中的一個可能會滯留在線性放大模式,輸入電壓將永久短路接地。這會導致 MOSFET 過熱,造成永久性損壞。此外還應注意,輸入濾波電容器的規格不宜過大,否則可能會由于電源的充電電容更大,進一步加劇這種“閂鎖”效應。
實踐中,將電容器和諧振電路在電路其余部分之前連接到工作電壓,可以避免這種效應。然后可以通過光耦合器或晶體管切換 MOSFET 的柵極。也可以通過切換延后于電源的獨立電壓源(例如Würth Elektronik MagI³C 電源模塊)來驅動柵極。
2.接收側到發射側的反射阻抗
考慮到接收側較大的負載躍升或兩個線圈耦合系數的突然變化,反射阻抗可能會導致發射側的磁化電感部分發生短路。反之,這又可能導致振蕩中斷并使電路進入“閂鎖”狀態。

為了應對這種情況,可以利用另一個并聯電容器(頻率比發射器高 10-20%),稍微降低接收器諧振電路的頻率。或者,可以將另一個電感(功率電感器)并聯連接到與傳輸路徑沒有磁耦合的發射線圈。該并聯電感必須等于或小于發射線圈的磁化電感。該并聯電感在 ZVS 過程中存儲能量,有助于在不利的負載瞬變情況下保持振蕩。

在首批原型階段,必須在可能的情況下測試所有可能的負載情況,以確保設計可靠,功能適當。
2.4.WPT 線圈環境優化
如果 WPT 線圈固定在金屬上,可能由于雜散磁場引起的感應渦流而導致感應損耗。此外,附近的金屬(例如 PCB 上的銅)可能會被動加熱。電路也可能會受到強雜散磁場的影響。隨著 WPT 線圈間隔的增加,這種效應會增強。
適當的應對措施包括增加線圈與 PCB/金屬的距離,以及使用高滲透性鐵氧體箔,例如WE-FSFS。這樣,磁通量會得到明確控制,不會轉化成熱量。同時也可以增加耦合系數,從而提高效率。這種自粘柔性鐵氧體箔有多種尺寸和厚度可供選擇。

圖 13:WE-FSFS 型號374 006(µ'' 是損耗的實部,µ'''' 是損耗的虛部)。
3.應用示例
3.1.簡單的接收電路

圖 14:采用肖特基二極管和抗紋波電流鋁聚合物 SMD 電容器的橋式整流電路。該接收電路的輸出功率約為 20 W,具體取決于冷卻表面。
3.2.標準諧振轉換器(發射器和接收器最高約 10 W)

圖 15:用于最高 10 W 的簡單發射器/接收器諧振器電路示例。應對所有發射器實施輸入電流監測。這可以防止功率 FET 熱過載。如果振蕩在運行期間未能正常啟動或發生故障,其中一個功率 FET 將由 GND 永久控制,從而導致高溫損壞。邏輯電平 FET 只能在電源電壓低于 9 V 時使用。
請注意:電壓高于 50 VAC/120 VDC 時,請采取預防措施和接觸防護!
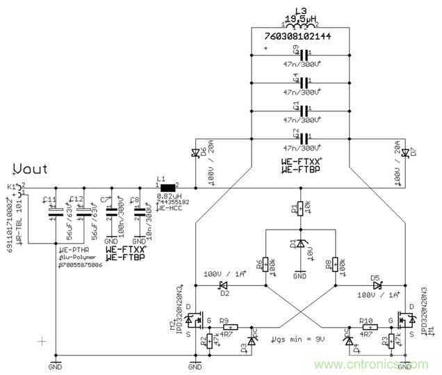
3.3.修改后的接收電路示例(最高約 50 W)

圖 16:用功率肖特基二極管代替濾波電感器,可通過接收器的雙重整流提高輸出電壓;需要輸出濾波器 (C7/C8/L1);為了給柵極供電,借助于 LDO/降壓轉換器,可以從 L1 處的高直流電壓產生一個低電壓,這樣就可以從設計中移除分壓器和10個二極管。此電路只能在接收側使用,最高可達 50 W。如果不使用邏輯電平 FET,則柵極電源電壓至少需要 9 V 才能實現安全可靠的傳輸。
請注意:電壓高于 50 VAC/120 VDC 時,請采取預防措施和接觸防護!
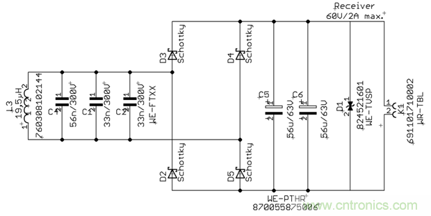
3.4.推挽式柵極控制示例(發射器和接收器最高約 100 W)

圖 17:通過柵極的推挽切換而不是半正弦來控制功率 MOSFET 柵極;該電路可用于發射側和接收側。借助 LDO 或 WE 電源模塊 (171 012 401),可以從工作電壓產生 8-10 V 輔助電壓。輸入端務必設置過流切斷。如果振蕩在運行期間未能正常啟動或發生故障,其中一個功率 FET 將永久連接到 GND,從而發生高溫損壞。邏輯電平 FET 只能在電源電壓低于 9 V 時使用。
請注意:電壓高于 50 VAC/120 VDC 時,請采取預防措施和接觸防護!
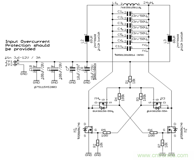
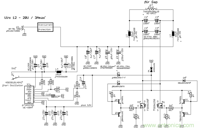
3.5.推挽式柵極控制示例(發射器和接收器最高約 60 W)

圖 18:通過柵極的推挽切換而不是半正弦來控制功率 MOSFET 柵極;該電路可用于發射側和接收側。借助 LDO 或 WE 電源模塊 (171 012 401),可以從工作電壓產生 8-10 V 輔助電壓。輸入端務必設置過流切斷。如果振蕩在運行期間未能正常啟動或發生故障,其中一個功率 FET 將永久連接到 GND,從而發生高溫損壞。邏輯電平 FET 只能在電源電壓低于 9 V 時使用。
請注意:電壓高于 50 VAC/120 VDC 時,請采取預防措施和接觸防護!
3.6.推挽式柵極控制示例(發射器和接收器最高約 30 W)

圖 19:通過柵極的推挽切換而不是半正弦來控制功率 MOSFET 柵極;該電路可用于發射側和接收側。借助 LDO 或 WE 電源模塊 (171 012 401),可以從工作電壓產生 8-10 V 輔助電壓。輸入端務必設置過流切斷。如果振蕩在運行期間未能正常啟動或發生故障,其中一個功率 FET 將永久連接到 GND,從而發生高溫損壞。邏輯電平 FET 只能在電源電壓低于 9 V 時使用。
請注意:電壓高于 50 VAC/120 VDC 時,請采取預防措施和接觸防護!
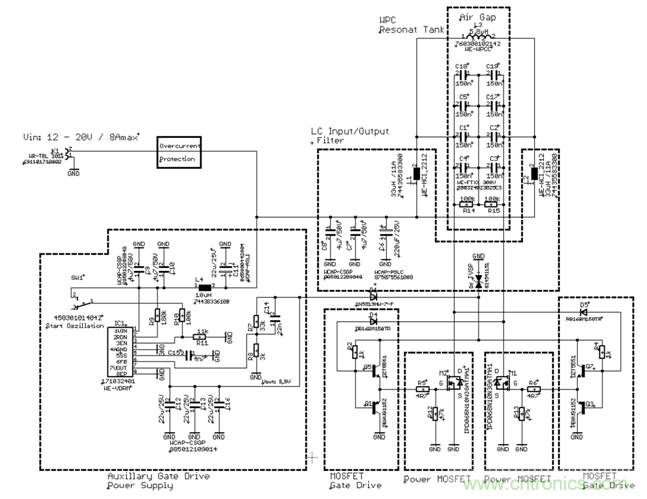
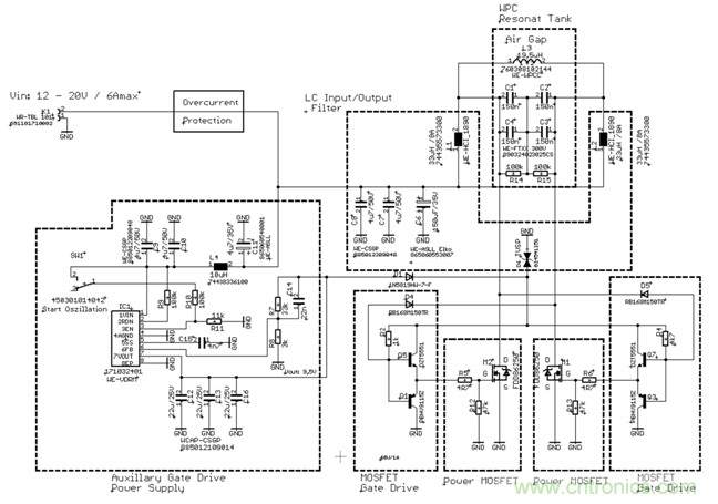
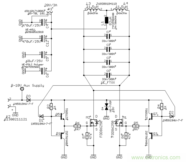
3.7.雙諧振轉換器應用(最高 20 V/8 A)

圖 20:發射器和接收器約 100 W。
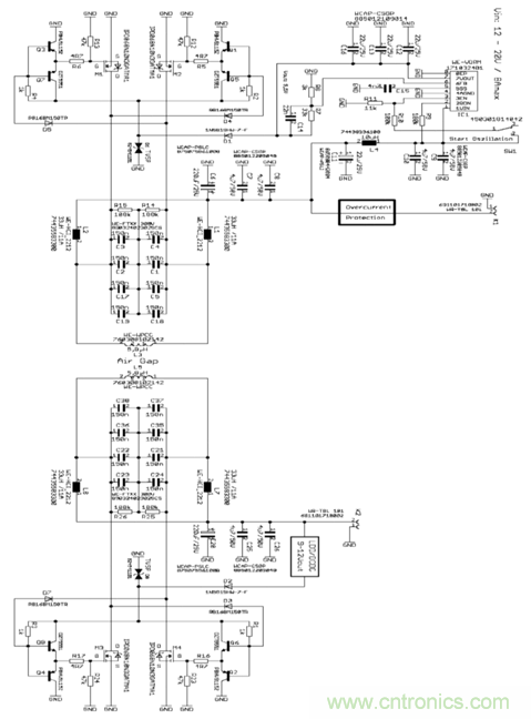
3.8.帶中心抽頭的諧振轉換器應用(最高 30 W)

圖 21:中心抽頭線圈的諧振轉換器。該電路的優點是只需要一個濾波線圈。由于采用中心抽頭,頻率增加兩倍,電壓振幅減小。這樣可以使用更小的濾波線圈。此外,具有兩個重疊線圈的陣列也比較容易控制。使用 LDO 或 WE Magic 電源模塊 (171 012 401),可以從工作電壓產生 8-10 V 輔助電壓。
請注意:電壓高于 50 VAC/120 VDC 時,請采取預防措施和接觸防護!

圖 22:線圈陣列 (760 308 104 119) 發送器/接收器 3.9 應用示例的結構。
4.總結
該諧振轉換器非常靈活,可滿足許多不同應用的要求,目前是最有效的數百瓦級無線能量傳輸方式。如果應用需求在安全性、通/斷、充電狀態監測等方面有所增加,硬件開發人員可將該電路作為基礎電路進行擴展。也可使用具有有源調節的經典 H 橋電路替代諧振轉換器拓撲結構作為基礎電路。在任何情況下,都應在開發的早期階段對首批原型進行 EMC 測量。
要實現高效率、最緊湊的封裝和良好的 EMC 特性,主要取決于時鐘電路以及發射和接收線圈。除了產品種類繁多之外,Würth Elektronik 提供的線圈還具有同類封裝中的最高品質因子,這可以獲得更高的電感值,從而縮小電容器的封裝尺寸。
此外,高功率產品只使用 HF 絞合線(交流損耗低)和高質量鐵氧體材料(磁導率高)。這意味著最終產品可以達到最高效率和最佳的 EMC 性能。
相關Elektor雜志文章鏈接
5.Digikey應用示例物料清單

重要說明
基于我們目前的知識和經驗獲得的應用信息僅可作為一般性信息,并非伍爾特電子集團有限公司對產品是否適合客戶應用的擔保。應用信息可能會隨時更改,恕不另行通知。未經書面同意,不得復制或拷貝本文檔及其部分內容。伍爾特電子集團有限公司及其合作伙伴和子公司(在下文中一起稱為“WE”)不負責提供任何類型的與應用相關的支持。客戶可以在其自己的應用和設計中獲得 WE 的支持和產品建議。WE 產品在特定設計中的適用性和使用始終由客戶全權負責。基于此,客戶應負責啟動必要的調查,并且確定具有產品規格書所述之特定產品特性的設備是否已獲得批準并且適合用于相應的客戶應用。
技術數據會在產品的最新數據表中規定。因此,客戶必須使用數據表,并注意確保數據表為最新版本。客戶必須嚴格遵守產品特定的注釋和警告。WE 保留對其產品進行校正、修改、新增、改進和其他修訂的權利。
此處不授予任何類型的許可和其他權利,尤其是專利、實用新型、標志、版權或其他商業保護權利,亦不暗示有任何義務授予此類權利。WE 發布的有關第三方產品或服務的信息不構成 WE 授予使用此類產品或服務的許可,也不構成 WE 為其提供擔保或背書。
WE 產品不允許用于注重安全的應用,以及由于產品故障會導致嚴重人身傷害或死亡的應用。此外,WE 產品不能用于軍事技術、航空航天、核控制、海軍、運輸(機動車輛、火車或船舶控制)、交通控制裝置、民防、醫療技術、公共信息網絡等領域的設計或應用。客戶必須在規劃階段(設計階段)開始前將此類使用的意圖告知Würth Elektronik。對于具有嚴格安全要求且電子元器件的故障或失效可能會危及人員生命及肢體安全的客戶應用,客戶必須確保其具有與其應用的安全和法律后果相關的必要專業知識。客戶確認并同意,盡管 WE 提供了所有與應用相關的信息和支持,客戶仍須對與其產品以及在此類注重安全的應用中使用 WE 產品有關的所有法律、法定和安全要求全權負責。客戶應負責賠償在此類注重安全的應用中所導致的所有索賠并免除Würth Elektronik 的任何損害。
免責聲明:本文為轉載文章,轉載此文目的在于傳遞更多信息,版權歸原作者所有。本文所用視頻、圖片、文字如涉及作品版權問題,請電話或者郵箱聯系小編進行侵刪。




