【導讀】本文介紹在電路的輸入電壓過高或過低而無法為負載供電時,配備PassThru?(直通)模式的特殊轉換器如何發揮作用。本文將通過示例,說明如何使用配備直通模式的降壓-升壓穩壓器和升壓穩壓器來提高供電效率和改善EMC性能。
在某些應用中,現有的電源電壓可以直接驅動負載,無需使用額外的電壓轉換器。有時候,當操作狀態出現異常時,電源電壓可能過高或過低,無法直接為負載供電。在這些情況下,可以使用針對這種操作優化的特殊電壓轉換器。例如,工業24 V系統就是這樣一種應用。我們假設負載需要24 V電源電壓,但是可用的24 V輸入電壓有時候會升高到38 V,或者降低到15 V,超出負載可允許的電源電壓范圍。對于這些應用,可以使用典型的升壓穩壓器或降壓-升壓穩壓器。
圖1所示為這類應用的系統示意圖。便攜式無線電設備由電池提供電壓。負載可以接受介于10 V和14 V之間的電壓,但電壓源的輸出范圍可能為8 V至16 V。那么內插的降壓-升壓穩壓器可以在輸出端將電壓轉換為12 V。如果電源電壓略低于12 V,轉換器采用升壓模式工作,如果電源電壓高于12 V,則采用降壓模式工作。

圖1. 系統中負載的可允許電壓范圍小于電源的可能電壓范圍。
使用直通模式實現改善
諸如圖1所示的系統運行良好,但仍然還有改善的空間。如果電壓源的電壓大部分時間可以直接為負載供電,那么可以在直通模式下使用降壓-升壓穩壓器。此時,在電源設計人員定義的輸入電壓范圍內,輸入電壓將直接傳送至降壓-升壓穩壓器的輸出端。這種操作的優勢在于不會產生任何形式的開關損耗,且電路效率非常高。此外,由于在這種操作模式下不會產生電流脈沖,電路工作時產生的電磁輻射量極低。
圖2所示為配有直通模式的新 LT8210 降壓-升壓控制器電路的功率級。在這種模式下,H橋的兩個高端開關永久開啟,兩個低端開關永久關閉。通過這種方式,根據電流和電壓情況,可以實現近乎100%的效率。

圖2. 配有直通模式的LT8210降壓-升壓穩壓器,用于在標準操作中傳送電壓。
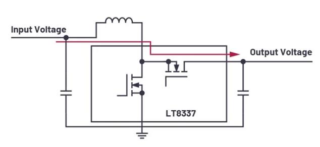
除了降壓-升壓解決方案(LT8210),升壓穩壓器也支持直通模式。ADI公司新推出的 LT8337 Silent Switcher?升壓穩壓器本身集成了直通模式。圖3展示了LT8337升壓轉換器背后的這一概念。啟用直通模式時,高端開關永久開啟,低端開關永久關閉。

圖3. 采用Silent Switcher技術的LT8337升壓穩壓器,也提供直通模式。
在升壓穩壓器中,高端開關通常通過反激式二極管執行。這樣一來,在設置的輸出電壓之上增加的穩壓器電源電壓會自動通過電感和反激式二極管。但是,專用的直通模式可以通過主動開啟高端MOSFET,幫助有效降低二極管的電壓壓降。直通模式還負責關閉LT8337的所有不必要功能。因此,IC本身的電流消耗可能僅達到15 μA。這對電池供電的應用尤其效果顯著。
小結
直通模式可以提高電源的效率,并改善EMC性能。對于可用的電源電壓通常在負載的可允許電壓范圍內的應用,這些優勢的作用尤其明顯。但是,用戶還必須清楚,在直通模式下,不會在定義的電壓閾值范圍內發生輸出電壓調節,雖然在許多應用中并不需要進行這種調節。
(來源:亞德諾半導體)
免責聲明:本文為轉載文章,轉載此文目的在于傳遞更多信息,版權歸原作者所有。本文所用視頻、圖片、文字如涉及作品版權問題,請電話或者郵箱editor@52solution.com聯系小編進行侵刪。
推薦閱讀:


