【導讀】絕大多數機電或半導體負載都需要穩定的 DC-DC 電壓轉換及嚴格的穩壓,才能可靠運行。執行該功能的 DC-DC 轉換器通常稱作負載點 (PoL) 穩壓器,其設計了最大輸入電壓規范和最小輸入電壓規格,該規格定義了它們的穩定工作范圍。這些穩壓器的供電網絡 (PDN) 的復雜性可能會因負載的數量和類型、整體系統架構、負載功率級、電壓(轉換級)以及隔離和穩壓要求的不同而不同。
絕大多數機電或半導體負載都需要穩定的 DC-DC 電壓轉換及嚴格的穩壓,才能可靠運行。執行該功能的 DC-DC 轉換器通常稱作負載點 (PoL) 穩壓器,其設計了最大輸入電壓規范和最小輸入電壓規格,該規格定義了它們的穩定工作范圍。這些穩壓器的供電網絡 (PDN) 的復雜性可能會因負載的數量和類型、整體系統架構、負載功率級、電壓(轉換級)以及隔離和穩壓要求的不同而不同。
許多電源系統設計人員將穩壓的 DC-DC 轉換器視為其整體系統設計的關鍵。但將正確的電壓提供給 PoL 穩壓器,不一定都需要 PDN 穩壓,或者對于中間配電母線電壓而言,也不是強制性的。考慮這一點時,電源系統工程師應該考慮實施固定比率 DC-DC 轉換器,其可為整體 PDN 性能帶來顯著的優勢。
PDN 性能通常以功耗、瞬態響應、物理尺寸、重量及成本來衡量。影響 PDN 性能的一個主要設計挑戰是網絡需要電壓轉換及嚴格線路/負載穩壓的次數。工程師用大量時間來優化大型電壓轉換、動態穩壓和配電質量,以實現高性能和高可靠性。
如果系統負載功率在幾千瓦范圍內,設計大型 PDN 來處理高壓,會減少系統必須分配的電流 (P= V×I)。結果會縮減 PDN 尺寸、重量和成本(線纜、母線、主板銅箔電源層)(PLOSS = I2R)。因此,設計人員通常會努力使盡可能多的電路在高電壓/小電流下工作,只在接近負載的地方將其轉換為低電壓/大電流。
但要讓高壓、高功率 PDN 靠近負載,則需要高效率和高功率密度的 DC-DC 轉換器。如果電路需要很大的電壓步降,比如從 800V 或 400V 降至 48V,那么能夠完成這項工作并具有最高效率的轉換器將是固定比率轉換器。這些轉換器不提供穩壓,功耗極少。其高效率的優點可實現更高的功率密度和更便捷的熱管理。
何為固定比率轉換器?
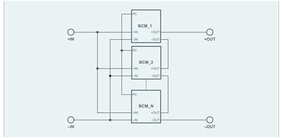
圖 1:雙向固定比率轉換器的工作原理與 K=1/16 的降壓轉換器一樣,也可用作 K=16/1 的升壓轉換器。
固定比率轉換器的工作原理與變壓器極為相似,但它執行的不是 AC-AC 轉換,而是 DC-DC 轉換,輸出電壓為固定比例的 DC 輸入電壓。與變壓器一樣,這種轉換器不提供輸出電壓穩壓,輸入至輸出變壓由器件的“匝數比”決定。該匝數比稱為 K 因數,表示為一個相對于其電壓降壓能力的分數。K 因數從 K=1 到 K=1/72 不等,可根據 PDN 架構及 PoL 穩壓器設計規格進行選擇。典型的 PDN 電壓分為低電壓 (LV)、高電壓 (HV) 以及超高電壓 (UHV)。
固定比率轉換器可以是隔離的,也可以不是隔離的,可通過反向電壓轉換實現雙向功率流。例如,一款支持雙向功能的 K=1/16 固定比率轉換器可作為一款 K=16/1 的升壓轉換器運行。
圖 2:BCM 輸出串連以提高輸出電壓,從而實現更高的設計靈活性。
圖 3:BCM 轉換器可輕松并聯,滿足更高的電源需求。
額外的設計靈活性包括易于并聯以滿足更高的電源要求, 以及通過改變 K 因數將轉換器串聯轉以提供更高的輸出電壓等。
眾多終端市場及應用的電源需求急劇上升,因此供電網絡正在經歷重大變革。電動汽車 (EV)、輕度混合動力汽車和插電式混合動力汽車正在使用 48-V 等更高 PDN 電壓。48V 電壓符合許多系統要求的安全電氣低電壓 (SELV) 標準,而 P = V×I 和 PLOSS = I2R 的簡單電源方程式也說明了高壓 PDN 效率更高的原因。
對于給定功率水平而言,與 12V 系統相比,48V 系統電流低至1/4、功耗低 至1/16 。在 1/4 的電流下,線纜和連接器可能會更小、更輕,而且成本也很低。用于混合動力汽車的 48V 電池功率是 12V 電源的 4 倍,增加的功率可用于供電鏈應用,以減少 CO2 排放,提高燃油里程數并執行新的安全與娛樂特性。
數據中心新增人工智能 (AI),使得機架功耗超過了 20kW,進而使得 12-V PDN 的使用變得笨重、低效。使用 48-V PDN 在這里帶來的優勢與混合動力汽車相同。在汽車和數據中心應用中,最好保留原有 12-V 負載及 POL 常用降壓穩壓器,以最大限度減少變化。
48V 符合 SELV 標準,因此非隔離固定比率轉換器是 48V 至 12V DC-DC 轉換的理想之選,因為當前的 PoL 12V 穩壓器能夠應對輸入電壓的變化。非隔離、未穩壓固定比率轉換器是最高效的大功率母線轉換器,可降低功耗,提高功率密度并降低成本。其高密度有助于混合動力汽車使用最新分布式配電架構,其中非隔離固定比率轉換器可布置在負載旁邊,讓整個汽車實現更小規模、更高效的 48-V PDN 走線。在刀片服務器中,小型非隔離式 48V 至 12V 固定比率轉換器可布置在主板上靠近降壓穩壓器的位置。
許多全新 AI 加速卡,如 NVidia 的 SXM 以及開放式計算計劃 (OCP) 成員的 OAM 卡,都設計為 48V 輸入,因為 AI 處理器功耗在 500 至 750W 之間。仍然在其機架中使用 12V PDN 背板的云計算公司和服務器公司需要 12 至 48V 轉換,才能使用這些高性能卡。為這些加速卡配備一款 K=1/4 的雙向非隔離固定比率轉換器,作為 12 - 48V 升壓轉換器 (K=4/1),或為其配備一款更高功率的分布式 12 - 48V 模塊,可使較早的機架系統集成 AI 功能。
需要隔離的高電壓應用
現在,全世界都布置了 4G 無線電及天線塔,它們必須升級至新的 5G 系統,其功耗為 4G 設備 5 倍。4G PDN 為 48V,通過線纜從地面電源系統提供。如果 PDN 保持在 48V, 5G 設備功耗的顯著增加將迫使使用大直徑的沉重電源線。因此,電信公司目前正在考慮使用 380-VDC PDN 顯著縮小線纜尺寸。
在升壓模式下使用雙向 K 1/8 固定比率轉換器,可讓地面 48V 電源系統向塔頂提供 380V 的電源(K:8/1)。塔頂的 380-V 至 48-V 穩壓轉換器,將允許 4G 和 5G 系統獲得 48-V 穩壓電源,并能讓該系統通過 380-V 細小電線實現更低成本的供電。
系留無人機是另一種需要隔離的高壓應用。系留無人機的電纜長度可以超過 400 米,無人機在飛行時必須提起這種線纜重量。使用諸如 800V 等高電壓,有助于縮減系留電纜的尺寸和重量。一款緊湊型板載固定比率轉換器,通常 K=1/16,可將電源降至 48V,用于機載電子產品和視頻有效負載。
電動汽車具有很高的功率要求,因此 400V 是電池電壓的常見選擇。400V 隨后轉換為 48V,配送給動力系統及底盤周圍的不同負載。為實現快速充電,400V 電池由具有 800VDC 穩壓輸出的充電站通過 800V 至 400V 的轉換器充電。
圖 5:分布式 48V 架構將多個功耗更低的更小轉換器布置在接近 12V 負載的位置。
在 400/48-V 和 800/400-V 應用中,具有高功率密度、效率超過 98% 的一系列并聯的隔離式 K:1/8(400/48) 和 K:1/2 (800/400) 固定比率轉換器可高效工作。穩壓既可在固定比率轉換器前面執行,也可在其后面執行。此外,不提供穩壓的功率密度和效率增益還可簡化熱管理。
百萬兆級高性能計算 (HPC) 系統機架功率級通常高于 100kW,因此使用 380VDC 作為主要的 PDN。在這些應用中,K:1/8 與 K:1/16 的隔離式固定比率轉換器可能集成在刀片服務器中,也可能集成在通過機架配電的夾層卡上,為主板提供 48V 或 12V 電源。隨后通過 12-V 多相降壓轉換器陣列或更高效率的先進 48-V 至 POL 架構穩壓。固定比率轉換器的密度和效率又一次在使這類 PDN 架構實現高性能的過程中發揮重要作用。
圖 6:Vicor NBM2317 可實現 48V 和 12V 之間的高效雙向轉換,因為它是一款雙向轉換器。雙向性可將原有電路板整合在 48V 基礎架構中,也可將最新 GPU 整合在原有 12V 機架中。
?電源的高增長產業中的少數幾個。這些應用有一個共同點:每個市場都有極大的電力需求,都可從高功率密度的小型 DC-DC 轉換器中獲得巨大優勢:不僅可節省空間,而且還可減輕重量。電源系統工程師應當把固定比率轉換器作為實現高性能 PDN 的重要高靈活途徑,其可提供極具競爭力的整體系統性能優勢。
(來源:Vicor,作者:Power Electronic TIps)
免責聲明:本文為轉載文章,轉載此文目的在于傳遞更多信息,版權歸原作者所有。本文所用視頻、圖片、文字如涉及作品版權問題,請聯系小編進行處理。
推薦閱讀:




