【導讀】一個分立放大器連同一些外部增益設置電阻可用于增加電流檢測電阻兩端的電壓。盡管此類分立解決方案具有成本效益,但由于外部組件的匹配有限,它們無法提供高精度。嘗試使用高精度電阻網絡可能會抵消使用簡單分立解決方案可能帶來的成本節約。
一個分立放大器連同一些外部增益設置電阻可用于增加電流檢測電阻兩端的電壓。盡管此類分立解決方案具有成本效益,但由于外部組件的匹配有限,它們無法提供高精度。嘗試使用高精度電阻網絡可能會抵消使用簡單分立解決方案可能帶來的成本節約。
電阻式電流檢測的分立實現
在之前的文章中,我們討論了基于運算放大器的非反相配置可用于感測和增加低側電流感測電阻器兩端的電壓。同相配置具有單端輸入并檢測其相對于地的輸入電壓。這就是為什么我們不能在高側傳感配置中使用該放大器的原因。
另一方面,經典差分放大器具有差分輸入。由于它感測分流電阻器兩端的壓降而不是節點相對于地的電壓,因此它可用于低側和高側電流感測應用,如圖 1 所示。
在本文中,我們將討論使用差分放大器時可能影響精度的兩個重要誤差源。

圖 1.在 (a) 低側和 (b) 高側電流檢測中使用差分放大器。
共模抑制比:一個關鍵特性
共模抑制比是差分輸入放大器抑制兩個輸入共有信號的能力。放大器的傳遞函數可以表示為:
vout=Admvd+Acmvcvout=Admvd+Acmvc
等式 1。
其中AdmAdm和vdvd分別是放大器的差模增益和放大器輸入端的差分信號。類似地,AcmAcm 和 vcvc 是共模增益和施加到放大器的共模信號。根據等式 1,出現在放大器輸出端的電壓是輸入共模值的函數。在圖 1(b)中,我們理想地期望輸出是差分信號 V shunt的函數。然而,實際上,輸出也是電源電壓V supply的函數。
當我們改變 V supply時,放大器輸入端的共模信號會隨之改變,放大器的輸出電壓也會隨之改變。即使我們保持 V shunt不變,也會發生這種情況。為了減少這種非理想效應,我們需要使共模增益 A cm遠小于差模增益 A dm。共模抑制比 (CMRR) 定義為差分增益除以共模增益,指定放大器在放大差分信號的同時抑制共模信號的能力。
分立實施具有低 CMRR
考慮圖 2中所示的差分放大器。

圖 2
對于理想的運算放大器,差分放大器的傳遞函數由下式給出:
v ü t = R 4 R 1 _× R 1 + R 2 R 3 + R 4× v A ? R 2 R 1× v Bvo你噸=R4個R1個×R1個+R2個R3個+R4個×vA?R2個R1個×v乙
對于 (frac{R_{2}}{R_{1}}=frac{R_{4}}{R_{3}}),我們有:回復2回復1= R 4 R 3R2個R1個=R4個R3個
v ü t = R 2 R 1 _( v A ? v B )vo你噸=R2個R1個(vA?v乙)
等式 2。
該等式表明,任何共模電壓都會被放大器完全抑制,即 (v_{A}=v_{B}),我們有 (v_{out}=0)。然而,在實踐中,差分放大器的共模抑制將受到限制,因為比率 (frac{R_{2}}{R_{1}}) 不會完全等于 (frac{R_ {4}}{R_{3}})。可以看出,差分放大器的 CMRR 由下式給出:v A = v BvA=v乙v ü t =0 _vo你噸=0回復2回復1R2個R1個R 4 R 3R4個R3個
C M R R ? A d + 1 4 tC米RR?Ad+1個4個噸
等式 3。
其中 (A_6ue60b8) 是差分放大器的差分增益,等于 (frac{R_{2}}{R_{1}});t 是電阻容差。例如,對于 1 和 0.1% 電阻的差分增益,我們有:廣告_Ad回復2回復1R2個R1個
C M R R ? A d + 1 4 t= 1 + 1 4 × 0.001= 500C米RR?Ad+1個4個噸=1個+1個4個×0.001=500
以 dB 表示該值,我們得到大約 54 dB 的 CMRR。請注意,公式 3是基于運算放大器是理想的并且具有非常高的 CMRR 的假設得出的。如果運算放大器的 CMRR 不比從公式 3 中獲得的值大很多,我們將需要使用更復雜的公式。
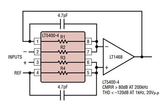
集成解決方案可帶來高 CMRR
因此,即使使用理想的運算放大器,差分放大器的 CMRR 也相對較低,并且受限于增益設置電阻的匹配。為了解決這個問題,我們可以使用一系列匹配電阻網絡,例如LT5400。LT5400 是一個具有 0.005% 出色匹配的四路電阻器網絡,可用于創建具有高 CMRR 的差動放大器,如圖3所示。使用匹配電阻網絡,應該可以實現大約 80 dB 的 CMRR。

圖 3.電阻器陣列可用于創建具有非常高 CMRR 的差動放大器。圖片由凌力爾特提供
分立放大器和一些外部增益設置電阻器可被視為低成本電流測量解決方案。然而,如您所見,增益設置電阻器的匹配決定了放大器的 CMRR。嘗試使用單獨的高精度電阻網絡可能會抵消使用簡單差分放大器可能帶來的成本節省。
我們可以使用完全單片解決方案,例如Analog Devices 的AMP03 ,而不是將精密運算放大器與單獨的電阻網絡一起使用,它將激光調整電阻器集成到精密運算放大器封裝中,以實現電阻器之間的高度匹配. 這種集成解決方案可以獲得大于 100 dB 的 CMRR。
另一個誤差源:增益設置電阻器的溫度漂移
增益設置電阻器的溫度漂移是影響測量精度的另一個因素。如上所述,增益設置電阻器的容差決定了放大器在室溫下的初始精度。然而,為了使電阻比率恒定,電阻器在工作溫度范圍內應表現出相似的行為。
為了更好地理解溫度漂移如何產生增益誤差,我們來看一個例子。假設公式 2中的電阻器值為R1=5 kΩ 和 R2=100 kΩ。此外,假設電阻器的溫度系數為 ±50 ppm/°C,并且環境溫度可以比參考溫度(室溫)高 100°C。
微分增益 (frac{R_{2}}{R_{1}}) 的值和值是多少?回復2回復1R2個R1個
高于參考溫度 100 °C 的溫升會使 ±50 ppm/°C 電阻器的值改變 ±0.5 %。因此,微分增益由下式給出:
A d m , m a x = R 2 , m a x R 1 , m i n= 100 × ( 1 + 0.005 ) 5 × ( 1 ? 0.005 )= 20.20Ad米,米AX=R2個,米AXR1個,米我n=100×(1個+0.005)5個×(1個?0.005)=20.20
增益通過以下方式獲得:
A d m , m a x = R 2 , m i n R 1 , m a x= 100 × ( 1 ? 0.005 ) 5 × ( 1 + 0.005 )= 19.80Ad米,米AX=R2個,米我nR1個,米AX=100×(1個?0.005)5個×(1個+0.005)=19.80
請注意,電阻器可能會朝相反的方向漂移。在此示例中,1% 的增益誤差僅由漂移效應引起,因為我們假設電阻器在室溫下具有標稱值。
有趣的是,借助LT5400等匹配電阻器網絡或完全單片式電流檢測解決方案,集成電阻器可以表現出初始誤差和溫度漂移近乎完美的匹配。這在圖 5中進行了說明。

圖 5.圖片由Vishay提供
在此圖中,橙色線指定單個 ±50 ppm/°C 電阻值隨參考溫度 (20°C) 在任一方向上的溫度變化而變化的限值。紅色曲線表示匹配電阻陣列中四個集成電阻的溫度特性。
雖然匹配電阻網絡中的單個電阻可以表現出 ±50 ppm/°C 的溫度系數,但四個集成電阻的溫度行為非常匹配。隨著溫度的變化,電阻值相互跟蹤。這些匹配的電阻器使我們能夠在工作溫度范圍內保持放大器增益相對恒定。
結論
一個分立放大器連同一些外部增益設置電阻可用于增加電流檢測電阻兩端的電壓。盡管此類分立解決方案具有成本效益,但由于外部組件的匹配有限,它們無法提供高精度。
增益設置電阻器的匹配決定了放大器的 CMRR。要獲得高 CMRR,需要初始誤差和電阻器的溫度漂移近乎完美的匹配。這就是為什么集成解決方案可以在 CMRR 方面輕松擊敗分立實施方案的原因。請注意,嘗試使用單獨的高精度電阻網絡可能會抵消使用簡單的分立解決方案可能帶來的成本節省。
免責聲明:本文為轉載文章,轉載此文目的在于傳遞更多信息,版權歸原作者所有。本文所用視頻、圖片、文字如涉及作品版權問題,請聯系小編進行處理。
推薦閱讀:






