【導讀】在自然災害或長時間停電等緊急情況下,找到電源來給手機或其他USB通信設備充電可能很困難。使用交流電源工作的充電器無處不在,但當電網不可用,并且最后的USB電池備用充電器系統電源耗盡時,還有什么其他方法可以為關鍵的USB供電設備充電?
圖1所示的電路是一種寬輸入電壓范圍USB設備充電器,可提供2 A、5 V輸出,支持廣泛的直流電源,包括太陽能電池板、充滿電或用完一半的汽車電池、?48 V電信備用電池、隨機堆疊的堿性電池、被改造成發電機的電動機以及風力渦輪機(下文簡稱該電路為CN-0509)。CN-0509包括兩個USB充電端口,可提供2 A、5 V輸出。一個端口含有專用充電端口(DCP)控制器,可以讓大多數制造商的設備實現快速充電模式。
圖1. CN0509寬范圍隔離式設備充電器簡化示意圖
此電路接受5 V至100 V的任何直流電壓,并通過標準USB A型連接器產生隔離式5 V電源。由于許多手機和其他便攜式電子設備的外殼常常電氣連接到USB地,因此電源與接地的關系未知,在這種情況下,隔離可以防止發生故障。
圖1所示電路對反向電壓狀況也有保護措施。臨時電源的極性可能未知,當反向連接到直流電源時,該電路不會受損。此設計包含發光二極管(LED),用以指示電壓源是否正確連接或是否必須交換極性。
CN-0509可將5 V至100V的各種直流電源轉換為5 V、2 A穩壓電源,進而通過雙通道USB A型插座為USB充電設備充電。
有兩個輸出端口可供使用,一個讓USB D+和D?信號保持開路,用于一般充電;另一個含有USB DCP控制器,使大多數制造商的設備能夠實現高電流充電模式。兩個端口可以同時使用。但是,最大總負載電流為2 A。
該設計使用高效率、降壓DC-DC轉換器(LTC7103,支持直通操作)與隔離型反激式轉換器(LT8302)的組合。這種配置既有降壓轉換器的高功效比和寬工作范圍特性,又有反激式轉換器的隔離和出色的穩壓性能。
CN-0509電源輸入級如圖2所示。高壓肖特基二極管和保險絲保護電路免受反向電源連接和過流狀況的影響。
圖2. 輸入電壓保護電路
兩個LED指示輸入電源,綠光表示極性正確,紅光表示反向連接。如果出現紅光LED,則必須將輸入連接反向才能使電路工作。雖然可以使用橋式整流器來支持以任一極性工作,但額外的400 mV壓降會提高最小工作電壓,當從較低電壓源(例如太陽能電池板或堿性電池單元)充電時,這可能是一個問題。
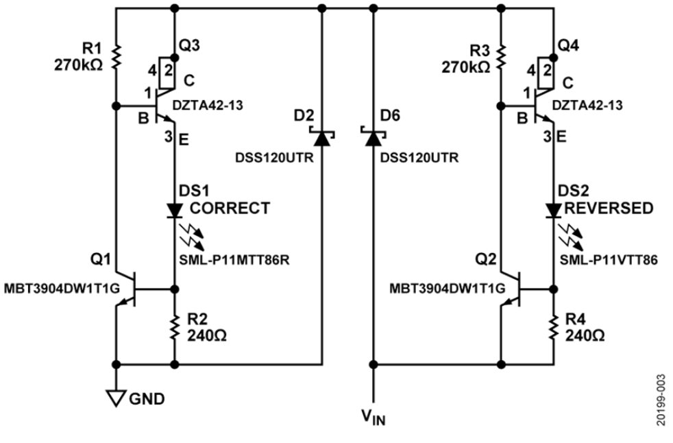
在電路的整個工作范圍內,一個有源恒流驅動器電路維持LED電流,使其亮度變化極小。兩個電路串聯連接,但極性相反(參見圖3)。
圖3. 極性指示
施加電源時,電流流過R1,進而接通晶體管Q3。電流然后流過Q3的發射極、LED和R2。隨著通過R2的電流增大,R2兩端的電壓也增大。一旦R2上的壓降達到晶體管Q1的基極到發射極電壓(VBE,約為0.7 V),Q1便導通。由此導致的流過R1的電流降低Q1的基極驅動,從而有效限制LED的電流。在11 V至100 V的電壓范圍,此反饋環路將綠光LED和紅光LED的電流分別維持在大約2.41 mA和2.432 mA。
電源輸入電路之后是LTC7103同步降壓轉換器。相比于電流能力類似的線性穩壓器,降壓轉換器或降壓型開關模式電源可在一個小型封裝中有效地降低直流電壓,功耗很低,功率密度則很高。
直流輸入先經由總計4.8 μF的電容濾波和旁路,再進入降壓轉換器的輸入端。LTC7103隨后將12 V至105 V的寬輸入電壓有效地降低到12 V的穩壓輸出電壓(VOUT),同時以300 kHz開關頻率(fSW)提供高達2.3 A的輸出電流。
圖4. 12 V VOUT和不同輸入電壓條件下的效率
LTC7103 有一個可選的精密內部反饋分壓器,因而無需外部精密電阻。VPRG1和VPRG2引腳的數字狀態將輸出電壓設置為1.0 V到15 V之間的九個固定選項中的一個。注意,CN-0509將VPRG1引腳綁定到INTVCC引腳,并讓VPRG2引腳保持開路,從而將輸出設置為12 V。
當輸入電壓在4.4 V和12 V之間時,CN-0509利用LTC7103的特性以直通模式工作(參見圖5)。LTC7103之后的隔離式反激級針對12 V進行了優化,但在低至5 V的電壓也能以降低的輸出電流能力工作。直通操作允許電路盡可能長時間地繼續工作,哪怕應急電源的電壓開始下降也無妨。
圖5. 4.4 V < VIN < 12 V的直通操作
LTC7103的架構提供了對短路狀況的固有防護,無需折回輸出電流或振蕩器頻率。這種保護之所以可能,是因為脈沖寬度調制(PWM)比較器持續接收來自平均電流放大器的電感電流信息。這導致在短路狀況下自動以周期跳躍方式工作,否則如果頂部開關的最短導通時間過長,將無法在最高開關頻率下保持對電感電流的控制。典型限流操作如圖6所示。
圖6. LTC7103典型限流操作
降壓級之后是微功耗非光學隔離型反激式轉換器LT8302。LT8302通過對初級側反射波形進行采樣來間接檢測輸出電壓,從而保持調節,而無需光耦合器或在耦合電感上使用第三檢測繞組。
在這種應用中,隔離是必不可少的,因為臨時電源的極性和接地連接可能不清楚,或者對于充電應用設計本來就是不正確的。?48 V電信電源是一個常見例子(參見圖7)。
圖7. 接地故障狀況
電信電源相對于接地是負值,目的是防止電線發生電化腐蝕。因此,基于非隔離型降壓轉換器的充電器將手機外殼連接到?48 V時,如果外殼與接地物體接觸,就會造成危險。太陽能電池板或發電機接線不正確時,也會發生類似情況。
除了提供隔離之外,LT8302進一步將降壓轉換器的12 V輸出降低到5 V。VOUT使用兩個外部電阻和第三個可選的溫度補償電阻編程,如下所示:
其中:
RFB 為LT8302反饋電阻。
RREF 為LT8302基準電阻。
NPS 為變壓器有效初級/次級匝數比。
VOUT 為輸出電壓。
VF(T0) 為25°C時的輸出二極管正向電壓 = ~0.3 V。
VREF 為LT8302內部基準電壓。
圖8顯示了在5 V VOUT時,各種輸入電壓下常見繞組比值的典型最大輸出功率。CN-0509變壓器具有3:1的匝數比,最大VOUT約為10 W。
圖8. 5 V VOUT時的典型最大輸出功率
USB已成為設備充電的實際標準,典型充電器可提供的電流已超過500 mA USB 2.0規范。充電器必須在USB數據線上提供特殊的電壓簽名,以便讓設備識別自身,并確定它可以從電源獲得的最大充電電流,這可以高于500 mA的最低標準。
U3是一個DCP控制器,監視USB數據線電壓(D+和D?),并提供簽名以支持幾家常見設備制造商的快速充電模式(參見圖9)。雖然兩個端口可以同時使用(最大總負載電流為2 A),但當使用DCP端口時,建議斷開另一個端口。
圖9. USB專用充電端口控制器
請注意,USB線纜的質量參差不齊。較長的小規格電纜可能導致負載處的電壓大幅下降。
對于12 V到100 V之間的任何輸入電壓,CN-0509幾乎保持恒定操作,這是因為隔離轉換器的輸入處于恒定的12 V。較低輸入電壓會降低可用充電電流,如圖10所示。
圖10. 最大負載電流與輸入電壓的關系
CN-0509能夠耐受高達100 V的反向輸入連接。圖11顯示CN-0509的反向輸入與LTC7103 VIN的關系。
圖11. LTC7103 VIN與VIN的關系
圖12顯示,在12 V以上的輸入電壓,由于負載電流從0.1 A增加到2 A,CN-0509的負載調整幅度在65 mV內,相應的輸出電阻約為32.3 mΩ。
圖12. VOUT與負載電流(ILOAD)的關系
圖13和圖14分別顯示了手機(電話A)和USB移動電源(移動電源B)的電流和USB數據線的CN-0509導通瞬態曲線。
圖13. 電話A充電的ILOAD、D+和D?電壓
圖14. 移動電源B的總線電壓(VBUS)、D+和D?電壓
圖15顯示了CN-0509以5.62 V、2 A給一個負載充電一小時的熱響應,電路板水平放置在工作臺上并處于靜止空氣中,環境溫度為25°C。EVAL-CN0509-EBZ板上的最高溫度出現在D3二極管上(83.8 °C),遠低于150°C的最大工作溫度。
圖15. EVAL-CN0509-EBZ的熱圖像, 以5.62 V、2 A輸出給一個負載充電一小時
如果有交流電源可用,EVAL-CN0509-EBZ可以將各種隨機的離線電源變成USB充電器。此類電源包括筆記本電腦充電器、游戲機充電器和計算機外設電源。
在電源輸入處使用肖特基橋式整流器,便可支持任何輸入極性。然而,相比使用單個保護二極管,這種輸入配置的代價是最小工作電壓要增加0.4 V。例如,為獲得最高2 A輸出電流,需要12.4 V的VIN。
有關CN-0509的完整設置詳情和其他信息,參見 CN0509用戶指南。
需要以下設備:
直流電源(任意電壓,5 V至100 V)
EVAL-CN0509-EBZ評估板
Klein Tools
ET910 USB萬用表測試儀(或等效設備)
MicroUSB轉USB A型線
具有USB充電能力的設備(手機、平板電腦或便攜式電源包)以及用于設備的USB充電線纜
圖16顯示測試設置的功能框圖。
圖16. 測試設置的功能框圖
采用以下步驟完成測試設置:
將輸入直流電源連接到CN-0509上的P1。連接高輸入電壓時須小心。
打開直流輸入時,CN-0509開啟。電路通過發光DS1或DS2確定輸入連接極性是否正確。
如果DS1(綠光LED)亮起,則輸入的極性正確,電路可在P2(USB輸出端口)上提供高達10 W的功率。
如果DS2(紅光LED)亮起,請關閉輸入電源,斷開電源輸入,交換電源引線,再將電源輸出重新連接到P1,然后重復步驟2。
將 USB 線纜從 ET910 USB 萬用表測試儀連接到EVAL-CN0509-EBZ上的下方USB端口。
使用一臺支持快充的設備的充電電纜,從ET910 USB萬用表測試儀連接該設備。
查看ET910 USB萬用表測試儀,驗證設備是否獲得超過500 mA但小于2 A的電流(參見圖17)。
將EVAL-CN0509-EBZ上的USB端口從下方(DCP)端口換到上方USB端口。
查看ET910 USB萬用表測試儀,驗證設備是否獲得大約500 mA的電流(參見圖17)。
圖17. ET910 USB萬用表測試儀屏幕截圖,左邊是電話A從上方USB端口充電,右邊是從含有DCP控制器的下方端口充電
免責聲明:本文為轉載文章,轉載此文目的在于傳遞更多信息,版權歸原作者所有。本文所用視頻、圖片、文字如涉及作品版權問題,請聯系小編進行處理。
推薦閱讀:



