【導讀】制造商和消費者都在試圖擺脫對化石燃料能源的依賴,電氣化方案也因此廣受青睞。這對于保護環境、限制污染以及減緩破壞性的全球變暖趨勢具有重要意義。電動汽車 (EV) 在全球日益普及,眾多企業紛紛入場,試圖將商用和農業車輛 (CAV) 改造成由電力驅動。
制造商和消費者都在試圖擺脫對化石燃料能源的依賴,電氣化方案也因此廣受青睞。這對于保護環境、限制污染以及減緩破壞性的全球變暖趨勢具有重要意義。電動汽車 (EV) 在全球日益普及,眾多企業紛紛入場,試圖將商用和農業車輛 (CAV) 改造成由電力驅動。
然而,這種轉變使得電能需求快速增長,給電網帶來了極大的壓力。盡管能效很高,但電動汽車、數據中心、熱泵等應用仍需要大量能源才能運行。
太陽能、風能、波浪能等新型可再生能源受到廣泛歡迎,正逐漸成為主流。只有完全使用可再生能源的應用,才能被視為真正的“清潔”應用。
太陽能市場已經發展多年,相對成熟。Fortune Business Insights 的報告顯示,目前太陽能市場規模估計為 2730 億美元,到 2032 年有望增長到 4360 億美元。2023年,北美太陽能市場占比超過了 40%。
可再生能源應用中的電源轉換挑戰
太陽能發電量正在迅速增長。國際能源署 (IEA) 的數據表明,2022 年,太陽能產生的電力比上一年度增長 26%,達到 1300 TWh。這標志著太陽能發電已超越風電,成為最大的可再生電力來源。
太陽能光伏 (PV) 板產生直流電 (DC),而電網需要交流電 (AC),因此中央光伏逆變器是大型并網裝置不可或缺的一部分。光伏板產生的所有能量都會經過逆變器,因此逆變器效率具有重要影響。盡管太陽能取之不盡,用之不竭,但轉換效率低下會導致輸送到電網的能量十分有限。過程中所浪費的能量會轉化為熱量,進而又會構成嚴峻挑戰,因為許多太陽能裝置通常位于陽光充沛、溫度較高的環境,如沙漠。
成本也是非常重要的考慮因素,可直接影響消費者的電費以及電力公司的盈利。為實現更高功率,許多中央逆變器并聯使用多個轉換模塊,具體數量由每個模塊的額定功率決定。每個模塊功率容量越高,所需模塊就越少,進而可以降低成本。
盡管電動汽車已經取得了長足進步,但 CAV 在向電力驅動轉變方面仍進展緩慢。CAV 體型較大,每次行駛消耗的燃料和產生的排放也更多,雖然數量上僅占汽車總量的 2%,但其溫室氣體排放量占交通運輸排放總量的 28%。雖然商用客運車(如公共汽車)的電動化已經初見成效,但大多數大型卡車、建筑機械和農業車輛(如拖拉機)仍然依賴柴油驅動。現在,情況開始發生變化。為達到歐盟、中國和美國加州等全球市場嚴格的零排放法規要求,預計到 2030 年,電動卡車(純電和混合動力)銷量占比將從目前的 5% 增加到 40%-50%。
相較于化石燃料商用車,電動商用車結構更簡單,運動部件更少。在載重能力相同的情況下,電動車體積更小、可靠性更高、維護相關成本更低。目前電池成本大幅降低,電動 CAV 的總擁有成本已經低于內燃機 (ICE) 車輛。
與太陽能應用類似,效率也是電動 CAV 的關鍵要求。每輛車的電池電量有限,逆變器中轉換過程的效率越高,車輛行駛距離就越長。或行駛同樣的距離所需的電量就更少。
鑒于未來我們對太陽能和電動 CAV 的依賴,可靠性自然也就變得非常重要。
面向逆變器應用的先進電源技術
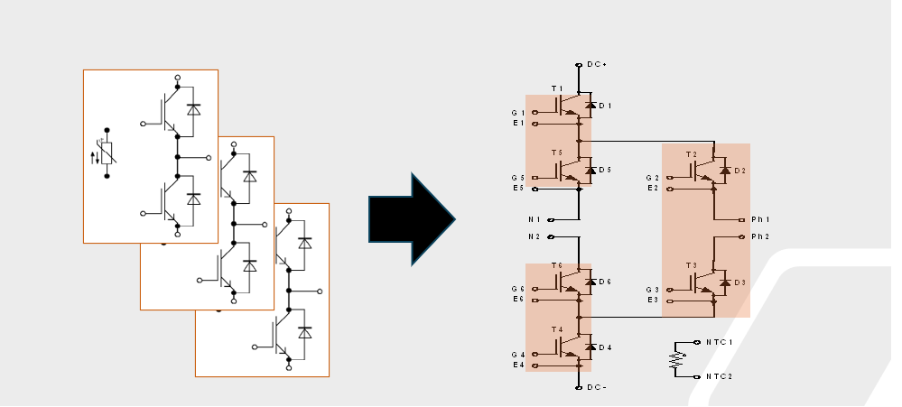
在三相太陽能光伏逆變器等的高功率應用中,三電平有源中性點箝位 (ANPC) 轉換器是比較常見的拓撲。這種多電平拓撲結構專門用于提升系統的性能和效率。
普通中性點箝位 (NPC) 轉換器使用二極管將直流鏈路電容的中性點連接到輸出端。在 ANPC 配置(圖 1)中,箝位由開關執行,因此能夠改善控制、減少開關損耗并提高效率,并且能相應地減少對散熱措施的需求,從而有助于實現尺寸更小、成本更低的方案。
拓撲結構的布置方式降低了各個開關上的電壓應力,從而提高了可靠性。此外,ANPC 還能實現對電網有利的波形。
圖 1:可利用模塊輕松構建 ANPC 轉換器
設計工程師可以通過并聯多個功率模塊,例如安森美 (onsemi) 的 QDual 3 IGBT 模塊,創建高性能三電平有源中性點箝位模塊,其系統輸出功率可達 1.6 MW 至 1.8 MW。
圖 2:QDual3 IGBT 模塊
QDual 3 模塊集成了新一代 1200 V 場截止 7 (FS7) IGBT 和二極管技術,可為大功率應用提供更優異的性能。與前幾代產品相比,FS7 技術顯著改善了導通損耗。
圖 3:FS7 技術增強了關鍵性能參數
在 FS7 IGBT 工藝中,溝槽窄臺面帶來了低 VCE(SAT) 和高功率密度,而質子注入多重緩沖確保了穩健性和軟開關特性(圖 2)。安森美中速 FS7 器件的 VCE(SAT) 低至 1.65V,適用于運動控制應用;而其 FS7 快速產品的 EOFF 僅 57 μJ/A,是太陽能逆變器和 CAV 等高功率應用的理想選擇。
圖 4:FS7 IGBT 尺寸更小,功率密度更高
創新型 FS7 技術使新型 QDual3 模塊中的芯片尺寸比上一代縮小了 30%(圖 3)。這種小型化與先進的封裝相結合,可以顯著提高最大額定電流。在工作溫度高達 150 攝氏度的電機控制應用中,QDual3 的輸出功率為 100 kW 至 340 kW,比目前市場上的其他產品高出大約 12%。
可靠性是太陽能和 CAV 應用的關鍵,因此模塊的構造和測試方式至關重要。例如,目前有許多類似方案使用引線鍵合方式來固定端子,而安森美則選擇采用超聲波來焊接模塊。后者有助于增強電流承載能力,提供更優散熱路徑,并且比前者更為堅固(圖 4)。
圖 5:超聲波焊接可降低溫度并增強可靠性
這種方法可以提高電導率,從而減少電力損失、提升效率。此外還能降低工作溫度、增強機械剛度,以及提高模塊的整體可靠性。
安森美的新型高功率 QDual3 技術
專用 QDual 3 半橋 IGBT 模塊NXH800H120L7QDSG 適用于中央太陽能逆變器、儲能系統(ESS)、不間斷電源(UPS);而 SNXH800H120L7QDSG 則適用于 CAV。這兩款器件均基于 FS7 技術打造,VCE(SAT) 和 EOFF 有所改進,進而降低了損耗、提高了能效。
目前,若使用 600 A IGBT 模塊以 ANPC/INPC 架構來設計 1.725 MW 逆變器,總共將需要 36 個模塊。然而,若使用額定工作電流為 800 A 的新型 NXH800H120L7QDSG 和 SNXH800H120L7QDSG,設計所需模塊數量將減少 9 個。相應地,設計的尺寸、重量和成本將節省 25%。這對于太陽能應用和 CAV 應用來說都非常有價值,因為重量減輕和效率提高,將使得車輛行駛里程有所增加。
圖 6:更大的電流能力支持使用更少的模塊來構建系統
這些模塊包含用于熱管理的隔離底板和集成的 NTC 熱敏電阻,并支持通過可焊接引腳將模塊直接安裝到 PCB 上,采用行業標準布局,有助于輕松將現有設計升級到新型 QDual3 技術。
安森美的所有 QDual3 模塊均經過嚴格的可靠性測試,其可靠性水平超過市場上的其他同類器件。我們的濕度測試要求產品承受 960V 偏壓長達 2000 小時,而同類器件僅需承受 80V 偏壓 1000 小時。振動測試對于 CAV 應用至為關鍵,我們的產品在 30 G 峰值/10G RMS 條件下進行了長達 22 小時的測試,可滿足 AQG324 要求。其他器件則是在振動水平低至 5 G 的條件下進行測試,持續時間短至 1 小時。
總結
全世界的可再生能源使用率越來越高,電網正承受著巨大壓力。太陽能發電已經發展成熟,2022 年更是超過風電,成為可再生電力的主要來源。
盡管化石燃料驅動的車輛仍是主要的污染源,但 CAV 的電氣化正在穩步推進,目前已初見成效。
安森美 FS7 等新型半導體技術支持開發低損耗、大功率器件,以滿足這些領域的效率和可靠性需求。基于這項技術,安森美的新型 QDual3 器件采用緊湊封裝,可實現高功率密度和出色能效。焊接良好的端子和超越業內其他器件的認證測試助力保障 QDual3 器件的穩健性能。
新一代 NXH800H120L7QDSG 和 SNXH800H120L7QDSG 模塊電流能力高達 800 A,得益于此,逆變器設計所需的模塊可減少 25%,并能夠進一步簡化設計、減小其體積、質量并降低成本。
這無疑是一項重大進展,安森美將繼續潛心鉆研 FS7 技術的高性能潛力,力求推出更多超越現有標準的模塊,從而滿足太陽能行業和 CAV 制造商不斷增長的需求。
(作者:安森美產品線經理 Jinchang Zhou)
免責聲明:本文為轉載文章,轉載此文目的在于傳遞更多信息,版權歸原作者所有。本文所用視頻、圖片、文字如涉及作品版權問題,請聯系小編進行處理。
推薦閱讀:
原來為硅MOSFET設計的DC-DC控制器能否用來驅動GaNFET?



