【導讀】在復雜的電子系統設計中,電源管理單元的效能與可靠性直接決定了整體性能的邊界。其中,實現從輸入電壓到輸出電壓的精準、高效與穩定控制,是工程師面臨的核心挑戰之一。本文將聚焦于一種先進的解決方案——電壓輸入至輸出控制(VIOC)系統。該系統巧妙融合了具備VIOC特性的低壓差線性穩壓器(LDO)與開關穩壓器,不僅能夠顯著優化功耗、抑制噪聲,還能在動態與故障條件下為系統提供堅實保護。本系列文章的第一部分,將為您快速解析VIOC系統的架構優勢,并提供具體的器件選型與設計實施指南,為構建更穩健、高效的電源鏈路奠定基礎。
摘要
在復雜的電子系統設計中,電源管理單元的效能與可靠性直接決定了整體性能的邊界。其中,實現從輸入電壓到輸出電壓的精準、高效與穩定控制,是工程師面臨的核心挑戰之一。本文將聚焦于一種先進的解決方案——電壓輸入至輸出控制(VIOC)系統。該系統巧妙融合了具備VIOC特性的低壓差線性穩壓器(LDO)與開關穩壓器,不僅能夠顯著優化功耗、抑制噪聲,還能在動態與故障條件下為系統提供堅實保護。本系列文章的第一部分,將為您快速解析VIOC系統的架構優勢,并提供具體的器件選型與設計實施指南,為構建更穩健、高效的電源鏈路奠定基礎。
引言
在電源管理領域,低壓差(LDO)穩壓器對確保電子元器件獲得高性能電源起著關鍵作用。LDO的低噪聲性能至關重要,尤其是在精密模擬電路、RF系統和醫療設備等噪聲敏感型應用中,LDO可提供純凈的電源,有效降低干擾,增強信號完整性。LDO與電壓輸入至輸出控制(VIOC)功能及兼容的開關穩壓器配合使用時,可形成一個始終維持最佳輸入輸出電壓差的系統。這種設計不僅能顯著降低噪聲,實現高電源電壓抑制比(PSRR),還能確保系統高效運行、受到保護且具備強大性能。本文深入探討了實現VIOC的復雜細節,并闡述了VIOC的優勢和實際應用。通過了解VIOC的協同作用,工程師可以優化各種電子設備的電源管理解決方案。
無論是否帶有VIOC,LDO都屬于電源管理產品類別。電源管理涉及使用穩壓器或轉換器等集成電路(IC)來為放大器、數據轉換器或處理器等電子負載供電。LDO是電源管理IC的一個子類,旨在為電子負載直接供電,主要作用包括:提升負載性能,有效降低負載之間不必要的相互干擾,確保系統中的電源IC和負載按正確時序上電和關斷。
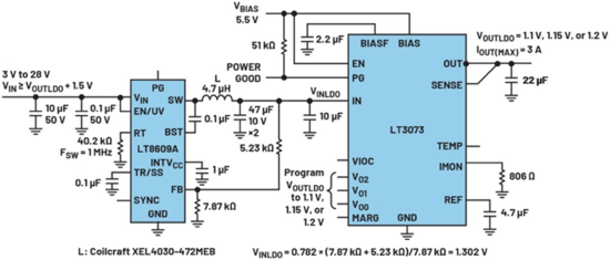
帶VIOC的LDO通過內部電路提供一個外部信號來控制為LDO供電的開關穩壓器的輸出,從而使LDO的輸入輸出電壓差保持恒定,如圖1所示。線性穩壓器本質上是晶體管電路,能夠以相對較低的噪聲供電,但對輸入輸出電壓差很敏感,效率也由此決定。開關穩壓器通過功率晶體管(開關)的快速切換來傳輸能量。開關穩壓器使用功率開關及電感和二極管,高效地將輸入電壓轉換為更適合為LDO供電的電壓。
圖1.此VIOC系統為LDO維持一致的輸入輸出電壓差
使用VIOC將降壓轉換器與LDO相結合以增強性能
典型的VIOC電路采用降壓開關穩壓器來為具有VIOC特性的LDO供電。由此得到的電路是一種非常強大的配置,兼具降壓穩壓器的高效率特性和LDO的低噪聲性能。降壓穩壓器又稱為降壓轉換器,是一種開關轉換器,能夠高效地將輸入轉換為低于輸入電壓的穩定輸出。
創建VIOC電路的第一步是選擇LDO和開關穩壓器。ADI公司提供多種集成VIOC功能的LDO。LT3045-1和LT3041系列及LT3073、LT3074和LT3078系列均有最新版本的VIOC特性。LT3045-1和LT3041線性穩壓器的輸出電流范圍為500 mA至1 A,輸入電壓范圍約為2 V至20 V,只需要一個輸入電源。LT3073、LT3074和LT3078的輸出電流范圍為3 A至5 A,輸入電壓范圍為0.6 V至5.5 V,需要一個額外的低電流BIAS輸入電源。任何帶有反饋(FB)引腳的開關穩壓器都可以與這些使用VIOC的LDO組合使用,但在選擇設計所用開關穩壓器之前,請注意以下事項:
? 支持VIOC的LDO可與任何類型的開關穩壓器拓撲配合使用,但最常與降壓穩壓器配合使用。
? LT3045-1和LT3041 LDO必須與FB電壓為1 V或更低的開關穩壓器搭配,使得LDO VIOC引腳可以在1 V電壓下工作(有關詳細信息,請參閱數據手冊)。
? 在VIOC系統中,具有補償引腳的開關穩壓器與沒有補償引腳的開關穩壓器相比,可能更容易穩定。
? 開關穩壓器和LDO評估板可以方便地評估VIOC系統硬件的工作。
? 具有VIOC功能的LDO不能與Silent Switcher? 3 (SS3)開關穩壓器搭配使用,因為SS3穩壓器沒有常規FB引腳。
? 與典型VIOC電路相比,帶有集成高側反饋電阻的μModule?穩壓器無法使LDO保持恒定的輸入輸出電壓差。
? 使用VIOC的電路需要專用電壓軌作為LDO前級,而不是支持多個電壓軌的前級。
? 與獨立LDO設計相比,VIOC需要更多元件。VIOC電路所需的額外元件包括:為LDO供電的開關穩壓器的反饋分壓器中的額外電阻器,以及開關穩壓器輸出通常使用的額外電容。
為了簡化設計過程,ADI提供了指導,說明哪些降壓開關穩壓器最適合搭配帶有VIOC特性的特定LDO使用。表1列出了與具有VIOC的推薦LDO組合使用的合適開關穩壓器,并提供了所有LDO的說明。這些搭配基于前面列出的考慮因素,因此在構建由降壓穩壓器和具有VIOC特性的LDO組成的VIOC電路時,請遵循上文和表1中給出的指導。表1所列LDO的數據手冊中提供了許多VIOC電路參考設計。
表2提供了表1所列降壓穩壓器的詳細說明。這些信息有助于設計人員選擇不僅滿足電氣要求,而且符合限制條件(例如開關穩壓器的輸入電壓范圍、負載電流能力和工作電流)的穩壓器。除了推薦用于VIOC的開關穩壓器外,表2還列出了開關穩壓器的反饋引腳電壓、可用模式、評估板產品型號和補償引腳的可用性。
VIOC的噪聲最小化和高PSRR優勢
如上所述,當LDO與VIOC功能及兼容的開關穩壓器配合使用時,可形成一個始終維持最佳輸入輸出電壓差的系統,從而不僅顯著降低噪聲,實現高PSRR,還能提升性能。
表1.推薦用于VIOC系統的LDO和開關穩壓器
表2.表1推薦的開關穩壓器的說明
有些用戶只是想改變LDO的輸出電壓,但不希望采用復雜的方案來調節給LDO電源供電的開關穩壓器的輸出電壓。與圖1中的電路相反,圖3所示的電路沒有VIOC,因此當調高或調低LDO輸出時,開關穩壓器的輸出保持不變。圖2顯示,圖3電路的PSRR性能在LDO輸出電壓較高情況下會下降,原因是在LDO輸出電壓增加而LDO輸入不增加的情況下,開關穩壓器的輸出電壓紋波在LDO輸出端引起的噪聲會增加。
圖2.這些示波器截圖針對的是圖3中的電路,表明隨著LDO輸出電壓提高,PSRR引起的噪聲會加劇
現在考慮一下VIOC相比圖2和圖3所示例子的優勢。圖1電路所示的VIOC系統會在LDO輸出發生變化時,維持LDO的輸入輸出電壓差一致,使旨在有效抑制噪聲的PSRR保持高水平。開關穩壓器的輸出電壓會在LDO輸出降低時自行調低,在LDO輸出提高時自行調高。因此,當LDO的輸出電壓變化到三個不同電平時,開關穩壓器的輸出電壓紋波在LDO輸出端引起的噪聲依然保持較低水平,如圖4所示。
圖3.此電路不使用VIOC
VIOC的優勢:提升效率、加強保護和優化運行
除了噪聲最小化、高PSRR優勢之外,具有VIOC的系統還能始終保持最佳的輸入輸出電壓差,使其工作高效、安全且性能強大。效率方面的優勢是顯而易見的,因為當LDO輸出電壓降低而LDO輸入電壓保持不變時(如圖3電路所示),LDO的功耗會增加,效率會降低。對于圖1中的VIOC系統,即使LDO輸出發生變化,VIOC也能使LDO保持恒定的輸入輸出電壓差,因此功耗保持不變。
圖4.這些示波器截圖針對的是圖1中的電路,表明PSRR引起的噪聲始終很低,原因是該電路使LDO保持恒定的輸入輸出電壓差
此外,在不使用VIOC的系統中,某些情況和故障可能會導致LDO輸入輸出電壓差增大到不可接受的水平。例如,如果開關穩壓器輸出和LDO輸出都被設定為相對較高的電壓,并且LDO上存在輸出短路故障,則LDO輸入輸出電壓差可能會急劇增大。LDO上的輸出短路故障會導致LDO兩端的輸入輸出電壓差過高,因為沒有VIOC來強制開關穩壓器的輸出電壓降低并維持設定的LDO輸入輸出電壓差。當LDO輸出短路時,故障期間LDO的高輸入輸出電壓差會大大增加LDO的功耗,使得LDO溫度可能超過建議工作溫度,從而造成可靠性降低。
當LDO輸出短路時,故障期間LDO的高輸入輸出電壓差還會阻止LDO在短路輸出故障消除后正常恢復,因為許多高壓LDO具有一種稱為限流折返的保護特性。
限流折返是電源和穩壓器中使用的一種保護技術,用于在發生過流或短路情況時降低輸出電流。與在故障期間維持恒定電流的簡單限流不同,折返限流會同時降低輸出電壓和電流,從而降低電路元件的功耗。這有助于保護電源和相連器件免于因過熱和過大電流而受損。1
圖5顯示了LT3041 LDO的典型限流折返。注意在圖5中,當輸入輸出電壓差大于11 V時,LDO能夠輸出更小的電流。ADI的許多LDO數據手冊都包含一個名為“過載恢復”的章節,其中解釋了當LDO輸出上的短路故障消除后,為什么限流折返可以阻止輸出電壓設定值和負載相對較高的LDO恢復到正確的輸出電壓。
圖5.LT3041 LDO的典型限流折返
無VIOC的電路中的限流折返也會阻止高電壓電路正常啟動,因為當電路開啟時,LDO的輸出電壓最初為零伏,然后逐漸上升至正常運行期間的期望輸出穩定電壓。如果輸入電壓在開啟時相對較高,限流折返可能會過度限制LDO電流,并阻止LDO輸出電壓上升至期望的穩定電壓。VIOC自動維持正確的開關穩壓器輸出電壓,從而維持正確的LDO輸入輸出電壓差,確保電路在故障和啟動情況下都能正常工作。
結語
本系列的第一部分為理解如何使用支持VIOC的LDO與降壓穩壓器的組合(現代應用中最普遍的配置)來設計高效、低噪聲電源系統奠定了基礎。本文還探討了推薦的LDO與開關穩壓器搭配方案及其背后的依據,說明了深思熟慮的器件選擇能夠顯著提升系統性能。本文展示了如何利用VIOC特性降低輸出噪聲、提高熱效率,并增強啟動和過載恢復期間的系統保護和性能。
本系列的第二部分將探討這些器件如何保持恒定的輸入輸出電壓差,并介紹可簡化VIOC系統實現的實用工具。
參考文獻
1 T.K.Hareendran,“Foldback Current Limiting - Little Secrets”,Codrey,2021年11月。
推薦閱讀:
精準控頻,極致線性——RIGOL DG70000助力重點實驗室激光測試升級
兼顧效率與瞬態響應:用于先進SoC的低壓大電流數字電源管理方案
官宣!羅克韋爾自動化與Lucid深化合作,共建沙特首個電動汽車“智慧工廠”
算力與實時性雙突破!兆易創新發布GD32H7系列MCU,覆蓋更廣泛高性能應用



