- 可飽和電感的基本物理特性
- 可飽和電感的開關噪聲抑制作用
- 可飽和電感在磁放大器穩壓技術中的應用
可飽和電感是一種磁滯回線矩形比高、起始磁導率高、矯頑力小、具有明顯磁飽和點的電感,在電子電路中常被當作可控延時開關元件來使用。由于具有獨特的物理特性,可飽和電感在高頻開關電源的開關噪聲抑制技術及大電流輸出輔路穩壓技術等方面也得到了日益廣泛的應用。
可飽和電感的基本物理特性
圖1(a)和圖1(b)分別是普通鐵氧體電感和可飽和電感的磁滯回線。從兩者的對比中可以明顯看出可飽和電感具有高磁滯回線矩形比(Br/Bs)、高起始磁導率mi、低矯頑力Hc、明顯的磁飽和點(A,B)等特怔。此外,由圖1(b)還可以看出,可飽和電感的磁滯回線所包圍的面積狹小,所以可飽和電感的高頻磁滯損耗相應也較小。由于可飽和電感通常是由微晶、非晶、坡莫合金等鐵磁性材料制造的,所以可飽和電感一般都具有很高的起始磁導率mi和很高的飽和磁感應強度Bs。由于物理特性上的差異,可飽和電感在應用方面與普通鐵氧體電感有兩個顯著的不同之處:

(1)由于飽和磁場強度很小,所以可飽和電感的儲能能力很弱,不能被當作儲能電感使用。可飽和電感的最大儲能Em的理論值可由下式表示:
Em=m•H2•V/2 (1)
式中:m:臨界飽和點磁導率;H:臨界飽和點磁場強度;V:磁性材料的有效體積。
(2)由于可飽和電感的起始磁導率高、磁阻小,電感系數和電感量都很大,在施加外部電壓時,電感內部起始電流增長緩慢,只有經過DT的延時時間后,當電感線圈中的電流達到一定數值時,可飽和電感才會立即飽和,具有非常明顯的開關特性,因而在電路中常被當作可控延時開關元件使用,可飽和電感的這種開關特性是普通鐵氧體電感所不具備的。
普通鐵氧體電感和可飽和電感在直流電壓Vdc作用下的電流強度I隨時間t變化的曲線如圖2(a)和圖2(b)所示。

可飽和電感的開關噪聲抑制作用
開關電源通常都工作在幾十千赫茲到幾百千赫茲的頻段內,電源次級側的整流二極管在高頻關斷過程中會流過較大的反向恢復電流,因此形成的電源導通尖峰噪聲是開關電源噪聲的重要組成部分。設法減小整流二極管的反向恢復電流,從而減小開關電源的傳導和輻射噪聲是開關電源設計中的一個重要方面。

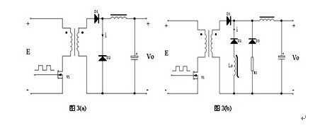
在圖3(a)所示的正激電源電路中,當初級功率管V1開始導通,次級整流二極管D1開始導通,D2開始截止時,由于二極管PN結的電荷存儲效應,D2中流過了電流變化率di/dt很大的反向恢復尖峰電流i,致使V1、D1中也有相應的尖峰電流流過,在漏感、線電感等因素的共同作用下會在電源輸出端產生高頻的導通噪聲。在D2上施加的反向電壓越大,D2的反向恢復時間越長,反向恢復電流變化率di/dt就越大,電源輸出噪聲也就越大。大的反向恢復尖峰電流,不僅會產生電源噪聲,也容易損壞整流器件。[page]
當初級功率管V1開始截止,次級整流二極管D1開始截止,D2開始導通續流時,由于同樣的原因,電源輸出端也會產生高頻關斷噪聲,關斷噪聲通常較導通噪聲小很多,一般不作為電源設計考慮的重點。
為了有效減小整流二極管的反向恢復電流、抑制反向恢復電流變化率,在電源設計中通常采取的措施有:選用無PN結電荷存儲效應、反向恢復時間很短的肖特極二極管或選用反向恢復電流變化率小,具有軟恢復特性的整流二極管作為次級整流器件;在整流二極管兩端并入RC緩沖電路,或在整流二極管中串聯小電感以軟化開關電壓或反向恢復電流的變化率。由于可飽和電感具有電感系數大、容易飽和、儲能作用弱等特點,所以非常適合作為限流電感串聯在整流二極管中,從而使整流二極管反向恢復電流的幅值及變化率都被限制在一個合理的范圍內。
在圖3(b)所示電路中,當V1開始導通,D1開始導通,D2開始截止時,由于可飽和電感Ls的限流作用,D2中流過的反向恢復電流的幅值和變化率都會顯著減小,從而有效地抑制了高頻導通噪聲的產生。在二極管D2導通、關斷、導通的過程中,Ls中磁感應強度的變化如圖4所示。D2中的電流由正向電流、零電流、最大反向電流再到零電流的反向恢復過程中,Ls中相應的磁感應強度位于圖4中的A、B、C、D各點。在二極管D2續流導通后,相應的磁感應強度將會由D點重新過渡到A點。在D2由截止變為導通續流時,由于Ls存在著導通延時時間DT,這會影響D2的續流作用,并會在D2的負極產生負值尖峰電壓,在電路中增加輔助二極管D3及電阻R1,可以較好地解決這一問題。

可飽和電感在磁放大器穩壓技術中的應用
磁放大器穩壓是利用可飽和電感導通延時的物理特性來控制開關電源的占空比和輸出功率,穩定電源輸出電壓的一種方法。在可飽和電感上加上適當的采樣和控制元件,調節其導通延時的時間,就可以構成最常見的磁放大器穩壓電路。圖5是一個輸入為110Vac~220Vac/50HZ,輸出為5Vdc/20A,12Vdc/10A的雙管正激開關穩壓電源,其中5V是主控回路。其輔路12V輸出電流較大,對穩壓精度和負載穩定度都有較高要求,采用普通的方法穩壓效果都不是很理想,如果采用磁放大器穩壓技術就可圓滿解決這一問題,使穩壓電路的結構簡單,耗散功率小,并可達到毫伏級的穩壓精度。
110Vac~220Vac/50HZ輸入經有源功率因數校正電路提升電壓后,輸出400Vdc的直流電壓加在功率模塊初級上,次級繞組N1輸出峰值為20V、占空比約為25%的方波電壓,次級繞組N2的輸出峰值電壓為50V。在加入磁放大器穩壓電路前(圖5中虛線框部分),輔路12V處的輸出電壓V2»50V´0.25=12.5V,在5V滿載而12V空載時,由于輔路沒有死負載放電回路,實際輸出電壓還會高得多。加入磁放大器穩壓電路后,由于它的調節作用,輔路在任何負載條件下都可以得到理想的12V輸出電壓。下面分析磁放大器穩壓電路的工作原理,穩壓過程中可飽和電感Ls的磁感應強度變化曲線仍可由圖4表示。
當初級功率管V1和V2截止時,次級二極管D1反向截止,二極管D2導通續流,儲能電感L1釋放能量,電源的輔路處于關斷狀態,此時,一個毫安級的小電流If經Q1、D3流入可飽和電感Ls,在Ls中產生了附加磁感應強度B0,B0位于磁滯回線的V點。在功率管V1和V2重新導通后,由于電感Ls的限流作用,D1中的電流只能緩慢增大,D2仍起著續流的作用,電源的輔路仍處于關斷狀態。只有在經過DT的延時時間后,當D1中的電流增加到了一定數值,Ls中的磁感應強度達到了飽和磁感應強度BS(A點)時,Ls才會立即飽和,D1中的電流迅速增加,D2迅速截止,儲能電感L1進入儲能階段,電源的輔路進入了導通狀態。

由上面的分析可知,由于可飽和電感Ls的插入,使得輔路的導通時間T´ON、占空比a´都較主回路小,通過對占空比a´的調節最終實現了輔路輸出穩壓的目的。a´具有很大的調節范圍,在輔路完全空載時,a´幾乎可以被調節至0,從而使輔路具有了很高的負載穩定度和穩壓精度。占空比a´可根據下式計算:
a´=T´ON/T=(TON-DT)/T (2)
式中:TON:主回路的導通時間;T:電源的開關周期;DT:Ls的導通延時時間。
可飽和電感的導通延時時間DT由附加磁感應強度B0、電流If等確定,B0、If由采樣控制電路根據輸出電壓的大小自動調節。DT由下式給出:
DT=N´Ae´(BS-B0)/Vin (3)
式中:BS:可飽和電感的飽和磁感應強度; B0:介于±BS之間,由工作電流If確定;
Ae:可飽和電感的截面積; N:可飽和電感的線圈匝數;
Vin:加在可飽和電感兩端的電壓。
在B0=-BS時,DT有最大值DTmax=2N´Ae´BS/Vin;在B0=Br時,DT有最小值DTmin=N´Ae´(BS-Br)/Vin。If一般設計為幾十毫安,If的近似值由下式給出:
If»(HC-B0/mi)´lm/N (4)
式中:HC:可飽和電感的矯頑力;mi:起始磁導率;lm:可飽和電感的等效磁路長度。
基于與正激電源輔路輸出穩壓同樣的原理,由兩套磁放大器穩壓電路就可以構成推挽電源、橋式電源的輔路輸出穩壓單元。此外,也可以由磁放大器方便地組成正反混激電源輔路輸出穩壓單元等,在這里就不一一贅述。
本文介紹了可飽和電感的基本物理特性和可飽和電感的開關噪聲抑制作用,重點分析了磁放大器穩壓電路的工作原理,并提出了幾個理論計算公式。在電源的實際工程設計中,由于供貨廠商通常都會提供可飽和電感和磁放大器的經驗設計公式,所以實際設計工作還是比較簡單容易的。磁放大器穩壓電路對于電路參數的要求并不是十分嚴格,在正常情況下都可以取得非常良好的穩壓效果。



