【導讀】POC同軸纜供電技術,利用同軸電纜整合視頻傳輸與直流供電功能。該系統方案由前端POC攝像機、POC供電設備等組成,可以有效減少攝像頭的布線長度,節省空間,減少施工人力成本。

圖片來自百度百科
引言
POC(Power Over Coaxial)同軸纜供電技術,利用同軸電纜整合視頻傳輸與直流供電功能。該系統方案由前端POC攝像機、POC供電設備等組成,可以有效減少攝像頭的布線長度,節省空間,減少施工人力成本。
PoC供電
常規監控系統布線中,一般需要布置電源專線給攝像機、錄像機供電,以及網絡專線(RJ45網線等)給網絡攝像機、錄像機傳輸圖像信號(傳輸距離局限于100米),如圖1。PoC 是一種新型網絡監控的布線傳輸方案,支持用一根同軸電纜給多臺前端設備供網供電,傳輸距離超過300米,如圖2,但由此帶來的供電線受信號干擾問題需要通過適當的EMC濾波網絡來解決。

圖1

圖2(圖片來自TI官網)
PoC濾波網絡設計
目前常見的EMC濾波網絡方案有2階或3階方案,目的是構建一個足夠帶寬的阻抗網絡,用以濾除從數MHz到GHz范圍內的視頻噪音。如圖3,當使用PoC時,在電纜兩端的PoC電感器充當同軸電纜的分流元件。要想使向前通道信號和反向通道信號盡量不受影響,PoC電路中就需要在帶寬內阻抗很高的電感。

圖3(圖片來自TI官網)
在DC線路,IR導致的壓降要足夠小來保證電源效率,因此電感和線纜需要有較低的DCR。另外為了傳輸更高的功率和保持高效率,一般需要采用更高的傳輸電壓。當然,在采用更高的傳輸電壓時,AC耦合電容必須有合適的額定電壓來匹配高壓系統(如圖4)

圖4(圖片來自TI官網)
這就對電感提出了以下幾方面要求:
?電感的阻抗必須足夠大,才能有效的避免影響高速信號。
?電感必須有足夠的帶寬來支持信號操作頻率。
?必須有足夠高的飽和電流來支持全負載時通過的電流。
?其他由于壓降導致在電感上產生的噪音或干擾要足夠小以降低對AC信號的影響。
對應的電感參數解釋如下圖5:

圖5(圖片來自TI官網)
■ L(電感量):電感器必須在視頻信號的頻率范圍內提供高阻抗,才能有效的支持交流信號。
■Isat(飽和電流)當電流更大時,電感值會顯著下降,需要有很高的飽和電流,才能支持電路的負載直流電流。
■RL(DCR直流電阻)為了不影響DCR ( U=IR )下降及能量的能量分布,應該選擇較低的直流電阻。SRF(自諧頻率) SRF必須要足夠高,才可以支持電路的工作頻率。如果SRF超過了工作頻率,電感器的阻抗變大,電感就起到電容的作用了。
在現實中,為了覆蓋反向通道頻率和前信道頻率,很難找到一個具有非常寬的帶寬的電感器,若通過不同值和不同SRF的級聯多重電感,就能構造出寬的帶寬PoC電感。這樣它們就能支持全負荷電流,且能夠保持電感值來達到高阻抗(圖6)。

圖6(圖片來自TI官網)
PoC濾波網絡設計模擬
順絡電子可以提供不同尺寸和特性的電感來滿足PoC濾波網絡的需求,我們通過不同的解決方案模擬來看看實際的效果。
1)2階方案-小尺寸

圖片來自順絡

圖片來自順絡
此方案中,對于1MHz~3GHz范圍內的噪音抑制都在-22db以上,最大抑制頻率大約在100MHz,接近-40dB。
2)3階方案A—工業品

圖片來自順絡

圖片來自順絡
此方案中,對于1MHz~3GHz范圍內的噪音抑制都在-33db以上,最大抑制頻率大約在1000MHz,接近-45dB。
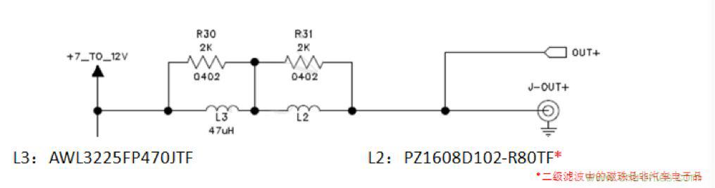
3)3階方案B—車載品

圖片來自順絡

圖片來自順絡
此方案中,對于1MHz~3GHz范圍內的噪音抑制都在-31db以上,最大抑制頻率大約在30MHz,接近-45dB。
4)3階方案C—小尺寸

圖片來自順絡

圖片來自順絡
在頻率為8MHz-2GHz的范圍內,阻抗均大于1.8 KOhm。
總結
1)整體三級濾波更好(二級濾波在100Mhz~500MHz的濾波效果比三級濾波略好)
2)2階方案和三級方案C是小尺寸物料推薦,適用于電流較小,空間有限中應用。
推薦閱讀:




