【導讀】長久以來,隔離一直被設計師視為一個必不可少的負擔。說它必不可少是因為,它可以使電子元件變得安全,以便任何人都能使用。說它是個負擔是因為,它會限制通信速度,消耗大量電能,并占用較大的電路板空間。基于老技術的光耦合器,甚至許多較新的數字隔離器,其功耗非常高,致使某些類型的應用失去了可行性。在本文中,我們將考察超低功耗隔離領域的最新發展,其與現有技術的關系,以及其實現方式。同時,我們還將探討可以從這類新器件受益的多種應用。
對設計師來說,大約45年前出現的現代光耦合器是一個巨大的進步。它們允許在電源控制電路中實現反饋,在通信電路中實現信號隔離以中斷接地環路,以及對高端功率晶體管或電流監控器進行通信。
20世紀70年代,光電器件大量涌現。這些器件影響了RS-232、RS-485等通信標準,以及4至20 mA電路環路和DeviceNet及PROFIBUS等工業總線的發展。受隔離器件本身限制的影響,光隔離的功能決定了這些通信總線的諸多特性。在接下來的20年中,隔離技術的發展變化基本上屬于量變,而到了2000年,市場上出現了首批新型芯片級數字隔離器。這些新器件以感性耦合技術為基礎,采用芯片級變壓器、GMR材料以及后來的差分容性耦合技術。與較老的光耦合器相比,這些新技術可以實現超高的速率和超低的功耗水平,然而,受當時實施的標準限制,新器件的許多功能(如高速率)并未得到充分利用,因為現行標準接口并不需要這些功能。
在數字隔離器采用標準封裝和IC工藝制造其編碼和解碼電子元件之后,數字化功能的添加變得十分簡便。低功耗、對低電源電壓的支持以及高集成度成為非光學隔離器的主要設計優勢。能大幅提高隔離速率并且大幅降低隔離功耗的新技術可以支持要求最為苛刻的新接口標準。目前,數字隔離器的功耗(遠遠低于光耦合器)需要低兩至三個數量級才能進入新的應用空間。到目前為止,高性能隔離還不能實現這一目標。
各種技術的比較
隔離器件性能的快速發展是數據編碼方案與數據傳輸所用介質的效率共同作用的結果。在本文中,我們將集中討論決定功耗的各個方面。編碼和解碼方案可以大致分為基于邊沿編碼脈沖的系統和電平編碼系統。簡單而言,基于電平的系統必須持續地將能量推過隔離柵,以保持一個主動輸出狀態,同時,通過不越過隔離柵發送能量來表示被動輸出狀態。
在光耦合器中,光會對能量傳輸進行調解,與直接建立電場或磁場相比,其效率較低,并且在接收元件端,其檢測效率較差。因此,簡單的晶體管或基于PIN二極管的光耦合器需要消耗大量電能來產生光,以使輸入保持開啟狀態,但接收器只需消耗很少的電能即可接收信號。這一點可以在表1中看出,其中列出了PIN二極管接收器光耦合器的功耗。平均而言,這類光耦合器具有高輸入電流和低輸出電流的特點。較高速率的數字光耦合器通過在接收器中增加有源放大模塊的方式,減少了維持某種狀態所需要的光量。這就降低了LED所需要的平均電流,但接收器具有相對較大的靜態電流,因此,其功耗并未真正降低——只是推到了接收器端。降低所需功耗需要提高LED和接收器元件的效率,或者更改編碼方案。這就是光耦合器技術在如此長的時間中,只取得了量變發展的原因所在。
在許多容性耦合數字隔離器中,系統實際上與光耦合器相似。這類器件采用一個高頻振蕩器來把信號通過一對差分電容傳遞出去。該振蕩器,非常像光耦合器中的LED,需要消耗電能以發送主動狀態,并關閉以發送被動狀態。接收器配有有源放大器,在兩種狀態下都要消耗偏置電流。如表1所示,由于電容的耦合效率較高,總功耗要顯著好于光耦合器選項。需要注意的是,如果采用感性耦合而非容性耦合技術,數字隔離器的功率水平大致與之相當。在這種情況下,決定最低功率水平的主要是編碼方案,在低數據速率下尤其如此。
ADI出品的iCoupler型數字隔離器(如ADuM140x系列)采用了另一種編碼方案,如圖1所示。在該方案中,邊沿在輸入端檢測并編碼成脈沖。在ADuM140x中,一個脈沖代表一個下降沿,兩個脈沖表示一個上升沿。這些脈沖通過小型片內脈沖變壓器耦合至次級繞組。接收器對脈沖計數,并重構數據流。脈沖本身具有出色的魯棒性,可以獲得優秀的信噪比,但其寬度只有1ns,因此,每個脈沖的能量是很低的。結果產生非常好的屬性,即當沒有數據發生變化時,輸出端的狀態會被鎖存保持,幾乎不消耗電能。這意味著,功耗就是脈沖流中傳輸的集成電能加上一定的偏置電流。隨著數據速率的下降,功耗呈線性下降,直到直流為止。同樣,導致功耗減少的是編碼方案而不是特定數據傳輸介質,該方案可以在容性,甚至光學系統中實現。

圖1.基于脈沖的編碼方案
脈沖編碼方案并非低功耗的靈丹妙藥。其缺點是,如果輸入端無邏輯變化,則不會將數據發到輸出端。這意味著,如果存在因啟動序列導致的直流電平差,則輸入端和輸出端將不匹配。ADuM140x解決了這個問題,其方法是在輸入通道上實現一個刷新看門狗計時器,如果在超過1μs的時間內未檢測到活動,則會重新發送直流狀態。這種設計的結果是,當數據速率低于1 Mbps時,該編碼方案不再繼續減少功耗。器件基本上始終運行在至少1 Mbps的速率下,因此,在低數據速率下,功耗不會繼續下降。即便如此,與表1所示電平敏感型方案相比,脈沖編碼方案的平均功耗較低。

表1.隔離器每通道功耗比較(VDD= 3.3 V,100 kbps)
進一步降低功耗
ADuM140x脈沖編碼方案最初是針對高數據速率而非絕對最低功耗而優化的。該編碼方案在降低功耗方面潛力巨大,尤其是在直流至1 Mbps頻率范圍內。這一數據范圍正是多數隔離應用所使用的范圍,尤其是要求低功耗的隔離應用。基于4通道ADuM144x和2通道ADuM124x iCoupler技術的系列器件采用了以下創新技術。
1.設計采用較低電壓CMOS工藝實現
2.全部偏置電流均經過評估,并盡可能將偏置降至最低或完全消除
3.將刷新電流的頻率從1 MHz減至17 kHz
4.刷新電路可以完全禁用,以實現最低功耗
功耗為頻率的函數,如圖2所示(相較于ADuM140x)。對于ADuM140x,刷新導致的曲線“膝部”在1 Mbps時清楚可見,對于ADuM144x,當啟用刷新時,則在17 kbps下清晰可見。ADuM144x的典型每通道功耗,在1 kbps下要低65倍,而在完全禁用刷新功能時,則大約低1000倍。

圖2. ADuM144x和ADuM140x器件在VDDX = 3.3 V條件下的每通道總功耗
為什么功耗下降這么多很有用?在以下三種應用中,傳統光耦合器和數字隔離器要么勉強合格,要么完全不可用。
4 mA至20 mA隔離環路供電現場儀表

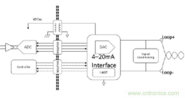
圖3.搭載HART調制解調器支持的隔離式、環路供電型智能傳感器前端
環路供電型現場儀表的功耗預算十分有限,因為全部電能均來自4 mA環路電流。幸運的是,環路通常可以提供足夠的電壓,一般為24 V,可以從系統獲得大約100 mW的功率。整個應用將消耗大約12 V環路電壓(4 mA)。在該預算范圍內,簡單的DC-DC轉換器為隔離式傳感器、模數轉換器(ADC)和控制器供電。即便假定DC-DC轉換器具有較高的效率,且電壓降壓比例為2:1,則典型傳感器前端可提供的功率小于4 mA(3.3 V)。環路端的功耗預算大致相同。主要接口是連接ADC的SPI總線。隔離接口的每一端均由環路供電,還有控制器的全部ADC以及信號調理元件都是由環路供電。表2所示為每種隔離技術下的一個4線SPI總線的功耗。SPI 1為隔離的環路端電流,SPI 2為所需要的傳感器端電流。光耦合器在隔離接口的每一端都將消耗多倍于功耗預算的電能。容性數字隔離器將消耗現場儀表的全部功耗預算。ADuM1401代表著一種可能性,但系統其余部分的功耗預算十分勉強,即便只支持連接ADC的單個SPI接口。采用iCoupler技術的超低功耗數字隔離器ADuM1441的功耗非常低,僅占功耗預算的很小一部分。該技術不但允許應用在其功耗預算范圍內正常工作,同時允許添加第二個4通道隔離器,以支持HART調制解調器接口和智能前端控制器,如圖中虛線部分所示。功耗超低的iCoupler技術可以實現以前的隔離應用不可能實現的新功能。

表2.一個100 kbps隔離式SPI接口的每一端的總功耗
以太網供電I2C通信總線

圖4.搭載隔離式I2C和中斷的POE、4端口控制器
諸如以太網供電(POE)一類的電信類應用從相對較高的電壓軌獲得電能,該電壓軌提供以太網電能。控制通信接口必須從隔離式DC-DC轉換器或者通過–54 V總線電壓穩壓器獲得電能。在圖4所示示例中,3.3 V的I2C控制總線通信接口由POE控制器內置的穩壓器產生。圖3所示為在POE控制器端運行I2C總線接口所需要的電流,以及POE控制器為支持每種技術所消耗的功耗。光耦合器解決方案會在芯片中產生半瓦特的熱量,該芯片很可能已經接近其熱極限。在表中,從上往下,每個接口均略好于前一個,最后我們看到超低功耗的ADuM1441,其功耗約為1 mW。如此一來,該接口的熱負載在這種芯片中顯得微不足道。即使電源未在POE芯片內部調節,該功耗也非常低,可以使用一個簡單的齊納二極管和電阻,從而使節能元件的成本和冷卻負載達到合理水平。該技術簡化了電源架構。

表3.各種隔離技術在POE應用中的總功耗
電池供電設備

圖5.電池供電醫療傳感器
超低功耗的第三個應用示例是為持續時間較長的電池供電應用提供支持。面向家庭健康監護的醫療器械(如血糖儀、脈搏血氧儀)必須采用特殊結構,以在接觸病人的同時,還能連接非醫療極計算機。必須為串行接口供電,并在連接計算機時,能喚醒設備,因此,待機電路中應采用有源隔離器。在這種情況下,利用ADuM1441的刷新禁用功能可以使器件的電池能耗降至4μA以下。這一功耗水平非常低,即使一枚紐扣電池,也可以使待機電流維持數年時間。
ADuM1441的超低功耗同時支持為隔離模塊面向計算機的一端方便供電。只需要幾μA電流即可實現接口操作,因此,可以將串行接口中的一條狀態線專門用于為隔離器供電,這樣就不需要使用專門的電源了。
表4展示的是光耦合器的部分屬性,以及工作于待機模式下的各種數字隔離。請注意,如果選擇了正確的空閑狀態,則PIN/晶體管隔離器的待機電流實際上可能像基于超低功耗iCoupler的產品一樣低。人們利用光耦合器的這種特性來在許多應用中實現低功耗待機。然而,一旦開始通信,功耗就會上升至較高水平,ADuM1441解決方案就不會這樣。

表4.隔離器的總低速和空閑功耗
結論
ADI已經為脈沖編碼型iCoupler數字隔離器開發出一款新版本,該版本針對極低功耗而進行了優化。對該器件做出的改動并未影響器件的隔離功能,因為所用絕緣技術與高分辨率增強絕緣器件中完全相同。信號完整性類似于市場上過去13年以來出現的標準iCoupler。根據設計,這些器件
在直流至1 Mbps范圍內可以支持超低功耗工作,數據速率越低,功耗越低。這種技術因工作功耗要低得多,因此,可以實現以前不可能實現的接口隔離性能。
推薦閱讀:




