- 電氣隔離的分類和方法
- 模擬電路的隔離、數字電路的隔離
- 模擬電路與數字電路之間的隔離
- 對相應的模擬電路分別進行變壓器隔離等方法
- 對相應的數字電路分別進行脈沖變壓器隔離,光電耦合器隔離等方法
- 對數字電路和模擬電路采用轉換裝置等方法
1 引言
電路隔離的主要目的是通過隔離元器件把噪聲干擾的路徑切斷,從而達到抑制噪聲干擾的效果。在采用了電路隔離的措施以后,絕大多數電路都能夠取得良好的抑制噪聲的效果,使設備符合電磁兼容性的要求。電路隔離主要有:模擬電路的隔離、數字電路的隔離、數字電路與模擬電路之間的隔離。所使用的隔離方法有:變壓器隔離法、脈沖變壓器隔離法、繼電器隔離法、光電耦合器隔離法、直流電壓隔離法、線性隔離放大器隔離法、光纖隔離法、A/D轉換器隔離法等。
數字電路的隔離主要有:脈沖變壓器隔離、繼電器隔離、光電耦合器隔離、光纖隔離等。其中數字量輸入隔離方式主要采用脈沖變壓器隔離、光電耦合器隔離;而數字量輸出隔離方式主要采用光電耦合器隔離、繼電器隔離、高頻變壓器隔離(個別情況下采用)。
模擬電路的隔離比較復雜,主要取決于對傳輸通道的精度要求,對精度要求越高,其通道的成本也就越高;然而,當性能的要求上升為主要矛盾時,應當以性能為主選擇隔離元器件,把成本放在第二位;反之,應當從價格的角度出發選擇隔離元器件。模擬電路的隔離主要采用變壓器隔離、互感器隔離、直流電壓隔離器隔離、線性隔離放大器隔離。
模擬電路與數字電路之間的隔離主要采用模/數轉換裝置;對于要求較高的電路,除采用模/數轉換裝置外,還應在模/數轉換裝置的兩端分別加入模擬隔離元器件和數字隔離元器件。
2 模擬電路的隔離
一套控制裝置或者一臺電子電氣設備,通常包含供電系統,模擬信號測量系統,模擬信號控制系統。而供電系統又可分為交流供電系統和直流供電系統,交流供電系統主要采用變壓器隔離,直流供電系統主要采用直流電壓隔離器隔離。模擬信號測量系統相對來說比較復雜,既要考慮其精度,頻帶寬度的因素,又要考慮其價格因素;對于高電壓、大電流信號,一般采用互感器(電壓互感器、電流互感器)隔離法,近年來,又出現了霍爾變送器,這些元器件都是高電壓、大電流信號測量常規使用的元器件;對于微電壓、微電流信號,一般采用線性隔離放大器。模擬信號控制系統與模擬信號測量系統的隔離類似,一般采用變壓器、直流電壓隔離器。
2.1 供電系統的隔離
2.1.1 交流供電系統的隔離
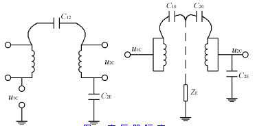
由于交流電網中存在著大量的諧波,雷擊浪涌,高頻干擾等噪聲,所以對由交流電源供電的控制裝置和電子電氣設備,都應采取抑制來自交流電源干擾的措施。采用電源隔離變壓器,可以有效地抑制竄入交流電源中的噪聲干擾。但是,普通變壓器卻不能完全起到抗干擾的作用,這是因為,雖然一次繞組和二次繞組之間是絕緣的,能夠阻止一次側的噪聲電壓、電流直接傳輸到二次側,有隔離作用。然而,由于分布電容(繞組與鐵心之間,繞組之間,層匝之間和引線之間)的存在,交流電網中的噪聲會通過分布電容耦合到二次側。為了抑制噪聲,必須在繞組間加屏蔽層,這樣就能有效地抑制噪聲,消除干擾,提高設備的電磁兼容性。圖1(a)、(b)所示為不加屏蔽層和加屏蔽層的隔離變壓器分布電容的情況。

圖1 變 壓 器 隔 離

在圖1(a)中,隔離變壓器不加屏蔽層,C12是一次繞組和二次繞組之間的分布電容,在共模電壓u1C的作用下,二次繞組所耦合的共模噪聲電壓為u2C,C2E是二次側的對地電容,則從圖可知二次側的共模噪聲電壓u2C為:
u2C=u1CC12/(C12+C2E)
在圖1(b)中,隔離變壓器加屏蔽層,其中C10、C20分別代表一次繞組和二次繞組對屏蔽層的分布電容,ZE是屏蔽層的對地阻抗,C2E是二次繞側的對地電容,則從圖可知二次側的共模噪聲電壓u2C為:
u2C=〔u1CZE/(ZE+1/jωC10)〕〔C2E/(C20+C2E)〕
由于C2是屏蔽層的對地阻抗,在低頻范圍內,ZE《(1/jωC10),所以u2C→0。由此可見,采取屏蔽措施后,通過隔離變壓器的共模噪聲電壓被大大地削弱了。
隨著技術的進步,國外已研制成功了專門抑制噪聲的隔離變壓器(NoiseCutoutTransformer,簡稱NCT),這是一種繞組和變壓器整體都有屏蔽層的多層屏蔽變壓器。這類變壓器的結構,鐵心材料,形狀及其線圈位置都比較特殊,它可以切斷高頻噪聲漏磁通和繞組的交鏈,從而使差模噪聲不易感應到二次側,故這種變壓器既能切斷共模噪聲電壓,又能切斷差模噪聲電壓,是比較理想的隔離變壓器。
2.1.2 直流供電系統的隔離
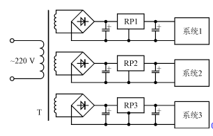
當控制裝置和電子電氣設備的內部子系統之間需要相互隔離時,它們各自的直流供電電源間也應該相互隔離,其隔離方式如下:第一種是在交流側使用隔離變壓器,如圖2(a)所示;第二種是使用直流電壓隔離器(即DC/DC變換器),如圖2(b)所示。

(a)交 流 側 隔 離 (b)直 流 隔 離
圖2 直 流 電 源 系 統 的 隔 離
圖2 直 流 電 源 系 統 的 隔 離
2.2 模擬信號測量系統的隔離
對于具有直流分量和共模噪聲干擾比較嚴重的場合,在模擬信號的測量中必須采取措施,使輸入與輸出完全隔離,彼此絕緣,消除噪聲的耦合。隔離對系統有如下好處:
——防止模擬系統干擾,尤其是電力系統的接地干擾進入邏輯系統,導致邏輯系統的工作紊亂;
——在精密測量系統中,防止數字系統的脈沖波動干擾進入模擬系統,尤其是前置放大部分,因為前置放大部分的信號非常微弱,較小的騷擾波動信號就會把有用信號淹沒。
[page]
2.2.1 高電壓、大電流信號的隔離
高電壓、大電流信號采用互感器隔離,其抑制噪聲的原理與隔離變壓器類似,這里不再贅述。互感器隔離的應用如圖3(a)所示。

2.2.2 微電壓、微電流信號的隔離
微電壓、微電流模擬信號的隔離系統相對來說比較復雜,既要考慮其精度,頻帶寬度的因素,又要考慮其價格因素。一般情況下,對于較小量的共模噪聲,采用差動放大器或儀表放大器就能夠取得良好的效果,但對于具有較大量的共模噪聲,且測量精度要求比較高的場合,應該選擇高精度線性隔離放大器,如BB公司的ISO106,其主要參數如下:
——交流耐壓35kV/1min,60Hz;
——直流耐壓495kV;
——沖擊耐壓8kVPK/10s;
——非線性誤差0.007%;
——隔離噪聲抑制比交流130dB,直流160dB。
ISO106的優秀參數,使其大量地應用于精密測量系統中,線性隔離放大器的應用如圖3(b)所示。
2.3 模擬信號控制系統的隔離
如前所述,模擬信號控制系統的隔離與模擬信號測量系統的隔離類似,即交流信號一般采用變壓器隔離,直流信號一般采用直流電壓隔離器或線性隔離器隔離。
3 數字電路的隔離
與模擬系統類似,一套控制裝置,或者一臺電子電氣設備,通常所包含的數字系統有:數字信號輸入系統,數字信號輸出系統。數字量輸入系統主要采用脈沖變壓器隔離,光電耦合器隔離;而數字量輸出系統主要采用光電耦合器隔離,繼電器隔離,個別情況也可采用高頻變壓器隔離。
3.1 光電耦合器隔離
這種隔離方法是用光電耦合器把輸入信號與內部電路隔離開來,或者是把內部輸出信號與外部電路隔離開來,如圖4(a)、(b)所示。


目前,大多數光電耦合器件的隔離電壓都在2.5kV以上,有些器件達到了8kV,既有高壓大電流大功率光電耦合器件,又有高速高頻光電耦合器件(頻率高達10MHz)。常用的器件如:4N25,其隔離電壓為5.3kV;6N137,其隔離電壓為3kV,頻率在10MHz以上。
3.2 脈沖變壓器隔離
脈沖變壓器的匝數較少,而且一次繞組和二次繞組分別繞于鐵氧體磁芯的兩側,這種工藝使得它的分布電容特小,僅為幾個pF,所以可作為脈沖信號的隔離元件。脈沖變壓器傳遞輸入、輸出脈沖信號時,不傳遞直流分量,因而在微電子技術控制系統中得到了廣泛的應用。一般地說,脈沖變壓器的信號傳遞頻率在1kHz~1MHz之間,新型的高頻脈沖變壓器的傳遞頻率可達到10MHz。圖5(a)是脈沖變壓器的示意圖。脈沖變壓器主要用于晶閘管(SCR)、大功率晶體管(CTR)、IGBT等可控器件的控制隔離中。圖5(b)是脈沖變壓器的應用實例。
脈沖變壓器的匝數較少,而且一次繞組和二次繞組分別繞于鐵氧體磁芯的兩側,這種工藝使得它的分布電容特小,僅為幾個pF,所以可作為脈沖信號的隔離元件。脈沖變壓器傳遞輸入、輸出脈沖信號時,不傳遞直流分量,因而在微電子技術控制系統中得到了廣泛的應用。一般地說,脈沖變壓器的信號傳遞頻率在1kHz~1MHz之間,新型的高頻脈沖變壓器的傳遞頻率可達到10MHz。圖5(a)是脈沖變壓器的示意圖。脈沖變壓器主要用于晶閘管(SCR)、大功率晶體管(CTR)、IGBT等可控器件的控制隔離中。圖5(b)是脈沖變壓器的應用實例。

3.3 繼電器隔離
繼電器是常用的數字輸出隔離元件,用繼電器作為隔離元件簡單實用,價格低廉。圖6是繼電器輸出隔離的實例示意圖。在該電路中,通過繼電器把低壓直流與高壓交流隔離開來,使高壓交流側的干擾無法進入低壓直流側。

4 模擬電路與數字電路之間的隔離
一般地說,模擬電路與數字電路之間的轉換通過模數轉換器(A/D)或數模轉換器(D/A)來實現。但是,若不采取一定的措施,數字電路中的高頻振蕩信號就會對模擬電路帶來一定的干擾,影響測量的精度。為了抑制數字電路對模擬電路帶來的高頻干擾,一般須將模擬地與數字地分開布線,參見圖7(a)。這種布線方式不能徹底排除來自數字電路的高頻干擾,要想排除來自數字電路的高頻干擾,必須把數字電路與模擬電路隔離開來,常用的隔離方法是在A/D轉換器與數字電路之間加入光電耦合器,把數字電路與模擬電路隔離開,參見圖7(b)。但這種電路還不能從根本上解決模擬電路中的干擾問題,仍然存在著一定的缺陷,這是因為信號電路中的共模干擾和差模干擾沒有得到有效的抑制,對于高精密測量的場合,還不能滿足要求。對于具有嚴重干擾的測量場合,可采用圖7(c)所示的電路。在該電路中,把信號接收部分與模擬處理部分也進行了隔離,因為在前置處理級與模數轉換器(A/D)之間加入線性隔離放大器,把信號地與模擬地隔開,同時在模數轉換器(A/D)與數字電路之間采用光電耦合器隔離,把模擬地與數字地隔開,這樣一來,既防止了數字系統的高頻干擾進入模擬部分,又阻斷了來自前置電路部分的共模干擾和差模干擾。當然,這種系統的造價較高,一般只用于高精度的測量系統中。
數模轉換(D/A)電路的隔離與模數轉換(A/D)電路的隔離類似,因而所采取的技術措施也差不多,圖7(d)是數模轉換(D/A)電路的隔離方法之一。



5 結語
以上對電子電路的電氣隔離問題作出了概括性的論述,在產品的研制實踐中,還要對電子電氣設備的內部噪聲及外部干擾進行全面的分析,結合“接地問題”,“屏蔽問題”,選擇合理的隔離方式及其恰當的隔離部位,進行統一部署,才能設計出滿足電磁兼容性要求的合格產品,造福于社會。




