在三相正弦波逆變器瞬中瞬態共同導通往往是被忽略的問題,因為瞬態過程很難捕捉。
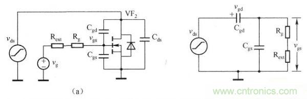
以半橋變換器為例,其典型驅動電路如下圖a)所示,理想的柵極電壓波形如下圖(b)所示。

但是,在實際測試中的柵極電壓波形則如下圖所示。

圖中,圓圈處的電壓尖峰就是其中一個MOSFET開通時,引起處于關閉狀態的另一個MOSFET的柵極電壓尖峰。如果這個電壓尖峰超過MOSFET的導通閾值電壓(特別是在結溫較高時,閾值電壓下降到常溫的2/3),原處于關斷的MOSFET將被觸發導通,就會產生橋臂的兩個MOSFET瞬態共同導通現象,即使僅導通數十納秒也很可能損壞MOSFET。由于使MOSFET損壞的時刻是隨機的,故通常很難找到故障的真正原因。
產生這種現象的根本原因是MOSFET漏極電壓迅速上升,并產生電容電流,通過MOS-FET的反向傳輸電容與輸入電容分壓,在MOSFET的柵一源極間產生電壓。
1、瞬態共同導通產生的原因與分析
可以通過MOSFET的動態模型進行分析,MOSFET的動態模型如下圖所示。

圖中,Cgs、Cgd、Cds、Rg分別為MOSFET內部的的柵/源電容、柵/漏電容、輸出電容和MOSFET的柵極體電阻。
[page]
在VF1開通階段,盡管VF2處于關斷狀態,VF2的寄生二極管導通續流。由于VF1的開通,VF2的漏極電壓急速上升,這個高幅值的dv/dt將通過VF2的寄生參數對VF2的柵極電壓造成影響,其等效電路如下圖所示。

圖中的Rext為驅動電路內阻和驅動電路與MOSFET間串聯電阻之和。
由于MOSFET在開通時并不能立即導通,因此可認為是一個線性上升的函數。這一階段的等效電路如下圖(a)和下圖(b)所示,同時可以認為VF2的柵極電壓為O。

圖(b)的等效電路變為一個簡單的RC回路,其節點和回路方程為

解式(18-8)的微分方程,開通過程完成時幅值最大,即t=Tm時,其Vgsmax為

很顯然,Vgsmax的幅值為V通過Cgd、Cgs所得到的分壓值。
當C.dv/dt引起的柵極電壓超過了VF2的導通閾值電壓,在VF1開通時,VF2也將開通。這樣,輸入電源將經過VF1、VF2流過一個大的穿通電流,同時,VF1還承擔負載電流。
這樣,VF1、VF2的功耗增加,又導致結溫升高,使整個電源的效率下降,甚至會損壞MOSFET。
[page]
解決方案
綜上所述,需要采取措施消除由于C.dv/dt造成的誤導通。其基本方法為:盡可能地采用Crss/Ciss比值小的MOSFET;降低Rt. (Cgdd+Cgs)時間常數,即減小Rt的阻值;減緩MOS-FET漏極電壓的上升速率;采用負極性電壓維持MOSFET的關斷,將C.dv/dt所產生的電壓尖峰施加負的初始電壓,使其峰值不超過MOSFET的導通閾值電壓Vth。
采用Crss/Ciss比值小的MOSFET
實際上,早期MOSFET的Cgd/(Cgd+Cgs)的比值往往小于Vth/Vm的比值,如400V/10A的IRF740,其Cgd為 120pF;Cgs為1400pF;Cgd/(Cgd+Cgs)為0.0789,這個數值遠高于IRF740的3.5V的導通閾值電壓與180~200V 峰值漏極電壓變化值的比值。因此在驅動速度極快時,引起IRF740誤導通的柵極電壓最高可以達到約14V。如果不加以限制,誤導通將是必然的。
如果選用近幾年問世的低柵極電荷的MOSFET,這種情況將大大改善,如ST的STP12NM50的Cgd為20pF,Cgs為 lOOOpF,Cgd/(Cgd+Cgs)為0.0196,約為Vth/Vm,即使在快速驅動條件下也不會產生誤導通現象。因此,選擇性能優異的 MOSFET是第一選擇。
也可以采用加大MOSFET柵一源間外加電容的方式減小Crss/Ciss比值,但是這樣將降低MOSFET的開關速度,增加開關損耗。這種方式僅限于早期的MOSFET橋式變換器的應用,從提高變換器效率角度考慮,一般不推薦采用。
采用高導通電壓閾值的MOSFET和雙極性電壓驅動
提高MOSFET的導通電壓閾值也是抑制或消除MOSFET誤導通的一個好辦法。如果將常溫導通閾值電壓從3.SV提高到4~4.5V,則MOSFET 誤導通的可能性就會大大降低。對于耐壓在400V以上的MOSFET,比較高的導通閾值電壓一般不會引起MOSFET損耗的增加。
在功率較大的橋式變換器的應用中經常采用雙極性電壓驅動,即在MOSFET關斷期間,MOSFET柵極一源極電壓保持在負極性電壓值。這樣,MOSFET誤導通就從原來MOSFET本身的導通閾值電壓變為導通閾值電壓加負偏置電壓。例如,采用-15V關斷電壓值,則令MOSFET誤導通的電壓至少要達到18.5V,這是幾乎不可能達到的干擾電壓值。下圖所示的實測柵極電壓波形證實了這一點。

從圖中可以看到,上圖形中的誤導通電壓值接近4.5V,已經超過MOSFET的導通電壓閾值,出現瞬態共同導通現象。在圖波形中,僅有不到1V的電壓尖峰,甚至可以完全消除這個尖峰。其原因是低驅動回路阻抗與負電壓的共同作用強有力地抑制了柵一源極間的dv/dt和電壓幅值。
因此,即使采用-5V甚至-2V的關斷偏置電壓,也可以確保消除瞬態共同導通想像。
這種解決方案的缺點是電路相對復雜,電路成本略高于其他解決方案。但是這種解決方案是最有效的。
相關閱讀:
網友熱議:光伏逆變器并網方式探討
http://aolaiaolisita.com/power-art/80021486
教你如何六個步驟打造簡易工頻小功率逆變器
http://aolaiaolisita.com/motor-art/80021600



