【導讀】電鍍的電源與普通電源的不同之處在于電鍍電源需要電流輸出,而且對輸出電壓要求較低。電鍍電源功率較大,因此多數采用晶閘管相控整流方式。本文中深入解析了電鍍用開關電源,電流從0-5000A,輸出電壓從0-12V連續可調,60KW的滿載輸出功率。
零電壓軟開關
高頻全橋逆變器的控制方式為移相FB2ZVS控制方式,控制芯片采用Unitrode 公司生產的UC3875N。超前橋臂在全負載范圍內實現了零電壓軟開關,滯后橋臂在75 %以上負載范圍內實現了零電壓軟開關。圖2 為滯后橋臂IGBT 的驅動電壓和集射極電壓波形,可以看出實現了零電壓開通。
開關頻率選擇20kHz ,這樣設計一方面可以減小IGBT的關斷損耗,另一方面又可以兼顧高頻化,使功率變壓器及輸出濾波環節的體積減小。

圖1:IGBT驅動電壓和集射極電壓波形圖
主電路拓撲結構
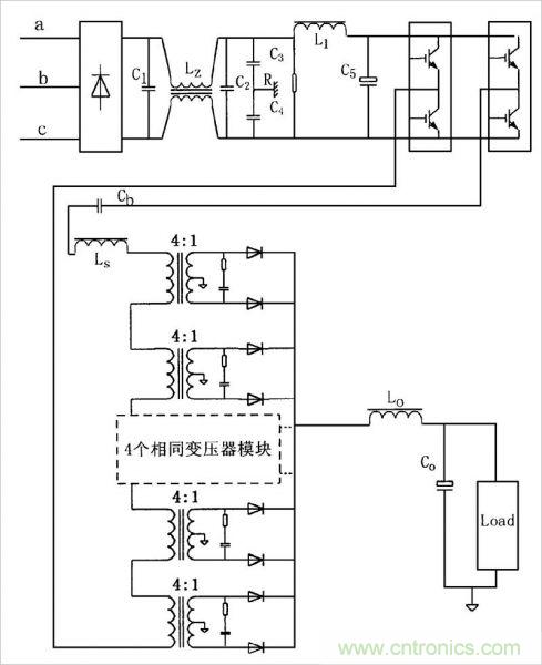
考慮到對大電流輸出的需要,在主電路的高頻逆變部分,本設計選用了IGBT作為功率開關器件的全橋拓撲結構。整個主電路如圖1 所示,包括:工頻三相交流電輸入、二極管整流橋、EMI 濾波器、濾波電感電容、高頻全橋逆變器、高頻變壓器、輸出整流環節、輸出LC 濾波器等。
為了防止偏磁,電路中包含了隔直電容Cb,用它來對變壓器的伏秒值進行平衡。考慮到效率的問題,諧振電感LS 只利用了變壓器本身的漏感。因為如果該電感太大,將會導致過高的關斷電壓尖峰,這對開關管極為不利,同時也會增大關斷損耗。另一方面,還會造成嚴重的占空比丟失,引起開關器件的電流峰值增高,使得系統的性能降低。

圖2:主電路原理圖
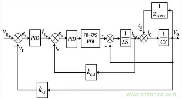
對輸出電流進行限制,是為了對電源當中的開關元件進行保護,以免出現超出過載承受能力的情況。因此,控制電路采用電壓電流雙環結構(內環為電流環,外環為電壓環) ,調節器均為PID。圖3 為控制電路的原理框圖。加入電流內環后,不僅可以對輸出電流加以限制,并且可以提高輸出的動態響應,有利于減小輸出電壓的紋波。

圖3:控制電路的原理框圖
[page]在本設計當中,大量運用了穩壓和穩流的控制電路,圖4為穩壓穩流自動轉換電路。其工作原理是:穩流工作時,電壓環飽和,電壓環輸出大于電流給定,從而電壓環不起作用,只有電流環工作;在穩壓工作時,電壓環退飽和,電流給定大于電壓環的輸出,電流給定運算放大器飽和,電流給定不起作用,電壓環及電流環同時工作,此時的控制器為雙環結構。這種控制方式使得輸出電壓、輸出電流均限制在給定范圍內,具體的工作方式由給定電壓、給定電流及負載三者決定。

圖4:穩壓穩流自動轉換電路
以縮小體積增長效率為目的,本設計采用了軟開關的技術,電源實際容量為60kw高頻全橋逆變器的控制方式為移相FB2ZVS 控制方式,它利用變壓器的漏感及管子的寄生電容諧振來實現ZVS。控制芯片采用Unitrode 公司生產的UC3875N。通過移相控制,超前橋臂在全負載范圍內實現了零電壓軟開關,滯后橋臂在75 %以上的負載范圍內實現了零電壓軟開關。
在本次設計中,電鍍電源采用移相全橋的軟開關電源技術。從主電路拓撲到控制電路的設計,有效的減少了開關的損耗以及噪聲問題,而且功率器件在零電壓狀態實現了軟開關。
相關閱讀:




