- 太陽能電池發電及蓄電池充電的特性
- 太陽能獨立式發電應用系統設計
- 系統配置計算的原理是供需平衡
- 白色LED超高亮度發光二極管作為發光體
太陽能獨立式發電應用系統,指的是與交流市電電網無任何關聯的、完全由用電系統自身攜帶的太陽能電池組件板供電工作的各種工作電器。如各種太陽能草坪燈、庭院燈、景觀燈,獨立的太陽能用戶電源供電系統,道路交通用的紅、藍雙色爆閃燈、黃閃燈,以及航道用的導航信號燈、移動通訊基站等。
一、太陽能獨立式發電應用系統
其系統成見圖1所示。

二、設計實例
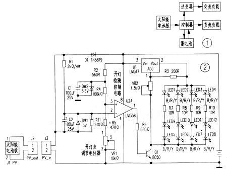
太陽能草坪燈太陽能草坪燈電路如圖2所示,實物如圖3所示。

1.電路原理太陽能電池板輸出的光伏電壓PV_out經插座J1、J2接至電路板,該電壓分成兩路:一路經二極管D1與蓄電池相連,給蓄電池充電,同時向U1、U2提供工作電壓;另一路經R1及C2、DW1、R11并聯分壓后加至運放U2(LM358)的反向輸入端②腳,作為天是否“黑了”的檢測電壓,運放同相輸入端③腳則接于R4與(R5+VR1)串聯電路的分壓點上。其中。VR1是草坪燈點亮調節微調電阻,調節VR1改變U2同相輸入端的比較電壓值,即可改變草坪燈的開燈設置點。
U1為LM317三端穩壓芯片,調節微調電阻VR2可以改變加至草坪燈LED發光二極管的工作電壓.即在Q1導通的情況下,調節VR2使各LED串聯支路的工作電流為20mA。
[page]
電路工作過程如下:在白天,由于太陽能電池板的工作電壓較高,運放U2②腳的電壓高于③腳。①腳輸出低電平,Q1截止,LED發光二極管不亮。隨著夜幕的降臨,太陽能電池板輸出電壓逐漸降低.U2⑦腳電壓也伺時降低,當②腳電壓低于③腳時.運放1腳輸出高電平,Q1導通,四條LED發光二極管支路與“地”連通,LED點亮,當天色轉明時,太陽能電池板電壓再次升高,運放再次截止……,最終導致草坪燈熄滅。草坪燈便如此日復一日,周而復始地工作。
考慮到生產成本,電路中未設計蓄電池過充電控制電路。而蓄電池過放電控制原理則是充分利用了LED發光二極管的導通“勢壘”來實現的,雖未加蓄電池過放控制電路,同樣也能實現蓄電池的過放電保護功能。
2.負栽電路工作情況及工作要求電路中用了12只φ5mm的白色LED超高亮度發光二極管作為發光體,構成四個工作支路,每個支路由三只LED發光二極管串聯組成。白色發光二極管的工作電壓為3V左右,工作電流為20mA。由三端穩壓器U1向發光二極管提供穩定的工作電壓,在這一電壓下要求保證發光管的工作電流為20mA。蓄電池能點亮二極管的最低電壓為:3V×3+(10mA×10R)+Vce+1.25V=10.55V。
式中:3Vx3為三只串聯發光二極管的導通電壓,10mAxl0R為各支路限流電阻上的電壓降,10mA為發光二極管最低點亮工作電流。Vce為Ql導通時的飽和管壓降,約O.2V,1.25V為LM317最小工作電壓。即當蓄電池電壓低于10.55V時,蓄電池停止放電,LED不再發光,從而達到了蓄電池過放電控制保護的目的。其工作要求為:草坪燈在天黑時自動點亮,天明時自動熄滅,同時要求草坪燈在連續三天陰雨天時能正常點亮。
3.系統配置計算太陽能光伏發電系統配置的計算原則是能量守恒,計算的原理是供需平衡,最終實施的方法是:充分考慮不利因素,在保證草坪燈正常工作的情況下盡量壓縮設計成本。
(1)用電功率的計算草坪燈的功率為12Vx20mAx4=960mW??紤]到冬季晝短夜長,要求每天能工作10小時以上.則每天太陽能草坪燈消耗的電功率為960mW×10小時:9.6Wh。
(2)蓄電池容量計算選用12V電壓的蓄電池作為工作電源。設其容量為P安•時,放電深度為80%。根據能量守恒定律有:P×12Vx80%=9.6Whx3天,解得P="3Ah"。考慮到電路自身還要耗電,最終選用12V/4Ah標準系列的免維護鉛酸蓄電池作為工作電源。
4.太陽能電池組件功率的計算太陽能電池組件的功率=太陽能電池組件的輸出電壓×太陽能電池組件的輸出電流。
太陽能電池組件的輸出電壓取決于太陽能電池片串連數量的多少(一片太陽能電池片的輸出電壓為O.5V左右);太陽能電池組件的輸出電流取決于太陽能電池片面積的大小。知道了上述關系,即可按照要求設計太陽能組件了。
太陽能電池是草坪燈的供給能源,它一天接收的能量除了夜晚供給草坪燈工作外,還要有一定的富裕能量儲存在蓄電池內,以備陰雨天之用。
設太陽能電池的功率為Pv(W),Pv與接收太陽能照射的小時數的乘積,即為一天內所發出的電量Wh(瓦時)。根據上述草坪燈一天消耗的能量可得Pv的發電量應大于960mWh。由于我國地域遼闊。加之春、夏、秋、冬四季日照的變化,所以,天日照小時數是不等的,多數地區平均有效曰照小時數為3.5小時-5小時。西藏、青海、新疆、內蒙等地區日照時數長,特別是在夏季可取有效日照小時數的上限值,甚至更高;其他地區平均有效日照時數均低于上述地區,以重慶地區為最短,平均有效日照時數不足3小時。因此,日平均發電量也是最少的,這一地區不適于使用太陽能光伏發電。本草坪燈以平均日照時數為5小時計算,并綜合考慮太陽能電池向蓄電池充電效率不大于60%,則Pvx5h(小時)x60%>9.6Wh,解得:太陽能電池(組件)功率Pv>3.2W。
太陽能電池的電壓選擇原則采用行業內流行的“最大功率跟蹤”充電法,在這一方法下選擇太陽能電池的電壓可以得到最佳的充電效果,而且此方法也得到了行業內人士的一致認可。對于用這一方法和理論充12V蓄電池來說:可用36片~33片太陽能電池片串聯后給蓄電池充電,36片太陽能電池串聯后,其開路電壓高達21V.最大工作電壓為18V。
大家完全不必擔心在這么高的電壓下會充壞蓄電池或損壞太陽能電池,這也正是使用太陽能電池與使用普通交流市電給蓄電池充電的最大差別。
由于太陽能電池內阻較高。在這一電壓下即使將太陽能電池的正、負極短路,其最大短路電流也不過170mA,并且不會損壞太陽能電池。常用的各種太陽能控制器,就是用短路太陽能電池的方法來達到控制停止充電的目的。
5.太陽能電池片尺寸計算在確定了上述草坪燈太陽能電池片的功率>3.2W、工作電壓為18V后,即可算得最終電池組件的電流要大于170mA這個值。對于125mm2、轉換效率為15%的單晶硅太陽能電池片.功率為2.34W,最大輸出電流為4400mA,折合為單位面積上的輸出電流為O.2816mMmm2。對于170mA電流的太陽能電池片的面積為:170mA/0.2816mA/mm2=603.7mm2,因此太陽能電池片切割寬度為:603.7mm2/125mm=4.83mm。4.83mm寬是計算值,生產上還要充分考慮電池片這樣切割是否為“單材料”,是否便于操作工焊接、量產,以及是否滿足蓄電池充電速率這一指標要求。
在選用太陽能作為充電源時,充電率以選擇在1/10C-1/20C范圍內為宜。應在滿足上述諸條件下確定最終切割尺寸。本設計選用125mm2單晶硅電池片切割21條,每條寬度為5.95ram(125mm/21條).最大輸出電流為125mm×5.95mm×0.2816mA/mm2=209.5mA。最終組件電池片的尺寸為125mm×5.95mm,共計36條(片)串聯,最大工作電壓為18V.最大輸出電流為209.5mA,充電率1/C="209".5mA4000mAh>1/20,最大輸出功率為3.77W。在這一條件下,有170mA電流用于晚上點亮LED,剩余電流存入蓄電池,以備陰雨天之用。
6.太陽能電池片的封裝選擇小型太陽能電池組件封裝有兩種,一種是用透明度較高的環氧樹脂封裝的“滴膠板”,另一種是用“低鐵”鋼化玻璃封裝的,稱為“層壓板”或組件。滴膠板具有生產尺寸靈活、成本低、生產周期短、生產速度快等優點,其最大缺點是太陽能電池光效老化、衰減快、性能穩定性差、使用壽命短,不利于長期使用。層壓組件生產成本高、工藝復雜、使用壽命長,在正常使用中壽命達25年以上。
三、太陽能電池發電及蓄電池充電的特性簡述
1.太陽能電池溫度特性太陽能電池是用半導體材料硅制作的,具有普通硅半導體材料的溫度特性,隨著溫度的上升,其輸出電壓是降低的,當它在溫度較高的地區工作時,要充分考慮到這一點。對于太陽能組件選用36片還是33片電池串聯這一問題,就要充分考慮使用地區的溫度,上述36片、18V工作電壓這一數據是在25℃條件下測試的,當溫度達到50℃時,其輸出電壓將降低2V.對于36片串聯電池組件,這時的工作電壓不再是18V,而是16V。當它工作在高寒地帶時,其輸出電壓是升高的,因此可選用33片電池串聯為12V蓄電池充電。
2.蓄電池放電容量與溫度有關隨著溫度的降低,蓄電池電解質活動能力將變得遲緩.放電容量是下降的。通常,鉛酸蓄電池的容量是在25~(2標定的,當溫度降到0℃時,其容量下降至額定值的90%左右。當溫度降到一20℃時,其容量下降為不足額定容量的80%.甚至更低。



