中心議題:
- 液晶顯示模塊影響對比度控制的幾個參數
- 液晶顯示模塊常用背光源的特點和選用原則
為LCD配置了驅動電路,就形成了液晶顯示模塊LCM(Liquid Crystal Module)。它的基本組成部件除了LCD、驅動電路外一般還有連接件、背光源等。液晶顯示模塊同一個系統中的其他電路一樣,有簡單的接口,并提供了豐富的控制顯示的指令系統。為整機的開發節約了時間。下面討論LCM設計中的應注意的幾個問題及解決方法。
對比度
對比度是描述一個顯示器件在顯示時前景(如顯示的文字、圖形等)和背景之間明暗差別大小的一個量。以正性液晶顯示器件為例,對比度公式如下:
Cr=(N1/N2)×100%
其中,Cr是對比度,N1是像素點未顯示時的光線透過率,N2是像素點顯示時的光線透過率。對比度越大,顯示就越清楚,反之,則顯示暗淡不清。LCD的對比度與其自身的特性關系較大,如電光特性曲線的陡度等。從電路驅動的角度來講對比度的控制主要受下面幾個參數的影響。
● 偏壓電路
設IC的驅動路數為N,那么驅動波形的占空比D和偏壓B為:

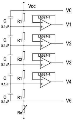
以HITACHI的驅動芯片HD61203為例,驅動LCD的最大路數為64,即占空比為D=1/64,那么偏壓比B=1/9,如圖1所示,偏壓電路中R2的取值應是R1的5倍,R2=5R1。例如R1=1k,則R2=5R1=5k。

當芯片的驅動路數大于64個時,芯片的工作頻率也會相應提高,同時偏壓電阻也會因為偏壓比的增大而提高阻值。這樣就不可避免地使偏壓電路的幾個輸出端V1、V2等的驅動能力下降,這就對LCD的驅動帶來了負面影響。為了解決高路數屏的驅動問題,在偏壓電路的設計上,應當提高V1、V2等輸出端的驅動能力。
在圖1中,在各輸出端增加了運算放大器LM324。LM324是一個具有四運放的可使用正負電源工作的運算放大器。它的每一個運放都接成電壓跟隨器的形式,使得V1、V2等輸出端的驅動能力大大增強,可以大大改善LCD的對比度。電路中的Rc為10~20kΩ的可變電阻,在模塊對外部的接口處引出,可以隨時調整顯示的對比度。
[page]
● 驅動波形的改善
由于一般的模塊電路設計相對簡單,無須進行電磁干擾分析。但在高占空比產品中,用示波器可以發現芯片的輸出波形往往會變得較差,這對顯示的對比度也有一定程度的影響。為了改變這種情況,可以在偏壓電路的每個電阻上并聯一個0.1μF的電容,可改善輸出波形。
以輸出B形波的芯片的COM線為例。在沒有加電容之前選擇點和半選點的電壓波形都有畸變,畸變嚴重時會造成串擾影響顯示對比度,波形如圖2所示。增加電容后,波形會得到很大的改善,波形如圖3所示。

圖2 沒加電容前波形

圖3 增加電容后波形
● 工作頻率問題
在實際調試一款顯示容量為128×64點陣顯示的模塊樣品時,發現模塊在隔行顯示時,顯示明顯變淡,對比度極差。經分析后認為,有兩種辦法可以解決。一是調整模塊的RC振蕩電路,降低R的阻值,使振蕩頻率由原來的47kHz下降為20kHz;二是在偏壓電路部分加入驅動電路(如前所述)。兩種辦法都達到了預期效果。但第一種辦法由于降低了模塊的工作頻率,因而會使顯示的禎頻也隨之降低,這就造成了LCD整屏顯示時會象電視畫面一樣產生的閃爍現象,這種現象在熒光燈下觀察更容易發現,不過在自然光線或白熾燈下顯示效果還算理想,在實際調試時可以根據實際情況,選擇合適的電阻值;第二種辦法會增加產品的成本。
● 液晶顯示屏設計中應注意的問題
液晶顯示屏是由具有透明電極的ITO玻璃和液晶、偏振片等材料組成的。從電路的角度來講,LCD上ITO走線電阻的大小對顯示對比度有很大的影響。LCD的一個近似等效電路如圖4所示。其中R1表示從LCD電極到LCD像素點的ITO電阻;R2表示LCD像素點的等效直流電阻;C表示該像素點的等效電容。

要實現良好的對比度,應該降低R1,增大R2,同時使C的容抗也盡量增加,這樣才會使這條支路上的電壓大部分降在LCD的像素點上,下面分別討論這幾個參數的情況。
一般情況下,C通常為每平方厘米幾個皮法。在LCD驅動波形的頻率較高時,C的容抗變小,電流將增加,這會使IC驅動波形的幅值被拉低,造成液晶分子不能在驅動電壓的作用下很好地“立起”或“倒下”,使得它對光線的調制能力減弱而使對比度變差。在頻率不變的前提下,要減小C值使回路阻抗增大,以降低LCD自身功耗對IC驅動能力的影響。根據平板電容器的電容公式:C=s/4πkd(C是介電常數;s是平行板的正對面積;k是靜電系恒量;π是常數)
電容的大小,主要受兩方面的影響,一是象素點的面積S;二是上下兩片玻璃ITO之間的距離d。由于象素點的大小已經由客戶確定,不能改變,要減小C值只能在d上考慮,但由于生產工藝的原因,d的可調范圍很小,一般只有幾個微米。因此C調整將非常有限。
那么剩下的兩個參數中的R2,其阻值的大小主要是由液晶純度決定的。液晶越純,其中的自由離子就越少,等效直流電阻就會越大,因此在LCD的生產中注意環境的凈化程度,保證各環節不會受到污染,從而保證液晶的純度,使R2最大。至于R1,對于設計人員來說,要在設計過程盡量減小R1卻是相對容易的,這也是所討論的這幾個參數中最容易調節和有效的。
[page]
下面將說明如何在設計中減小ITO的走線電阻R1,示意圖如圖5。

描述ITO電阻的一個主要參數是方塊電阻R□。R□是ITO玻璃生產商提供的一個參數,小到十幾歐姆,大到一百幾十歐姆。其大小與ITO材質的電阻率和ITO膜的厚度有關。在R□一定的條件下,一段ITO走線電阻的大小是由走線長度和線寬決定的。一段長為L,寬為d的ITO走線的電阻計算方法為,R=H(L/d)R□。
例如,已知R□=30Ω/□,長L1=40mm,L2=30mm,寬d1=0.5mm,d2=0.4mm,那么這段ITO走線的電阻R1=(L1/d1+L2/d2)R□=(40/0.5+30/0.4)×30=4.65kΩ。
從電阻的計算公式可以看出,在R□一定的前提下,要減小走線電阻R1,只能縮短ITO的走線長度L和增加ITO走線的寬度d。在設計LCD的布線時,應格外注意這一點,以使整段ITO走線的電阻盡量小,這在COG(Chip on Glass)類液晶顯示模塊產品的設計中至關重要。
另外,在縮短走線長度L和增加線寬d的同時,應注意整個屏上ITO走線的電阻分布情況。一般來說,L比較大的,相應地d也要大,對于每一條ITO走線都要保證公式中L/d是一個基本不變的量,從而使R分布的盡量均勻,這也有助于改善整個屏的對比度。
背光源
由于液晶顯示器是靠反射光線進行顯示的器件,因此在環境光線較弱時,就需要有光源來使顯示變得清晰。這就產生了液晶顯示的采光技術。從目前背光源的類型來看,一般分為LED型、EL型和CCFL型。下面簡單介紹這三種背光源各自的特點和選用原則。
LED背光源具有工作電壓低、亮度高、使用壽命長的優點,發光顏色也有多種,但工作電流較大。一般一支LED典型的工作電壓是2.1V,電流約10mA左右。在背光源的實際電路中,是把兩支LED串聯使用,使工作電壓接近數字電路的工作電壓5.0V。在顯示面積較大的情況下,需要把很多LED串聯后再并聯起來,需要很大的電流。例如,一個發光面積為80.0mm×30.0mm的LED背光源就需要24對LED并聯到一起,工作電流將達到240mA。這樣大的電流對于功耗要求嚴格的系統來說是不允許的。為了降低電流,可以使用側部發光的背光源。這種背光源是在導光板的側部安裝了LED的背光源,具有光線均勻、電流低、體積小的優點。
EL背光源是通過交變電場激發在兩片透明電極中間的熒光粉發光而制成的,最大的特點是特別薄,厚度一般不超過0.8mm,而且發光均勻。缺點是需要較高交流電壓來驅動(AC100V,400Hz)、壽命短。功耗一般為每平方厘米幾個毫瓦,亮度為每平方米幾十坎德拉。發光顏色有天藍色、綠色、黃色等多種顏色,實際使用時,需要專門的驅動器。
CCFL背光源是這三種背光源中亮度最高的,可達到每平方米幾千坎德拉。工作電壓是1000V左右的交流電,在實際使用中也需要配置專門的驅動電路。一般在顯示面積較大時采用這種類型的背光源,如筆記本電腦等。
總的來說,這三種背光源性能各有千秋,在實際設計液晶顯示模塊時可根據具體情況選擇合適的光源類型。




