1 簡介
本文檔介紹的是一款功率因數校正LED驅動器,它可以在90 VAC至265 VAC的輸入電壓范圍內為LED燈串提供額定電壓50 V、額定電流0.3 A的驅動。該LED驅動器采用了PowerIntegrations的LinkSwitch-PH系列IC中的LNK406EG器件。
詳細內容請下載:
15 W、PFC、適合T8燈管的隔離式LED驅動器(DER-256)
相關閱讀:
第一講:100W高可靠性LED球泡燈驅動電源設計
第二講:150W高可靠性LED路燈驅動電源設計
第四講:能效高達85%的15W筒燈驅動電源設計
第五講:PI 5W-16W TRIAC調光LED照明驅動解決方案
第六講:針對B10型LED燈泡設計的高效率、超緊湊驅動器
LinkSwitch-PH IC可以幫助您設計出具有成本效益且元件數量極少的LED驅動器,不僅能滿足功率因素和諧波限值,同時還能為最終用戶帶來不同凡響的使用體驗。其特性包括超寬調光范圍(本樣板未采用)、無閃爍工作(即使使用的是低成本的AC輸入可控硅調光器)以及快速、平滑的開啟上電過程。
所使用的拓撲結構是運行于連續導通模式下的隔離反激。輸出電流調節完全從初級側檢測,因此無需配備次級反饋元件。在初級側也無需檢測外部電流,而是在IC內部進行,從而進一步減少了元件和損耗。內部控制器調整MOSFET占空比以保持輸入電流為正弦交流電,從而確保高功率因數和低諧波電流。
LNK406EG也可提供各種復雜的保護功能,包括環路開環或輸出短路條件下自動重新啟動。輸入過壓可幫助電源改善對輸入電壓故障和浪涌的耐受能力,輸出過壓可避免在負載斷開時可能對電源造成的損壞,精確的遲滯熱關斷可確保在所有條件下PCB板平均溫度都處于安全范圍內。
此設計的主要目標是超薄和高效率。這樣有助于使驅動器板適應T8燈管內LED負載板后的空間,并將工作時的溫升保持在可接受的范圍以內。為此,必須認真選擇元件和安裝方法,但這相比于方案的更換更加簡單,因為初級側調節的LinkSwitch-PH設計所需的元件數量很少。
本文檔包含LED驅動器規格、電路原理圖、PCB電路圖、物料清單、變壓器文件和典型性能特征。




2 電源規格
下表給出的是設計的最低可接受指標。實際性能在后續的測試結果部分給出。

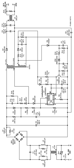
3 電路原理圖

圖4—電路原理圖。
欲了解全文內容請下載技術白皮書:
15 W、PFC、適合T8燈管的隔離式LED驅動器(DER-256)
http://aolaiaolisita.com/whitepaper/download/id/817




