【導讀】LED電子顯示屏在LED領域頗受重視,它能實時顯示,循環播放文字、圖片、圖像信息,顯示內容豐富,觀賞性強,且內容易修改,亮度高,壽命長。憑借這些優勢,LED顯示屏已經成為公認的必需品。
校園內的LED 公告板的使用越來越多,用于各類通知的宣傳和傳播,但其控制仍是以單塊LED 公告板控制為主流,操作和更新顯示屏信息十分不方便。在這種背景下,本設計對目前校園內的LED 公告板系統進行研究和改進,在原有的LED 公告板基礎上加入了ZigBee 收發模塊,設計了一個基于ARM 器件,使用了觸摸屏技術和ZigBee 無線傳輸技術的校園LED 公告板系統。
1 控制系統的硬件設計
1.1 S3C2440 處理器主控板模塊
在此硬件平臺上嵌入Linux 實時操作系統,進行校園整個LED 公告板系統的管理和控制。S3C2440 芯片支持觸摸屏接口,其包含觸摸屏控制器、四個外部晶體管,還有一個外部電壓源。觸摸屏接口控制,選擇控制信號(nYPON、YMON、nXPON、XMON)和模擬引腳與觸摸屏面板的引腳和外部晶體管相連。

PS2 鍵盤傳輸協議是以下面的數據格式進行數據傳輸的:1 個起始位(總是邏輯0),8 個數據位(低位在前),1 個奇偶校驗位(奇校驗),1 個停止位(總是邏輯1),1 個應答位(僅用于在主機對設備的通信中)。鍵盤的發送時序如圖2 所示。

1.3 液晶顯示器模塊
使用了7 寸液晶顯示屏, 其視頻彩色制式:PAL/NTSC;高清晰度,寬視角,16:9 與4:3 可任意轉換;最佳分辨率:800×480; 對比度: 200:1;7 寸液晶顯示屏主要用于主控制界面的顯示和輸入的更新文字的顯示。
1.4 四線電阻式觸摸屏模塊
四線電阻式觸摸屏是電阻式觸摸屏中應用最廣、最普及的一種。其結構由下線路導電ITO 層和上線路導電ITO 層組成,中間由細微絕緣點隔開。當觸摸屏表面無壓力時,上下線路成開路狀態;一旦有壓力施加到觸摸屏上,上下線路導通,控制器通過下線路導電ITO層在X 坐標方向上施加驅動電壓, 通過上線路導電ITO 層上的探針偵測X 方向上的電壓, 由此推算出觸點的X 坐標,通過控制器改變施加電壓的方向,同理可測出觸點的Y 坐標,從而明確觸點的位置。其等效電路如圖3 所示。

圖3 四線電阻式觸摸屏的等效電路。
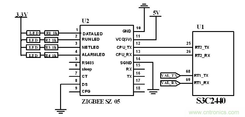
1.5 ZigBee 無線傳輸模塊
ZigBee 通信模塊選用順舟科技的SZ05 模塊,處理器與通信模塊通過RT1_TX 和RT1_RX 引腳連接,在叫號終端中應用的通信模塊選用終端節點工作模式(即把通信模塊上的DS 引腳接地)。ZigBee 無線傳輸模塊與主控制板的連接如圖4 所示。

圖4 ZigBee 無線模塊與主控制電路連接圖。
這里ZigBee 構成一個星型網的網絡類型, 發送模式設置為主從模式,波特率選擇為9600,數據位設置為8+0+1.
使用ZigBee 無線傳輸模塊實現無線數據顯示信息傳遞與更新, 避免了使用基于中國移動通信運營商的GSM/GPRS 通信網絡的數據傳輸而帶來在信息更新時的額外開銷費用。
[page]
2 系統軟件設計
2.1 ZigBee 無線通信協議的設計
由于ZigBee 無線傳輸模塊使用了串口通信,需要設計一個LED 顯示屏操作系統的通信協議,保證準確無誤地對各個LED 顯示屏進行操作和更新。因此規定了其幀格式,如表1 所示。

表1 ZigBee 通信協議的幀格式
①幀頭:表示一個幀的開始,內容為FFAA,幀頭長度為2 個字節。
②幀長: 表示該數據包不包括幀頭在內的幀數據的長度,幀長長度為2 個字節。
③地址標識:每個ZigBee 無線模塊的物理地址,包括目的地址和源地址,長度都是1 個字節。
④數據:數據包的內容,長度為0byte~256byte.
⑤奇偶校驗:為了降低通信中的誤碼率,此協議中用了奇偶校驗方法,數據位中1 的個數為偶數,校驗位為1;數據位中1 的個數為奇數,校驗位為0.
2.2 基于Linux 的QT4 開發軟件的主界面的設計
QT 軟件是諾基亞開發的一個跨平臺的C++圖形用戶界面應用程序框架。它提供給應用程序開發者建立藝術級的圖形用戶界面所需的功能。QT 是完全面向對象的,很容易擴展,并且允許真正地組件編程。自從1996 年早些時候,QT 進入商業領域, 它已經成為全世界范圍內數千種成功的應用程序的基礎。QT 也是流行的Linux 桌面環境KDE 的基礎。基本上,QT 同Window上的Motif,Openwin,GTK 等圖形界面庫和Windows平臺上的MFC,OWL,VCL,ATL 是同類型的東西,但QT 具有優良的跨平臺特性、面向對象、豐富的API、大量的開發文檔等優點。
該系統的主界面主要包括以下幾方面內容:
①整個LED 顯示屏系統的總開關按鍵圖標;
②選擇對哪個LED 顯示屏進行操作的界面;
③選中的LED 顯示屏上顯示的內容的窗口;
④選中的LED 顯示屏的單個顯示屏的開關按鍵圖標和發送按鍵圖標。

相關閱讀:
LED顯示屏青睞黑燈的原因是什么?費解吧
LED顯示屏故障測試,四大法器來助你
五大LED顯示屏選購誤區,你踩雷沒?





