【導讀】數字時代下,邊緣智能成為應對復雜挑戰的關鍵,數據采集(DAQ)系統的準確度與可靠性直接決定數據價值。在高精度采集領域,隔離式精密信號鏈至關重要——它通過電氣隔離與精密信號處理協同,保障安全的同時,抵御噪聲、消除接地環路干擾,確保數據完整準確。本文將從其定義、組成、技術細節出發,解析核心實現路徑,結合器件與測試數據展現優勢,探討多行業應用價值,為理解高精度采集提供指引。
了解隔離式精密信號鏈
隔離式精密信號鏈指的是一種旨在精密準確地采集和處理信號,同時與周圍環境保持電氣隔離的系統或電路。隔離通常是一系列信號調理電路的一部分,主要有兩個作用:確保安全和數據完整性。1 隔離還具有以下優點:
減少噪聲和干擾:信號鏈通過隔離技術(例如使用變壓器或光耦合器的電氣隔離),可以消除共模電壓變化、接地環路和電磁干擾(EMI)。這種隔離能夠防止外部噪聲源破壞采集的信號,確保測量結果更干凈、更準確。
消除接地環路:接地環路可能會引入電壓差,使測量信號失真。隔離技術能夠斷開接地環路,有效消除地電位變化引起的干擾,從而提高測量準確度。
安全和保護:隔離柵能夠防止危險的電壓尖峰、瞬變或浪涌到達敏感的測量元器件,從而確保電氣安全。這能夠保護測量電路和相連器件,進而讓系統安全可靠地運行。除了電路保護之外,隔離還有助于保護在系統上工作的最終用戶和設計人員,避免其遭遇電氣危險。
隔離式精密信號鏈由一系列元器件和技術組成,它們協同工作以確保精確測量和數據完整性。隔離式精密信號鏈的關鍵元器件通常包括:精密放大器、隔離柵、濾波元件和高分辨率模數轉換器(ADC)。這些元器件協同工作,以消除噪聲、有效減少干擾并準確地表現信號。圖1為采用這些關鍵元器件的隔離式精密信號鏈的示例。該精密平臺是一個單通道、完全隔離、低延遲的數據采集系統。此解決方案將PGIA信號調理、數字和電源隔離集成到了一個緊湊的電路板內。接下來的內容將詳細討論每個模塊,包括其相應的性能以及與非隔離模塊相比的優勢。
數據和電源隔離
Pmod?至FMC轉接板裝有數據隔離器、穩壓器和變壓器,用以實現電氣隔離。電氣隔離是一種分離電路以消除雜散電流的設計技術,有助于在電氣隔離的電路之間傳遞信號,并阻擋雜散電流(例如由地電位差或交流電源引入的電流)。2
首先,通過ADuM152N和ADuM120N 3 kV rms數據隔離器實現數據隔離。這些數據隔離器的共模瞬變抗擾度(CMTI)較高,對輻射和傳導噪聲具有很強的抗干擾能力,同時傳輸延遲和動態功耗很低。這些隔離器件不僅易于使用,而且與光耦合器等典型替代品相比,還具有優越的性能特性。具體來說,最大傳輸延遲為13 ns,脈沖寬度失真小于5 ns。這兩款器件的通道間傳輸延遲匹配非常嚴格,最大值分別為4.0 ns和3.0 ns。
圖1.單通道、完全隔離、低延遲數據采集系統ADSKPMB10-EV-FMCZ的簡易框圖
其次,隔離式精密信號鏈需要一套滿足信號鏈要求的隔離電源電路。隔離電源電路不應影響精密信號鏈的性能。設計時必須確保電源電路輻射很低,同時電源效率要高,并且符合安全要求。
LT3999低噪聲推挽式DC-DC驅動器是用于電源隔離的不錯之選,其中內置限流值可編程的1 A雙通道開關,開關頻率可在50 kHz至1 MHz范圍內調節(也可同步至外部時鐘),工作輸入范圍為2.7 V至36 V,關斷電流小于1 μA。推挽拓撲結構易于設計和實施,僅使用少量元件,并且得益于其固有的對稱拓撲結構,工作時的電磁輻射騷擾非常低。
如圖2所示,參考平臺上的電源電路設計,使得FMC連接器的12 V電壓可以作為數據采集板所需的電源,同時實現隔離。為了實現這些目標,電路上的LT3999驅動PH9085.083NL 2.5 kV rms隔離電源變壓器。
圖2.參考平臺隔離電源電路框圖
LT3999電源轉換器產生未經穩壓處理的輸出電壓。該輸出電壓隨著負載的增加而下降,如圖3所示。
圖3.LT3999推挽轉換器輸出電壓調節
參考平臺可選配一個低壓差后級線性穩壓器(ADP7105),以便在需要時提供穩定的3.3 V輸出。因此,通過轉接板對整個測量或數據采集電路進行電氣隔離,可以有效降低共模電壓變化和外部噪聲源的影響。這證明,該方法是一種準確、經濟、高效的測量電路隔離方法。
保持準確度
除了實施隔離技術外,信號鏈內部的模塊的性能也必須匹配。每個元器件都會影響整個信號鏈的性能,這對于保持整個系統的準確度至關重要。
精密放大器兼具高準確度、低噪聲和低失調電壓等特點,能夠提供精確的信號調理和放大功能,確保真實地呈現所采集的信號,而不會引入額外的失真或偏移。此外,通常還會采用低通濾波器等濾波元件來衰減高頻噪聲和不需要的信號,只允許所需的信號通過信號鏈。這進一步提高了測量信號的準確度和完整性。最后,使用高分辨率ADC將模擬信號轉換為數字碼值,以供進一步處理或分析。這些ADC具有高采樣速率和出色的分辨率,能夠對模擬信號進行精確的數字化處理。所有這些元器件都經過了精心挑選,旨在實現參考平臺所需的性能。
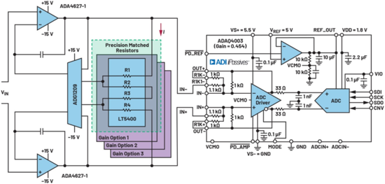
圖4.精密中等帶寬信號鏈
具體來說,參考平臺內的數據采集板展示了一種由多個器件組成的分立式可編程增益儀表放大器(PGIA),包括:
ADA4627-1:高速、低噪聲、低偏置電流、JFET運算放大器
LT5400:精密四通道匹配電阻網絡
ADG1209:低電容、4通道、±15 V/+12 V iCMOS?多路復用器
ADAQ4003,內部集成的全差分ADC驅動器
前端的PGIA提供高輸入阻抗,從而支持與各種傳感器直接連接。為使電路適應不同的輸入信號幅度(單極性或雙極性和單端或差分信號,具有可變共模電壓),通常需要可編程增益。PGIA與18位、2 MSPS、μModule?數據采集解決方案ADAQ4003配合使用。圖4為該參考平臺的整個信號鏈。
為了驗證參考平臺的靜態性能,我們分別測量了積分非線性(INL)和差分非線性(DNL)。圖5和圖6為不同增益下DNL和INL誤差與代碼的關系。DNL誤差的典型偏差為±0.6 LSB,這意味著無失碼的單調傳遞函數。同時,INL誤差的典型偏差為±2.097 LSB,呈現明顯的S形,表明奇次諧波占絕對主導地位。4 這些圖形表明,整個信號鏈具有足夠高的線性度。
圖5.不同增益下DNL與代碼的關系,VREF = 5 V
圖6.不同增益下INL與代碼的關系,VREF = 5 V
在信號鏈中采用精密放大器、信號調理技術和高分辨率ADC,能夠有效降低信號失真、偏移和非線性,從而實現高準確度測量。前面討論的電氣隔離技術進一步降低了共模電壓變化,并消除了接地環路效應,從而確保測量信號的準確性。
盡量減少噪聲和干擾
來自元器件或外部的噪聲和干擾也是數據采集中常見的挑戰。隔離式精密信號鏈通過采用穩健的隔離柵、屏蔽、接地和濾波技術來解決這些問題。μModule ADAQ4003本身采用了降噪技術,支持高保真信號捕獲。
具體來說,μModule器件內部的ADC驅動器輸出和ADC輸入之間放置了一個單極點低通RC濾波器,其用途如下:(1) 消除高頻噪聲;(2) 減少來自內部SAR ADC輸入的電荷反沖;(3) 盡可能提高建立時間和輸入信號帶寬。5 μModule器件的布局還確保了模擬和數字路徑分離,從而避免這些信號交越,減輕輻射噪聲。
許多動態參數都會影響到特定數據采集系統的性能,本文僅討論其中三個。
圖7.動態范圍
動態范圍是指器件本底噪聲與其額定最大輸出水平之間的范圍,6 對于確定不受噪聲影響的最小電壓增量至關重要。該參數使用5 V基準電壓進行測試,輸入短接到地,輸出數據速率為2 MSPS。圖7為不同增益下的動態范圍,最高增益設置下的典型值為93 dB;最低增益設置下的典型值為100 dB。將過采樣率增加到1024倍可進一步改善測量結果,最大值分別達到123 dB和130 dB。
使用式1中的公式求解折合到輸出端的等效總噪聲,結果低至1.12 μV rms(OSR = 1024×,最低增益設置)。因此,動態范圍測量結果較大,意味著整體系統噪聲較低。
類似地,在器件的反相和同相輸入端施加-0.5 dBFS正弦信號,測量信噪比(SNR)和總諧波失真(THD)等參數。首先,SNR是指均方根信號幅度與所有其他頻譜分量(不包括諧波和直流)的和方根(rss)平均值之比。7 式2有助于更好地理解此參數。
另一方面,總諧波失真是指基波信號的均方根值與其諧波(一般僅前五次諧波比較重要)的和方根平均值之比,7 如式3所示。
圖8.SNR。
圖9.THD。
圖8和圖9顯示了不同增益設置下的SNR和THD值。整個信號鏈實現了最大98 dB的SNR和-118 dB的THD。不過,這些參數在高輸入頻率和高增益設置下會變差。圖10也顯示了一個FFT示例。隔離信號鏈的本底噪聲平坦,約為滿量程以下140 dB,雜散信號埋在其下方。這表明,與等效的非隔離信號鏈相比,隔離信號鏈實現了一致的信號完整性和噪聲性能。
圖10.單次捕獲FFT,全差分輸入,-0.5 dBFS,1 kHz正弦波。
應用和影響
隔離式精密信號鏈的影響遍及各行各業和各種應用。在物理、化學和生物等領域的科學研究中,準確度和可重復性的要求非常高,而隔離式精密信號鏈有助于實現精確測量。在工業自動化領域,它能夠確保過程控制、質量監測和設備診斷準確無誤。在醫療應用方面,它支持精確監測生理信號并進行準確診斷。其影響還延伸到了環境監測、能源管理和電信等領域,因為可靠的數據采集對于該領域的決策和優化至關重要。
浮動DAQ系統
浮動DAQ系統非常適合用于電子測試和測量(ETM)應用。常見的電壓測量涉及兩個基準點:高電位和低電位/零電位(稱為接地)。然而,使用接地作為基準會使高壓測量變得危險。具有高共模電壓的信號會損害信號鏈中的元器件,進而可能會導致設備和數據損壞。高電壓也會對使用設備的人員造成危險。此外,接地環路引入的噪聲、耦合和干擾也會影響接地系統,令人十分擔憂。8
圖11.具有多個浮動接地參考點的ADSKPMB10-EV-FMCZ板
浮動DAQ通過單獨的基準浮動接地點解決了上述風險。浮動測量能夠縮短信號傳輸到采集點的路徑,同時允許采集帶有共模電壓的信號。在圖11中可以看到電路板上的不同接地引腳。
總結
數字時代下,邊緣智能成為應對復雜挑戰的關鍵,數據采集(DAQ)系統的準確度與可靠性直接決定數據價值。在高精度采集領域,隔離式精密信號鏈至關重要——它通過電氣隔離與精密信號處理協同,保障安全的同時,抵御噪聲、消除接地環路干擾,確保數據完整準確。本文將從其定義、組成、技術細節出發,解析核心實現路徑,結合器件與測試數據展現優勢,探討多行業應用價值,為理解高精度采集提供指引。


