中心論題:
- 電池-能夠產生電能的便攜、獨立化學系統。
- 電池的化學成分和設計共同限制了輸出電流。
- 電池充電的圖解。
- 鎳鎘,鎳氫電池,鋰離子和鋰聚合物充電原理介紹。
- 鋰離子電池的保護措施。
- 可充電電池的保護模式
解決方案:
- 降低內阻可獲得更大的輸出電流。
- 高能量密度給定體積和重量的電池中存儲更多的能量。
- 通過檢測電池充滿時的電壓跌落終止充電。
- DS2720通過其1-Wire接口提供主機系統對設備的讀寫訪問。
電池的應用從來沒有像現在這么廣泛。電池正在變得更小、更輕,在單位體積內容納更多能量。電池發展的主要動力來自便攜設備(例如移動電話、膝上電腦、攝錄像機和MP3播放器)的快速發展。這篇關于充電方式和現代電池技術的應用筆記將幫助您更好了解這些便攜設備中使用的電池。
電池的定義
如果電池僅定義為能量儲存系統,則其有可能包括飛輪和時鐘發條等元件。在現代技術中電池的更精確定義為:能夠產生電能的便攜、獨立化學系統。
一次電池,又叫不可充電電池或原電池,從電池單向化學反應中產生電能。原電池放電導致電池化學成分永久和不可逆的改變。但可充電電池,又叫二次電池,可在應用中放電,也可由充電器充電。所以,二次電池儲存能量,而不是產生能量。
充電和放電電流(安培)通常用電池額定容量的倍數表示,叫做充電速率(C-rate)。例如,對于額定為1安時(Ah)的電池,C/10的放電電流等于1Ah/10=100mA。電池的額定容量(Ah或mAh)是電池在特定的條件下完全放電所能儲存(產生)的電能。因此,電池的總能量等于容量乘以電池電壓,單位為瓦時。
電池性能的測試
電池的化學成分和設計共同限制了輸出電流。若沒有實際因素限制性能,電池瞬時可以輸出無窮大電流。限制電池輸出電流的主要因素是基本化學反應速率、電池設計,以及進行化學反應的區域。某些電池本身具有產生大電流的能力。如鎳鎘電池短路電流可大到足以融化金屬和引起火災。其它一些電池只能產生弱電流。電池中所有化學和機械總效應可用
一個數學因數表示,即等效內阻。降低內阻可獲得更大電流。
沒有電池能永久儲存能量。電池不可避免要進行化學反應并緩慢退化,導致儲存電量減少。電池容量與重量(或體積)之比稱為電池的能量密度。高能量密度意味著在給定體積和重量的電池中可存儲更多能量。
下表給出了個人電腦和蜂窩電話中可充電電池的主要化學成分,以及其額定電壓和能量密度(以瓦時每千克,或Wh/Kg表示)。
若一次和二次電池都能達到同樣目的,為什么不總是選擇二次電池呢?原因是二次電池有以下缺點:實際中,所有二次電池能量都會因自放電較快的損失;二次電池使用前必需充
沒有電池能永久儲存能量。電池不可避免要進行化學反應并緩慢退化,導致儲存電量減少。電池容量與重量(或體積)之比稱為電池的能量密度。高能量密度意味著在給定體積和重量的電池中可存儲更多能量。
下表給出了個人電腦和蜂窩電話中可充電電池的主要化學成分,以及其額定電壓和能量密度(以瓦時每千克,或Wh/Kg表示)。
若一次和二次電池都能達到同樣目的,為什么不總是選擇二次電池呢?原因是二次電池有以下缺點:實際中,所有二次電池能量都會因自放電較快的損失;二次電池使用前必需充
電。
電池充電
一個新的可充電電池或電池組(一個電池組中有幾個電池)不能保證已充滿電。事實上它們很可能已被完全放電。因此,首先要根據制造商提供的、與化學成分相關的指南,對電池/電池組充電。
每次充電要根據電池化學成分按順序施加電壓和電流。因此,充電器和充電算法需滿足不同電池化學成分的不同要求。電池充電常用術語包括:用于NiCd和NiMH電池的恒流(CC),和用于鋰離子和鋰聚合物電池的恒流/恒壓(CC/CV)(圖1至6)。






如上所示,電池化學成分和充電技術不同,充電終止的判定條件也不同。
鎳鎘電池充電
在0.05°C至大于1°C的范圍內對NiCd電池恒流充電。一些低成本充電器使用絕對溫度終止充電。雖然簡單、成本低,但這種充電終止方法不精確。更好的方法是通過檢測電池充滿時的電壓跌落終止充電。對于充電速率為0.5°C或更高的NiCd電池,- V方法是最有效的。- V充電終止檢測應與電池溫度檢測相結合,因為老化電池和不匹配電池可能減少 V。
通過檢測溫升速率(dT/dt)可以實現更精確的滿充檢測,這種滿充檢測比固定溫度終止對電池更好。基于 T/dt和- V組合的充電終止方法可避免電池過充,延長電池壽命。
快速充電可改善充電效率。在1°C的充電速率下,效率可以接近1.1(91%),充滿一個空電池的時間為1小時多一點。當以0.1°C充電時,效率便下降到1.4(71%),充電時間為14小時左右。
因為NiCd電池對電能接收程度接近100%,所以幾乎所有的能量在充電開始的70%期間被吸收,而且電池保持不發熱。超快速充電器利用該特點,在幾分鐘內將電池充到70%,以幾C的電流充電而無熱量產生。充到70%后,電池再以較低速率繼續充電,直到電池充滿。最后以0.02°C至0.1°C的涓流結束充電。
鎳氫電池充電
盡管NiMH充電器與NiCd充電器類似,但是,NiMH充電器采用 T/dt方法終止充電,這是到目前NiMH電池充電的最好辦法。NiMH電池充電結束時電壓下降比較小,而對低充電速率(低于0.5°C,這取于溫度)可能不出現電壓下降。
新的NiMH電池會在充電周期內過早地出現錯誤峰值,這會導致充電器過早結束充電。此外,單用- V檢測結束充電幾乎肯定會出現過充,導致在電池失效前限制充放電次數。
似乎沒有在所有條件下(新或舊,熱或冷,全部或部分放電)都適用的NiMH電池的-dV/dt充電算法。因此,除非NiCd充電器使用了dT/dt方法終止充電,否則不能用NiCd充電器為NiMH電池充電。而且,因為NiMH電池不能很好的吸收過充,所以,涓流充電電流比NiCd電池小(約0.05°C)。
NiMH電池的慢充比較困難。因為以0.1°C至0.3°C的速率充電時,電壓和溫度的變化不能準確指示電池已充滿。因此,慢速充電器必須依靠定時器來決定何時結束充電。以此,為保證NiMH電池充滿,應以接近1°C的速率(或電池制造商指定速率)快速充電,同時監控電壓( V=0)和溫度(dT/dt)來確定何時結束充電。
鋰離子和鋰聚合物電池充電
鎳基電池充電器限制電流,而鋰離子電池充電器則需同時限制電壓和電流。最初的鋰離子電池充電電壓限制在4.10V/節。電壓越高意味著容量越大,現在可以通過增加化學添加劑實現4.20V電池電壓。當前的鋰離子電池一般充電到4.20V,容差為±0.05V/節。
當端電壓達到電壓閾值并且充電電流降至0.03°C(約Icharge的3%,參考圖6)時表明電池已充滿。多數充電器達到滿充的時間約為3小時。盡管某些線性充電器聲稱Li+電池充電只需約一小時,但這類充電器通常在電池端電壓達到4.2V時就終止充電,這種方法只能將電池充到其容量的70%。

較高的充電電流并不會使充電時間縮短太多。較高的充電電流能較快達到電壓峰值,但是浮充需要較長時間。通常,浮充時間是初始充電時間的兩倍。
鋰離子電池保護
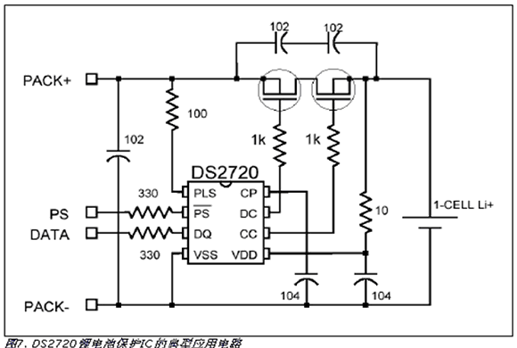
因為Li+電池過充或過放可能會導致爆炸并造成人員傷害,所以使用這類電池時,安全是主要關心的問題。因此,商用鋰離子電池組通常包括象DS2720這樣的保護電路(圖7)。
DS2720提供了可充電Li+電池所需的所有保護功能,如:在充電時保護電池、防止電路過流、通過限制電池的放電電壓延長電池壽命。

DS2720IC使用外部開關元件,如低成本n溝道功率MOSFET,來控制充電和放電電流。內部9V的電荷泵為外部n溝道MOSFET提供高端驅動,與常見使用相同FET的低端保護電路相比具有更低的導通電阻。FET導通電阻實際上隨電池放電而減少(見圖8)。
DS2720穩壓的高端n-FET驅動,即便在放電快結束時,都能保證低開關阻值。這將延長便攜設備運行時間。監控電池過壓/欠壓,過流和過熱;穩壓電荷泵支持高端模式n型溝道MOSFET;集成電池選擇功能;8字節可鎖定用戶EEPROM;64位唯一電子序列號;低功耗:工作15µA,靜態1µA;提供8引腳MSPO微型封裝;1-Wire數據通訊接口。

DS2720允許用戶通過數據接口或專用輸入控制外部FET,減少了可充電Li+電池系統中額外的功率開關控制。DS2720通過其1-Wire接口提供主機系統對狀態和控制寄存器、測量寄存器,以及通用數據存儲器的讀寫訪問。每個器件都有一個工廠編程的64位唯一地址,允許主機系統單獨尋址每個器件(圖9)。
DS2720為電池信息存儲提供兩類存儲器,及EEPROM和可鎖定EEPROM。EEPROM是真正的非易失(NV)存儲器,用來保存重要的電池數據,不會因電池過度放電、偶然短路或ESD事件丟失數據。可鎖定EEPROM在鎖定后相當于只讀存儲器(ROM),用于更安全地保存不再改變的電池數據。
保護模式
a 過壓 如果在VDD檢測的電池電壓超過過壓閾值VOV時間大于過壓延遲時間tOVD,則DS2720關閉充電FET,并將保護寄存器的OV置位。在過壓期間,放電通路保持開放。除非被另外保護條件鎖定,當電池電壓降到充電使能閾值VCE以下或由于放電導致VDD-VPLS>VOC時,充電FET被重新使能。
b 欠壓 如果在VDD檢測的電池電壓低于欠壓閾值VUV時間大于欠壓延遲時間tUVD,則DS2720關閉充電和放電FET,并將保護寄存器的UV置位,使其進入休眠模式。當電池電壓升到VUV以上和連接充電器后,IC打開充電和放電FET。
c 短路 如果在VDD檢測的電池電壓低于放電閾值VSC時間達到延遲時間tSCD,則DS2720關閉充電和放電FET,并將保護寄存器的DOC置位。除非PLS上的電壓升至大于VDD-VOC,否則充電和放電FET不會導通。DS2720提供流經內部VDD至PLS電阻RTST的測試電流,當VDD升至大于VSC時上拉PLS。DS2720利用此測試電流檢測有害低阻抗負載的移除。另外,測試電流還提供了流經RTST,由PLS到VDD的恢復性充電通路。
d 過流 若加在保護FET的電壓(VDD-VPLS)大于VOC的時間超過了tOCD,則DS2720關斷外部充電和放電FET,并將保護寄存器DOC置位。直到PLS上的電壓升至大于VDD-VOC時電路才會導通。DS2720提供流經內部VDD至PLS電阻RTST的測試電流來檢測有害低阻抗負載的移除。
e 過熱 若DS2720溫度超過TMAX,則立即關斷外部充電和放電FET。在以下兩個條件滿足前FET不會導通:電池溫度降到低于TMAX,主機將OT復位。
f 充電溫度 應盡量在室溫下充電。鎳基電池應在10°C至30°C(50°F至86°F)之間快速充電。低于5°C(41°F)和高于45°C(113°F)時鎳基電池的充電能力急劇下降。鋰離子電池在整個溫度范圍內呈現良好的充電性能,但低于5°C(41°F)時充電速率應小于1°C。
本文小結
NiMH充電器可為NiCd電池充電,反之則不行。NiCd電池專用的充電器將會使NiMH電池過充。快速充電可增強鎳基電池的壽命和性能,這是因為快速充電降低了內部結晶引起的記憶效應。鎳基和鋰基電池要求不同的充電算法。Li+電池需要保護電路來監控和保護過流、短路、過壓、欠壓以及過熱。注意,在電池不常使用時,應從充電器中取出,在使用前對電池浮充。
電池充電
一個新的可充電電池或電池組(一個電池組中有幾個電池)不能保證已充滿電。事實上它們很可能已被完全放電。因此,首先要根據制造商提供的、與化學成分相關的指南,對電池/電池組充電。
每次充電要根據電池化學成分按順序施加電壓和電流。因此,充電器和充電算法需滿足不同電池化學成分的不同要求。電池充電常用術語包括:用于NiCd和NiMH電池的恒流(CC),和用于鋰離子和鋰聚合物電池的恒流/恒壓(CC/CV)(圖1至6)。






如上所示,電池化學成分和充電技術不同,充電終止的判定條件也不同。
鎳鎘電池充電
在0.05°C至大于1°C的范圍內對NiCd電池恒流充電。一些低成本充電器使用絕對溫度終止充電。雖然簡單、成本低,但這種充電終止方法不精確。更好的方法是通過檢測電池充滿時的電壓跌落終止充電。對于充電速率為0.5°C或更高的NiCd電池,- V方法是最有效的。- V充電終止檢測應與電池溫度檢測相結合,因為老化電池和不匹配電池可能減少 V。
通過檢測溫升速率(dT/dt)可以實現更精確的滿充檢測,這種滿充檢測比固定溫度終止對電池更好。基于 T/dt和- V組合的充電終止方法可避免電池過充,延長電池壽命。
快速充電可改善充電效率。在1°C的充電速率下,效率可以接近1.1(91%),充滿一個空電池的時間為1小時多一點。當以0.1°C充電時,效率便下降到1.4(71%),充電時間為14小時左右。
因為NiCd電池對電能接收程度接近100%,所以幾乎所有的能量在充電開始的70%期間被吸收,而且電池保持不發熱。超快速充電器利用該特點,在幾分鐘內將電池充到70%,以幾C的電流充電而無熱量產生。充到70%后,電池再以較低速率繼續充電,直到電池充滿。最后以0.02°C至0.1°C的涓流結束充電。
鎳氫電池充電
盡管NiMH充電器與NiCd充電器類似,但是,NiMH充電器采用 T/dt方法終止充電,這是到目前NiMH電池充電的最好辦法。NiMH電池充電結束時電壓下降比較小,而對低充電速率(低于0.5°C,這取于溫度)可能不出現電壓下降。
新的NiMH電池會在充電周期內過早地出現錯誤峰值,這會導致充電器過早結束充電。此外,單用- V檢測結束充電幾乎肯定會出現過充,導致在電池失效前限制充放電次數。
似乎沒有在所有條件下(新或舊,熱或冷,全部或部分放電)都適用的NiMH電池的-dV/dt充電算法。因此,除非NiCd充電器使用了dT/dt方法終止充電,否則不能用NiCd充電器為NiMH電池充電。而且,因為NiMH電池不能很好的吸收過充,所以,涓流充電電流比NiCd電池小(約0.05°C)。
NiMH電池的慢充比較困難。因為以0.1°C至0.3°C的速率充電時,電壓和溫度的變化不能準確指示電池已充滿。因此,慢速充電器必須依靠定時器來決定何時結束充電。以此,為保證NiMH電池充滿,應以接近1°C的速率(或電池制造商指定速率)快速充電,同時監控電壓( V=0)和溫度(dT/dt)來確定何時結束充電。
鋰離子和鋰聚合物電池充電
鎳基電池充電器限制電流,而鋰離子電池充電器則需同時限制電壓和電流。最初的鋰離子電池充電電壓限制在4.10V/節。電壓越高意味著容量越大,現在可以通過增加化學添加劑實現4.20V電池電壓。當前的鋰離子電池一般充電到4.20V,容差為±0.05V/節。
當端電壓達到電壓閾值并且充電電流降至0.03°C(約Icharge的3%,參考圖6)時表明電池已充滿。多數充電器達到滿充的時間約為3小時。盡管某些線性充電器聲稱Li+電池充電只需約一小時,但這類充電器通常在電池端電壓達到4.2V時就終止充電,這種方法只能將電池充到其容量的70%。

較高的充電電流并不會使充電時間縮短太多。較高的充電電流能較快達到電壓峰值,但是浮充需要較長時間。通常,浮充時間是初始充電時間的兩倍。
鋰離子電池保護
因為Li+電池過充或過放可能會導致爆炸并造成人員傷害,所以使用這類電池時,安全是主要關心的問題。因此,商用鋰離子電池組通常包括象DS2720這樣的保護電路(圖7)。
DS2720提供了可充電Li+電池所需的所有保護功能,如:在充電時保護電池、防止電路過流、通過限制電池的放電電壓延長電池壽命。

DS2720IC使用外部開關元件,如低成本n溝道功率MOSFET,來控制充電和放電電流。內部9V的電荷泵為外部n溝道MOSFET提供高端驅動,與常見使用相同FET的低端保護電路相比具有更低的導通電阻。FET導通電阻實際上隨電池放電而減少(見圖8)。
DS2720穩壓的高端n-FET驅動,即便在放電快結束時,都能保證低開關阻值。這將延長便攜設備運行時間。監控電池過壓/欠壓,過流和過熱;穩壓電荷泵支持高端模式n型溝道MOSFET;集成電池選擇功能;8字節可鎖定用戶EEPROM;64位唯一電子序列號;低功耗:工作15µA,靜態1µA;提供8引腳MSPO微型封裝;1-Wire數據通訊接口。

DS2720允許用戶通過數據接口或專用輸入控制外部FET,減少了可充電Li+電池系統中額外的功率開關控制。DS2720通過其1-Wire接口提供主機系統對狀態和控制寄存器、測量寄存器,以及通用數據存儲器的讀寫訪問。每個器件都有一個工廠編程的64位唯一地址,允許主機系統單獨尋址每個器件(圖9)。
DS2720為電池信息存儲提供兩類存儲器,及EEPROM和可鎖定EEPROM。EEPROM是真正的非易失(NV)存儲器,用來保存重要的電池數據,不會因電池過度放電、偶然短路或ESD事件丟失數據。可鎖定EEPROM在鎖定后相當于只讀存儲器(ROM),用于更安全地保存不再改變的電池數據。
保護模式
a 過壓 如果在VDD檢測的電池電壓超過過壓閾值VOV時間大于過壓延遲時間tOVD,則DS2720關閉充電FET,并將保護寄存器的OV置位。在過壓期間,放電通路保持開放。除非被另外保護條件鎖定,當電池電壓降到充電使能閾值VCE以下或由于放電導致VDD-VPLS>VOC時,充電FET被重新使能。
b 欠壓 如果在VDD檢測的電池電壓低于欠壓閾值VUV時間大于欠壓延遲時間tUVD,則DS2720關閉充電和放電FET,并將保護寄存器的UV置位,使其進入休眠模式。當電池電壓升到VUV以上和連接充電器后,IC打開充電和放電FET。
c 短路 如果在VDD檢測的電池電壓低于放電閾值VSC時間達到延遲時間tSCD,則DS2720關閉充電和放電FET,并將保護寄存器的DOC置位。除非PLS上的電壓升至大于VDD-VOC,否則充電和放電FET不會導通。DS2720提供流經內部VDD至PLS電阻RTST的測試電流,當VDD升至大于VSC時上拉PLS。DS2720利用此測試電流檢測有害低阻抗負載的移除。另外,測試電流還提供了流經RTST,由PLS到VDD的恢復性充電通路。
d 過流 若加在保護FET的電壓(VDD-VPLS)大于VOC的時間超過了tOCD,則DS2720關斷外部充電和放電FET,并將保護寄存器DOC置位。直到PLS上的電壓升至大于VDD-VOC時電路才會導通。DS2720提供流經內部VDD至PLS電阻RTST的測試電流來檢測有害低阻抗負載的移除。
e 過熱 若DS2720溫度超過TMAX,則立即關斷外部充電和放電FET。在以下兩個條件滿足前FET不會導通:電池溫度降到低于TMAX,主機將OT復位。
f 充電溫度 應盡量在室溫下充電。鎳基電池應在10°C至30°C(50°F至86°F)之間快速充電。低于5°C(41°F)和高于45°C(113°F)時鎳基電池的充電能力急劇下降。鋰離子電池在整個溫度范圍內呈現良好的充電性能,但低于5°C(41°F)時充電速率應小于1°C。
本文小結
NiMH充電器可為NiCd電池充電,反之則不行。NiCd電池專用的充電器將會使NiMH電池過充。快速充電可增強鎳基電池的壽命和性能,這是因為快速充電降低了內部結晶引起的記憶效應。鎳基和鋰基電池要求不同的充電算法。Li+電池需要保護電路來監控和保護過流、短路、過壓、欠壓以及過熱。注意,在電池不常使用時,應從充電器中取出,在使用前對電池浮充。



