在開關電源電路設計或電路試驗過程中,經常要對線圈或導線的電感以及線圈的匝數進行計算,以便對電路參數進行調整和改進。下面僅列出多種線圈電感量的計算方法以供參考
在進行電路計算的時候,一般都采用SI國際單位制,即導磁率采用相對導磁率與真空導磁率的乘積,即:
,其中相對導磁率
是一個沒有單位的系數,真空導磁率
的單位為H/m。
1、圓截面直導線的電感

圓截面直導線如圖2-32所示,其電感為:

2、同軸電纜線的電感

同軸電纜線如圖2-33所示,其電感為:

[page]
3、雙線制傳輸線的電感

雙線制傳輸線如圖2-34所示,其電感為:

4、兩平行直導線之間的互感
兩平行直導線如圖2-34所示,其互感為:

5、圓環的電感

[page]
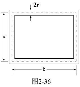
5、矩型線圈的電感

矩形線圈如圖2-36所示,其電感為:


6、螺旋線圈的電感
[page]
螺旋線圈如圖2-37所示,其電感為:


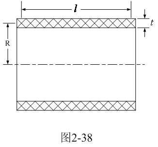
7、多層繞組線圈的電感

多層繞組線圈如圖2-38所示,其電感為:
[page]
【說明】上式是用來計算多層線圈繞組、截面為圓形的空心線圈的電感計算公式。長岡系數k可查閱表2-1,系數c可查閱表2-2。當線圈內部有磁芯時,有磁芯線圈的電感是空心線圈電感的
倍,
是磁芯的相對導磁率。相對導磁率的測試方法很簡單,只需把有磁芯的線圈和空心線圈分別進行測試,通過對比即可求出相對導磁率的大小。

8、變壓器線圈的電感
變壓器線圈如圖2-39所示,其電感為:


【說明】上式是用來計算變壓器線圈電感的計算公式。由于變壓器鐵芯的磁回路基本是封閉的,變壓器鐵芯的平均導磁率相對來說比較大。鐵芯的導磁率一般在產品技術手冊中都會給出,但由于大多數開關電源變壓器的鐵芯都留有氣隙,留有氣隙的磁回路會出現磁場強度以及磁感應強度分布不均勻,因此,(2-108)式中的導磁率只能使用平均導磁率,技術手冊中的數據不能直接使用。
在這種情況下,最好的方法是先制作一個簡單樣品,例如,在某個選好的變壓器鐵芯的骨架上繞一個簡單線圈(比如匝數為10),然后對線圈的電感量進行測試,或者找一個已知線圈匝數與電感量的樣品作為參考。知道了線圈樣品的電感量后,只需把已知參數代入(2-108)或(2-94)式,即可求出其它未知參數,然后把所有已知參數定義為一個常數k;最后電感的計算公司就可以簡化為:L = kN2 ,這樣,電感量的計算就變得非常簡單。
9、兩個線圈的互感
兩線圈的連接方法如圖2-40所示。其中圖2-40-a和圖2-40-b分別為正、反向串聯;圖2-40-c和圖2-40-d分別為正、反向并聯。


其中:
L:兩個線圈連接后的電感 [H]
L1、L2 :分別為線圈1與線圈2的自感 [H]
M:兩個線圈的互感 [H]
【說明】互感M有正負,圖2-40-a和圖2-40-c的接法互感M為正,圖2-40-b和圖2-40-d的接法互感M為負。兩個線圈之間的互感M為:

【說明】互感的大小,取決兩個線圈的結構和兩個線圈的相對位置以及導磁物質。當K=1時,
,這時的耦合稱為全耦合,它表示一個線圈產生的磁通全部從另一個線圈通過(沒有漏磁通)。但在實際應用中,無論任何結構的兩個線圈總會產生漏磁通,因此,耦合系數k總是一個小于1的數。一般帶有鐵芯的變壓器漏感都比較小,因此,變壓器初、次級線圈之間的偶合系數可以認為約等于1。




