- 單相電子電度表的電源設計
- 三相電度表電源設計
- 單相純計量表采用低成本的串聯阻容降壓電路
- 對三相四線供電時不能缺零線,對三相三線供電時不能缺公共地線
隨著國家電力產業的蓬勃發展,以及電力行業推行“一戶一表”制,使得早期使用的機電式電度表越來越不適應市場要求,而電子式電度表由于具有計量準確、可遠程抄表和分時計量等特點,且產品的可靠性也占有優勢,因而市場見好。據報道每年僅國內就約有五千萬只的需求。由于電度表屬于不間斷工作的電力計量產品,對計量準確性、可靠性和EMC特性等有嚴格要求,因而其電源部分則是電子電度表設計的關鍵之一。
電度表有詳細的設計、生產和檢測標準,如GB/T17215-19981級和2級靜止式交流有功電度表(對應的國際標準為IEC1036:1996),GB/T15284-1994多費率(分時)電度表,DL/T698-1999低壓電力用戶集中抄表系統技術條件、DL/T614-1997多功能電能表等。這些標準分別對與電度表電源設計有關的整機功耗,輸入電壓范圍,EMC測試等方面提出了詳細要求。下面分別探討簡單的單相純計量表、單相多功能表、三相電度表的電源設計方法和應注意的問題。
單相電子電度表的電源設計
單相電子電度表中純計量表和多功能電表,對電源的需求有所不同。
1單相純計量表的電源設計
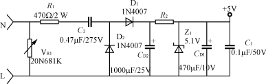
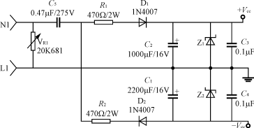
單相純計量表一般只含有一個基本的計量單元,一個電子計度器,一個發光二極管和脈沖輸出口等,整機耗電一般不超過50mW,采用低成本的串聯阻容降壓電路即可滿足整個電度表的供電需求;有的計量IC只需要單一+5V電源供電,如ADE7755等,如圖1所示。而有的計量IC需要±5V或±2.5V雙電源供電,如BL0932、SA9602M等,如圖2所示。

圖1單電源供電

圖2雙電源供電
輸入電路的電阻R1(或R1、R2)要采用品質較好的金屬膜電阻或水泥電阻,功率2~5W,阻值100~820Ω;降壓電容C2(或C5)采用高質量的高壓金屬化聚丙烯電容,一般0.22~0.47μF,耐壓應≥AC250V,電容的容量過大會引起視在功率超標。
當計量脈沖驅動計度器時,計度器的步進電機瞬間會吸收較大的電流,如果輸出濾波電容量不足時,將引起電壓波動,影響計量的準確度,尤其電度表在大電流輸入時,計量脈沖的頻率更快,供電電壓更易受到影響,所以還應選擇較大的輸出濾波電容,保證在大電流計量工作時,不影響計量精度。一般情況下主電路濾波電容取1000μF~2200μF,并且要用長壽命(>2000h)的電解電容以提高可靠性,同時也應考慮發光二極管、脈沖輸出口有計量脈沖輸入時,瞬間也會吸收部分電流,對電源電壓的穩定性也有影響。
2單相多功能電度表的電源設計
單相多功能電度表的基本單元一般包含計量,CPU,顯示等。對電源來說,主要考慮的是電度表需要幾路電源,各路的電壓、功率需求;有些電表可能還有外接控制線或通訊線,對這些引出線應有安全隔離要求。由于該電度表上所用的元器件和集成電路等遠比單相純計量表要多,所需功率也較大,根據標準要求,電壓線路的靜態功耗對不同類電度表應≤1.5~3W,視在功率≤10VA,一般采用低成本的線性變壓器供電即可。有的供電局對電子電度表功耗提出了更加嚴格的要求,比如靜態功耗要<1W,而對輸入電壓波動范圍要求在(70%~130%)Un,甚至更大。
[page]
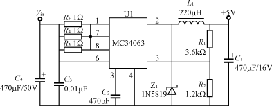
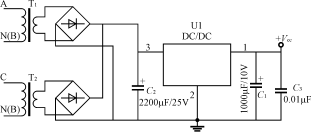
如果保證在最低輸入電壓70%Rn時電表能輸出正常的工作電壓,按線性變壓器特性,則在額定輸入電壓Un時,輸出電壓會較高,如果輸出電壓整流濾波后采用一般的線性穩壓器供電,將會使整機功耗加大;而在最高輸入電壓時,將會使變壓器溫升增大,線性穩壓電路損耗加大,發熱量也會增大;針對整機耗電較大的電子電度表,其解決辦法一是可以采用較好材質的硅鋼片,如Z11型硅鋼片;二是低壓輸出穩壓電路采用一個低成本的高效率DC/DC變換電路,即可使整機功耗顯著降低,還可在寬輸入電壓范圍內,穩定、高效地工作。這些DC/DC電路可以采用簡單的低成本MC34063、LM2574等DC/DC變換器,采用MC34063設計的+5V輸出DC/DC變換器如圖3所示。

圖3DC/DC變換器
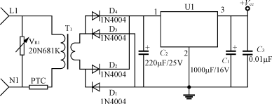
現在,大部分供電部門為防止由于電網零線接錯而損壞電度表或人為采用過壓供電方法破壞電度表等問題,已要求新安裝的單相電度表能夠承受高壓(如380V電壓)一定時間(如4h)而不損壞,如果單相表的輸入電路不加處理,輸入的高壓將會使電度表在短時間內燒毀。只要在變壓器輸入端串聯一只合適的PTC熱敏電阻作過流保護,讓外部電壓主要加在PTC熱敏電阻上,則可保證線性變壓器不致發熱、損壞。為保證不發生誤動作,熱敏電阻的不動作電流應參考電度表的實際交流輸入電流選取,并留有50%余量,居里溫度應≥80℃;在最高工作溫度下,最大負荷工作時,電表不能被保護,而在最低工作溫度下,輸入端加入380V交流電時,電度表內的PTC應在很短時間內起保護作用,保證電表不被損壞,電路圖如圖4所示。

圖4單相多功能電度表電源
三相電度表電源設計
三相電度表有三相三線,三相四線,輸入電壓有3×(220~240)V/380~400V、3×57V/100V等。三相電度表供電電路可以參考單相電度表電源的設計方法,對于三相四線供電電路,可以在每一相線對零線之間接1只線性變壓器,共3只線性變壓器;對三相三線可以取一相如Β相作為公共地線,A、C相對Β相接2只線性變壓器。這些變壓的副邊單獨整流后再將輸出的正極接在一起、負極接在一起,經電容濾波后,再通過DC/DC變換器輸出穩定電壓,向電度表供電,如圖5所示。

圖5三相電度表線性電源
這種供電方式體積和重量較大,成本也較高,顯然按以上電路連接時,對三相四線供電時不能缺零線,對三相三線供電時不能缺公共地線,如B相;另外,有的供電局用戶要求,三相電度表輸入端任意兩線有電壓輸入時都能工作,則圖5的設計便不能達到目的;當采用三相電度表專用開關電源模塊供電時,可解決以上問題,其內部結構圖如圖6所示。

圖6三相電度表專用開關電源模塊
這種三相電度表專用開關電源模塊,體積為32mm×75mm×22mm,輸入電壓范圍寬,在60~480V范圍內,任意二線、三線、四線輸入都可工作,帶有輸入過壓、輸出過流保護功能,電源的EMC特性也較好,另外還有體積小、重量輕、效率高、損耗小等優點,它的每相供電的自身損耗均<0.4W,已經過我公司三年批量試用,具有良好效果。
電子電度表的電源設計應合理選擇元、器件,以提高產品的可靠性,并降低成本;主機應選擇低壓供電、低功耗的電路以降低整機功耗;另外,合理地布置元、器件及PCB布線等,對提高電度表的EMC性能有極其重要意義。




