- 蓄電池充電器總體設計方案
- 蓄電池充電器的控制與保護策略
- 采用了由半橋變換器、高頻變壓器和輸出整流濾波電路組成的半橋變換器
- 采用恒流充電和涓流充電
該航空蓄電池充電器為飛機某型號蓄電池專門設計,主要實現兩階段充電功能,即恒流充電狀態(以20A的大電流充電)和涓流充電狀態(以3A的小電流充電)。蓄電池充電器使用的工作電源為115V/400Hz的航空電源,充電器能在1小時內完成恒流充電,隨后以涓流狀態對蓄電池組進行充電直至充電結束,每個充電過程在2個小時內完成。
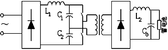
充電器總體設計方案

圖1充電器主電路結構框圖
航空蓄電池充電器的主電路如圖1所示,電源變換器采用了由半橋變換器、高頻變壓器和輸出整流濾波電路組成的半橋變換器,該電路結構簡單,工作可靠,功率管為場效應管,而且開關管承受的電壓為電源電壓,故可在電源電壓較高的場合應用。通常高頻大功率變換器開關頻率一般都大于15kHz,為了使功率電路小型化、減小失真并保持高的變換效率,該充電器采用了20kHz的開關頻率。
3SG3525芯片介紹

圖2 SG3525芯片的結構圖
SG3525是美國通用公司的產品,如圖2所示,內部電路主要由基準電源、振蕩器、誤差放大器、PWM比較器與鎖存器、分相器、欠電壓鎖定、輸出級、軟啟動以及關斷電路等組成。基準電源是一個典型的三端穩壓器,精度可達,采用了溫度補償。作為內部電路的供電電源,并可向外輸出40mA電流。振蕩器由一個雙門限比較器,一個恒流源及電容充放電電路組成,在芯片外部由5腳對地接一電容器,6腳對地接一電阻,5腳和7腳之間外接電阻即可構成該振蕩器。

圖3SG3525芯片各點的工作波形
[page]
SG3525芯片各點的工作波形如圖3所示,由誤差放大器輸出的電壓Ve與鋸齒波的交點可得一負的PWM信號。由PWM信號、時鐘信號及分相器輸出的Q(或)信號,根據或非門的邏輯可得兩個或非門的輸出信號Va和Vb。由波形圖可以看出,PWM比較器的反相輸入端電平越高,輸出脈沖Va和Vb的占空比越大;反之越小。根據這一規律來實現該控制器的調壓、軟啟動及保護功能。另外,可以通過改變5腳和7腳之間的外接電阻的大小,使時鐘脈沖寬度變化來實現死區大小的調節。
充電器的控制與保護策略
航空蓄電池充電器的控制原理框圖如圖4所示。芯片SG3525產生的兩路PWM波經過光耦隔離以后,被送入IR2130從而驅動開關管工作,由于充電器的負載為電壓時刻變化的航空蓄電池,因此在控制電路中還采用了電壓電流雙閉環控制、過流及過溫保護電路,從而能保證充電器高效、可靠的完成整個充電過程。

圖4充電器控制原理框圖
該充電器的工作過程可以簡單的描述為:當充電器檢測到蓄電池兩端的電壓低于某一定值電壓(第一定值)時,充電器開始工作并進入恒流充電狀態,此時由外部的電壓傳感器和電流傳感器采集來的電壓、電流信號傳送到控制電路進行電壓、電流雙閉環調節,保持充電電流恒定;當充電電壓達到另一定值(第二定值)電壓時,蓄電池充電器進入涓流充電狀態,當蓄電池充電器檢測到蓄電池兩端電壓不再發生明顯變化時,充電過程結束。
軟件設計
單片機系統以AD公司的數據采集系統芯片ADuC812為核心,采用單片機C語言進行編程,該芯片以8951為內核,集成了高精度的多通道ADC和DAC,具有在線可編程功能,該系統的主要功能是通過人機接口(按鍵,LED顯示)來設置對蓄電池的充電電流的大小,用采集到的電流和電壓值與設定值進行數字式PID調節,以控制D/A輸出,并在充電的過程中實時顯示蓄電池電壓、電流值和充電時間。
軟件設計的流程圖如圖5所示,在恒流充電階段,電壓傳感器產生的電壓信號、電流傳感器產生的電壓信號傳送到單片機以后,單片機產生2V的D/A信號給調理電路,在檢測到蓄電池兩端電壓達到第二定值時,充電器進入涓流充電階段,單片機電路產生較小的D/A值,使蓄電池以較小的電流充電(涓流充電),當檢測到蓄電池電壓不再上升(或者發生明顯的變化)時,單片機電路給出關斷充電器信號,蓄電池充電過程結束。

圖5充電器的軟件流程圖
試驗結果

圖6蓄電池充電過程示意圖
使用該蓄電池充電器對某型號航空蓄電池進行了充電試驗,最大充電電流限制為30A,溫度限制值定為350C。蓄電池的初始電壓為20V,充電開始時,充電器以20A的電流對蓄電池持續充電約58分鐘,然后以較小的電流3A對蓄電池進行涓流充電,直至蓄電池電壓上升到32.45V時,蓄電池兩端的電壓不再發生明顯的上升現象,此時充電器停止充電,歷時150分鐘,充電過程曲線示意圖如圖6所示。
本文提出了一種鎘鎳航空蓄電池充電器的設計方案和控制原理,精確實現了恒流充電和涓流充電功能,該充電器實現了輸出與電網的高頻電氣隔離,充電效率高,使用方便,工作穩定,有效地縮短了充電時間,提高了充電質量,便于現場應用,滿足航空蓄電池的使用要求,現已經裝備使用,效果良好。


