- 萬能充電器工作原理
- 萬能充電器常見故障檢修
- 充電器開關振蕩電路
- 更換三極管VT3(8550)
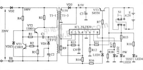
由于各型號手機所附帶的充電器插口不同,以造成各手機充電器之間不能通用。當用戶手機充電器損壞或丟失后,無法修復或購不到同型號充電器,使手機無法使用。萬能充電器廠家看到這樣的商機,就開發生產出手機萬能充電器,該充電器由于其體積小、攜帶方便,操作簡單,價格便宜,適合機型多,深受用戶的歡迎。下面以深圳亞力通實業有限公司生產的四海通S538型萬能充電器為例,介紹其工作原理和維修方法。該充電器在市場上占有率較高,又沒有隨機附帶電路圖,給維修帶來一定的難度,本文根據實物測繪出其工作原理圖,見附圖,供維修時參考。
四海通S538型萬能充電器在外觀設計上比較獨特,面板上采用透明塑料制作的半橢圓形夾子,透明塑料面板上固定有兩個距離可調節的不銹鋼簧片作為充電電極。面板的尾部并排有1個測試開關(極性轉換開關)和4個狀態指示燈,用戶根據需要可以調節充電器電極距離和輸出電壓極性,并通過狀態指示燈可方便看出電池的充電情況。
一、工作原理
該充電器電路主要由振蕩電路、充電電路、穩壓保護電路等組成,其輸入電壓AC220V、50/60Hz、40mA,輸出電壓DC4.2V、輸出電流在150mA~180mA。在充電之前,先接上待充電池,看充電器面板上的測試指示燈是否亮?若亮,表示極性正確,可以接通電源充電;否則,說明電池的極性和充電器輸出電壓的極性是相反的,這時需要按一下極性轉換開關AN1(測試鍵)才行。具體電路原理如下。
1.振蕩電路
該電路主要由三極管VT2及開關變壓器T1等組成。接通電源后,交流220V經二極管VD2半波整流,形成100V左右的直流電壓。該電壓經開關變壓器T的卜1初級繞組加到了三極管VT2的c極,同時該電壓經啟動電阻R4為VT2的b極提供一個正向偏置電壓,使VT2導通。此時,三極管VT2和開關變壓器T1組成的間歇振蕩電路開始工作,開關變壓器T的1-1初級繞組中有電流通過。
由于正反饋作用,在變壓器T的1-2繞組感應的電壓通過反饋電阻R1和電容C1加到VT2的b極,使三極管VT2的b極導通電流加大,迅速進人飽和區。隨著電容C1兩端電壓不斷升高,VT1的b極電壓逐漸降低,使三極管VT2逐漸退出飽和區,其集電極電流開始減少,變壓器T的1-1初級繞組中產生的磁通量也開始減少。在變壓器T的1-2繞組感應的負反饋電壓,使VT2迅速截止,完成一個振蕩周期。在VT2進入截止期間,變壓器T的1-3繞組就感應出一個5.5V左右的交流電壓,作為后級的充電電壓。
2.充電電路
該電路主要由一塊軟塑封集成塊IC1(YLT539)和三極管VT3等組成。從變壓器T的1-3繞組感應出的交流電壓5.5V經二極管VD3整流、電容C3濾波后,輸出一個直流8.5V左右電壓(空載時),該電壓一部分加到三極管VT3的e極;另一部分送到軟塑封集成塊IC1(YLT539)的1腳,為其提供工作電源。集成塊IC1有了工作電源后開始啟動工作,在其8腳輸出低電平充電脈沖,使三極管VT3導通,直流8.5V電壓開始向電池E充電。
當待充電池E電壓低于4.2V時,該電壓經取樣電阻R11、R12分壓后,加到集成塊IC1的6腳上,該電壓低于集成塊IC1內部參考電壓越多,集成塊IC1的8腳輸出的電平越低,三極管VT3的b極電位也越低,其導通量越大,直流電壓(8.5V)經極性轉換開關S1向電池E快速充電。由于集成塊IC1的2、3、4腳和電容C4共同組成振蕩諧振電路,其2腳輸出的振蕩脈沖經電阻R16送至充電指示燈LED1(綠)的正極,其負極接到集成塊IC1的8腳。在電池剛接人電路時,集成塊IC1的8腳輸出的電平越低,充電指示燈LED1閃爍發光強。隨著充電時間延長,電池所充的電壓慢慢升高,集成塊IC1的8腳輸出電壓慢慢升高,充電指示燈LED1閃爍發光逐漸變弱。
[page]
當電池E慢慢充到4.2V左右時,集成塊IC1的6腳電位也達到其內部的參考電壓1.8V。此時,集成塊IC1內部電路動作,使其8腳電壓輸出高電平,三極管VT3截止,充電指示燈LED1不再閃爍發光而熄滅,充滿指示燈LED2(綠)由滅變亮。
3.穩壓保護電路
該電路主要由三極管VT1、穩壓二極管VDZ1等組成。
過壓保護:當輸出電壓升高時,在變壓器T的1-2反饋繞組端感應的電壓就會升高,則電容C2所充電壓升高。當電容C2兩端電壓超過穩壓二極管VDZ1的穩壓值時,穩壓二極管VDZ1擊穿導通,三極管VT2的基極電壓拉低,使其導通時間縮短或迅速截止,經開關變壓器T1耦合后,使次級輸出電壓降低。反之,使輸出電壓升高,從而確保輸出電壓穩定。
過流保護:在接通電源瞬間或當某種原因使三極管VT2的電流過大時,在R5、R6上的壓降就大,使過流保護管VT1導通,VT2截止,從而有效防止開關管VT1因沖擊電流過大而損壞。同時電阻R6上的壓降,使電容C2兩端電壓升高,此后過流保護過程與穩壓原理相同,這里不再重復。三極管VT1是過流保護管,R5、R6是VT2的過流取樣保護電阻。
二、常見故障檢修
例1:接上待充電池及電源后,電源PW指示燈LED3及測試指示燈TESTLED4亮,而充電LED1及充滿指示燈LED2不亮,無電壓輸出,不能給電池充電。
分析檢修:這種故障多是充電器開關振蕩電路沒有工作所致。在實際檢修過程中,發現開關管VT2和電阻R6損壞最多。一般情況下,電池E的充電電路工作電壓較低,其元件損壞的概率不是很大,也就是開關變壓器T1的次級之后電路的損壞概率不是很大。
例2:接上待充電池及電源后,各狀態指示燈顯示正常,但就是充不進電或充電時間長。
分析檢修:這種故障多是三極管VT3(8550)損壞,用正常管子換上后,即可排除故障。如果三極管VT3正常,再用表測電容C3(100μF/16V)兩端電壓,正常在直流8.5V左右。若電壓正常,應檢查電阻R7或集成塊IC1,集成塊IC1各引腳正常參數如附表所示。若電壓低,再測開關變壓器T1次級輸出電壓,正常在交流5.5V左右。若電壓正常,說明電容C3或整流二極管VD3損壞;若電壓低,應檢查開關變壓器T1及其前級各元件。






