- 電子鎮流器的發展
- 電子鎮流器及有關問題
- 電子鎮流器的主要參數
- 采用電荷泵無源濾波技術
- 采用能量反饋的無源功率因數校正
電子鎮流器的負載是一種特殊負載,要求電子鎮流器工作時具有能為負載提供穩定電流的能力。由于它具有節能、效率高、節省金屬材料(銅、硅鋼)等優點,具有很高的經濟效益和社會效益,所以引起社會各界的廣泛關注。
電子鎮流器采用高頻開關變換技術,體積可以做得很小。但由于高頻開關和整流運行的原因,它又存在源側諧波失真大、電磁輻射干擾嚴重等缺點,當大批電子鎮流器同時工作時,高頻諧波會使電源中線嚴重偏離零電位,同時引入極大的峰值電源電流,嚴重干擾電源系統供電質量,甚至造成重大經濟損失。
電子鎮流器的發展
從時間上劃分,電子鎮流器主要經歷了以下幾個階段:
第一階段是80年代中期到90年代初期。這期間,電力電子技術由低頻向高頻發展,APFC(有源功率因數校正)也開始起步,電子鎮流器的優缺點開始顯現出來。這一階段電子鎮流器的主要特征是:
(1)鎮流器的輸入端采用不可控整流和大電容(或不用電容)濾波,輸入電流波形嚴重畸變,當大量使用時,會造成中線電流增加,嚴重時會引起鎮流器大量損壞甚至造成火災。
(2)采用“逐流”無源濾波技術,使得PF>0.9,THD<30%。但是9次諧波的波峰因子Cf≈2,超過標準。有人把采用這種“逐流”無源濾波技術的電子鎮流器叫作第二代電子鎮流器。
第二階段是90年代初期到90年代中期。這期間,由于APFC技術已成熟,并推出了相關專用集成芯片。電子鎮流器電路主要采用兩級功率變換,第一級采用APFC(常用BOOST型PFC電路),第二級采用功率DC/AC逆變。人們常將采用這種技術的電子鎮流器叫作第三代電子鎮流器。由于它采用了PFC技術,所以PF可達0.99,THD及各次諧波指標均能滿足要求。但是這種電子鎮流器采取了兩級高頻功率變換,所以整機效率在80%~90%,甚至更低,同時電路復雜,成本高,一時難于大范圍推廣。
第三階段是典型電路采用單級多功能電子鎮流器,發展方向主要有:
(1)美國VEPC提出的高頻能量反饋的電荷泵電路,主要指標可達PF>0.995,THD<5%,Cf<1.6。
(2)CUK等人提出的單管電子鎮流器。
本文主要討論兩種采用高頻能量反饋技術的電子鎮流器和它們的工作原理。
電子鎮流器的主要參數
評價電子鎮流器的指標有很多,下面介紹一些常用指標:
(1)輸入側功率因數一般要求PF>0.9;
(2)輸入側電流總諧波失真THD<20%~30%,并且要求三次諧波成分與基波成分(I3/I1)<17%;
(3)瞬態過電壓保護由于供電電網中有時會出現高幅值(如1kV左右)的瞬態脈沖電壓,但電子鎮流器由于受成本的限制,功率變換器件的參數余量不大。為使電子鎮流器可靠工作,應對這種高幅值的瞬態干擾加以抑制;
(4)軟起動功能電子鎮流器開起時,起動電流比正常工作電流大許多,降低了負載工作壽命,所以電子鎮流器應配以軟起動電路來減小起動電流;
(5)空載電壓電子鎮流器剛開始工作瞬間,負載還未工作,這時電子鎮流器的輸出電壓既不能太高,又不能太低。太低,燈管不能起輝;太高,又易降低燈管工作壽命;
(6)負載觸發起動方法常用的負載觸發起動方法有兩種:
①采用正溫度系數的熱敏電阻法。由于熱敏電阻的熱慣性,負載穩態工作時會對負載工作特性產生不利影響;
②瞬間觸發起動,由于負載沒有預熱過程,而直接加上較高的觸發電壓,會降低燈管陰極使用壽命;
(7)電流波峰因子Cf對電子鎮流器要求Cf<1.7,過大會降低負載壽命;
(8)效率η由于電子鎮流器較普通鎮流器的優點就是效率高,效率提高了就會達到節能效果;
(9)溫升由于自激振蕩的電子鎮流器或采用APFC技術的電子鎮流器中采用了磁性元件,而磁性元件的磁導率和溫度有關。實用中應采用高Bs值的磁性材料,同時應選用溫度系數低的磁性元件,特別是振蕩線圈磁性材料;
(10)應力參數由于高頻功率變換器寄生參數的存在,功率開關器件工作時,會有高頻振蕩現象產生。產生較大的dv/dt、di/dt,即所謂的動態電壓、電流應力。過大的動態應力會造成功率變換器件的損壞。這點可采用軟開關技術來降低動態應力值。
采用無源濾波技術和有源濾波技術的電子鎮流器
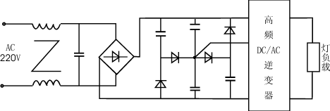
1采用電荷泵無源濾波技術的電子鎮流器電路
該電路工作框圖如圖1所示。

圖1采用無源濾波的電子鎮流器電路
電路的輸出及輸入特性分別見表1及表2。
[page]電源側電壓、電流波形見圖2。

圖2電源側電壓、電流波形

圖3采用無源PFC的電子鎮流器電路

圖4電源側電壓、電流波形
從圖1、2和表1、2可以看出,電路各項性能指標都有所兼顧和改善,PF值大于0.95,THD值在25%左右,但電流導通角還有一定的死區。波峰因數Cf有很大改進,在1.70~1.80。由于這種電路簡單,成本低,所以很有實用價值。
2采用能量反饋的無源功率因數校正的電子鎮流器
電路工作原理見圖3。
電源側電壓、電流波形見圖4。
電路輸出特性見表3。
表3能量反饋式電子鎮流器輸出特性

電路輸入特性見表4。
從圖3、4和表3、4中有關數據可以看出,它的輸入電流導通角為180°,沒有死區,電壓、電流基本同相位。PF>0.97,電流諧波在18%左右,Cf在1.6左右。由于電路簡單,工作又比較可靠,所以比較適用于電子鎮流器電路。

圖5雙泵式電子鎮流器電路
表4能量反饋式電子鎮流器輸入特性


圖6高頻泵式電子鎮流器電路
表5不同濾波電路的電子鎮流器綜合比較

雙泵和高頻泵電子鎮流器電路及實驗結果對比
下面分別介紹采用雙泵式(雙向自供輔助電源式)和高頻泵(高頻能量反饋)的無源濾波電子鎮流器電路和實驗結果。
圖5為雙泵式電子鎮流器工作原理圖。電容C1、C2,電解電容C3、C4和二極管V1~V4構成了正、負雙向輔助電荷泵。電子鎮流器通電后短時間內,V1~V4及C3、C4構成一個寄生二極管和電容濾波回路,使電路工作。燈管點亮后,高頻電流的一部分經由C1、C2返回電源,另一部分經過V1、V2整流,由C3、C4濾波,形成正、負兩個輔助電壓±△U,經由V3、V4與橋式整流后的100Hz脈動直流電壓相疊加,形成一個波峰比Cf比較小的供電電源為功率變換級供電。
適當選擇電容器的取值,可使電流的波峰比Cf<1.7的同時,使PF和THD值保持在一個比較理想的范圍。對典型的220V/36W電子鎮流器采用這種方法后,可得到:PF="0.945,"THD="32%",三次諧波含量HD3="0.28,"Cf="1.61,"η="0.93,"f="24.5kHz。"由于這種電子鎮流器的高頻電流得到了再生利用,所以電路工作效率較高。由于燈電流Cf值較小,所以發光效率也比較高。源電壓范圍為160~270VAC。整個電路對元器件無特殊要求。
圖6為采用無源濾波技術的高頻泵式電子鎮流器電路原理圖。電容C1、C2,二極管V1、V2組成高頻泵反饋回路。當電子鎮流器工作后,高頻電流通過電容C1、C2和V1、V2構成正、負兩個回路,正半周由V2對C0充電,填充低谷,波峰比變小,負峰波由V1返回電源,對整流管而言,產生高電平時的負阻狀態,從而提高了PF值。適當選擇元器件參數,可使電路的效率得到提高。對采用這種方法的220V/36W電子鎮流器典型參數為:PF=0.994,THD=0.068,HD3=0.051,Cf=1.62,η=0.89,f=25.3kHz。
對采用不同濾波電路的電子鎮流器綜合比較結果,見表5。
由表5可以看出,采用APFC的電子鎮流器總體指標最好,但它造價相對高些,電路相對也復雜些,一時難于普及。而高頻泵和雙泵式電子鎮流器電路,總體指標較好,三次諧波含量HD3:雙泵式為0.2~0.3,而高頻泵式小于0.1,有源濾波式小于0.1。由于采用雙泵和高頻泵能量反饋電路只添加幾個無源元件,造價低,所以較具有實用價值。當然要提高整體電子鎮流器的性能、工作可靠性等指標,還和功率變換電路形式(如諧振軟開關)、元器件的質量有關。




