- 無變壓器逆變器的優勢
- 無變壓器逆變器的缺點
太陽能作為一個可再生能源正在持續發展,對其的持續關注促進了太陽能板的價格降低和效率提升。同時,逆變器、充電器和能量優化器之類的平衡系統(BOS)器件已經取得了重大進展。本文將介紹影響太陽能BOS效能的新架構和元件。
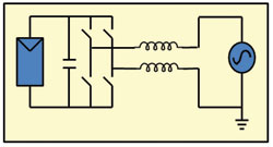
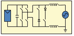
無變壓器的DC/AC逆變器在歐洲廣泛應用,但是在美國,這種產品只是最近才在某些地區被使用。無變壓器的逆變器拓撲結構有很多種,而Fraunhofer研究所開發的HERIC拓撲表現出了很高的效率。傳統的全橋逆變器的結構如圖1所示,HERIC拓撲如圖2所示,此圖中還顯示了兩種新的開關/二極管對。這種拓撲利用獨有的續流路徑來減小開關和導通損耗,使效率提升到98%以上。

圖1用在無變壓器逆變器上的全H橋

圖2用在無變壓器逆變器上的HERIC拓撲
無變壓器逆變器的優勢
無變壓器逆變器有幾種優勢。傳統逆變器的變壓器級,要提供電流隔離,因此重量大、價格高且損耗大。即使是帶有超小變壓器的高頻逆變器也有很大的能量損耗,最高能到1%~2%。在持續減少光伏系統安裝費用的過程中,每一小份能量都很關鍵。因此,向無變壓器逆變器的過渡會繼續。
無變壓器逆變器的缺點
無變壓器逆變器也有一些缺點。如前文所說,這種逆變器不包含由變壓器提供的電流隔離,這是一個很重要的安全隱患。然而,集成了完整的安全機制,例如隔離電阻測試和殘余電流檢測,會使得無變壓器逆變器如同變壓器一樣安全。此外,有證據表明這種逆變器的接地問題會導致薄膜面板,尤其是一些CIGS太陽能面板受到永久的傷害。
逆變器拓撲中常見的是H橋中的開關。如像上文所提,逆變器設計正朝著以越來越高的功率來減少電感/電容和變壓器的體積和成本方向發展。高壓/高頻開關在太陽能逆變器中是必需的。但是,在高壓/高頻條件下運行MOSFET會導致嚴重的傳導損失。IGBT經常被使用是因為它們的傳導損失比MOSFET要低。然而,它們會在關斷期間會產生尾電流——增加了開關損耗。
ESBT
ST公司的射極開關式雙極型二極管(ESBT)提供了很好的解決方案。如圖3所示,ESBT的共基極放大器結構中包含了一個高壓BJT和一個功率MOSFET,整個器件有非常低的導通電壓降。[page]

圖3帶MOSFET驅動器的ESBT
當一個ESBT同外置MOSFET和二極管/電阻配對的時候,整個電路看起來像一個3端器件,經驅動后能達類似IGBT或功率MOSFET的工作狀態。ESBT的關斷能量比IGBT低很多,能實現高效設計,并非常適合高頻率、高壓逆變器設計。
傳統結構的屋頂太陽能系統安裝過程也在減少BOS成本,并提高性能。在這種結構中,太陽能板以串聯/并聯陣列形式連接在一起,對陰影和錯配非常敏感。舉例來說,如果一個串行陣列中的面板,其性能受陰影或塵土的影響,整串的輸出就會受到嚴重的影響。對這個問題的一個解決方案就是在面板或串聯級增加一個DC/DC變換器和一個極大的功率點追蹤器。
優化
面板級的能量優化是一個非常重要的能量轉換和控制任務。這些功能要優化太陽能面板采集的能量,然后轉換為連續的電壓或電流,同時將工作狀態發送至中央控制器。這需要一個微控制器或狀態機、模擬感應電路、DC/DC電流轉換,以及有線或無線通信。
這些具體功能都是易于理解的,并適合集成在一個模塊中。這樣做能提供成本、可靠性和性能優勢。優化的MPPT輸出可增加系統的性能,并導致效率增加,有助于降低系統成本。
一個典型的MPPT集成方案就是ST公司的SPV1020。它包含了一個集成式升壓變換器,一個MPPT有線狀態機,模擬感應電路和一個PLM。變換器使用了一個高頻率交錯結構,可接納更小的電感和電容。這個高集成度的方案將在2010年晚些時候推出。
太陽能適合大部分的工業應用,如離網的太陽能供電路燈、標識、碰撞指示燈、安全系統、數據獲取和遠程通信。通常情況,在電網不能接入的地方會使用太陽能。然而,在這些地方,太陽能的使用會因為成本因素而受限。不過,同屋頂的太陽能一樣,離網的工業太陽能供電系統會隨著成本和效率方面的改進而增加應用。
離網發電系統需要很大的能量采集器,尤其是電池。這些電路需要安全和高效的充電,以不斷完善完備性和集成性。例如,Cypress半導體推出了使用PowerPSoC處理器的集成太陽充電器參考設計。它用12V太陽能板供電,來慢充12V鉛酸電池,這個參考設計包括了MPPT優化和一個鉛酸電池充電器。
該產品的架構使用了一個電流控制的降壓整流器來進行MPPT和電池充電(見圖4)。嵌入在PowerPSoC中的MPPT和電池充電器使用了電壓和電流回饋,使面板工作在峰值功率,通過控制降壓控制器的開關來使面板工作在峰值功率中。

圖4MPPT/充電器控制器結構框圖
在另一個實例中,ST微電子開發了一個高度集成的HBLED太陽能MPPT充電器/驅動器。這個全集成的方案帶有MPPT優化的電池充電器和集成的HBLED驅動器。這個產品將在2010年晚期發布,非常適合于HBLED街燈照明應用。





