中心議題:
- 微距離無線充電器工作原理
- 微距離無線充電器主要元器件選型
- 微距離無線充電器設計調試和性能測試
解決方案:
- 電能發送電路設計
- 電能接收與充電控制電路設計
1 引言
無線電技術用于通信,已經在全世界流行了近一百年。從當初的無線電廣播和無線電報,發展到現在的衛星和微波通信,以及普及到全球幾乎每一個個人的移動通信、無線網絡、GPS等。無線通信極大地改變了人們的生產和生活方式,沒有無線通信,信息化社會的目標是不可議的。然而,無線通信傳送的都是微弱的信息,而不是功率較大的/能量。因此許多使用極為方便的便攜式的移動產品,都要不定期地連接電網進行充電,也因此不得不留下各種插口和連接電纜。這就很難實現具有防水性能的密封工藝,而且這種個性化的線纜使得不同產品的充電器很難通用。如果徹底去掉這些尾巴,移動終端設備就可以獲得真正的自由。也易于實現密封和防水。這個目標必須要求能量也像信息一樣實現無線傳輸。
能量的傳送和信號的傳輸要求顯然不同,后者要求其內容的完整和真實,不太要求效率,而前者要求的是功率和效率。雖然能量的無線傳送的想法早已有之,但因為一直無法突破效率這個瓶頸,使它一直不能進入實用領域。
目前,這個瓶頸仍然沒有實質性的突破。但是如果對傳輸距離沒有嚴格要求(不跟無線通信比),比如在數cm(本文稱微距)的范圍內,其傳輸效率就很容易提高到滿意的程度。如果能用比較簡單的設備實現微距條件下的無線傳能,并形成商業化的推廣應用,當今社會隨處可見的移動電子設備將有可能面臨一次新的變革。
2 工作原理
將直流電轉換成高頻交流電,然后通過沒有任何有有線連接的原、副線圈之間的互感耦合實現電能的無線饋送。基本方案如圖1所示。

本無線充電器由電能發送電路和電能接收與充電控制電路兩部分構成。
2.1 電能發送部分
如圖2,無線電能發送單元的供電電源有兩種:220V交流和24V直流(如汽車電源),由繼電器J選擇。按照交流優先的原則,圖中繼電器J的常閉觸點與直流(電池BT1)連接。正常情況下S3處于接通狀態。

圖2無線電能發送單元電路圖
[page]
當有交流供電時,整流濾波后的約26V直流使繼電器J吸合,發送電路單元便工作于交流供電方式,此時直流電源BT1與電能發送電路斷開,同時LED1(綠色)發光顯示這一狀態。
經繼電器J選擇的+24V直流電主要為發射線圈L1供電,此外,經IC1(78L12)降壓后為集成電路IC2供電,為保證J的動作不影響發送電路的穩定工作,電容C3的容量不得小于2200uF。
電能的無線傳送實際上是通過發射線圈L1和接收線圈L2的互感作用實現的,這里L1與L2構成一個無磁芯的變壓器的原、副線圈。為保證足夠的功率和盡可能高的效率,應選擇較高的調制頻率,同時要考慮到器件的高頻特性,經實驗選擇1.6MHz較為合適。
IC1為CMOS六非門CD4069,這里只用了三個非門,由F1,F2構成方波振蕩器,產生約1.6MHz的方波,經F3緩沖并整形,得到幅度約11V的方波來激勵VMOS功放管IRF640.足以使其工作在開關狀態(丁類),以保證盡可能高的轉換效率。為保證它與L1C8回路的諧振頻率一致。可將C4定為100pF,R1待調。為此將R1暫定為3K,并串入可調電阻RP1。在諧振狀態,盡管激勵是方波,但L1中的電壓是同頻正弦波。
由此可見,這一部分實際上是個變頻器,它將50Hz的正弦轉變成1.6MHz的正弦。
2.2 電能接收與充電控制部分
正常情況下,接收線圈L2與發射線圈L1相距不過幾cm,且接近同軸,此時可獲得較高的傳輸效率。
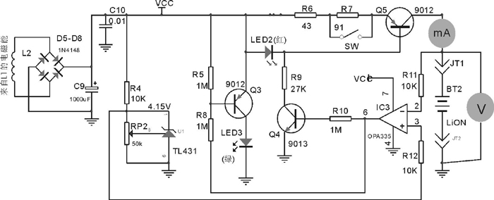
電能接收與充電控制電路單元的原理如圖3所示。
L2感應得到的1.6MHz的正弦電壓有效值約有16V(空載)。經橋式整流(由4只1N4148高頻開關二極管構成)和C5濾波,得到約20V的直流。作為充電控制部分的唯一電源。
由R4,RP2和TL431構成精密參考電壓4.15V(鋰離子電池的充電終止電壓)經R12接到運放IC的同相輸入端3。當IC2的反相輸入端2低于4.15V時(充電過程中),IC3輸出的高電位一方面使Q4飽和從而在LED2兩端得到約2V的穩定電壓(LED的正向導通具有穩壓特性),Q5與R6、R7便據此構成恒流電路I0=2-0.7R6+R7。另一方面R5使Q3截止,LED3不亮。

圖3無線電能接收器電路圖
當電池充滿(略大于4.15V)時,IC3的反相輸入端2略高于4.15V。運放便輸出低電位,此時Q4截止,恒流管Q5因完全得不到偏流而截止,因而停止充電。同時運放輸出的低電位經R8使Q3導通,點亮LED3作為充滿狀態指示。
兩種充電模式由R6、R7決定。這個非序列值可以在E24序列電阻的標稱值為918的電阻中找到,就用918的也行。
如果作為產品設計,這部分電路應當盡可能微型化(電流表電壓表只是在實驗品中調試時用,產品中不需要),最好成為電池的附屬電路。
3 主要元器件選擇
電源變壓器T1:5VA18V,這里利用現有的雙18V的,經整流濾波后得到約24V的直流
繼電器J:DC24V,經測量其可靠吸合電流為13mA
保險管FUSE:快速反應的1A
可調電阻RP1和RP2:用精密可調的
諧振電容C8:瓷介電容耐壓不小于63V
整流橋D5-D8:用高頻開關管1N4148
精密電壓源:TL431
運放IC3:OPA335,TI公司的軌對軌精密單運放
晶體管Q3、Q4和Q5:要求漏電流小于0.1uA,放大倍數大于200,圖中已標型號
發光管LED2:普亮(紅),正向VA特性盡可能陡直(動態電阻小,穩壓特性好)
發送線圈L1:用U1mm的漆包線在U66mm的圓柱體(易拉罐正好)上密繞20匝,用502膠適當粘接,脫胎成桶形線圈
接收線圈L2:用U0.4mm的漆包線在同樣的圓柱體上密繞20匝,脫胎后整理成密圈形然后粘接固定。這是為了使接收單元盡可能薄型化
4 調試要點
在發送單元的FUSE1回路上串入電流表,以保持監測。按以下順序調試。
4.1 調工作頻率
調PR1使F1-F2產生的方波頻率與C8L1的諧振頻率一致。此時電流表的讀數最小,接收線圈L2所得的感應電壓最大,暫不接被充電池BT2.。
[page]
4.2 調基準電壓
保持L1與L2相距2cm并同軸,此時C5兩端的直流電壓應當有18-20V。
調RP2使其兩端電壓為4.15V,這就是鋰離子電池的充電終止電壓。改變L1與L2的間距,在0-6cm之間基準電壓應當恒定為4.15V。
任何一項調試必須在保證其他條件不變的情況下進行。
4.3 調充電控制
增大L1與L2的間距(約55mm),使C5兩端的直流電壓降為8V。或者關掉發送單元,在C5兩端接上8V的實驗電源。
在運放輸出高電位的情況下,將R10換成5M的電位器,由大往小調,在能保證Q4完全飽和的情況下,對其電阻的最大值取3/4,成為調定的R10。這是為了即保證控制可靠,又要盡可能省電。
4.4 調充滿顯示
在運放輸出高電位時,保證Q3截止(LED3不亮)的前提下,R5取最大。
在運放輸出低電位時,在LED3中串入電流表,調R8使電流表讀數為0.5mA,此時LED3有足夠的亮度(方法同4-3,目的同4-3)。
這樣,接收單元的充電控制電路總耗電不到2mA。其中R4支路有1mA左右,Q3和Q4有0.5mA(Q3和Q4不會同時導通),IC2耗電更小(小于0.01mA)。
5 性能測試
應保證L1與L2附近沒有其他金屬或磁介質。
5.1 耦合性能
在接收單元空載(不接被充電池)情況下,保持L1與L2同軸,改變L1-L2間距,測量接收單元C5兩端電壓DCV。
在5cm內,充電控制電路能保證準確可靠的工作,6cm仍可充電。

5.2 充電控制
保持L1與L2同軸并固定于相距2cm,接上待充電池,并接上電壓表。
斷開SW,電流表讀數為10mA,此為慢充電工作方式;接通SW,電流表讀數為30mA,此為快充電工作方式。
當充電使電壓表讀數達到4.15V時,LED3熄且LED2亮,同時電流表讀數為零,表明電池BT2已被充滿并自動停止充電,并且顯示這一狀態。
測試時,被充電池可用一只20000uF電容代替,以縮短充電時間便于測試。
5.3 換能效率
仍保持L1與L2同軸相距2cm,充電器分別工作于快充、慢充和停充,測量。

5.4 電源切換
斷開S1,繼電器復位,由直流電源BT1供電;接通S1,繼電器吸合,由交流電源供電,此時BT1被斷開。
兩種供電方式對以上測試結果完全相同。
S3用于兩種供電方式的人工切換或強行用直流,一般處于接通狀態。
6 結語
作為可行性探索實驗的樣機,本設計僅針對100mAh左右的小容量鋰離子電池和鋰聚合物電池,適用于MP3、MP4和藍牙耳機等袖珍式數碼產品。將它推廣到大容量電池,并不存在原則性的障礙。當然,從實驗室的樣機到市場中的產品,可能還有比較漫長和艱難的工作,如電磁輻射的泄漏問題,成本控制與產品工藝,以及市場切入與消費啟動等。





