- 新單相正弦車載電源型設計的討論
- 一般采用逆變器加工頻變壓器的方案
- 從車載電源電路結構與功能得出新方案
隨著社會的發展,汽車越來越與人們的生活息息相關,而汽車用的直流電壓一般為12V,不能為便攜式電子設備直接使用。為此,車載電源(就是把直流12V電壓轉換成交流220V/50Hz電源)的研制日益引起人們的重視。
傳統車載電源一般采用逆變器加工頻變壓器的方案,它存在體積大、效率低等缺陷。隨著新型電力電子器件和電力電子技術的發展,采用高頻鏈的方案來實現無工頻變壓器的逆變電路,可以很好地解決傳統車載電源存在的問題,同時能保證車載電源的輸出電壓更穩定、更平滑[1]。
1 車載電源電路結構與功能分析
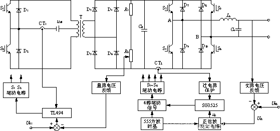
車載電源系統如圖1所示。12V直流電壓經過高頻逆變和高頻整流,得到一個符合要求的350V直流電壓,該部分的控制信號由TL494芯片產生[4]。

圖1 車載電源系統結構
再經過全橋DC/AC逆變電路,得到220V/50Hz交流電壓輸出。為保證系統可靠運行,防止主電路對控制電路的干擾,采用主、控電路完全隔離的方法,即驅動信號用光耦隔離,反饋信號用變壓器隔離,輔助電源用變壓器隔離等。
對于整個系統而言,逆變電路能否正常工作決定了整個系統能否正常運行。所以,設計的重點在逆變器的控制和檢測上。
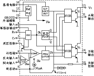
1.1 SG3525結構框圖和引腳功能[1]
系統采用SG3525來實現SPWM控制信號的輸出,該芯片其引腳及內部框圖如圖2所示。
[page]

圖2 SG3525引腳及內部框圖
直流電源Vs從腳15接入后分兩路,一路加到或非門;另一路送到基準電壓穩壓器的輸入端,產生穩定的+5V基準電壓。+5V再送到內部(或外部)電路的其它元器件作為電源。
振蕩器腳5須外接電容CT,腳6須外接電阻RT。振蕩器頻率f由外接電阻RT和電容CT決定,f=1.18/RTCT。逆變橋開關頻率定為10kHz,取CT=0.22μF,RT=5kΩ。振蕩器的輸出分為兩路,一路以時鐘脈沖形式送至雙穩態觸發器及兩個或非門;另一路以鋸齒波形式送至比較器的同相輸入端,比較器的反向輸入端接誤差放大器的輸出。誤差放大器的輸出與鋸齒波電壓在比較器中進行比較,輸出一個隨誤差放大器輸出電壓高低而改變寬度的方波脈沖,再將此方波脈沖送到或非門的一個輸入端。或非門的另兩個輸入端分別為雙穩態觸發器和振蕩器鋸齒波。雙穩態觸發器的兩個輸出互補,交替輸出高低電平,將PWM脈沖送至三極管V1及V2的基極,鋸齒波的作用是加入死區時間,保證V1及V2不同時導通。最后,V1及V2分別輸出相位相差180°的PWM波。
1.2 SPWM調制信號的產生
要得到正弦電壓的輸出,就要使逆變電路的控制信號以SPWM方式控制功率管的開關,所得到的脈沖方波輸出再經過濾波就可以得到正弦輸出電壓。通過SG3525來實現輸出正弦電壓,首先要得到SPWM的調制信號,而要得到SPWM調制信號,必須得有一個幅值在1~3.5V,按正弦規律變化的饅頭波,將它加到SG3525腳2,并與鋸齒波比較,就可得到正弦脈寬調制波實現SPWM的控制電路框圖如圖3(a)所示,實際電路各點的波形如圖3(b)所示。

(a) SPWM控制電路框圖

(b) SPWM電路主要節點的波形
圖3 控制電路框圖及各點波形
[page]
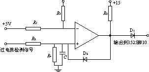
1.3 過電流保護
過電流保護采用電流互感器作為電流檢測元件,其具有足夠快的響應速度,能夠在IGBT允許的過流時間內將其關斷,起到保護作用。如圖1所示,過流保護信號取自CT2,經分壓、濾波后加至電壓比較器的同相輸入端,如圖4所示。當同相輸入端過電流檢測信號比反相輸入端參考電平高時,比較器輸出高電平,使D2從原來的反向偏置狀態轉變為正向導通,并把同相端電位提升為高電平,使電壓比較器一直穩定輸出高電平。同時,該過電流信號還送到SG3525的腳10。當SG3525的腳10為高電平時,其腳11及腳14上輸出的脈寬調制脈沖就會立即消失而成為零。

圖4 過電流保護電路
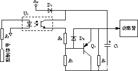
1.4 驅動電路的設計
驅動電路的設計既要考慮在功率管需要導通時,能迅速地建立起驅動電壓,又要考慮在需要關斷時,能迅速地泄放功率管柵極電容上的電荷,拉低驅動電壓。具體驅動電路如圖5所示

圖5 驅動電路
1)當光耦原邊有控制電路的驅動脈沖電流流過時,光耦導通,使Q1的基極電位迅速上升,導致D2導通,功率管的柵極電壓上升,使功率管導通;
2)當光耦原邊無控制電路的驅動脈沖電流流過時,光耦不導通,使Q1的基極電位拉低,而功率管柵極上的電壓還為高,所以導致Q1導通,功率管的柵極電荷通過Q1及電阻R3迅速泄放,使功率管迅速可靠地關斷。
當然,對于功率管的保護同樣重要,所以在功率管源極和漏極之間要加一個緩沖電路避免功率管被過高的正、反向電壓所損壞。
2 實驗結果
根據以上分析,對實驗樣機進行了實驗,其額定輸出功率為500W,濾波器參數取L=3mH,C=2.2μF,樣機帶負載運行時,測得其輸出電壓波形如圖6所示。
3 結語
樣機輸出電壓波形質量良好,輸出電壓穩定性強,幅值基本不受負載變化影響,效果較好。實驗表明,本文提出的系統方案是切實可行的。

圖6 逆變器的輸出波形





